BOSCH Thermostat atmosphere Smart Home 230 V

Product Information
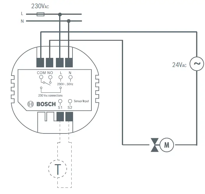
The product is a device used for controlling the temperature in a building. It can operate with 24V devices and has connections for external sensors or potential-free contacts. It has an external conductor (230VAC) and a neutral conductor. The voltage-free input is for 24V devices or an external 24V voltage supply. The switching output is for consumers. There is also an external temperature sensor (available as an optional accessory) that can be installed, such as in the floor. The product comes with a 24V actuator.
Product Usage Instructions
- First, ensure that the device is properly installed and mounted according to the instructions provided in the manual.
- Turn on the device by connecting it to a 230VAC power source.
- If you are using a 24V device, connect it to the voltage-free input. If you are using an external 24V voltage supply, connect it to the voltage-free input as well.
- Use the switching output to connect to consumers, such as heaters or AC units.
- If you have external sensors or potential-free contacts, connect them to the appropriate connections.
- If you have an external temperature sensor, install it in a suitable location, such as in the floor.
- The product comes with a 24V actuator. Use this to control the temperature in your building.
Installation and mounting
Operation with 24 V devices

Connection Description
- L External conductor (230 VAC)
- N Neutral conductor
- COM Voltage-free input. For 24 V devices, input for the external 24 V voltage supply.
- NO Switching output for consumers.
- S1/S2 Connections for external sensors or potential-free contacts.
- T External temperature sensor (available as optional accessory), e. g. installed in the floor.
24 V actuator




















