VIZULO Eagle LED Flood Light
Dimensions
Netto Weight
| LED count | 576 |
| Luminaire Weight (Kg) | 41.7 |
| Driver Box Weight (Kg) | 9.2 |
Maximal wind load with driver box depending on the angle relative to the ground
| 0° | 15° | 30° | 45° | 60° | 75° | 90° | |
| SCx, m² | 0.23 | 0.36 | 0.48 | 0.58 | 0.64 | 0.68 | 0.69 |
Acceptable luminaire mounting angle relative to the ground.
Unacceptable luminaire mounting – light is not supposed to be directed at the luminaire and its parts.
WARNING
- Do not touch LED modules!
- Do not put any tools or other items on LED modules!
- In case any LED is physically damaged (example shown below) the warranty is void.

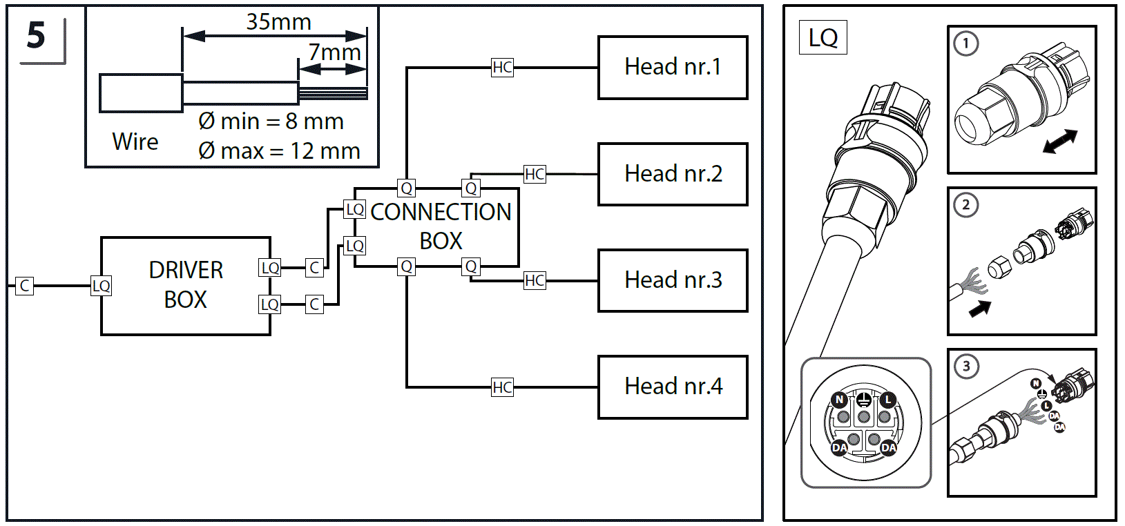
Assembling




- Q – quick connectors, supplied with the luminaire
- C – can be supplied upon request
- HC – head cables, pre-installed
- LQ – input line and dimming interface quick connector, supplied with the luminaire
- If CONNECTION BOX is not supplied head plugs directly into the driver box
Quick connection



The luminaire should be positioned so that prolonged staring into the luminaire is not expected from a distance closer than shown in the table above.

The luminaire should be positioned so that prolonged staring into the luminaire is not expected from a distance closer than shown in the table above
MCB/Inrush current table

| LED Driver D – 230 Vac
| |||||||
| Standard/High density | In-rush current (peak/dura on) | 10A | 16A | 20A | 25A | 32A | MCB type |
| Eagle 4 Heads Basic | 25 A (8000 s) | 0 | 1 | 1 | 1 | 2 | B,C |
| LED Driver E- 230 Vac | ||||||
| Standard/High density | In-rush current (peak/dura on) | 10A | 16A | 20A | 25A | MCB type |
| Eagle 4 Heads Basic | 40 A (2500 s) | 0 | 1 | 1 | 1 | B,C,D |
Energy efficiency class of contained light source(s)
Standard

| CRI | ||||
| 70 | 80 | 90 | ||
| CCT | 1800 | F | ||
| 2200 | E | |||
| 2500 | E | |||
| 2700 | D | E | F | |
| 3000 | D | E | F | |
| 4000 | C | D | E | |
| 5000 | C | D | E | |
| 5700 | C | D | E | |
| 6500 | C | E | ||
Eco
| CRI | ||||
| 70 | 80 | 90 | ||
| CCT | 2200 | E | F | |
| 2700 | E | E | F | |
| 3000 | E | E | F | |
| 4000 | D | E | F | |
| 5000 | D | E | F | |
| 5700 | D | E | F | |
| 6500 | D | E | ||
Terms of use and maintenance
Before the luminaire is turned on, it should be mounted according to this mounting instruction or any other applicable regulations.
Mounting instructions
- The warranty of the luminaire does not apply if the mounting of the luminaire has been performed in precipitation (rain, snow, hail).
- The warranty of the luminaire does not apply if a control system unauthorized by VIZULO or an inapplicable LED driver has been used to drive the luminaire.
- The warranty of luminaire does not apply if it has been used in an unsuitable ambient temperature or has been supplied by
- The warranty of the luminaire does not apply if the LED driver program has been changed in any way.
• The warranty of the luminaire does not apply if the logged history data of the LED driver has been deleted without the permission of VIZULO. up), or it has been completely submerged under water.
Safety instructions requirements.
- To prevent any accidents person installing the luminaire must follow national safety requirements and following instructions:
- The label containing the technical parameters of the luminaire has to be studied before the work on it has begun.
- Any luminaire build or design changes are prohibited.
- The luminaire must be used in good technical condition and according to this instruction.
- Only VIZULO-authorized spare parts and accessories can be used to repair the luminaire.
Maintenance and repair
- Luminaire has to be disconnected from the electrical grid before it is opened and/or repaired!
- The person working with the luminaire must follow national regulations and legislations that apply to the maintenance and testing of electrical or electronic appliances.
- The luminaire may need to be cleaned depending on its environment. Only a damp cloth or a sponge may be used to clean the luminaire. Use only household detergents diluted by water.
- Only VIZULO-authorized spare parts may be used for the luminaire.
- Instruction for changing spare parts must be requested from VIZULO and studied before the repair is attempted.
- LED modules, lenses, and LED drivers can be changed on an installed luminaire, but it is advised to perform this task indoor to avoid water entering the luminaire.
- Spare parts (lens, LED modules, and drivers) should be ordered from the information available on the luminaire label.






















