TPC20058 Switched Plug Power Control Console
User Manual
Manual TPC10064
Revision 6/22 • D1392
D1306.TE-401-402-404
SPECIFICATIONS
Temperature Controller: Model TEC-9400, 1/16 DIN Dual Display with PID Auto-tuning
Sensor Input: 3-Wire RTD PT100
Connector Body: White
Power Cord/Voltage Input: 120VAC, 50/60 HZ, 15A
Heater Outputs: 12A Max, 1440 watts max
Output Device: Solid State Relay
Main Power Switch: Located on the front panel
Fuse Main Power: See the replacement parts list on the next page (located on the back panel)
Fuse Control Power: See the replacement parts list on the next page (located on the back panel)
WARNINGS
- Air vents located on top and bottom of the console must not be blocked! To prevent an overheating condition the internal components must remain as close to room temperature (75ºF / 24ºC) as possible.
- Dangerous voltage capable of causing injury or death is present within this console. Power to all equipment must be disconnected before installation or beginning any troubleshooting procedures. Heater output wiring and a component replacement must be made by qualified personnel only.
- To minimize the possibility of fire or shock, do not expose this console to rain or excessive moisture.
- Do not use this console in areas where hazardous conditions exist such as excessive shock, vibration, dirt, corrosive gases, oil, or where explosive gases or vapors are present.
- It is strongly recommended that a process should incorporate a Limit Control like a Tempco TEC-910 which will shut down the equipment at a preset process condition in order to avoid possible damage to products or systems.
WIRING (For safety, disconnect all power sources prior to wiring)
- Attach the leads from your 3-Wire RTD sensor to the mini-plug provided. The red lead is attached to the (-) lead. When using a 2-Wire RTD, a jumper has to be placed between the (+) and (G) terminals.
- The heater output current is sourced directly through the line cord. The rear console output receptacles and mating Hubbell plugs provide live controlled power for direct connection to your heater(s). Connect one lead from your heater to one prong of the Hubbell plug (not ground). Connect the other lead from your heater to the other prong. Connect heater ground (if applicable) to the ground connection (G) on the plug.

OPERATION
- Verify the power switch is in the off position. Plug your heaters & RTD into the rear connectors. Plug the provided line cord from the console into a standard 120V, 15A outlet. Switch on the console.
- Set your desired temperature setpoint by using the up and down arrow buttons on the TEC-9400 temperature controllers.
- Refer to the following pages for complete operation and pages 4 & 7 for auto-tuning of the TEC-9400 temperature controllers.
SPARE/REPLACEMENT PARTS
| Tempco Part Number | Description |
| EHD-124-148 | Fuse (1), rated 15 Amp/250V, ¼ x 1 ¼”, fast-acting BUSS ABC-15-R. Used for main control console power. |
| EHD-124-276 | Fuse (1), rated 1 Amp/ 250V, ¼” x 1¼”, fast-acting, BUSS ABC-1-R. Used for TEC-9400 Controller. |
| EHD-102-113 | Power output plug, Hubbell HBL4720C, 15A 125V Twist-Lock. |
| TCA-101-154 | RTD mini plug, White, 3-P. |
NOTE: For all fuses, use listed BUSS part numbers or equivalent.

KEYPAD OPERATION
SCROLL KEY:
This key is used to scroll through a menu to select a parameter to be viewed or adjusted.
UP KEY:
This key is used to increase the value of the selected parameter.
DOWN KEY:
This key is used to decrease the value of the selected parameter.
RESET KEY:
This key is used to:
- Revert the display to the home screen.
- Reset a latching alarm once the alarm condition is removed.
- Stop manual control mode, Auto-Tuning mode, or calibration mode.
- Clear an Auto-Tuning or communication error message.
- Restart the dwell timer when the dwell timer has timed out.
- Enter the manual control menu if failure mode occurs.
ENTER KEY: Press
and hold for 5 seconds or longer to:
- Enter the setup menu. The display will show
. - Enter manual control mode. Press
and hold mode. The display will show
. - Enter Auto-Tuning mode. Press and hold
for 7.4 seconds, then let go to select Auto-Tuning mode. . The display will show. - Perform calibration of a selected parameter during the calibration procedure. Press and hold
for 8.6 seconds, then let go to select calibration mode.
During power-up, the upper display will show PROG and the lower display will show the Firmware version for 6 seconds. for 6.2 seconds, then let go, to select manual control for 7.4 seconds, then let go to select Auto-Tuni
1.1 Menu Flowchart
The Menu has been divided into 5 groups. They are as follows:
- User Menu – Below
- Setup Menu – Page 5
- Manual Mode Menu – Page 7
- Auto-Tuning Mode Menu – Page 7
- Calibration Mode Menu (not recommended, calibration section has been removed)

Press
for the next parameter
Press
and
key to return to the previous parameter.
1.1.1 User Menu
The below user menu parameters are available depending on user selection.
1.1.2 Setup Menu
The setup menu has been categorized into eight categories. They are listed below.
| 1. Basic Menu (Below) 2. Output Menu (pg. 6) *3. Alarm Menu *4. Event Input Menu | *5. User Select Menu *6. Communication Menu *7. Current Transformer Menu *8. Profile Menu (Ramp and Soak) |
1.1.2.1 Basic Menu (bASE)
In the setup menu, when the upper display says “SET”, Use the
or
keys to get “bASE” in the lower display. Then, use the
key to cycle through the “bASE” menu parameters. (Note chart on pg. 8)

* Does not apply to the controller used in this console.
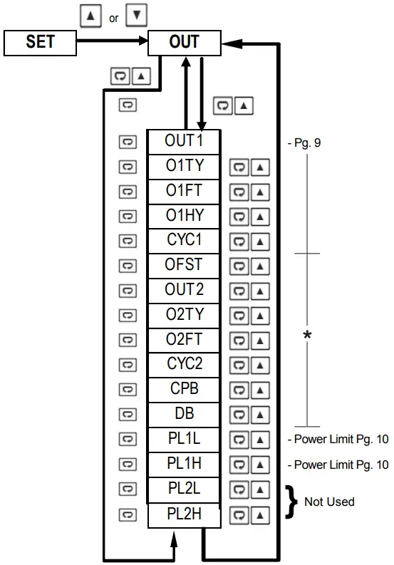
1.1.2.2 Output Menu (oUT)
In the setup menu, when the upper display says “SET”, use the
or
key to get “oUT” in the lower display. Then, use the key to cycle through the “oUT” menu parameters.

* Not Used in this console
1.1.3 Manual Mode Menu – (Use for Temporary Operation if Sensor Fails) (Also refer to pg. 18)
Press and hold the “
” key for approx. 6sec until the “HAND” parameter is shown in the upper display.
Then, press and hold the “
” key for an additional 5 sec. until a “MANU” lead starts to flash in the lower left of the display.
Then, use the “
” key to cycle through the available options.
The user is able to manually set the out output to be energized from 0-100% of the cycle time.
“Hx.xx” is used to adjust output 1.
“Cx.xx” is used to adjust output 2.
You are able to exit the manual mode by pressing and holding the
key.
Press
key 5 Sec To execute the selected default program
1.1.4 Auto-Tuning Mode – (Tunes PID Parameters to Your Application) (Also refer to pg. 15)
![]()
Press and hold the “
” key for approx. 7sec until the “A-T” parameter is shown in the upper display.
Press and hold the “
” key for 5 seconds to activate Auto-Tuning Mode. Continue to hold the “
” key for an additional 3 seconds, or else the display will revert to a “User Menu” parameter.
Auto-tuning allows the controller to find its own optimal control parameters (PID) by measuring the speed of your thermal process.
1.2 Parameter Description
(*Parameters that are not applicable are not shown)
| Register Address | Parameter Notation | Parameter Description | Range | Default Value |
| 0 | SP 1 | Set Point 1 (Used for Output 1) | Low: SP1L High: SP1H | 77.0° F (25.0° C) |
| 8 | INPUT (Set for console Do Not Adjust) | Input sensor selection | 0 J_tC: J type Thermocouple 1 K_tC: K type Thermocouple 2 T_tC: T type Thermocouple 3 Ett E type Thermocouple 4 B_tC: B type Thermocouple 5 R_tC: R type Thermocouple 6 SJC: S type Thermocouple 7 N_tC: N-type Thermocouple 8 L TC: L type Thermocouple 9 U TC: U type Thermocouple 10 P_tt P-type Thermocouple 11 C_tC: C type Thermocouple 12 D C: D type Thermocouple 13 Pt.dN: PT100 Ω DIN curve 14 Pt JS: PT100 Ω JIS curve 15 4-20: 4-20mA linear current input 16 0-20: 0-20mA linear current input 17 0-5V: 0-5VDC linear voltage input 18 1-5V: 1-5VDC linear voltage input 19 040: 0-10VDC linear voltage input | |
| 9 | UNIT | Input unit selection | 0 oC.°C unit 1 oP.°F unit 2 Pu: The processing unit | 1 |
| 10 | DP | Decimal point selection | 0 No.dP: No decimal point 1 1-DP. 1 decimal digit 2 2•dP. 2 decimal digit 3 3-DP. 3 decimal digit | 0 |
| 13 | SP1L | Low limit of set point 1 (Span Value) | Low: -19999 High:SP1H | 0.0° F (-18.0° C) |
| 14 | SP1H | High limit of set point 1 (Span Value) | Low: SP1L High: 45536 | 1000.0° F (538° C) |
| 15 | FILT | Filter damping time constant of PV Sensor (See Pg. 14) | 0 0: 0 second time constant 1 0.2: 0.2 second time constant 2 0.5: 0.5 second time constant 31:1 second time constant 4 2: 2 second time constant 5 5: 5 second time constant 610: 10 second time constant 7 20: 20 second time constant 8 30: 30 second time constant 9 60: 60 second time constant | 2 |
(*Parameters that are not applicable are not shown)
| Register Address | Parameter Notation | Parameter Description | Range | Default Value |
| 16 | DISP | Secondary display selection | 0 None: No Display 1 MV1: Display MV1 2 MV2: Display MV2 3 tiMR: Display Dwell Time 4 PRoF: display Profile Status | |
| 11 | PB | Proportional band value (See Pg. 17) | Low: 0.0 High: 500.0°C (900.0°F) | 18.0° F !1:1 01 |
| 18 | TI | Integral time value (See Pg. 17) | Low: 0 High: 3600 sec | 100 |
| 19 | TD | Derivative time value (See Pg. 17) | Low: 0.0 High: 360.0 sec | 25 |
| 20 | OUT1 | Output 1 function | 0 REVR: Reverse (heating) control action 1 Mt: Direct (cooling) control action | 0 |
| 21 | 01TY FACTORY SET, DO NOT CHANGE | Output 1 signal type | 0 RELY: Relay output 1 SSrd: Solid state relay drive output 2 4-20: 4-20mA linear current 3 0-20: 0-20m.A linear current 4 0-5V. 0-5VDC linear voltage 5 1-5V. 1-5VDC linear voltage 6 0-10: 0-10VCC linear voltage | |
| 22 | 01FT | Output 1 failure transfer mode (See Pg. 15) | Select BPLS (Bumpless transfer), or 0.0 – 100.0 % to continue output 1 control function if the sensor fails, or select OFF (0) or ON (1) for ON-OFF control | 0 |
| 23 | al HY | Output 1 ON-OFF control hysteresis. PB=0 | Low: 0.1°C (0.2°F) High: 50.0°C (90.0°F) | 0.2° F (0.1° C) |
| 24 | CYC 1 | Output 1 cycle time | Low: 0.1 High: 90.0 sec. | 1.0 |
| 26 | RAMP | Ramp function selection (See Pg. 13) | 0 NoNE: No Ramp Function 1 MINK: Use °/minute as Ramp Rate 2 HRR: Use °/hour as Ramp Rate | 0 |
(*Parameters that are not applicable are not shown)
| Register Address | Parameter Notation | Parameter Description | Range | Default Value |
| 27 | RR | Ramp rate (See Pg. 13) | Low: 0.0 High: 900.0°F | 0 |
| 61 | PL1L | Output 1 Low Power limit | Low: 0 High:PL1H or 50% | 0 |
| 62 | PL1 H | Output 1 High Power limit | Low: PL1L High: 100 c/0 | 100 |
| 94 | PASS | Password entry (See Next Page) | Low: 0 High: 9999 | 0 |
Programming
Press and hold
for 5 seconds, then release to enter the setup menu. Press and release
to cycle through the list of parameters. The upper display indicates the parameter symbol, and the lower display indicates the value of the selected parameter.
2.1 User Security
There are two parameters, PASS (password) and CODE (security code), which will control the lockout program.
| CODE Value | PASS Value* | Access Rights |
| 0 | Any Value | All parameters are changeable |
| 1000 | =1000 | All parameters are changeable |
| #1000 | Only user menu parameters are changeable | |
| 9999 | =9999 | All parameters are changeable |
| #9999 | Only SP1 to SP7 are changeable | |
| Others | =CODE | All parameters are changeable |
| # CODE | No parameters can be changed |
2-1.User Access Rights
*Record this value
2.2 Signal Input
INPUT: Select the desired sensor type or signal type for the signal input. Factory set.
DO NOT CHANGE
UNIT: Select the desired process unit
Options: °C, °F, PU (Process unit). If the unit is neither °C nor °F, then is set to PU.
DP: Select the desired resolution (decimal points) for the process value.
2.3 Control Output
There are 4 kinds of control modes that can be configured as shown below.
2.3.1 Heat Only ON-OFF Control – (Used for Solenoids and Valves)
Select REVR for OUT1, and Set PB to 0. O1HY is used to adjust the hysteresis for ON-OFF control. The output 1 hysteresis (O1HY) setting is only available when PB = 0. The heat-only ON-OFF control function is shown below.

ON-OFF control may cause excessive process oscillations even if the hysteresis is set to the smallest value.
If ON-OFF control is used (i.e. PB = 0), TI, TD, CYC1, OFST, CYC2, CPB, and DB will no longer be applicable and will be hidden. Auto-Tuning mode and Bumpless transfer are not possible in on/off mode.
2.3.2 Heat only P or PD Control – (Used for Electric Heaters)
Select REVR for OUT1 set TI = 0, OFST is used to adjust the controlled offset (manual reset). If PB ≠0 then O1HY will be hidden.
OFST Function: OFST is measured in % with a range of 0 – 100.0 %. When the process is stable, let’s say the process value is lower than the set point by 5°F. Let’s also say that 20.0 is used for the PB setting. In this example, 5°F is 25% of the proportional band (PB).
By increasing the OFST value by 25%, the control output will adjust itself, and the process value will eventually coincide with the set point.
When using Proportional (P) control (TI = 0), Auto-Tuning will be unavailable. Refer to the “manual tuning” section for the adjustment of PB and TD. Manual reset (OFST) is usually not practical because the load may change from time to time; meaning the OFST setting would need to be constantly adjusted. PID control can avoid this problem.
2.3.3 Heat-only PID Control – (Default for Electric Heaters)
Select REVR for OUT1. PB and TI should not be zero. Perform Auto-Tuning for initial startup. If the control result is not satisfactory, use manual tuning or try Auto-Tuning a second time to improve the control performance.
2.3.4 Cool-only Control
ON-OFF control, Proportional control, and PID control can be used for cooling control. Set “OUT1” to DIRT (direct action).
NOTE: ON-OFF control may result in excessive overshoot and undershoot in the process. Proportional control could result in a deviation of the process value from the set point. It is recommended to use PID control for Heating or Cooling control to produce a stable process value.
When selecting parameters, all of the above parameters may not be available. The number of visible parameters depends on the configuration of the controller.
2.4 Ramp
The ramping function is performed during power-up or any time the set point is changed. Choose “MINR” (ramp in minutes) or “HRR” (ramp in hours) for the “RAMP” setting, and the controller will perform the ramping function. The ramp rate is programmed by adjusting the “RR” setting. The ramping function is disabled whenever the controller enters Failure mode, Manual control mode, Auto-Tuning mode, or Calibration mode.
2.4.1 Ramping Example without Dwell Timer
Set the “RAMP” setting to “MINR” to ramp in minutes.
Set the ramp rate (RR) to 10.
The starting temperature is 30°C.
The setpoint is initially set to 200°C.
After the process warms up, the user changed the setpoint to 100°C after 30 minutes.
After power-up, the process will behave as shown below.

Note: When the ramp function is used, the lower display will show the current ramping value. However, it will revert to showing the set point value as soon as the up or down key is touched for adjustment. The ramp rate is initiated at power on and/or whenever the Setpoint is changed. Setting the “RR” set to zero means no ramping function is used.
2.5 User Calibration – Display Offset
Each unit is calibrated in the factory before shipment. The user can still modify the calibration in the field.
The basic calibration of the controller is highly stable and set for life. User calibration allows the user to offset the permanent factory calibration in order to:
- Calibrate the controller to meet a user reference standard.
- Match the calibration of the controller to that of a particular transducer or sensor input.
- Calibrate the controller to suit the characteristics of a particular installation.
- Remove long-term drift in the factory set calibration.
There are two parameters: Offset Low (OFTL) and Offset High (OFTH) for adjustment to correct an error in the process value.
There are two parameters for the sensor input. These two signal values are CALO and CAHI. The input signal low and high values are to be entered in the CALO and CAHI parameters respectively.
Refer to section 1.6 for key operation and section 1.7 for the operation flowchart. Press and hold the
key until the setup Menu page is obtained. Then, press and release the
key to navigate to the calibration low parameter OFTL. Send your low signal to the sensor input of the controller, then press and release the
key. If the process value (the upper display) is different from the input signal, the user can use
and
keys to change the OFTL value (the lower display) until the process value is equal to the value the user needs. Press and hold the
key for 5 seconds to complete the low point calibration (the display should blink once). The same procedure is applied for high-scale calibration.
As shown below, the two points OFTL and OFTH construct a straight line. For the purpose of accuracy, it is best to calibrate the two points as far apart as possible. After the user calibration is complete, the input type will be stored in the memory. If the input type is changed, a calibration error will occur and an error code
is displayed.

2.6 Digital Filter
In certain applications, the process value is too unstable to be read. To improve this, a programmable low pass filter incorporated into the controller can be used. This is a first-order filter with a time constant specified by the FILT parameter. A value of 0.5 seconds is used as a factory default. Adjust FILT to change the time constant from 0 to 60 seconds. 0 seconds represents no filter applied to the input signal. The filter is characterized by the following diagram.
Note: The Filter is available only for the process value (PV), and is performed for the displayed value only.
The controller is designed to use an unfiltered signal for control even when a filter is applied. If a lagged (filtered) signal is used for control; it may produce an unstable process.

2.7 Failure Transfer
The controller will enter failure mode if one of the following conditions occurs:
- An SBER error occurs due to an input sensor break, an input current below 1mA for 4-20mA, or an input voltage below 0.25V for 1-5 V.
- An ADER error occurs due to the A-D converter failing.
Output 1 and Output 2 will perform the failure transfer (O1.ft & O2.ft) function as the controller enters failure mode.
2.7.1 Output 1 Failure Transfer
If Output 1 Failure Transfer is activated, it will perform as follows:
- If output 1 is configured as proportional control (PB≠0), and BPLS is selected for O1FT, then output 1 will perform a Bumpless transfer. After that, the previous average value of the output will be used for controlling output 1.
- If output 1 is configured as proportional control (PB≠0), and a value of 0 to 100.0 % is set for O1FT, then output 1 will perform failure transfer. After that, the value of O1FT will be used for controlling output 1.
- If output 1 is configured as ON-OFF control (PB=0), then output 1 will transfer to an off state if OFF is set for O1FT, or it will transfer to an on state if ON is set for O1FT.
2.8 Auto-Tuning
The Auto-Tuning process will be performed at the set point (SP1). The process will oscillate around the set point during the tuning process. Set a set point to a lower value if overshooting beyond the normal process value will cause damage. It is usually best to perform Auto-Tuning at the Setpoint the machine is expected to be operated at, with the process running normally (i.e. material in the oven, etc.)
Auto-Tuning is generally applied in the following cases:
- Initial setup for a new process
- The set point is changed substantially from the previous Setpoint when Auto-Tuning was performed.
- The control result is unsatisfactory
2.8.1 Auto-Tuning Operation Steps
- The system is set up to run under real-world conditions.
- “PB and “TI” settings should not be set to zero.
- The LOCK parameter should be set to NONE.
- Set the set point to a normal operating value, or a lower value if overshooting beyond the normal process value will cause damage.
- Press and hold the
key until
appears on the upper display. Continue to hold the
“
” key for an additional 3 seconds, else the display will revert to a “User Menu parameter. - Press and hold the key
until the TUNE indicator begins to flash. - The Auto-Tuning process has begun.
NOTE:
During Auto-Tuning, the output will stay on until the Process Value reaches the setpoint. This is likely to cause the temperature to exceed the setpoint.
Then, the output will remain off until the process value falls below the setpoint.
This will occur at least two times while the controller “learns” how to control your process.
Procedures:
Auto-Tuning can be applied either as the process is warming up (Cold Start) or as the process has been in steady-state (Warm Start). After the Auto-Tuning process is completed, the TUNE indicator will stop flashing and the unit will revert to PID control by using its new PID values. The PID values obtained are stored in nonvolatile memory.
2.8.2 Auto-Tuning Error
If Auto-Tuning fails, an ATER
message will appear on the upper display in any of the following cases.
- If PB exceeds 9000 (9000 PU, 900.0°F or 500.0°C)
- If TI exceeds 1000 seconds
- If the set point is changed during the Auto-Tuning process
2.8.3 Solution for an Auto-Tuning Error
- Try Auto-Tuning once again.
- Avoid changing the set point value during the Auto-Tuning process.
- Ensure PB and TI are not set to zero.
- Use manual tuning.
- Touch the RESET
key to reset the
message.
2.9 Manual Tuning
In certain applications, using Auto-Tuning may be inadequate for the control requirement, or, the process moves too slowly to Auto-tune accurately.
If this is the case, the user can try manual tuning.
If the control performance by using Auto-Tuning is still unsatisfactory, the following guidelines can be applied for further adjustment of PID values.
| ADJUSTMENT SEQUENCE | SYMPTOM | SOLUTION |
| Proportional Band ( PB ) | Slow Response | Decrease PB |
| High overshoot or Oscillations | Increase PB | |
| Integral Time ( TI ) | Slow Response | Decrease TI |
| Instability or Oscillations | Increase TI | |
| Derivative Time ( TD ) | Slow Response or Oscillations | Decrease TD |
| High Overshoot | Increase TD |
2-2.PID Parameter Adjustment Guide

2-5. Effects of PID Adjustment
2.10 Manual Control
To enable manual control, ensure the LOCK parameter is set to NONE.
Press and hold
until ![]()
(Hand Control) appears on the display. Press and hold
until the “MANU” indicator begins to flash. The lower display will show
.
Indicates the output control variable for output 1, and
indicates the control variable for output 2. The user can use the up-down keys to adjust the percentage values for the heating or cooling output. This % value is based on the CYC1 and CYC2 settings, where the associated output will stay on for the % of time the CYC1 & CYC2 values are set for.
Example: If CYC1 is set to 20 seconds, and the controller is set to “H50.0”, the output will be on for 10 seconds, then turn off for 10 seconds.
The controller performs open-loop control and ignores the input sensor as long as it stays in manual control mode
2.10.1 Exit Manual Control
Pressing the
key will revert the controller to its normal display mode.
2.11 Setting Controller to Factory Default
The controller’s parameters can be loaded with default values listed in the parameter description table. In certain situation it is desirable to retain these values after the values of the parameters has been changed. The below procedure is to be followed to reload the default values.
1. Ensure the LOCK parameter is set to NONE.
2. Press and hold
until ![]()
(Hand Control) appears on the display.
3. Press and release the
key to cycle through the manual mode menu to reach “FILE”.
4. Press and hold
for 5 seconds or until the upper display FILE flash for a moment.
6.4 Error Code
The description of the Error code is explained below
| Error Code | Display Symbol | Description & Reason | Corrective Action |
| 4 | ER04 | Illegal setup values used: COOL is used for OUT2 when DIRT (cooling action) is used for OUT1, or when PID mode is not used for OUT1 (PB =0 and/or TI=0) | Check and correct setup values of OUT2, PB1, PB2, TI1,112, and OUT1. IF OUT2 is needed for cooling control, the controller should use PID mode (PB–4 0 and TI * 0) and OUT1 should use reverse mode (healing action), otherwise, OUT2 cannot be used for cooling control |
| 10 | ER10 | Communication error: bad function code | Correct the communication software to meet the protocol requirements. |
| 11 | ER11 | Communication error: register address out of range | Do not issue an over-range address of the register to the secondary |
| 14 | ER14 | Communication error: attempt to write a read-only data | Do not write read-only data or protected data to the secondary. |
| 15 | ER15 | Communication error: write a value that is out of range to a register | Do not write over-range data to the secondary register |
| 16 | EIER | Event Input Error: Two or more event inputs are set to the same function | Do not set the same function in two or more Event Input Function parameters (E1FN through E6FN) |
| 26 | ATER | Auto-Tuning Error: Failed to perform Auto-Tuning function | 1. The PID values obtained after Auto-Tuning process are out of range. Retry Auto-Tuning. 2. Do not change the setpoint value during AutoTuning process. 3. Use manual tuning instead of Auto-Tuning process. 4. Do not set a zero value for TI. 5. Do not set a zero value for PB. 6. Touch the RESET key |
| 29 | EEPR | EEPROM can’t be written correctly | Return to factory for repair. |
| 30 | CJER | Cold junction compensation for Thermocouple malfunction | Return to factory for repair. |
| 39 | SBER | Input sensor break, or input current below 1 mA if 4-20 mA is used, or input voltage below 0.25V if 1 – 5V is used | Replace the input sensor. |
| 40 | ADER | A to D converter or related component(s) malfunction | Return to factory for repair. |
6-5.Error Code
6.5 Mode
The Value of the Mode Register is as below.
| Value | Mode |
| H’000X | Normal mode |
| H’010X | Calibration mode |
| H’020X | Auto-Tuning mode |
| H’030X | Manual control mode |
| H’040X | Failure mode |
| H’0X00 | The alarm status is off |
| H’0x01 | The alarm status is on |
6-6.Operation Mode
RETURNS
No product returns can be accepted without a completed Return Material Authorization (RMA) form.
TECHNICAL SUPPORT
Technical questions and troubleshooting help is available from Tempco. When calling or writing please give as much background information on the application or process as possible.
E-mail: [email protected]
Phone: 630-350-2252
800-323-6859
Note: Information in this manual was deemed correct at the time of printing.
The policy of Tempco is one of continuous development and product improvement, and we reserve the right to modify specifications and designs without prior notice. Not responsible for typographical errors.
Custom Manufacturer Since 1972
ELECTRIC HEATING ELEMENTS
• TEMPERATURE CONTROLS
• SENSORS
• PROCESS HEATING SYSTEMS
HEAT THINGS UP!
With Thousands of Design Variations, We Make Everything You Need.
| Band Heaters Cast-In Heaters Radiant Heaters Flexible Heaters Process Heaters Temperature Control | Cartridge Heaters Coil & Cable Heaters Strip Heaters Tubular Heaters Instrumentation Temperature Sensors |
607 N. Central Avenue Wood Dale, IL 60191-1452 the USA
P: 630-350-2252 Toll Free: 800-323-6859
F: 630-350-0232 E: [email protected]
www.tempco.com
© Copyright 2022 TEHC. All Rights Reserved




















