JENSEN Navigation Receiver User Guide

What’s in the Box
The following items are supplied with the VX7014 / VX4014:
- Head Unit
- GPS Antenna (VX7014 Only)
- Trim Ring
- Hardware
- Power/Speaker Output Harness
- Remote Control
- External Microphone
- Mounting Sleeve & Removal Keys
- Installation Guide
Tools and Supplies
The following tools and supplies are needed to install the head unit:
- Torx type, flat-head and Philips screwdrivers
- Wire cutters and strippers
- Tools to remove existing radio (screw driver, socket wrench set or other tools)
- Electrical tape
- Crimping tool
- Volt meter/test light
- Crimp connections
- 18 gauge wire for power connections
- 16 – 18 gauge speaker wire
WARNING! Never install this unit where operation and viewing could interfere with safe driving conditions.
Steering Wheel Control (SWC) Ready
The recommended SWC Interface is the PAC SWI-RC steering wheel control adapter. SWI-RC installation hints:
- Set “Radio Select Switch”. Set the SWI-RC to position 7 – “Pioneer/Sony/Other”.
- Programming – Use the “Other” radio function mapping order for Jensen branded head units.
- When programming the SWI-RC, if a function is not supported (or not desired), then the function MUST be skipped as per the PAC SWI-RC instructions.
- The SWC functions MUST also be programmed in the correct order per the PAC SWI-RC radio function mapping order instructions.
Disconnect the Battery
To prevent a short circuit, be sure to turn off the ignition and remove the negative (-) battery cable prior to installation.
NOTE: If the head unit is to be installed in a car equipped with an on-board drive or navigation computer, do not disconnect the battery cable. If the cable is disconnected, the computer memory may be lost. Under these conditions, use extra caution during installation to avoid causing a short circuit.
Replacing the Fuse
When replacing the vehicles radio fuse always use the proper rated replacement fuse. Using a fuse with an improper rating could damage the unit and cause a fire.
ISO-DIN Installation
The head unit is designed to fit into a 1.0 DIN dashboard opening. The unit has threaded holes in the chassis side panels which may be used with the original factory mounting brackets of some Toyota, Nissan, Mitsubishi, Isuzu, Hyundai and Honda vehicles to mount the radio to the dashboard. Please consult with your local car stereo specialty shop for assistance on this

- Remove the existing factory radio from the dashboard or center console mounting. Save all hardware and brackets as they will be used to mount the new radio.
- Remove the factory mounting brackets and hardware from the existing radio and attach them to the new radio.
CAUTION! Do not exceed M5 X 6MM screw size. Longer screws may damage components inside the chassis. - Place the radio in front of the dashboard opening so the wiring can be brought through the mounting sleeve. Follow the wiring diagram carefully and make certain all connections are secure and insulated with wire nuts or electrical tape. After completing the wiring connections, plug the connector into the mating socket on the rear of the chassis. Turn the unit ON to confirm operation (vehicle ignition switch must be “ON”). If the unit does not operate, re-check all wiring until the problem is corrected.
- Mount the new radio assembly to the dashboard or center console using the reverse procedure in step 1 above.
CAUTION! Be careful not to damage the car wiring.
NOTE: It is the end-users responsibility to install and operate this unit in a manner in accordance with local, state and federal laws. The PARKING BRAKE wire MUST BE CONNECTED as directed in the manual.
Using the Cosmetic Trim Ring
A cosmetic trim ring is supplied with the head unit for installation flexibility. This unit will fit into most import dashes with little or no modification to the dash board/cavity. Some US domestic vehicle dashes will accept a Single-DIN chassis, but there is usually a small gap between the radio and dash piece after installation is complete. In this case, use the trim ring to conceal any gaps that may be present.

NOTE: For proper operation of the CD/DVD player, the chassis must be mounted within 30° of horizontal. Make sure the unit is mounted within this limitation.
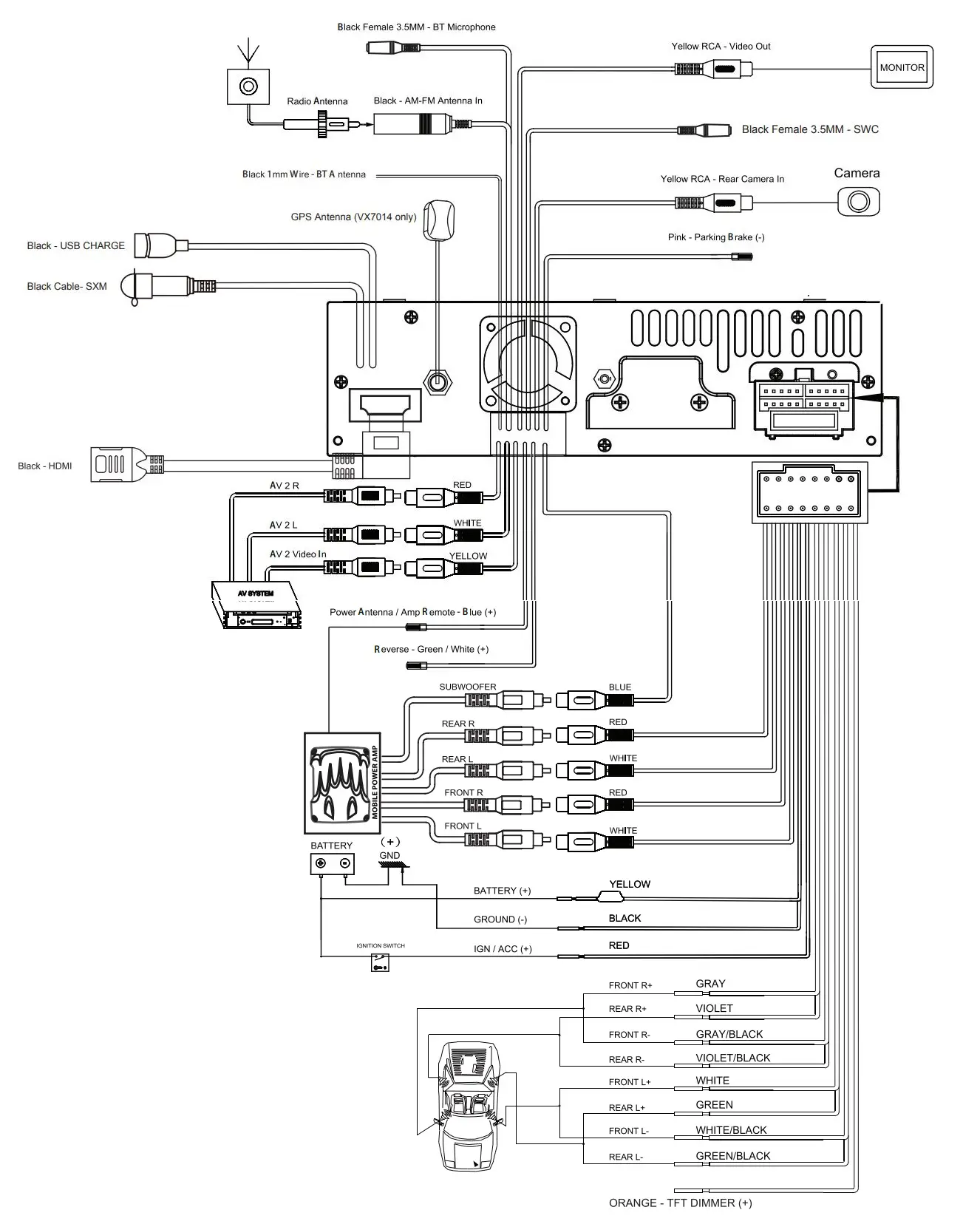
Wiring Diagram
CAUTION! IMPORTANT: Incorrect wiring connections can damage the unit. Follow the wiring instructions carefully, or have the installation handled by an experienced technician
Need Help? For technical assistance, call the Jensen customer support line at 1-888-921-4088.

Some vehicles may not support all SWC functions, Professional Installation is recommended.
Limited One Year Warranty
This warranty gives you specific legal rights. You may also have other rights which vary from state to state. Dual Electronics Corp. warrants this product to the original purchaser to be free from defects in material and workmanship for a period of one year from the date of the original purchase. Dual Electronics Corp. agrees, at our option, during the warranty period, to repair any defect in material or workmanship or to furnish an equal new, renewed or comparable product (whichever is deemed necessary) in exchange without charges, subject to verification of the defect or malfunction and proof of the date of purchase. Subsequent replacement products are warranted for the balance of the original warranty period.
Who is covered? This warranty is extended to the original retail purchaser for products purchased from an authorized Jensen dealer and used in the U.S.A.
What is covered? This warranty covers all defects in material and workmanship in this product. The following are not covered: software, installation/ removal costs, damage resulting from accident, misuse, abuse, neglect, product modification, improper installation, incorrect line voltage, unauthorized repair or failure to follow instructions supplied with the product, or damage occurring during return shipment of the product. Specific license conditions and copyright notices for the software can be found via www.jensenmobile.com.
What to do?
- Before you call for service, check the troubleshooting guide in your owner’s manual. A slight adjustment of any custom controls may save you a service call.
- If you require service during the warranty period, you must carefully pack the product (preferably in the original package) and ship it by prepaid transportation with a copy of the original receipt from the retailer to an authorized service center.
- Please describe your problem in writing and include your name, a return UPS shipping address (P.O. Box not acceptable), and a daytime phone number with your shipment.
- For more information and for the location of the nearest authorized service center please contact us by one of the following methods:
- Call us toll-free at 1-888-921-4088
- E-mail us at [email protected]
Exclusion of Certain Damages: This warranty is exclusive and in lieu of any and all other warranties, expressed or implied, including without limitation the implied warranties of merchantability and fitness for a particular purpose and any obligation, liability, right, claim or remedy in contract or tort, whether or not arising from the company’s negligence, actual or imputed. No person or representative is authorized to assume, for the company, any other liability in connection with the sale of this product. In no event shall the company be liable for indirect, incidental or consequential damages.
Dual Electronics Corporation
Heathrow, FL 32746
Technical Assistance: 888-921-4088
www.jensenmobile.com
© 2017 Printed in China
127072001143



















