ACI KW350-P1-D-S-SC Power Meters User Guide
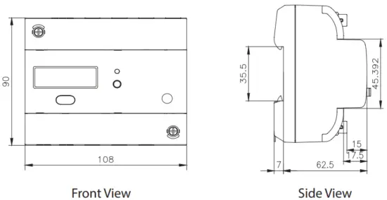
Appearance and Dimension

Installation Method
Steps:
This product id DIN Railed mounted and fit on the standard 35mm rail.
- To install the meter on the rail insert the top of the rail into the groove on the back of the meter. Pull the metal clips back and slide the rail across the groove of the meter.

- Use the metal clips to tighten the rail to complete installation.

- Before mentioning this step, the steps needed to remove the seal/cover need to be mentioned .I.E Step 5 below should come first.\
To attach seal/cover back onto the meter place the left side of the cover down onto meter and press down on the right side. When installed correctly you will hear a clicking sound. The steps to attach the other cover is opposite to the above step.
- After inserting the cover, tighten the sealing screws and lay the seal.

- To open the cover, remove the seal if applicable, unscrew the sealing screws and life the cover upwards to remove.

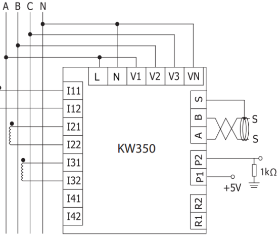
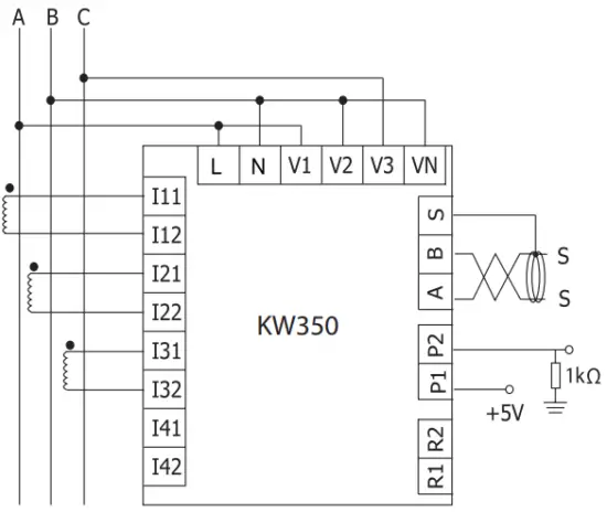
Terminals

Wiring Diagram
- 3 phase 4 wire (3LN, 3CT)

- 3 phase 3 wire (2LL, 3CT)


Settings Mode
Meter Setting
Press and release the “SET” key to enter settings mode, now the password is inquired with the first cursor flashing. You can change the number at the cursor by pressing the “SCROLL” key, and shift the cursor by pressing the “SET” key. When the cursor is moved to the rightmost position, press ‘SET” key to confirm the password input. The meter’s default password is 0000. After entering the settings mode, you can inquire settings by “SCROLL” key with the cursor not flashing, and make the cursor flashing by “SET” key , then you can change the settings. The settings could also be change through the PC software.
| LCD Page | Contents | KW350 |
| Addr | Address | S-01 |
| bd | Baud Rate | S-02 |
| Pr | Parity | S-03 |
| Ct | CT1 | S-09 |
| CT2 | S-10 | |
| Pt | PT1 | S-11 |
| PT2 | S-12 |
In settings mode, scroll to the page 5-01 to set the communication address, the address can be any integer between 1 and 247. Setting method is as follows: Press “SET” key, the first cursor flashing, change the flashing number by “SCROLL”key and shift the cursor by “SET” key, when the cursor is moved to the rightmost location, press “SET” to confirm the communication address, now there is no cursor blinking.
The other settings are the same as the operation of address.
The communication baud rate can be set to 1200, 2400, 4800, 9600, 19200 or 38400.
The communication parity can be set to EVEN, ODD, NONE1 or NONE2.
Communication
KW350 meter communication uses RS485 interface and Modbus -RTU protocol. Wiring terminals are A, B, S. If master device does not support RS485 but only RS232, an adapter named RS232/RS485 needs to be used for connection. In practical alapplications, there are multiple topologies for RS485 network, such as Line, Star and Wye. In addition, the Display Module has an infrared port to support meter reading via infrared in the field.
Energy Pulse Output
Users can choose either energy pulse output or reactive energy pulse output. The energy pulse output function needs an external auxiliary power to supply.
Relay Output(RO)
Two modes available: control or alarm output. One module only supports one mode at a time.
Event Logging
The KW350 series also provides a system status self-testing feature. When crucial operations are implemented (such as programming, open/close the cover, clear the demand, clear the meter’s data etc), it immediately logs the event time and the event type.
Specifications
| Voltage Input | |
| Rated Voltage | 400Vac L-N 690Vac L-L |
| Input Impedance | 2MΩ/Phase |
| Measurement Frequency | 50/60Hz |
| Accuracy | 0.5% |
| Current Input | |
| Rated Current | 333mV (1A) |
| Start Current | 10mA |
| Accuracy | 0.5% |
| Power Supply | |
| Working Power Supply | 100~415Vac,50/60Hz; 100~300Vdc |
| Power Consumption | <2W or 10VA |
| Pulse Output | |
| Isolation Voltage | 2500Vac |
| Load Voltage | 0~250Vac |
| Load Current | 100mA(max) |
| Relay Output | |
| Load Voltage | 250Vac 30Vdc |
| Max Load Current | 5A(Resistant Load) |
| Isolation Voltage | 2000Vac(1min) |
| Action Time | 10ms |
| Mechanical Life | 20 million times |
| Electrical Life | About 50,000 times(5A, 250Vac,Resistant Load) |
| Communication | |
| RS485 Baud Rate | 1200~38400 |
| Communication Protocol | ModBus-RTU |
| Infrared Communication | Non-contact infrared |
| Infrared Baud Rate | 1200 |
| Environment | |
| Working Temperature | -25~70°C |
| Storage Temperature | -40~85°C |
Support
Automation Components, Inc.
2305 Pleasant View Road, Middleton WI
Phone: 1-888-967-5224
Web: www.workaci.com
Email: [email protected]
Document#2305E3201 Revision Date: Apr., 2021


























