ECOLAB S3100 Series Satellites

Description
Main stations
S4000 and S4100 are main stations in stationary cleaning systems. Extra outlets – satellites – can be connected to each main station. Each main station can supply up to 3 users at a time.
On the S4000 main station the rinse and foam functions are automatically selected when switching between rinse and foam nozzles. On the S4100 main station the rinse and foam functions must be manually selected using a selector switch.
Satellites
S3000 and S3100 satellites have been developed for use with S4000/S4100 main stations.
On S3000 satellites the rinse and foam functions are automatically selected when switching between rinse and foam nozzles. On S3100 satellites the rinse and foam functions are manually selected using a selector switch.
Consumption Fluids
This product has been prepared for the use of Ecolab’s Topaz Euro palette or similar products.
Warning: Do not change the settings made or recommended by the supplier of consumption fluids.
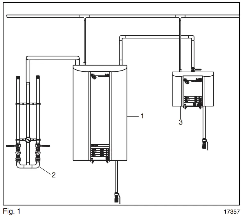
A typical installation (with satellite and mixing system) is shown on fig. 1.
- Main station (1)
- Mixing system (2)
- Satellite
Topaz detergents/disinfectants are either supplied from the integrated User Pack system (U models, see fig. 2) or from separate cans, (fig. 3).
Main stations
S4000, S4000 U, S4100, S4100 U, (fig. 4, User Pack).
Facilities: Rinse and foam function
- Water inlet
- Shut-off valve, air
- Pump
- Filter
- Plug-in connection with shut-off valve
- Control box
- Air control unit
- Injector block
- Change-over switch foam/rinse
- Dosage valve, detergent
- Holder for User Pack (U-mo.-del)
- Flow switch
- Pressure switch. Automatically stops the pump after 3 sec. if there is not sufficient water.
- Manometer
- Control panel
- O Stop button
- I Start button
- △ Lamp. Lights if fault.
S4000 D, S4000 DU, S4100 D, S4100 DU, (fig. 5, User Pack).
Facilities: Rinse and foam function.
- Water inlet
- Shut-off valve, air
- Pump
- Filter
- Flow switch
- Plug-in connection with shut-off valve
- Control box
- Air control unit
- Injector block
- Change-over switch foam/rinse
- Dosage valve, detergent
- Dosage valve, disinfectant
- Holder for User Pack (U-mo.- del)
- Manometer
- Pressure switch. Stops the pump after 3 sec. if there is not sufficient water.
- Injector block, disinfection
- Control panel
- O Stop button
- I Start button
- △ Lamp. Lights if fault
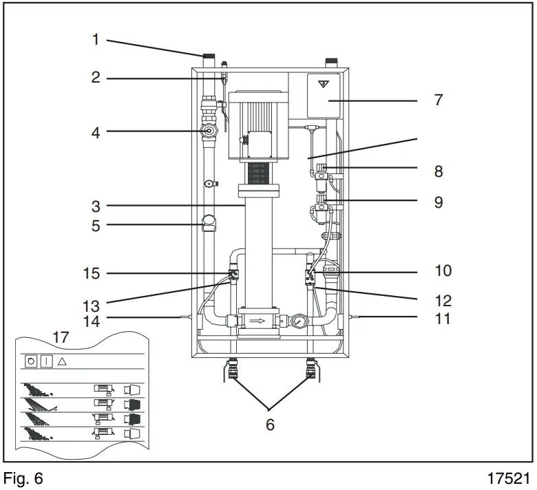
S4000 DF, S4000 DFU, S4100 DF, S4100 (fig. 6, without User Pack*)).
Facilities: Rinse/foam function and spray/foam disinfection.
- Water inlet
- Shut-off valve, air
- Pump
- Filter
- Flow switch
- Plug-in connection with shut-off valve
- Control box
- Air control unit, detergent
- Air control unit, disinfectant
- Injector block, detergent
- Change-over switch foam/rinse
- Dosage valve, detergent
- Dosage valve, disinfectant
- Change-over switch, spray/ foam disinfectant
- Injector block, disinfectant
- Pressure switch. Automatically stops the pump after 3 sec. if there is not sufficient water.
- Control panel
- O Stop button
- I Start button
- △ Lamp. Lights if fault
Satellites
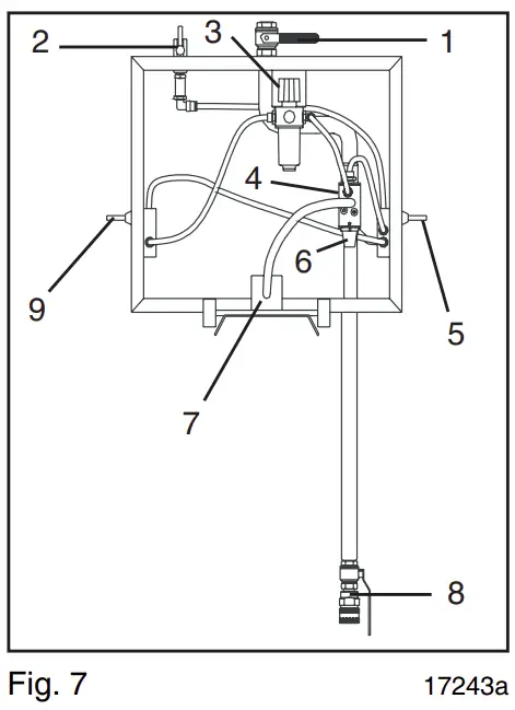
S3000, S3000 U, S3100, S3100 U (fig. 7, User Pack).
Facilities: Rinse and foam function.
- Shut-off valve, water
- Shut-off valve, air
- Air control unit
- Injector block
- Change-over switch, foam/rinse
- Dosage valve, detergent
- Holder for User Pack (U-model)
- Plug-in connection with shut-off valve
- Change-over switch, spray/foam topaz disinfectant.
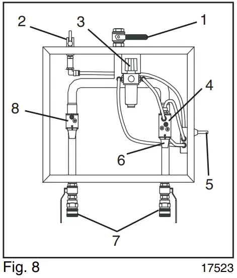
S3000 D, S3000 DU, S3100 D, S3100 DU (fig. 8, without User Pack*))
Facilities: Rinse/foam function and spray disinfection
- Shut-off valve, water
- Shut-off valve, air
- Air control unit
- Injector block, detergent
- Switch, foam/rinse
- Dosage valve, detergent
- Plug-in connection with shut-off valve
- Injector block, disinfectant
- Dosing valve, disinfectant *) Holders for User Pack (only on U models).
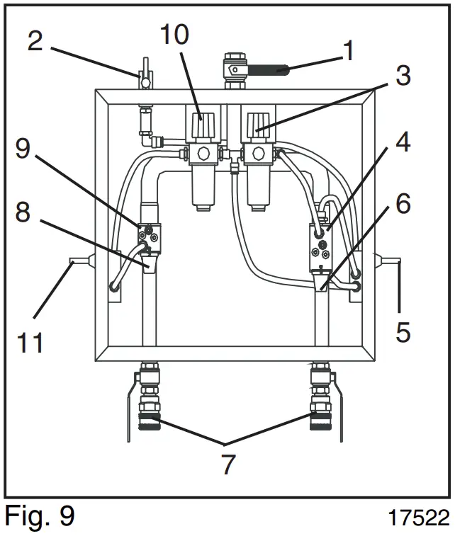
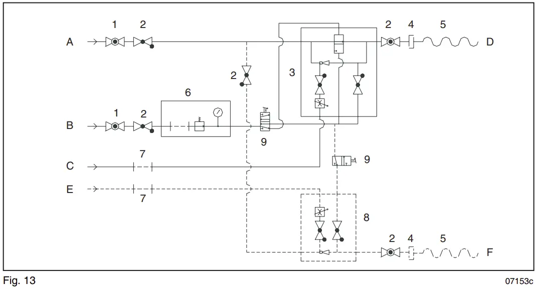
S3000 DF, S3000 DFU, S310 DF, S3100 DFU (fig. 9, without User Pack*)).
Facilities: Rinse and foam function and spray and foam disinfection
- Shut-off valve, water
- Shut-off valve, air
- Air control unit
- Injector block, detergent
- Change-over switch, foam/rinse
- Dosage valve, detergent
- Plug-in connection with shut-off valve
- Dosage valve, disinfectant
- Injector block, disinfectant
- Air control unit, disinfectant
- Change-over switch, spray/ foam topaz disinfectant. *) Holders for User Pack (only on U models).
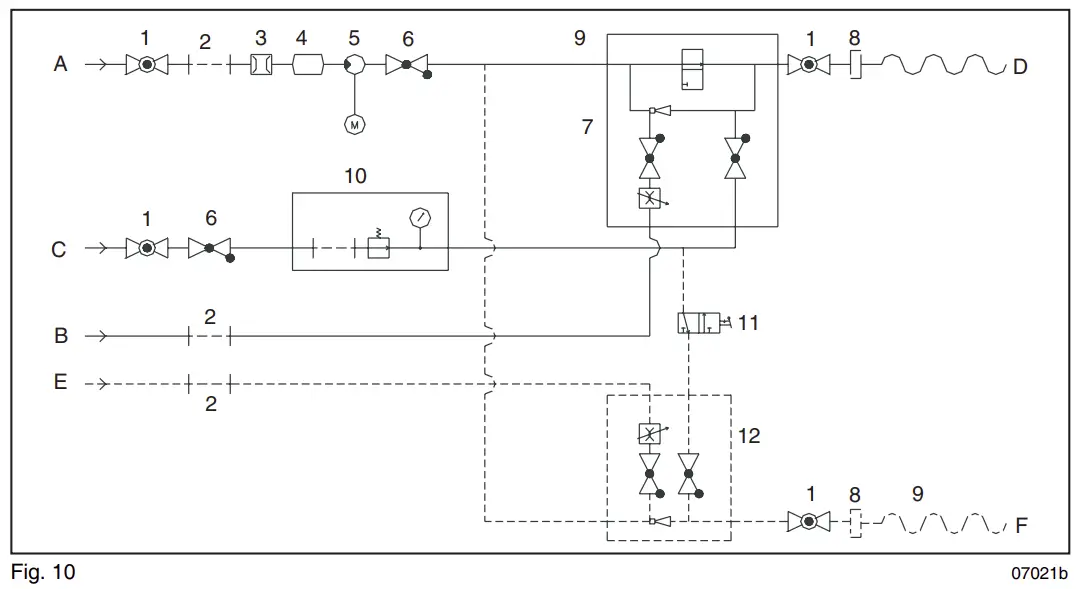
Flow diagrams
S4000
A. Inlet, water
B. Inlet, detergent
C. Inlet, air
D. Outlet, water/foam
E. Inlet, disinfectant
F. Outlet, disinfectant
- Shut-off valve
- Filter, water
- Pressure switch
- Flow switch
- Pump
- Non-return valve
- Injector block, automatic
- Quick coupling
- Hose
- Air control unit
- Valve, manual
- Injector block
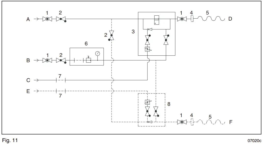
S3000
A. Inlet, water
B. Inlet, detergent
C. Inlet, air
D. Outlet, water/foam
E. Inlet, disinfectant
F. Outlet, disinfectant
- Shut-off valve
- Non-return valve
- Injector block, automatic
- Quick coupling
- Hose
- Air control unit
- Filter
- Injector block
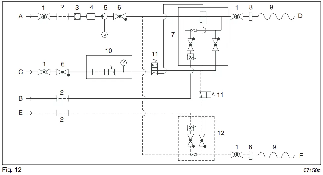
S4100
A. Inlet, water
B. Inlet, detergent
C. Inlet, air
D. Outlet, water/foam
E. Inlet, disinfectant
F. Outlet, disinfectant
- Shut-off valve
- Filter, water
- Pressure switch
- Flow switch
- Pump
- Non-return valve
- Injector block, manual
- Quick coupling
- Hose
- Air control unit
- Valve, manual
- Injector block
S3100
A. Inlet, water
B. Inlet, detergent
C. Inlet, air
D. Outlet, water/foam
E. Inlet, disinfectant
F. Outlet, disinfectant
- Shut-off valve
- Non-return valve
- Injector block, automatic
- Quick coupling
- Hose
- Air control unit
- Filter
- Injector block
- Valve, manual
Maintenance
Main stations and satellites are maintenance-free. However, filters must be cleaned at suitable intervals (approx. 1 – 3 months) depending on the content of calcium and impurities in the water.
Filter (Fig. 14)

- Press ,,0″ on the control panel to stop the main station.
- Close the ball valve for the inlet water.
- Open a tap to release the system of pressure.
- Remove the filter and place it in a lime solvent until the cancerous substance is dissolved.
- Rinse the clean filter thoroughly and remount.
Long stops
If long production stops are planned (more than 6 months) and the pump is emptied of water, it is recommended that the pump be safeguarded as follows:
- Remove the coupling safety guard.
- Spray a couple of drops of silo- cone oil onto the axle between the top section and the coupling.
Carefully follow the instructions given in the manual provided by the pump supplier.
Start
N.B. The pump should be bled and filled with water before start.
N.B. Check that the fl ow switch is correctly fitted, see fig. 15.
The flow switch should be placed pa allele to the pipe so the cable emerges in the di reaction of flow.
New system
In order to ensure a problem-free start of a new system, the pipe system must be flushed and bled:
Bleeding the pipe system
- Turn on the water supply to rinse and bleed the entire say stem. If satellites are installed, open the tap furthest away until no air or dirt comes out. Then rinse and bleed the next tap and continue until the tap closest to you has been rinsed and bled.
- Mount satellites, if any.
Bleeding the pump - Loosen the relief plug (A, fig. 16) 1-2 revolutions until water and air begin to flow out.
NB: Never loosen the relief plug while the pump is running as this may damage the packing.
- Tighten the relief plug again.
- Start the pump so that all remaining air pockets are forced up to the top of the pump.
Check that the pump’s discharge direction is correct.
Look at the arrows on the top of the motor. - Stop the pump.
- Loosen the relief plug 1-2 re volitions again and bleed the system until only water flows out.
- Tighten the relief plug once more.
The main station is now ready for operation. Press „I“ on the control panel.
Daily operation
Start
- Turn on the water supply, which must be above the main state on.
- Open the air supply placed inside the main station (see A, fig. 17)

- Press „I“ on the control panel to start.
Satellite
- Check that the main station has started
- Turn on the water supply above the satellite.
N.B. If foam is to be run, open the air supply on top of the satellite.
The air valve must be closed again when foam operation ceases.
Stop
Main station
- Press „0“ on the control panel to stop.
- Turn off the water supply.
- Close the air supply (A, fig. 17).
Satellite
- Turn off the water supply.
- Turn off the air supply.
N.B. It is important to shut off the water and air when the machine is left after use because:
- If the air supply is open when the main station and satellites are not in use, air may seep into the water pipe. If this is the case the system may have to be bled again.
- The water separator, which is part of the air regulator, is only to be emptied when the air is shut off.
It may be necessary to bleed the pipes and the main station again after it has been closed for a longer period of time (holidays, and the like).
Rinsing the injector
IMPORTANT: The injector must always be rinsed thoroughly after use. Remains of topaz detergent or disinfectants can clog the injector so it needs to be rinsed or replaced. The following procedure will remove detergent and/or remains of disinfectants from the injector
- Remove User Pack, if any.
- S3000/S4000: Fit the foam nozzle and activate the spray gun until the system switches to foam position. S3100/S4100: Flip the switch on the right side down to foam posit on.
- Hold the rinsing bottle with clean water tightly against the suction opening (with User Pack) or against the hose (without User Pack).
Alternatively, you can place a User Pack with clean water in the holder or – without User Pack – place the hose in a bucket of clean water. - Activate the hose handle until clean water comes out of the nozzle (approx. 30 seconds)
N.B. This procedure should be followed both on the topaz de target and the topaz disinfectant side (if this is installed).
Service
Service may only be carried out byauthorized and qualifi ed personnel.
Warning: The system must only be serviced when there is no voltage or pressure on the system:
- Turn off the main switch.
- Close the ball valve on the inlet side.
- Open all water outlets on the main station and installed satellites.
Components
Pumps/motor
Pumps/motor are maintenance free.
See section 2.2.
Control system
Maintenance-free.
If defective: Call Service Technician.
5.1.3 Flow switch
Maintenance-free. See section 3 and fi g. 15.
If defective, replace the fl ow switch.
Adjustment
- Press „0“ on the control panel to stop the system.
- S3000/S4000: Fit the foam nozzle and activate the spray gun until the system switches to foam position.
S3100/S4100: Flip the switch on the right side down to foam posit on. - Turn on a water outlet on the main station so water runs out.
- Screw nylon screw B off (fi g. 15).
- Check that the fl ow switch is turned the correct way (see fi g. 15).
- Turn the brass screw at the bottom of the hole until 2 green diodes light.
- Close the water outlet again and check that the red diode lights.
- Remount the nylon screw.
Non-return valve
Maintenance-free.
If defective, replace the non-return valve.
Pressure switch
Maintenance-free.
In the event of a fault, replace the pressure switch.
Manual valve
Maintenance-free.
In the event of a fault, replace the valve.
Troubleshooting
The unit does not start – Main Stations
Steps 1-6

The ‘ ’ lamp on the control panel alight – Main Stations
Steps 1 – 5

Too low or unstable pressure – Main Stations
Steps 1-4

Unsatisfactory foam quality – Main Stations and Satellites
Steps 1 – 4

No foam – Main Stations and Satellites
Steps 1 – 7

Adjustment of printed circuit board (S4000/S4100)
Adjustment of timer settings on the printed circuit board
On the printed circuit board the following times/delays can be adjusted:
Pump starts after flow signal has turned ON.
Pump stops after flow signal has turned OFF.
Starting up of compressor (if mounted).

Pump start to be adjusted on the dipswitches 3 and 4:

Pump stop to be adjusted on the dipswitches 1 and 2:
Compressor to be adjusted on the dipswitches 3, 4 and 5:
NOTE! When dipswitch 5 is OFF, the compressor setting is active meaning that the pump will start without any delay when the fl ow signal has turned ON.

The compressor will stop without any delay when the fl ow signal is OFF.
ALTO does not recommend you to change the dipswitch settings unless absolutely necessary.
Recommended spare parts
Main stations
| No. | Description | Amount |
| 311204 | Printed circuit board | 1 |
| 0664034 | Non-return valve, air | 1 |
| 0605354 | Non-return valve, liquid | 1 |
| 0633002 | Flow switch with plug | 1 |
Satellites
| No. | Description | Amount |
| 0664034 | Non-return valve, air | 1 |
| 0605354 | Non-return valve, liquid | 1 |
Specifications
The most important specific cations are shown on the serial plates on the Main Station/Satellite and pump, respectively.
Main Stations Water
| S4000 | S4100 | |
| Max. work pressure (bar) | 25 | 25 |
| Pump pressure (bar) | 21 | 21 |
| Min. water supply (l/min) | 100 | 100 |
| Supply pressure (bar) | 2 – 4 | 2 – 4 |
| Max. temperature (co.) | 70 | 70 |
Air
| Supply (bar) | 5 – 10 | 5 – 10 |
| Consumption (l/min.) | 200 | 200 |
Electricity
| Voltage | 3x400V/50Hz | 3x400V/50Hz |
| Power consumption (KW) | 4 | 4 |
| Motor guard, setting (A) | 8,9 | 8,9 |
| Fuses (A) | 20/16 slow | 20/16 slow |
| Weight (kg) | 120 | 120 |
| Dimensions (H x W x D) | 1326x600x310 | 1326x600x310 |
Satellites Water
| Max. work pressure (bar) | 25 | 25 |
| Min. water supply (l/min.) | 30 | 30 |
| Supply pressure (bar) | 15 – 25 | 15 – 25 |
| Max. temperature (Co) | 70 | 70 |
Air
| Supply (bar) | 5 – 10 | 5 – 10 |
| Consumption (l/min.) | 200 | 200 |
| Weight (kg) | 13 – 15 | 13 – 15 |
| Dimensions (H x W x D) | 380x460x217 | 380x460x217 |
Sound pressure level LA measured according to ISO 11202 [DI STAN CE 1 m] [FULL LOAD]: Under 70 dB(A)





















