FADINI BARRI 88 Oil Hydraulic Road Barrier for 4 Meters Gateways

GENERAL WARNINGS FOR PEOPLE SAFETY
THANK YOU
Thank you for purchasing a Fading product.
Please read these instructions carefully before using this appliance. The instructions contain important information which will help you get the best out of the appliance and ensure safe and proper installation, use and maintenance.
Keep this manual in a convenient place so that you can always refer to it for the safe and proper use of the appliance.
INTRODUCTION
This operator is designed for the specific scope of applications as indicated in this manual, it includes safety, control and signaling accessories as minimum required and Fading equipment.
- Any applications not explicitly included in this manual may cause operation problems or damages to properties and people.
- Mechanical Fading sync is not liable for damages caused by the incorrect use of the equipment, or for applications not included in this manual or for malfunctioning resulting from the use of materials or accessories not recommended by the manufacturer.
- The manufacturer reserves the right to make changes to its products without prior notice.
- All that is not explicitly indicated in this manual is to be considered not allowed.
BEFORE INSTALLATION
Before commencing operator installation assess the suitability of the access, its general condition and the structure.
- Make sure that there is no risk of impact, crushing, shearing, conveying, cutting, entangling and lifting situations, which may prejudice people safety.
- Do not install near any source of heat and avoid contacts with flammable substances.
- Keep all the accessories able to turn on the operator (transmitters, proximity readers, key-switches, etc) out of the reach of the children.
- Transit through the access only with stationary operator.
- Do not allow children and/or people to stand in the proximity of a working operator.
- To ensure safety in the whole movement area of a gate it is advisable to install photocells, sensitive edges, magnetic loops and detectors.
- Use yellow-black strips or proper signals to identify dangerous spots.
- Before cleaning and maintenance operations, disconnect the appliance from the mains by switching off the master switch.
- If removing the actuator, do not cut the electric wires, but disconnect them from the terminal box by loosening the screws inside the junction box.
- Make sure that in the near proximity or inside the installation accessories there aren’t any electromagnetic sources of disturbance, such that they can cover or affect the magnetic/electromagnetic detections of possible loop detectors as well as of all of the electronic units that command and control the system.
INSTALLATION
All installation operations must be performed by a qualified technician, in observance of the Machinery Directive 2006/42/CE and safety regulations EN 12453 – EN 12445.
- Verify the presence of a thermal-magnetic 0,03 A – 230 V – 50 Hz circuit breaker where the main electric source of power of the installation is located.
- Use appropriate objects to test the correct functionality of the safety accessories, such as photocells, sensitive edges, etc.
- Carry out a risk analysis by means of appropriate instruments measuring the crushing and impact force of the main opening and closing edge in compliance with EN 12445.
- Identify the appropriate solution necessary to eliminate and reduce such risks.
- During the rotation of the beam there must not be obstacles or points of contact that interfere with the movement.
- In case where the gate to automate is equipped with a pedestrian entrance, it is appropriate to prepare the system in such a way to prohibit the operation of the engine when the pedestrian entrance is used.
- Apply safety nameplates with CE marking on the gate warning about the presence of an automated installation.
- The installer must inform and instruct the end user about the proper use of the system by releasing him a technical dossier, including: layout and components of the installation, risk analysis, test of safety accessories, test of impact forces and report of residual risks.
INFORMATION FOR END-USERS
The end-user is required to read carefully and to receive information concerning only the operation of the installation so that he becomes himself responsible for the correct use of it.
- The end-user shall establish a written maintenance contract with the installer/maintenance technician (on -call).
- Any maintenance operation must be done by qualified technicians.
- Keep these instructions carefully.
WARNINGS FOR THE CORRECT OPERATION OF THE INSTALLATION
To achieve a long lasting performance of system in compliance with the safety regulations, it is necessary that proper maintenance and monitoring of the entire installation be performed: including the automation, the electronic equipment and the cables connected to these.
- The entire installation must be carried out by qualified technical personnel, filling in the Maintenance Manual indicated in the Safety Regulation Book (to be requested or downloaded from the site www.fadini.net/supporto/downloads).
- Operator: maintenance inspection at least every 6 months, while for the electronic equipment and safety systems an inspection at least once every month is required
- The manufacturer, Mechanical Fading sync, is not responsible for non-observance of good installation practice and incorrect maintenance of the installation.
DISPOSAL OF MATERIALS
Dispose properly of the packaging materials such as cardboard, nylon, polystyrene etc. through specializing companies (after verification of the regulations in force at the place of installation in the field of waste disposal). Disposal of electrical and electronic materials: remove and dispose through specializing companies, as per Directive 2012/19/UE. Disposal of substances hazardous for the environment is prohibited.
CE DECLARATION OF CONFORMITY of the manufacturer:
Mechanical Fading sync (Via Santova, 177/A – 37053 Cereal – VR – Italy) declares under own responsibility that: Bari 88 complies with the 2006/42/CE Machinery Directive, and also that it is sold to be installed in an “automatic system”, along with original accessories and components as indicated by the manufacturing company. An automatic gate operator is, by law, a “machinery” and therefore the installer must fit the equipment with all of the applicable safety norms. The installer is also required to issue the installer’s Declaration of Conformity. The manufacturer is not liable for possible incorrect use of the product. The product complies with the following specific norms: analysis of the risks and subsequent action to cure them as per EN 12445 and EN 12453, Low Voltage Directive 2014/35/UE, Electromagnetic Compatibility 2014/30/UE. In order to certify the product, the manufacturer declares under own responsibility the compliance with the EN 13241-1 PRODUCT NORMS.
MAIN ACCESSORIES FOR THE INSTALLATION OF THE BARRIER

- ZERO.L
- Braking adjustment
- Oil-hydraulic actuator
- Main assembly motor/pump/actuator
- Pressure control valves
- Balance spring
- Anchoring base plate with hook bolts
- Emergency release
- Lepro 88 control board
- Control board support arm
- Beam limit switch assembly with adjustment screws
- 80×30 L = 4 m beam
- Folding pedestal
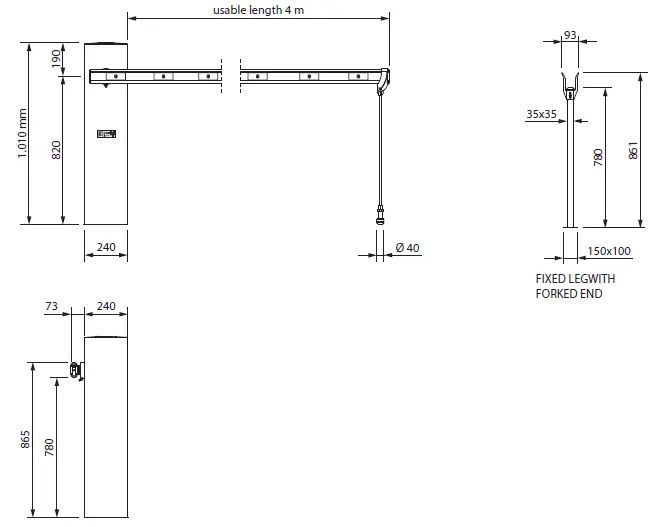
- Fixed pedestal (optional)
IDENTIFYING BARRI 88 INTO RIGHT- OR LEFT-HANDED

SETTING THE ANCHORING BASE PLATE INTO THE GROUND FOUNDATION
The first operation is fixing the anchoring base plate on a flat level into a concrete foundation; it is advised that, during this phase, one or two corrugated tubes, 30 mm of diameter, be laid in the foundation allowing for the electric cables to be driven through (electric power supply to the installation, command and safety accessories), as illustrated in Pic. 4.
Important: before cementing the anchoring base plate, drive the 2 bolts thoroughly out, to the end of the thread. Important: by means of a spirit level make sure the anchoring base plate be perfectly flat in both directions; it is also recommended that it be 5 mm higher than the road finish level (Pic. 4).
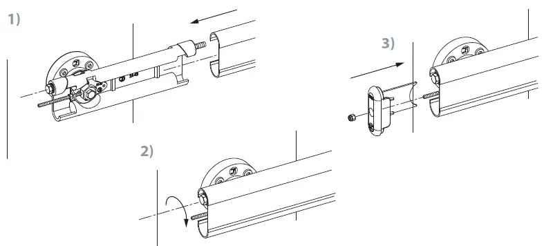
FITTING THE BEAM

FIXED PEDESTAL INSTALLATION

INSTALLATION OF THE POST SUPPORTING THE PHOTOCELL

MAIN COMPONENTS FOR THE ELECTRICAL INSTALLATION
IMPORTANT: cabling and electrical connections are to be carried out to the rules of the art, in compliance with the general standards of a good technical installation, in full respect of the safety norms in force (Machinery Directive 2006/42/CE) by qualified technicians. An accurate analysis of the hazards involved is to be formulated, proper actions to cure are to be taken and the technical data section in this manual to be filled in, in compliance with the EN 12445 and EN 12453 regulations.
For power supply, electric motor and flasher 1 mm² square section cables are to be used up to 50 meters of distance. For longer distances, suitable cables are to be used following the standards of a good technical installation.
Electric cables having wires of 0,5 mm² square section are to be used for all the accessories external to the electric board.
- 230 V – 50 Hz magneto-thermal 0,03 A circuit breaker
(not provided with the equipment). Beyond 100 m cable section to be 2,5 mm² - Flasher
- Photocell receiver
- Bari 88 oil-hydraulic barrier with controller plug-in radio receiver
- Fixed pedestal with fork end
- Photocell projector
- Post with mounted on it
- Transmitter

General layout; it is the installer’s care to provide and properly lay the tubes in the most suitable way for the cables to be led through.
Important: the entire installation must be properly grounded.
INSTALLATION OF THE VOLTAGE CUT-OFF SWITCH (OPTIONAL)

The voltage cut-off switch is factory-fitted on demand on to the control box support arm and touches the door. On opening the door, the 230 V – 50 Hz power supply is automatically disconnected, whole unit safe.
All ground wires to be properly connected to the dedicated terminals.
LIMIT SWITCH SETTING
The two screws for limit switch adjustment are to be unlocked first to be allowed then to be set in the required position. To do this, unscrew by two turns the locking screw positioned between them.
Once satisfied the beam is in the correct position and a couple of operations performed to assess this, tighten the central screw to “lock back” the adjustment screws (Pic. 10).
SLOWING DOWN AT END OF MOVEMENTS

PRESSURE VALVE ADJUSTMENT

APPPLICATION WITH FOLDING ARM (OPTIONAL)
Depending on the site requirements, it is possible to equip Barri 88 with a folding device, following the indications in Pic. 13.
INSTALLATION OF BARRI 88 WITH MAGNETIC LOOP DETECTOR (OPTIONAL)

For those installations where one or two magnetic loops are required, it is advisable to keep to the instructions provided along with the detector (drwg. ref. No. 7038).
TECHNICAL SPECIFICATIONS
| HYDRAULIC UNIT | ELECTRONIC PROGRAMMER | |||
| Pump flow rate – P10 | 2,75 l/min | Three relays. One for safety | 24 V – 16 A | |
| Average working pressure | 20 atm | Transformer | 8 VA | |
| Max. pump pressure | 40 atm | Capacitor | 12,5 μF | |
| Working temperature | -20 °C +80 °C | |||
| Oil type | Oil Fading – Item 708L | |||
| Reservoir capacity | 1,2 liters | |||
| ELECTRIC MOTOR | PERFORMANCE | |||
| Power output | 0,24 kW (0,33 HP) | Frequency of use | intensive | |
| Supply voltage | 230 Vac | Service cycle | opening ~ 5 s dwell 10 s closing ~ 5 s dwell 10 s | |
| Frequency | 50 Hz | |||
| Absorbed current | 1,8 A | |||
| Absorbed power | 330 W | |||
| Capacitor | 12,5 μF | Complete cycle time | ~ 30 s | |
| Complete cycles penning-dwell-closing-dwell | No. 60/hour | |||
| Motor rotation speed | 1.350 rpm | |||
| Intermittent service | S3 | |||
| Insulation class | F | |||
| ROAD BARRIER | ||||
| Shaft rotation | max 95° | |||
| Weight without beam | 58 kg | |||
| Rated torque | 185,2 Nm | |||
| Length of aluminum beam R526 | 4 m | |||
| Color of the housing | RAL 1018 zinc yellow | |||
| Protection standards | IP 67 | |||
OVERALL DIMENSIONS OF THE HOUSING AND SPECIFIC ACCESSORIES

| MAINTENANCE RECORD | the gate opener
| ||||||||
| Installation address: | Maintainer: | Date: | |||||||
| Installation type: | Operator model: | Quantity of models installed: | |||||||
| Sliding gate | Folding door | X | |||||||
|
| Dimensions per gate leaf: | ||||||||
| Over-head door | Bollard | ||||||||
| Weight per gate leaf: | Installation date: | ||||||||
| Lateral folding | ……………………….. | ||||||||
| door | |||||||||
| NOTE WELL: this document must record any ordinary and extraordinary services including installation, maintenance, repairs and replacements to be made only by using Fadini original spare parts. This document, for the data included in it, must be made available to authorized inspectors/officers, and a copy of it must be handed over the end user/s. The installer/maintainer are liable for the functionalities and safety features of the installation only if maintenance is carried on by qualified technical people appointed by themselves and agreed upon with the end user/s. | |||||||||
| N° | Service date | Service description | Technical maintainer | End user/s | |||||
| 1 | |||||||||
| 2 | |||||||||
| 3 | |||||||||
| 4 | |||||||||
| 5 | |||||||||
| 6 | |||||||||
| Stamp and signature installation technician/maintainer | Signed for acceptance end user buyer | ||||||||
GUIDANCE FOR PROPER USE
(for the end user)
WARNINGS
- Make sure the site is free from utilities that may interfere with it.
- Make sure the power supply to the electric motor is 230 V (50 Hz).
The section of the ground cable is to be chosen in compliance with the requirements of the installation site.
As far as configuration and execution of the system are concerned, these are to comply with the laws in the country of installation. - Transit across the barrier is allowed only if motor is stopped; stand at safe distance during opening and/or closing cycles of the barrier.
- Do not touch any components of the system while the operator is working.
- Do not allow children and/or people to stand in the proximity of a working operator.
- Keep all the accessories able to turn on the operator (transmitters, proximity readers, key-switches, etc.) out of the reach of the children.
- Do not run the system in case of anomalies.
DISPOSAL OF MATERIAL:
dispose properly of the packaging materials such as cardboard, nylon, polystyrene etc. through specializing companies (after verification of the regulations in force at the place of installation in the field of waste disposal). Disposal of electrical and electronic materials: to remove and dispose through specializing companies, as per Directive 2012/19/UE. Disposal of substances hazardous for the environment is prohibited.
MAINTENANCE
For optimum performance of system over time according to safety regulations, it is necessary to perform proper maintenance and monitoring of the entire installation: the automation, the electronic equipment and the cables connected to these. The entire installation must be carried out by qualified technical personnel. Operator: maintenance inspection at least every 6 months, while for the electronic equipment and safety systems an inspection at least once every month is required. The manufacturer, Mechanical Fadinisnc, is not responsible for non-observance of good installation practice and incorrect maintenance of the installation.
Advice for the end user:
- clear the site of materials that may have deposited in the equipment and hinder its correct functioning (such as rests of insects, foliage, stones, etc.); before carrying out this operation, switch off voltage supply;
- clean regularly the equipment by using a damp cloth. Do not use flammable substances such as alcohol, solvents or benzene: these substances may cause explosions and/or damage the system.

RELEASING FOR MANUAL OPERATIONS
This manual operation is required to be done in case of power failure or problems with the system. Open the door of the housing by the coded key and use the spanner to operate the unlocking/releasing device (located between the red and green adjusting screws). Turn the spanner (max 1 or 2 turns) anti clockwise to unlock/release the unit: the beam can be so operated by hand. Bring the beam to the vertical position and lock the barrier: turn the spanner clockwise by 1 or 2 turns max. To unlock the unit and bring the beam back to horizontal position, operate the release/unlocking device as described before.


















