MAGMATIC Elation Professional Magma Prime
GENERAL INFORMATION
INTRODUCTION
Please read and understand the instructions in this manual carefully and thoroughly before attempting to operate this device. These instructions contain important safety and use information.
This product is intended to be used by professionally trained personnel only and is not suitable for private use.
UNPACKING
Every device has been thoroughly tested and has been shipped in perfect operating condition. Carefully check the shipping carton for damage that may have occurred during shipping. If the carton is damaged, carefully inspect the device for damage, and be sure all accessories necessary to install and operate the device have arrived intact. In the event damage has been found or parts are missing, please contact our customer support team for further instructions. Please do not return this device to your dealer without first contacting customer support. Please do not discard the shipping carton in the trash. Please recycle whenever possible.
BOX CONTENTS
Locking Power Cable
CUSTOMER SUPPORT
Contact MAGMATIC customer service for any product related service and support needs. Also visit forums.elationlighting.com with questions, comments or suggestions.
ELATION SERVICE USA – Monday – Friday 8:00am to 4:30pm PST
323-582-3322 | Fax 323-832-9142 | [email protected]
ELATION SERVICE EUROPE – Monday – Friday 08:30 to 17:00 CET
+31 45 546 85 63 | Fax +31 45 546 85 96 | [email protected]
REPLACEMENT PARTS please visit parts.elationlighting.com
IMPORTANT NOTICE!
THERE ARE NO USER SERVICEABLE PARTS INSIDE THIS UNIT. DO NOT ATTEMPT ANY REPAIRS YOURSELF; DOING SO WILL VOID YOUR MANUFACTURER’S WARRANTY. DAMAGES RESULTING FROM MODIFICATIONS TO THIS FIXTURE AND/OR THE DISREGARD OF SAFETY INSTRUCTIONS AND GUIDELINES IN THIS MANUAL VOID THE MANUFACTURER’S WARRANTY AND ARE NOT SUBJECT TO ANY WARRANTY CLAIMS AND/OR REPAIRS.
LIMITED WARRANTY (USA ONLY)
- Magmatic Effects hereby warrants, to the original purchaser, Magmatic products to be free of manufacturing defects in material and workmanship for a period of two years (730 days) from the original date of purchase. This warranty excludes all product accessories. This warranty shall be valid only if the product is purchased within the United States of America, including possessions and territories. It is the owner’s responsibility to establish the date and place of purchase by acceptable evidence, at the time service is sought.
- For warranty service, send the product only to the Magmatic Effects factory. All shipping charges must be pre-paid. If the requested repairs or service (including parts replacement) are within the terms of this warranty, Magmatic Effects will pay return shipping charges only to a designated point within the United States. If any product is sent, it must be shipped in its original package and packaging material. No accessories should be shipped with the product. If any accessories are shipped with the product, Magmatic Effects shall have no liability what so ever for loss and/or or damage to any such accessories, nor for the safe return thereof.
- This warranty is void if the product serial number and/or labels are altered or removed; if the product is modified in any manner which Magmatic Effects concludes, after inspection, affects the reliability of the product; if the product has been repaired or serviced by anyone other than the Magmatic Effects factory unless prior written authorization was issued to purchaser by Magmatic Effects; if the product is damaged because not properly maintained as set forth in the product instructions, guidelines and/or user manual.
- This is not a service contract, and this warranty does not include any maintenance, cleaning or periodic check-up. During the periods as specified above, Magmatic Effects will replace defective parts at its expense, and will absorb all expenses for warranty service and repair labor by reason of defects in material or workmanship. The sole responsibility of Magmatic Effects under this warranty shall be limited to the repair of the product, or replacement thereof, including parts, at the sole discretion of Magmatic Effects. All products covered by this warranty were manufactured after January 1, 1990, and bare identifying marks to that effect.
- Magmatic Effects reserves the right to make changes in design and/or performance improvements upon its products without any obligation to include these changes in any products theretofore manufactured.
- No warranty, whether expressed or implied, is given or made with respect to any accessory supplied with the products described above. Except to the extent prohibited by applicable law, all implied warranties made by Magmatic Effects in connection with this product, including warranties of merchantability or fitness, are limited in duration to the warranty periods set forth above. And no warranties, whether expressed or implied, including warranties of merchantability or fitness, shall apply to this product after said periods have expired. The consumer’s and/or dealer’s sole remedy shall be such repair or replacement as is expressly provided above; and under no circumstances shall Magmatic Effects be liable for any loss and/or damage, direct and/or consequential, arising out of the use of, and/or the inability to use, this product.
- This warranty is the only written warranty applicable to Magmatic Effects products and supersedes all prior warranties and written descriptions of warranty terms and conditions heretofore published.
WARRANTY RETURNS (USA ONLY)
To obtain warranty service, a Return Materials Authorization (RMA) number must first be obtained from MAGMATIC. It is the Customer’s responsibility to provide product proof of purchase and serial number by acceptable evidence such as an invoice copy or an approved MAGMATIC Extended Warranty Certificate (“EWC”) and any relevant maintenance records at the time warranty service is sought. Failure to provide acceptable evidence of product proof of purchase or EWC and any relevant maintenance records may be cause for denial of warranty service.
Products returned for warranty service must be sent without any accessories (i.e., power, data, and safety cables, brackets, clamps, rigging hardware, frost filters, gel frames, barn doors, lens, hoses, nozzles, rack mounting hardware, etc.), must be boxed using the original and/or suitable packaging materials (double-box and foam) that provides ample product protection for ground and/or air freight transit, and must be shipped freight pre-paid and insured to MAGMATIC in Los Angeles, CA or an MAGMATIC Authorized Service Center. The RMA number must be clearly written on the outside of the return box, and a brief description of the problem and the RMA number must be documented and included in the box.
Products returned for warranty service without an RMA number clearly marked on the outside of the package will be refused and returned to the shipper at the Customer’s expense. Products returned for warranty service, which are received damaged due to inadequate and/or improper packaging and/or due to damage caused by shipping carrier, may incur additional repair charges before warranty service begins and/or may void this warranty. If any product accessories (included and/or optional) are shipped with the product, MAGMATIC and/or the MAGMATIC Authorized Service Center shall have no liability what so ever for the loss and/or damage to any such accessories, nor the safe return thereof. If the requested warranty repairs or service (including parts replacement) are within the terms of this warranty, MAGMATIC will pay return ground transportation shipping charges to a single designated point within the United States.
SAFETY GUIDELINES
To guarantee a smooth operation, it is important to follow all instructions and guidelines in this manual. MAGMATIC is not responsible for injury and/or damages resulting from the misuse of these devices due to the disregard of the information printed in this manual. Only qualified and/or certified personnel should perform installation of these devices and only the original rigging parts included with these devices should be used for installation. Any modifications to these devices and/or the included mounting hardware will void the original manufactures warranty and increase the risk of damage and/or personal injury.
PROTECTION CLASS 1 – DEVICES MUST BE PROPERLY GROUNDED
THERE ARE NO USER SERVICEABLE PARTS INSIDE THESE DEVICES. DO NOT ATTEMPT ANY REPAIRS YOURSELF; DOING SO WILL VOID YOUR MANUFACTURES WARRANTY. DAMAGES RESULTING FROM MODIFICATIONS TO THESE DEVICES AND/ OR THE DISREGARD OF SAFETY INSTRUCTIONS AND GUIDELINES IN THIS MANUAL VOID THE MANUFACTURES WARRANTY AND ARE NOT SUBJECT TO ANY WARRANTY CLAIMS AND/OR REPAIRS.
DO NOT PLUG THIS UNIT INTO A DIMMER PACK!
DO NOT REMOVE THE COVER UNDER ANY CONDITIONS!
KEEP UNIT UPRIGHT!
NEVER OPERATE THIS UNIT WITH THE COVER REMOVED!
UNPLUG POWER DURING LONG PERIODS OF NON-USEENSURE TANK AND COOLER ARE EMPTY BEFORE STORAGE OR TRANSPORT!
DO NOT MOVE UNIT WHEN FILLED WITH WATER AND ICE!
DISCONNECT POWER BEFORE ADDING WATER OR PERFORMING MAINTENANCE!
INDOOR / DRY LOCATIONS USE ONLY!
DO NOT EXPOSE DEVICES TO RAIN AND/OR MOISTURE!
PLACE UNIT IN A WELL VENTILATED AREA.
ALLOW 40” (100CM) ABOVE AND AROUND THE UNIT FOR PROPER VENTILATION
SAFETY GUIDELINES
DO NOT attempt installation and/or operation of devices without knowledge how to do so.
DO NOT point or direct the fog in an unsafe direction.
DO NOT touch the front nozzle when the machine is operating or has just been shut down. The nozzle can reach high temperatures.
DO NOT permit operation by persons who are not qualified to operate these types of devices.
DO NOT shake devices, avoid brute force when installing and/or operating.
DO NOT operate device if the main power cord has become frayed, crimped and/or damaged. Replace any damaged power cords with a similar power rating.
DO NOT remove or break-off the ground plug from the device power cords.
DO NOT remove or disassemble devices, there are NO user serviceable parts inside.
ALWAYS disconnect devices from main power source before cleaning.
ALWAYS disconnect unit from main power before adding or draining water.
ALWAYS drain the fluid before moving device.
ALWAYS be sure to keep the device on a level surface.
ALWAYS be sure to use this device in an area that will allow proper ventilation.
ALWAYS disconnect power cords during long periods of non-use.
CAUTION Fog and haze machines may set off smoke alarms.
Power cords should be safely routed and secured so they are not likely pinched.
Use the original packaging and materials to transport this device in for service.
These devices should be serviced by qualified service personnel when:
- The power cords or plugs have become damaged.
- Objects have fallen on and/or liquid has spilled into the devices.
- The devices have been exposed to rain and/or moisture.
- The devices do not operate normally or exhibit a marked change in performance
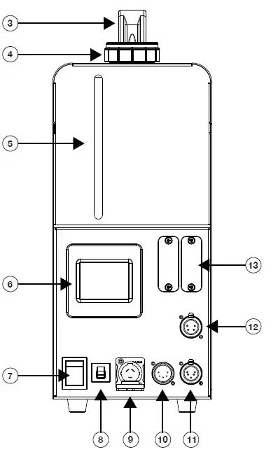
OVERVIEW
- Output Nozzle
- Fan

- Carrying Handle
- Fluid Reservoir Cap
- Fluid Level
- Touch Screen Display
- Power Switch
- 9 Amp Breaker
- Locking Power Cable Input
- Locking 5-Pin XLR Connector In
- Locking 5-Pin XLR Connector Out
- Remote Control Connection
- E-Fly & App-WiFi Card Inputs

SET UP
- Open the shipping carton and carefully remove the unit and all included items from the shipping carton.
- Be sure to remove all the packing material especially around the nozzle.
- Set the machine on a flat dry surface. Remove the fluid reservoir cap and carefully fill the fog fluid reservoir with Atmosity Extreme Filtered water based smoke & haze fluid. Once the fluid tank is filled, replace and tighten the reservoir cap.
- Connect the unit to a matching power supply and put the power switch into the “ON” position. Once power is applied, the fan will begin to operate and the machine will begin to heat up. When the machine is heating up, the display will read “HEATING” in the top left corner with the heating percentage.
- The machine takes 6 minutes to heat up. When the machine has reached its operating temperature the display will read “READY”.
- To emit haze, select your desired operating mode using the touch screen display. See the control panel and system menu on pages 10-12.
CONTROL PANEL:
This fixture includes a system menu with an easy to navigate touch screen control panel where all necessary settings and adjustments are made. When first powering on the fixture, the fixture’s main menu will be displayed (see Main Menu Screen below).
Press the main menu icon you would like to access. Use the ENTER button to access sub menus and use the UP and DOWN buttons to make adjustments. Press the ENTER button to confirm your adjustments. You may exit the main menu at any time without making any adjustments by pressing the BACK/EXIT button.
TIMER MENU: The timer sub menu includes fog output adjustment, fan adjustment, duration adjustment, and interval adjustment. To access the TIMER adjustment menu, press the SETTINGS icon located at the bottom of the screen. Use the UP and DOWN buttons to make your adjustments and press ENTER to confirm. When all settings have been made, press the PLAY/START button to begin timer fogging.
| MENU | SUBMENU | OPTIONS | DESCRIPTION | ||||
| DMX SET | 1. DMX Addr | 001-XXX | DMX Addressing | ||||
| 2. DMX Mode | 1 / 3 / 5 | DMX Channel Mode Selection | |||||
|
PERSONALITY |
1. WIFI SET(1) | WiFi Name | 0-XXXX | Displays the WiFi Name | |||
| WiFi Passcode | 00000000-00009999 | WiFi Password | |||||
| WiFi IP | 0-255.0~255.0~255.0~255 | WiFi IP is Displayed | |||||
| WiFi Port | 0-65535 | Network Port | |||||
| Reset Network | Complete / Failed, try again | Network Connection Rese | |||||
| WiFi->DMX & Efly | ON / OFF | DMX or EFLY Transmition | |||||
| 2. LCD Set | Screen OFF: Never/10s/40s/1min/5min/10min/20min | Display Blackout Time | |||||
| 3. EFLY Set(2) | EFLY Channel: 0-14 | EFLY Channel Setting | |||||
| EFLY: ON / OFF | EFLY Activation | ||||||
| 4. No Fluid | ON / OFF | Activate/Deactivate No Fluid Warning | |||||
| 5. RF Learn(3) | |||||||
| 6. Last State | YES / NO | Activate/Deactivate Last State | |||||
| 7. Default | YES / NO | Restore Factory Settings | |||||
|
MANUAL | Fog | 1%-100% |
Manual Control | ||||
| Fan | 20%-100% | ||||||
|
PRESET |
Preset 1: | 40mins 20mins | Fog Fan | 100%
100% |
Preset Settings 1 (Not Adjustable) | ||
|
Preset 2: | 25mins 10mins | Fog Fan | 100%
100% |
Preset Settings 2 (Not Adjustable) | |||
|
Preset 3: | 10mins 5mins | Fog Fan | 100%
100% |
Preset Settings 3 (Not Adjustable) | |||
|
Preset 4: | 40mins 20mins | Fog Fan | 50%
100% |
Preset Settings 4 (Not Adjustable) | |||
|
Preset 5: | 10mins 5mins | Fog Fan | 50%
100% |
Preset Settings 5 (Not Adjustable) | |||
| MENU | SUBMENU | OPTIONS/DISPLAY | DESCRIPTION |
|
INFORMATION | 1. State | Normal / Error | Machine Status |
| 2. Slot 1 | Null / EFLY / WIFI / RF | Slot 1 Status | |
| 3. Slot 2 | Null / EFLY / WIFI / RF | Slot 2 Status | |
| 4. Last Control | LCD_auto / LCD_manual / DMX / WIFI / RF / Remote / Error | Current Control Status | |
| 5. Remote State | YES / NO | Remote Control Status | |
| 6. WIFI Connect | Null / Phone / Route / No | WIFI Connection Status | |
| 7. WIFI IP | No / 0-255, 0~255, 0~255, 0~255 | Current WIFI IP Status | |
| 8. E-FLY CH. | XX | Current E-FLY Channel Setting | |
| 9. DMX Addr. | XXX | Current DMX Address Setting | |
| 10. DMX Mode | X | Current DMX Ch. Mode Setting | |
| 11. Timer Output | XXX% | Current Timer Output Setting | |
| 12. Timer FanSp | XXX% | Current Timer Fan Setting | |
| 13. Timer Int. | XXXXs | Current Timer Interval Setting | |
| 14. Timer Dur. | XXXs | Current Timer Duration Setting | |
| 15. Heat Proc. | XXX% | Heating Progress Status | |
| 16. No Fluid | Normal / Empty | Current Fluid Tank Status | |
| 17. Heater State | Normal / Error / No Heat | Heater Status | |
| 18. LCD Ver. | VX.X | Current LCD Version | |
| 19. Sftwr Ver. | VX.X | Current Software Version | |
| TIMER | FOG OUTPUT | 1%-100% | Fog Output Setting |
| FAN SPEED | 20%-100% | Fan Speed Setting | |
| INTERVAL | 0-2500s | Interval Setting | |
| DURATION | 0-250s | Duration Setting |
NOTES:
- WIFI SET – When there is no card connected, selecting “WIFI SET” will display the following:
“Optional Module Not Installed”. - EFLY SET – When there is no card connected, selecting “EFLY SET” will display the following:
“Optional Module Not Installed”. - RF LEARN – When there is no card connected, selecting “RF LEARN” will display the following:
“Optional Module Not Installed”.
DMX CHANNEL FUNCTIONS & VALUES
| 1 CH | 3 CH | 5 CH | VALUES | FUNCTIONS |
| FOG OUTPUT | ||||
| 1 | 1 | 000-005 | OFF | |
| 006-255 | ON | |||
| 1 | 2 | 2 | 000-255 | OUTPUT VOLUME 0% – 100% |
| 3 | 3 | 000-255 | FAN 20% – 100% | |
| OUTPUT DURATION | ||||
| 4 | 000-005 006-255 | NO DURATION 1S – 250S | ||
| INTERVAL | ||||
| 5 | 000-005 | NO INTERVAL | ||
| 006-255 | 10S – 2500S |
DIMENSIONAL DRAWINGS
TROUBLE SHOOTING
If you experience low output, pump noise, or no fog output at all, disconnect and discontinue use immediately. Do not attempt to continue to operate as this may damage the machine. Check the fluid level, the breaker, and be sure the wall outlet is sending power. If all of the above appears to be okay, and the unit fails to operate correctly, the unit will require service. Please contact Magmatic Effects.
CLEANING & MAINTENANCE
When storing your fog machine be sure to store it in a cool area. Cover the machine so that dust does not build up on the unit. When storing the machine for long periods of time, it is highly advised to at least run the machine every 3-4 months. Long periods of inactivity can severly shorten the life of your machine. Only run Atmosity Extreme Filtered Fog Fluid (AEF-4L) through your machine. Never run plain water, vinegar, or any other liquid solution through your machine. Running anything other then water based fog juice will severly damage your machine.
SPECIFICATIONS
| Voltage: | AC 100-120V, 50/60Hz |
| Rated Power: | 700W |
| Power Consumption: | 720W (Max) |
| Breaker: | 9A (NFB) |
| Warm Up Time: | 6 Minutes |
| Fluid Tank Capacity: | 0.345 gallons (1.3 liters) |
| Fluid Consumption: | 0.115 oz/min (3.4ml/min) |
| Compatiable Fluid: | Atmosity Extreme Filtered Fog Fluid |
| Max. Output: | 4,000 CFM (cu ft/min.) |
| Max. Ambient Temperature: | 113°F (40°C) |
| DMX Channel Modes: | 1 / 3 / 5 |
| Dimensions: | 13.3” (L) x 6.29” (W) x 15.91” (H) 356 x 160 x 404mm |
| Weight: | 22.48lb / 10.2 kg |




TROUBLE SHOOTING


















