TST801 Magmatic Therma Tour 800

ABOUT COMPANY
- ©2022 MAGMATIC EFFECTS all rights reserved. Information, specifications, diagrams, images, and instructions herein are subject to change without notice. MAGMATIC EFFECTS logo and identifying product names and numbers herein are trademarks of MAGMATIC EFFECTS. Copyright protection claimed includes all forms and matters of copyrightable materials and information now allowed by statutory or judicial law or hereinafter granted. Product names used in this document may be trademarks or registered trademarks of their respective companies and are hereby acknowledged. All non-MAGMATIC brands and product names are trademarks or registered trademarks of their respective companies.
- MAGMATIC EFFECTS and all affiliated companies hereby disclaim any and all liabilities for property, equipment, building, and electrical damages, injuries to any persons, and direct or indirect economic loss associated with the use or reliance of any information contained within this document, and/or as a result of the improper, unsafe, insufficient and negligent assembly, installation, rigging, and operation of this product.
- DOCUMENT VERSION
- Due to additional product features and/or enhancements, an updated version of this document may be available online.
- Please check www.elationlighting.com for the latest revision/update of this manual before beginning installation and/or programming.
- MAGMATIC EFFECTS
- 6122 S. Eastern Ave.
- Los Angeles, CA. 90040
- 323-582-3322
- 323-832-9142 fax
- www.elationlighting.com
- [email protected]
- Elation Professional B.V.
- Junostraat 2
- 6468 EW Kerkrade, The Netherlands
- +31 45 546 85 66
- +31 45 546 85 96 fax
- www.elationlighting.eu
- [email protected]
- Elation Professional Mexico
- AC Santa Ana 30
- Parque Industrial Lerma, Lerma, Mexico 52000
- +52 (728) 282-7070
DOCUMENT VERSION
- Due to additional product features and/or enhancements, an updated version of this document may be available online.
- Please check www.elationlighting.com for the latest revision/update of this manual before beginning installation and/or programming.
Date Document Version Software Version DMX Channel Mode Notes 09/30/20 1.0 1.0 1 / 3 Channels Initial Release 12/15/20 2.0 1.0 1 / 3 Channels Updated Dimensional Drawings & Specifica- tions 06/06/22 3.0 1.0 1 / 3 Channels Updated System Menu 09/01/22 4.0 1.0 1 / 3 Channels Updated Setup, Cleaning & Maintenance 10/12/22 5.0 1.0 1/3 Channels Updated Specifications; added RDM
GENERAL INFORMATION
INTRODUCTION
Please read and understand the instructions in this manual carefully and thoroughly before attempting to operate this device. These instructions contain important safety and use information. This product is intended to be used by professionally trained personnel only and is not suitable for private use.
UNPACKING
Every device has been thoroughly tested and has been shipped in perfect operating condition. Carefully check the shipping carton for damage that may have occurred during shipping. If the carton is damaged, carefully inspect the device for damage, and be sure all accessories necessary to install and operate the device have arrived intact. In the event that damage has been found or parts are missing, please contact our customer support team for further instructions. Please do not return this device to your dealer without first contacting customer support. Please do not discard the shipping carton in the trash. Please recycle whenever possible.
BOX CONTENTS
- Twist-locking power cable (x1)
- Haze outlet cap (x1)
CUSTOMER SUPPORT
- Contact MAGMATIC customer service for any product related service and support needs.
- Also visit forums.elationlighting.com with questions, comments, or suggestions.
- ELATION SERVICE USA
- Monday – Friday 8:00am to 4:30pm PST
- 323-582-3322
- Fax 323-832-9142
- [email protected]
- ELATION SERVICE EUROPE
- Monday – Friday 08:30 to 17:00 CET
- Voice: +31 45 546 85 63
- Fax: +31 45 546 85 96
- [email protected]
- REPLACEMENT PARTS:
Please visit parts.elationlighting.com
IMPORTANT NOTICE!
- THERE ARE NO USER SERVICEABLE PARTS INSIDE THIS UNIT. DO NOT ATTEMPT ANY REPAIRS YOURSELF. DOING SO WILL VOID YOUR MANUFACTURER’S WARRANTY. DAMAGES RESULTING FROM MODIFICATIONS TO THIS FIXTURE AND/OR THE DISREGARD OF SAFETY INSTRUCTIONS AND GUIDELINES IN THIS MANUAL VOID THE MANUFACTURER’S WARRANTY AND ARE NOT SUBJECT TO ANY WARRANTY CLAIMS AND/OR REPAIRS.
- NEVER POINT OR AIM A FOG MACHINE TOWARDS PEOPLE OR THEIR CLOTHING. THIS UNIT EMITS HOT VAPOR AND SHOULD BE USED WITH THE SAME CARE THAT YOU WOULD OBSERVE WHEN USING AN ELECTRIC KETTLE OR IRON.
LIMITED WARRANTY (USA ONLY)
- Magmatic Effects hereby warrants, to the original purchaser, Magmatic products to be free of manufacturing defects in material and workmanship for a period of two years (730 days) from the original date of purchase. This warranty excludes discharge lamps and all product accessories. This warranty shall be valid only if the product is purchased within the United States of America, including possessions and territories. It is the owner’s responsibility to establish the date and place of purchase by acceptable evidence, at the time service is sought.
- For warranty service, send the product only to the Magmatic Effects factory. All shipping charges must be pre-paid. If the requested repairs or service (including parts replacement) are within the terms of this warranty, Magmatic Effects will pay return shipping charges only to a designated point within the United States. If any product is sent, it must be shipped in its original package and packaging material. No accessories should be shipped with the product. If any accessories are shipped with the product, Magmatic Effects shall have no liability what so ever for loss and/or or damage to any such accessories, nor for the safe return thereof.
- This warranty is void if the product serial number and/or labels are altered or removed; if the product is modified in any manner which Magmatic Effects concludes, after inspection, affects the reliability of the product; if the product has been repaired or serviced by anyone other than the Magmatic Effects factory unless prior written authorization was issued to purchaser by Magmatic Effects; if the product is damaged because not properly maintained as set forth in the product instructions, guidelines and/or user manual.
- This is not a service contract, and this warranty does not include any maintenance, cleaning or periodic check-up. During the periods as specified above, Magmatic Effects will replace defective parts at its expense, and will absorb all expenses for warranty service and repair labor by reason of defects in material or workmanship. The sole responsibility of Magmatic Effects under this warranty shall be limited to the repair of the product, or replacement thereof, including parts, at the sole discretion of Magmatic Effects. All products covered by this warranty were manufactured after January 1, 1990, and bear identifying marks to that effect.
- Magmatic Effects reserves the right to make changes in design and/or performance improvements upon its products without any obligation to include these changes in any products theretofore manufactured.
- No warranty, whether expressed or implied, is given or made with respect to any accessory supplied with the products described above. Except to the extent prohibited by applicable law, all implied warranties made by Magmatic Effects in connection with this product, including warranties of merchantability or fitness, are limited in duration to the warranty periods set forth above. And no warranties, whether expressed or implied, including warranties of merchantability or fitness, shall apply to this product after said periods have expired. The consumer’s and/or dealer’s sole remedy shall be such
repair or replacement as is expressly provided above; and under no circumstances shall Magmatic Effects be liable for any loss and/or damage, direct and/or consequential, arising out of the use of, and/or the inability to use, this product. - This warranty is the only written warranty applicable to Magmatic Effects products and supersedes all prior warranties and written descriptions of warranty terms and conditions heretofore published.
WARRANTY RETURNS (USA ONLY)
- To obtain warranty service, a Return Material Authorization (RMA) number must first be obtained from MAGMATIC. It is the Customer’s responsibility to provide product proof of purchase and serial number by acceptable evidence such as an invoice copy or an approved MAGMATIC Extended Warranty Certificate (“EWC”) and any relevant maintenance records at the time warranty service is sought. Failure to provide acceptable evidence of product proof of purchase or EWC and any relevant maintenance records may be cause for denial of warranty service.
- Products returned for warranty service must be sent without any accessories (i.e., power, data, and safety cables, brackets, clamps, rigging hardware, frost filters, gel frames, barn doors, lenses, hoses, nozzles, rack mounting hardware, etc.), must be boxed using the original and/or suitable packaging materials (double-box and foam) that provides ample product protection for ground and/or air freight transit, and must be shipped freight pre-paid and insured to MAGMATIC in Los Angeles, CA or a MAGMATIC Authorized Service Center. The RMA number must be clearly written on the outside of the return box, and a brief description of the problem and the RMA number must be documented and included in the box.
- Products returned for warranty service without an RMA number clearly marked on the outside of the package will be refused and returned to the shipper at the Customer’s expense. Products returned for warranty service, which are received damaged due to inadequate and/or improper packaging and/ or due to damage caused by the shipping carrier, may incur additional repair charges before warranty service begins and/or may void this warranty. If any product accessories (included and/or optional) are shipped with the product, MAGMATIC and/or the MAGMATIC Authorized Service Center shall have no liability what so ever for the loss and/or damage to any such accessories, nor the safe return thereof. If the requested warranty repairs or service (including parts replacement) are within the terms of this warranty, MAGMATIC will pay return ground transportation shipping charges to a single designated point within the United States.
SAFETY GUIDELINES
This fixture is a sophisticated piece of electronic equipment. To guarantee smooth operation, it is important to follow all instructions and guidelines in this manual. Magmatic Effects is not responsible for injury and/or damages resulting from the misuse of this fixture due to the disregard of the information printed in this manual. Only qualified and/or certified personnel should perform installation of this fixture and only the original rigging parts included with this fixture should be used for installation. Any modifications to the fixture and/or the included mounting hardware will void the original manufacturer’s warranty and increase the risk of damage and/or personal injury.
- PROTECTION CLASS 1 – FIXTURE MUST BE PROPERLY GROUNDED.
- THERE ARE NO USER SERVICEABLE PARTS INSIDE THIS UNIT. DO NOT ATTEMPT ANY REPAIRS YOURSELF. DOING SO WILL VOID YOUR MANUFACTURER’S WARRANTY. DAMAGES RESULTING FROM MODIFICATIONS TO THIS DEVICE AND/OR THE DISREGARD OF SAFETY INSTRUCTIONS AND GUIDELINES IN THIS MANUAL VOID THE MANUFACTURER’S WARRANTY AND ARE NOT SUBJECT TO ANY WARRANTY
- DO NOT PLUG THIS UNIT INTO A DIMMER PACK DO NOT REMOVE THE COVER UNDER ANY CONDITIONS KEEP UNIT IN AN UPRIGHT POSITION NEVER OPERATE THIS UNIT WITH THE COVER REMOVED UNPLUG FROM POWER DURING LONG PERIODS OF NON-USE ENSURE TANK IS EMPTY BEFORE STORAGE OR TRANSPORT DO NOT MOVE WHEN FILLED WITH FLUID DISCONNECT POWER BEFORE ADDING FLUID OR PERFORMING MAINTENANCE
- FOR USE IN INDOOR / DRY LOCATIONS ONLY DO NOT EXPOSE DEVICE TO RAIN AND/OR MOISTURE PLACE UNIT IN A WELL VENTILATED AREA ALLOW 40” (100CM) ABOVE AND AROUND THE UNIT FOR PROPER VENTILATION.
SAFETY GUIDELINES
- CAUTION: Fog machines may set off smoke alarms!
- Do not attempt installation and/or operation of this device without proper knowledge of how to do so.
- Do not point or direct fog output in an unsafe direction.
- Do not touch the front nozzle while the machine is in operation, or immediately after the device has been shut down, as the nozzle may get hot during operation.
- Do not shake device, and avoid brute force when installing and/or operating.
- Be sure to save the packing carton in the unlikely event the device may have to be returned for service.
- Do not spill water or other liquids into or on to the device. Be sure that all the fog fluid is kept inside the fluid reservoir.
- Be sure that the local power outlet matches the required voltage for the device.
- Do not remove components or disassemble the device. There are no user-serviceable parts inside.
- Never connect this device to a dimmer pack.
- Do not attempt to operate this device if it has been damaged in any way.
- Never use this device with the cover removed.
- To reduce risk of electrical shock or fire, do not expose this device to rain or moisture.
- Do not attempt to operate this device if the power cord has been frayed, crimped, and/or damaged. Replace any damaged power cords with new cords of the same power rating.
- Do not remove or break off the ground prong from the electrical cord. This prong is used to reduce the risk of electrical shock and fire in case of an internal short.
- Always disconnect from main power before making any connection, performing cleaning or maintenance, or adding or draining water.
- Always drain fluid before moving the device.
- Always be sure to mount this device in an area that will allow proper ventilation.
- Always disconnect power cords during long periods of non-use.
- This unit is intended for indoor use only. Use of this product outdoors voids all warranties.
- Always mount this unit in a safe and stable matter.
- Please route your power cord out of the way of foot traffic. Power cords should be routed so they are not likely to be walked on, or pinched by items placed upon or against them.
- The device should be serviced by qualified service personnel when:
- The power cords or plugs have become damaged.
- Objects have fallen on and/or liquid has spilled into the device.
- The device has been exposed to rain and/or moisture.
- The device does not operate normally or exhibits a marked change in performance.
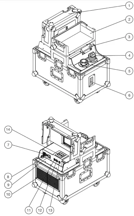
OVERVIEW

- Control Panel Lid
- Haze Outlet/Filler Lid
- Directional Blower
- Haze Outlet w/ Cap
- Tank Fill
- Tank Level Gauge
- Power In
- Breaker
- Power Switch
- Cooling Vent
- DMX In
- DMX Out
- Wired Remote Port
- Touch Display Screen
SET UP
- Open the shipping carton and carefully remove the device from the shipping carton.
- Be sure to remove ALL the packing material, paying particular attention to the area around the fog outlet vent.
- Set the device on a flat dry surface. Open the filler/outlet lid and unscrew the tank fill cap.
- Fill the tank only with approved ATMOSITY fluid (SKU# ARH and AAH only), and replace the reservoir cap. Never run the device on anything other than purified water or an approved, MAGMATIC branded fluid, as doing so can result in severe damage to your device.
- Plug the device into a matching power supply and flip the power switch to the ON position.
- After power is switched on, the device is immediately ready to emit haze. The device may be controlled manually or via DMX signal.
REMOTE DEVICE MANAGEMENT (RDM)
NOTE: In order for RDM to work properly, RDM enabled equipment must be used throughout the entire system, including DMX data splitters and wireless systems.
- Remote Device Management (RDM) is a protocol that sits on top of the DMX512 data standard for lighting, allowing the DMX systems of the fixtures to be modified and monitored remotely. This protocol is ideal for instances in which a unit is installed in a location that is not easily accessible.
- With RDM, the DMX512 system becomes bi-directional, allowing a compatible RDM enabled controller to send out a signal to devices on the wire, as well as allowing the fixture to respond (known as a GET command). The controller can then use its SET command to modify settings that would typically have to be changed or viewed directly via the unit’s display screen, including the DMX Address, DMX Channel Mode, and Temperature Sensors.
FIXTURE RDM INFORMATION:
| RDM Code | Device Model ID | Personality ID |
| 22A6H | 1C20 | 1 (1-channel) 2 (3-channel) |
Please be aware that not all RDM devices support all RDM features, and therefore it is important to check beforehand to ensure that the equipment that you are considering includes all of the features that you require.
The following parameters are available on this device:
| [0x1000] Identify Device |
| [0x00F0] DMX Start Address |
| [0x00C0] Software Version Label |
| [0x0060] Device Info |
| [0x0080] Device Model Description |
| [0x0081] Manufacturer Label |
| [0x0082] Device Label |
| [0x0050] Supported Parameters |
| [0x00E1] DMX Personality Description |
| [0x00E0] DMX Personality |
| [0x0200] Sensor Definition |
| [0x0201] Sensor Value |
CONTROL PANEL
- This unit includes a system menu with an easy to navigate touch screen control panel where all necessary settings and adjustments are made. When first powering on the machine, the main menu will be displayed (see Main Menu Screen below).
- Press the main menu icon you would like to access. Use the ENTER button to access sub-menus and use the UP and DOWN buttons to make adjustments. Press the ENTER button to confirm your adjustments. You may exit to the main menu at any time without making any adjustments by pressing the BACK/EXIT button.
- After 10 seconds of non-operation, the system will return to the “Ready to Fog” status screen.





NOTE: When a module is not installed, navigating to a sub-menu related to that module’s function will result in an “Optional Module Not Installed” message displayed on the screen.

PRESET MODE
| Preset Mode | Duration | Interval | Fog Output | Fan Intensity |
| 1 | 40 min | 20 min | 100% | 100% |
| 2 | 30 min | 15 min | 100% | 100% |
| 3 | 20 min | 10 min | 100% | 100% |
| 4 | 10 min | 5 min | 100% | 100% |
| 5 | 5 min | 5 min | 100% | 100% |

DMX TRAITS
| CHANNEL | VALUES | FUNCTION | |
| 1-CH | 3-CH | ||
| 1 | 1 | Fog | |
| 000 – 005 | Off | ||
| 006 – 255 | On | ||
| 2 | Duration | ||
| 000 – 005 | Off (0s) | ||
| 006 – 255 | On, 1s – 250s (steps of 1s) | ||
| 3 | Interval | ||
| 000 – 005 | Off (0s) | ||
| 006 – 255 | On, 10s – 2500s (steps of 10s) | ||
TROUBLE SHOOTING
If you experience low output, pump noise, or no output at all, disconnect the device and discontinue use immediately. Do not attempt to continue operation as this may damage the machine. Check the fluid level, the breaker, and the wall outlet to ensure it is sending power. If all the above factors do not appear to be causing the issue, and the unit still fails to operate correctly, it will require service. Please contact Magmatic Effects for assistance.
CLEANING & MAINTENANCE
- This device is capable of operating with either water-based or oil-based fluid. However, because the internal tank cannot be cleaned or disassembled, the following procedures must be followed when switching from one type of fluid to another:
- WHEN GOING FROM OIL-BASED FLUID TO WATER-BASED FLUID-
Open the drain valve and allow the oil-based fluid to drain out completely, then fill the fluid reservoir with purified water. Do NOT use plain tap water for this process, as tap water leaves deposits that will cause clogging. Run the device until the tank is completely empty, then refill the reservoir with water-based liquid. There may be traces of oil-based fluid left in the tank, but this will not affect the device. - WHEN GOING FROM WATER-BASED FLUID TO OIL-BASED FLUID –
Drain the waterbased fluid from the tank, then leave the tank lid open and allow the tank to dry for approximately 24 hours. Close the drain valve, and fill the reservoir with oil-based fluid and run your device as desired.
- WHEN GOING FROM OIL-BASED FLUID TO WATER-BASED FLUID-
- When storing your device, be sure to store in a cool area. Cover the device so that dust does not build up on the device. It is highly advisable to run the machine at least once every 3-4 months when storing for long periods of time. Long periods of inactivity can severely shorten the life of your device. Only run Magmatic’s Atmosity fluid (SKU# ARH or AAH) through your machine. Never run plain water, vinegar, or any other liquid solution through your device, as doing so will severely damage your device.
SPECIFICATIONS
- KEY FEATURES
- 800 Watt low power consumption
- Over 35 hours of run time
- Haze lasting up to 3 hours after machine is off
- Rugged mobile road case design
- Soundproof insulation for indoor use
- DYNAMIC EFFECTS
- Output: 5600 cu.ft / Min
- External Visual Fluid Level Detection
- COMPATIBLE FLUID
Atmosity ARH (Oil based fluid) - CONSTRUCTION / PHYSICAL / PERFORMANCE
- External Visual Fluid Level Detection
- Fluid Tank Capacity: 2.5L
- Fluid Consumption: 1.5ml / Min.
- CONTROL
- 2 Card Inputs
- RDM (Remote DMX)
- Control Protocol: DMX
- DMX Channels: 1,3
- DMX Modes: 2
- On-Board Timing Control
- 5 Factory Presets
- 4-Pin Wired Remote Input
- Touch Screen Display
- Manual Hazing
- CONNECTIONS
- Data Connectors: 5-Pin XLR/Out, 4-Pin XLR Out
- Locking Power Connector
- SIZE / WEIGHT
- Length: 24.45 in. (621.13mm)
- Width: 15.34 in. (389.63mm)
- Height: 16.33 in. (414.75mm)
- Weight: 93 lbs. (42kg)
- ELECTRICAL
- Power Consumption: 820w
- Input Voltage: 120V, 230V, 240V, 50 & 60Hz
- Breaker Size: 15A (120V version)
- Breaker Size: 10A (230V version)
- THERMAL
- Maximum Temperature (Ambient): 104°F (40°C)
- Exterior Surface Temperature: 122°F (50°C)
- APPROVALS / RATINGS
CE | cETLus (pending) | UKCA
Specifications and documentation subject to change without notice
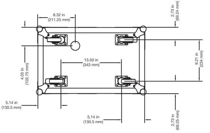
DIMENSIONAL DRAWINGS



Dimensions may not be drawn to scale.


















