Winsen MRTD-3011 Digital Thermocouple Temperature Sensor

Statement
This manual copyright belongs to Zhengzhou Winsen Electronics Technology Co., LTD. Without the written permission, any part of this manual shall not be copied, translated, stored in database or retrieval system, also can’t spread through electronic, copying, record ways. Thanks for purchasing our product. In order to let customers use it better and reduce the faults caused by misuse, please read the manual carefully and operate it correctly in accordance with the instructions. If users disobey the terms or remove, disassemble, change the components inside of the sensor, we shall not be responsible for the loss. The specific such as color, appearance, sizes &etc, please in kind prevail. We are devoting ourselves to products development and technical innovation, so we reserve the right to improve the products without notice. Please confirm it is the valid version before using this manual. At the same time, users’ comments on optimized using way are welcome. Please keep the manual properly, in order to get help if you have questions during the usage in the future.
MRTD-3011 Digital Thermopile Temperature Sensor
Description
MRTD-3011 is a non-contact type digital thermopile sensor with I2C output. The thermopile chip is based on MEMS technology, consists of hundreds of thermocouples connected in series. Using Seebeck principle, when there is a temperature difference between the target and the environment, the sensor gives the corresponding voltage output, therefore detecting the existence of the target or the temperature of the target. This sensor can be working in the temperature range of -10~85, and can measure during the range of -20~+250.
Features
- TO-39 metal package, small viewing angle;
- Full integrated digital infrared thermopile;
- I2C output with internal temperature compensation;
- 2.6V to 5.5V single power supply for continuous operation;
- Signal sampling speed settable: adjustable 16-step speed (0.02Hz~2KHz);
- Good stability and wide working temperature range: -10~85;
- Built-in high-precision 20 Bit sigma delta ADC, ENOB up to 16 bits;
- Temperature measurement range: -20~+250;
- Temperature measurement accuracy: ±1 for below 100 range; ±2% for over 100;
- Chip sleep mode current 2A @ 25°C/VDD=3V;
Applications
Non-contact temperature measuring Infrared thermometer, such as ear temperature and forehead temperature measurement Continuous temperature control of production process Household appliances (Microwave oven, hair dryers, air conditioners etc), intelligent temperature induction
and control system Human presence detection Power management system Temperature measurement and control of Home appliances (air conditioners, hair dryers, hoods, etc.) Interactive power control Lighting unit control
Functional diagram
The sensor is encapsulated in a hermetic metal cavity with 4pins, and the materials used comply with RoHS requirement, and can work under -20~85 environment.
MRTD-3011 thermopile parameters
| Parameter | Unit | Min | Typical | Max |
| Sensitive area of thermopile | mm2 | / | 0.7×0.7 | / |
| Field of view | Degree | 54 | ||
| Power supply range | V | 2.6 | 5.5 | |
| Power current | Ua | / | / | 300 |
| Working temperature range | ℃ | -20 | / | +85 |
| Storage temperature range | ℃ | -40 | / | +125 |
| ESD rated power | V | / | ±4000 | / |
| Filter wavelength range | um | 5.5 | / | 14 |
| Temperature measurement range | ℃ | -20 | 250 | |
| Temperature measurement accuracy | ℃ | / | ±1℃ for below 100℃ range; ±2% for over 100℃ | / |

Sensor diagram(unit:mm)
Electrode connection:
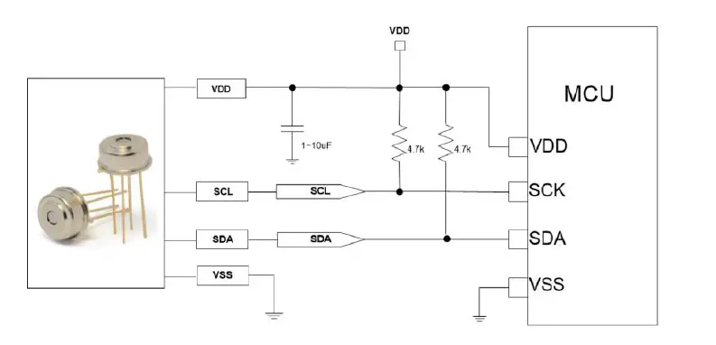
| Pin Item | Definition | Function |
| 1 | SCL | I2C communication |
| 2 | SDA | I2C communication |
| 3 | VDD | Power supply |
| 4 | VSS/GND | GND |
I2C communication
The following abbreviations are used for the graphical description of I2C:
- S Start
- S1 Repeat Start
- A Acknowledge by slave
- A1 Acknowledge by Master
- N Not acknowledge by master
- P Stop
Device slave address (write)=0x20; Device slave address (Read)=0x21;
I2C writ mode sequence waveform:
Figure 5 illustrates the I2C Write command protocol in the Command Mode state. Parameters can be set and adjusted in Command Mode.
Byte write:
Figure 5 Command mode data packet writing
Note: SCL stretch time minimum: the minimum time that SCL is pulled to Low by the chip); After the master control (MCU) writes DATA, it needs to judge the slave side (Slave pulls and releases SCL from Low to High before executing the Stop action to ensure the complete execution of the write action.
I2C read mode sequence waveform:
Figure 6 illustrates the I2C Read Command protocol in the Command Mode state, and the parameters can be read and confirmed in the Command Mode.
Byte read:
Figure 6 Command mode data packet reading
Temperatrue reading instructions(I2C):
Figure 7: I²C normal mode I2C group reading
Chart 3: Register description
| POINTER | ACCESS | Descriptions | Format (bit) |
| 0x00 | R | Buffer update (Note1) | 0 |
| Thermistor Temp L (bit6 – bit0) | 7 ~ 1 | ||
| x01 | R | Thermistor Temp L (bit7) | 0 |
| Thermistor Temp H (bit6 – bit0) | 7 ~ 1 | ||
| 0x02 | R | Thermistor Temp H (bit7) | 0 |
| Reserved | 7 ~ 1 | ||
| 0x03 | R | Buffer update (Note1) | 0 |
| Thermopile Temp L (bit6 – bit0) | 7 ~ 1 | ||
| 0x04 | R | Thermopile Temp L (bit7) | 0 |
| Thermopile Temp H (bit6 – bit0) | 7 ~ 1 | ||
| 0x05 | R | Thermopile Temp H (bit7) | 0 |
| Reserved | 7 ~ 1 | ||
| 0x06 | R | CRC8 Check sum (Note2) for POINTER 0x00 ~ 0x05 | 7 ~ 0 |
| Note1: Buffer update: buffer update is completed=1/ buffer update is not completed=0; Note2: CRC8 check sum is mainly to process the value of POINTER 0x00~0x05 as CRC8, so the user can use this byte to do the check to confirm whether the read value of POINTER 0x00~0x05 is correct. Note3: The IIC read and write functions are bit-wise operations. After reading and writing one bit of data, it needs to be shifted and cycled 8 times to read or write the complete 8-bit data. | |||
ADC sampling rate (OSR) settings:
| SET | OSR | SET | OSR | SET | OSR | SET | OSR |
| 0x01 | 16384 | 0x02 | 8192 | 0x03 | 4096 | 0x04 | 1024 |
| SET | OSR | SET | OSR | SET | OSR | ||
| 0x05 | 512 | 0x06 | 256 | 0x07 | 128 | ||
Thermistor/thermopile temperature reading process:
The following describes the I2C communication process to let users understand the process of reading the thermistor/thermopile temperature.
- Step1: Read POINTER: 0×00~0×02. Thermistor temperature (TS: ambient temperature = ADC read data ÷10).
Read POINTER 0×03~0×05. Thermopile temperature (TP: target temperature = ADC read data ÷ 10). - Step2: If POINTER 0×00 and 0×03 bit0 == 1b, it means that the new data can be used (to judge whether the data is updated and the data is stable.
Protocol: byte write and continuous byte read - Step3: S + ADW + 0×80 + RS + ADR + Data out0 + …+ Data out5 +P (The read data is hexadecimal).

Note (Calculation of Negative Temperature Values):
When the upper four bits of Poniter 0x02 are F, it means that the TS data is a negative temperature;
When the upper four bits of Poniter 0x05 are F, it means that the TP data is a negative temperature.
- Example: TS
- Pointer 0x00: 0xE7 Digital Thermopile Temperature Sensor
- Pointer 0x01: 0xFD
- Pointer 0x02: 0xFF
- TS = Pointer 0x02, 0x01, 0x00 = 0xFFFDE7;
- 0x1000002 – TS = 0x1000002 – 0xFFFDE7 = 0x21B;
- 0x21B shifted right by 1 bit = 0x010D = converted decimal = 269, then the actual temperature of TS is -26.9
Recommended circuit
Note
In order to reduce the thermal interference between the sensor pins, the sensor pins should be thermally isolated when making a PCB; Hand soldering temperature should be 330±20, and single pin soldering time should not exceed 3s; Frequent, excessive vibration, strong impact or collision will cause resonance inside the sensor to break; Do not directly touch the sensor window filter with your hands or sharp objects to avoid contamination.
Zhengzhou Winsen Electronics Technology Co., Ltd
- Add: No.299, Jinsuo Road, National Hi-Tech Zone, Zhengzhou 450001
- China Tel: +86-371-67169097/67169670
- Fax: +86-371-60932988
- E-mail: [email protected]
- Website: www.winsen-sensor.com
- Tel: 86-371-67169097/67169670
- Fax: 86-371-60932988
- Email: [email protected]






















