bticino KW4691 Flush Mounted Thermostat with Backlit Instructions

• Mounting
Remote operation may cause damage to people or property.
The base and the front plate of the thermostat of every individual pack must be installed together.
Mixed installation of components from different packs is not allowed.
• Disassembling
Anti-tamper screw installation (optional)
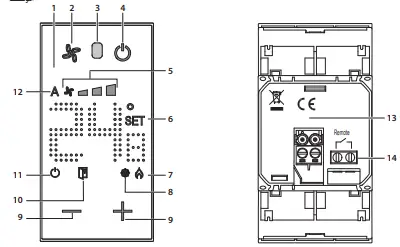
• Description
• Description
- Backlight display
- Fan key: sets the speed of the FAN-COIL on three levels plus automatic.
- Lighting sensor
- ON / OFF * key
- FAN-COIL speed indicator, three levels.
- Temperature setting indicator: appears when the temperature is being set
- ON heating indicator
- ON cooling indicator
- Keys for temperature setting
- Window indicator: active local contact according to the programming completed by the installer.
- Thermostat OFF * indicator
- AN COIL in automatic mode indicator.
- Bus SCS connection clamps
- Local contact (window) connection clamps * System OFF means Heating (7°C) or Cooling (35°C) protection temperature
Available functions
– Heating/cooling system mode setting
– Temperature format setting (°C / °F)
– Temperature calibration
– Management of Local contact (window))
• Configuration
For device configuration and installation and for any other information, refer to the documentation that can be downloaded from the website.
• Technical features
Power supply 18 – 27 Vdc
Absorption 60 mA max
Operating temperature 0 – 40 °C
Temperature set-point 3 – 40 °C; increase of 0.5 °C
Max. cable section 2 x 0.5 mm2 scs clamp 1 x 1.5 mm2 remote contact clamp
Warnings and consumer right
Read carefully before use and keep for future reference
Touching the units with wet hands is forbidden
Using liquid cleaners or aerosols is forbidden
Blocking the ventilation openings is forbidden
Modifying the devices is forbidden
Removing protective parts from the devices is forbidden
Installing the units near liquids and powders is forbidden
Installing the units near heat/cold sources or hot/cold air emission points is forbidden
Installing the units near harmful gases, metal dusts or similar is forbidden
Fastening the units on unsuitable surfaces is forbidden
Risk of devices falling because the surface on which they are installed collapses or inappropriate installation
Switch the power supply OFF before any work on the system
Caution: Installation, configuration, starting-up and maintenance must be performed exclusively by qualified personnel.
Check that the wall installation has been carried out correctly Lay out the wires respecting the standards in force
Connect the power supply wires as indicated
Use only the items indicated in the technical specifications for any system expansions




























