
UP LED CT





For the functioning please refer to the instruction manuals either of the Central CableCom Connect (cod. 20151).
For the Central configuration, the batteries must be sufficiently charged.
Be careful NOT to invert the phase and neutral polarity. Maximum connectable lamps 32.
Do not connect other types of devices on the power cable / BUS L + N-.

Wiring 2.1 The appliance goes into emergency conditions for:
– the absence of general emergency electricity (CableCom);
– the absence of a local lighting
Wiring 2.2 The appliance goes into emergency conditions for:
– the absence of general emergency electricity (CableCom).
Caution:
SA luminaires can be set SE only through the App (with smartphone flash on the lamp or with wi-fi with Central CableCom Connect).
With Infinity mode on N2 L2 must be connected like wiring 2.1 or 2.2.

![]() | 230V 50Hz | COS | ![]() | ![]() | ||
| 4370 | SE | 110mA | 0.065 | 4 LED | LTO 4,8V 0,5Ah | 1h 1,5h 2h 3h 8h |
| 4371 | SE | 110mA | 0.065 | 4 LED | LTO 4,8V 1Ah | |
| 4372 | SE/SA | 110mA | 0.115 | 4 LED | LTO 4,8V 0,5Ah | |
| 4373 | SE/SA | 110mA | 0.115 | 4 LED | LTO 4,8V 1Ah | |
- For autonomy, management refer to the table
- With Infinity mode activated and lamp wired as sche me 2.1 the autonomy is infinite with Cablecom network present (N-L+)
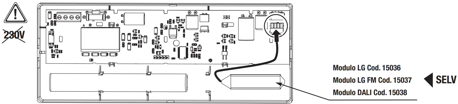
Expansion with LG • LGFM • DALI module

available option
| CONFIGURATION AND COMMANDS | AT (without APP and without Central) | Local action on a single device AT + APP | Broadcasting action AT + CENTRALE CABLECOM CONNECT (cod. 20151) + APP | |
| CONFIGURATION | Duration 1h | • Default | • Default | • Default |
| Duration 1,5h | • | • | ||
| Duration 2h | • | • | ||
| Duration 3h | • con jumper | • | • | |
| Duration 8h | • | • | ||
| Setting Non (only on Maintained Luminaire) | • | • | ||
| Setting even/odd AT | • Preset by ID of QR code. Cannot be modified | • | • | |
| Test duration 1h or autonomy set | Test duration 1h | • | • | |
| Setting Infinity mode | Infinity mode disabled by default | • | ||
| Rest Mode | • | |||
| Manufacturer data reset | • | • | ||
| COMMANDS AND FUNCTIONS | Start/Stop functional Test | • | • | |
| Start/Stop duration Test | • | |||
| Sync automatic Test | • | With a configurable delayed start | ||
| Scheduling automatic Test | With change periodicity | |||
| Failure report from a remote place | • By LED on Central; the APP indicates which lamp is in error | |||
| Luminaire tracking | • | |||
| Type of luminaire identification | • | |||
| LOGBOOK | • |
Use with App B.connect

On each device there is a QR code that uniquely identifies the lamp.
A- Open App B.connect (available for download on the App Store and Google Play).
B- The configuration of the lamp can be accessed through the “luminaire” menu.
LAMP RESPONSE:
Fast flashing= function performed
Slow flashing= function NOT enabled
No flashing= command NOT received
N.B. With CableCom Connect control unit cod 20151 all configurations and commands can be sent remotely via the “nuBe” cloud.
POSITION LAMP FOR COVER TO ENSURE THE PROGRAM (eg. a lot of light – less distance)

AUTOMATIC TESTS PERIODICITY:
FUNCTIONAL TEST (30 sec)= every 28 days
AUTONOMY TEST (1h)= every 26 weeks
Even lamps carry out the autonomy test 1 week after the odd lamps.
(0,2,…,8,A,C,E)= even; (1,3,…,9,B,D,F)= odd.
LED SIGNALS
| FIXED GREEN | BATTERY CHARGED |
| FLASHING GREEN | BATTERY CHARGING |
| ONE RED FLASH | BATTERY ERROR DURATION |
| TWO RED FLASHES | LIGHTING LED ERROR |
| THREE RED FLASHES | BATTERY DISCONNECTED |
OPENING THE COMMUNICATION FROM THE APP:
Remove and reset the network for less than 3 seconds.
The communication remains possible for 2 hours and for 1 min the LED flashes orange to signal the communication opening.
The Functional Test and the Functional STOP Test are controlled by the B.Connect App at any time without having to open communication with the device.
WARNINGS – GUARANTEE
– This device shall be used exclusively for the purpose for which it has been designed. Any other use is considered improper and therefore dangerous.
– Rechargeable batteries and LED sources are non-replaceable types. Contact an authorized technical service center for any repairs possibly required to use only original spare parts. They lacked the respect of for the above conditions may compromise the safety of the device.
*** Caution: electric shock


www.beghelli.com
BEGHELLI S.p.A. – Via Mozzeghine 13/15 –
località Monteveglio 40053 Valsamoggia (BO) ITALY –
Tel. +39 051 9660411 –
Fax +39 051 9660444 –
N° Verde 800 626626















