

Vadsbox Area Snabb
E nummer: E13 607 97
Art. nummer: V-42D0096-004Y
Installation Manual

Warning!
High voltage. Risk of electric shock. Installation should only be performed by a qualified electrician. Make sure that the power supply is switched off before connecting.
Vadsbox is a junction box intended for the fitting of products such as dimmers, control modules and relays. Vadsbox is IP20 compliant and intended for placement in suspended ceilings or for surface mounting indoors.
Vadsbox is equipped with a 5-pole spring connector, which can be removed from the fitting if necessary. Vadsbox’s base plate includes brackets which, with the help of the included cable ties, allow for a universal fitting of products, as well as simple internal cable management and strain relief.
IP20
Open locking clips
To open the Vadsbox press a screwdriver against the locking clips on each long side, as per the picture below.
Press
Dimensions


Vadsbox installationsmanual 2022-01-13 version 2
Technical data
Product name Vadsbox
Product number V-65L1602-001Y
E-number E14 383 97
Fitting Surface mounted
Material PC/ABS
Insulation class IP20
Dimensions LxWxD 170x125x38,5mm
Cable entry 16mm knock-outs y varias entradas recortables
Working temperature -20 + 50°C
Weight 178g
Flame retardance V0
Approvals CE
Cable entry options
Optional knock-outs based on cable size in several places
Cut away

Knock-outs for 2 wiring cables
Cut away

- Knock-outs 16mm
Wall mounting

Included
3X
Examples of strain relief

Included
5X
Installation manual CBU-DCS

Warning!
High voltage. Risk of electric shock. The installation should only be carried out by an authorised electrician.
CBU-DCS is a Bluetooth controllable, Casambi enabled DALI controller. CBU-DCS does not have its own power supply. Instead, it is powered directly from a DALI bus.
CBU-DCS can be used with a DALI sensor for presence detection or daylight harvesting, or it can be used for controlling DALI drivers that have an integrated DALI bus power supply.
CBU-DCS can be controlled with Casambi app which can be downloaded free of charge from Apple App Store and Google Play Store.
Installation
CBU-DCS draws its operating power directly from the DALI bus. For this reason, it is impor-tant to make sure that the DALI bus is externally powered. If CBU-DCS is connected directly to a DALI sensor or a DALI driver, these products must have an integrated DALI bus power supply. CBU-DCS draws 5 mA in idle mode with 30 mA peak current from the DALI bus.
Use 0,5-1,5 mm² solid or stranded conductor electrical wires. Strip the wire 6-8 mm from the end. Using wire ferrules is not recommended. Press the buttons on top of the dimmer case and insert the wires into the corresponding holes. The polarity of DA1 and DA2 does not matter.
CBU-DCS, as any other Casambi product, should not be placed in a metal enclosure or next to large metal structures. Metal will effectively block radio signals which are crucial to the operation of the product. A thorough connectivity testing is strongly recommended in the installation site.
Gateway
In an Evolution network, the CBU-DCS can use the profile “Gateway” to seamlessly integrate with existing DALI systems. The CBU-DCS then looks like a standard DALI gear to the DALI controller. Casambi networks can be controlled in the same way as wired DALI systems, making this in effect a wireless DALI solution. In addition, this allows for integration with other systems, for instance KNX.
Range
Casambi uses mesh network technology so each CBU-DCS acts also as a repeater. Longer ranges can be achieved by using multiple Casambi units.
Compatible devices: iPhone 4S or later, iPad 3 or later, iPod Touch 5th gen or later, Android 4.4 KitKat or later devices produced after 2013 with full BT 4.0 support.

Wiring diagram, sensor

- Sensor power line
- 9.5-22.5 VDC DALI bus
- Sensor with integrated DALI power supply
Wiring diagram, DALI LED driver and DALI sensor

- DALI controllable LED driver with integrated DALI bus power supply.
- Casambi listed DALI controllable sensor without power supply.
- 9.5-22.5 VDC DALI bus
Wiring diagram, DALI LED drivers

- Passive DALI driver
- DALI bus power supply
- The maximum number of passive DALI drivers depends on the capacity of the DALI bus power supply.
Technical data
| Label | CBU-DCS |
| Item number | V-42B0046-001 |
| Input voltage range | 9,5-22,5VDC |
| Input current when idle | 5mA |
| Peak input current, Ipeak | 30mA |
| Max. DALI bus current | 250mA |
| Range | Up to 30m indoors and 50m outdoors. Range is highly dependant on the surrounding and obstacles, such as walls and building materials. |
| Standby power | <0,1W |
| Operating frequencies | 2,4…2,483Ghz |
| Maximum output power | +4dBm |
| Ambient temperature, ta | -20–+55°C |
| Max. case temperature, tc | +65°C |
| Storage temperature | -25…+75°C |
| Max. relative humidity | 0…80%, non-cond. |
| Wire range, solid & stranded | 0,5-1,5mm², 16A-WG |
| Wire strip length | 6-8mm |
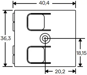
| Dimensions | 40,4×36,3x14mm |
| Weight | 15g |
| Casing classification | IP20 |
| Casing DALI | Reinforced |
| Certifications | CE |
Dimensions

Installation manual DB240



DB240 is a DALI power supply with high efficiency and a small size, supplying 240mA for DALI control gears and DALI devices without internal power supply circuits (passive units). The -20ºc- +60 ºc wide temperature operating range can meet all kinds of applications. Universal AC input and 300VAC surge input for 5 seconds. It is perfectly suitable to power up any passive products labelled with the DALI trademark. DB240 got no load power consumption (<0,5W) and is equipped with protection against short circuit and over voltage.
Installation
Central DALI power supply rated at 240mA (DALI standard allows max. 250mA). The controls interface of a DALI ballast normally source <2mA, with 64 individual addresses this will source 128mA. The remaining 112mA can be used to power other DALI controls without an internal power supply such as the DALI GC and DALI SC. DALI signals are not SELV. Therefore the same procedures should be applied as working with mains voltage. Individual DALI circuits must not exceed 300m or drop more than 2V on the signal line voltage.
Warning!
High voltage. Risk of electric shock. The installation should only be carried out by an authorised electrician.
Technical data
| Label | DB240 |
| Item number | V-30S0041-161N |
| Rated DC voltage | 16V |
| DC voltage range | 15.3-18.7V |
| Guaranteed supply current | 240mA |
| Voltage range | 90-264VAC 120-370VDC |
| Frequency range | 47-63Hz |
| AC Current | 0.1A/115VAC 0.06A/230VAC; Model label: 0.4A/100-240VAC |
| Inrush current | Cold start 20A/230VAC |
| Leakage current | 0.5mA/240VAC |
| No load power consumption | <0.5W |
| Short circuit | Yes, recovers automatically |
| Over voltage | Yes |
| Working temp | -20ºc- +60 ºc |
| Working humidity | 20 – 90% non-cond |
| Storage temp. humidity | -40-+80 ºc |
| Dimensions | 145x38x22mm |
Wiring diagram

NOTE! Extended installation manual for more information and troubleshooting can be found at Vadsbo’s website. Click on “Dokument” on the DB240 product page. Scan the QR code to get to the product page. https://www.vadsbo.net/product db240/
2020-04-20 DB240
Installation manual print Version 1
postadress
Hilma Anderssons gata 15
421 31 Västra Frölunda
Phone:
+46 (0)31-23 56 00
E-mail:
[email protected]
[email protected]
Website/Facebook:
www.vadsbo.net
facebook.com/Vadsbo



















