INSTALLATION INSTRUCTIONS
HWC9 V-Series™ Models
This manual must be left with the homeowner for future reference.
This is a safety alert symbol and should never be ignored. When you see this symbol on labels or in manuals, be alert to the potential for personal injury or death.
WARNING
Improper installation, adjustment, alteration, service, or maintenance can cause property damage, personal injury, or loss of life. Installation and service must be performed by a licensed professional installer (or equivalent), service agency, or gas supplier.
WARNING
Do not store combustible materials near the furnace or warm air ducts. The material may ignite by spontaneous combustion creating a fire hazard.
WARNING
These units are not approved for mobile home applications. Such use could result in property damage, personal injury, or death.
CAUTION
If these instructions are not followed exactly, a fire or explosion may result causing property damage, personal injury, or loss of life.
Manufactured By
Allied Air Enterprises LLC
A Lennox International, Inc. Company
215 Metropolitan Drive
West Columbia, SC 29170
WARNING
For your safety, do not store or use gasoline or other flammable vapors and liquids in the vicinity of this or any other appliance. Such actions could result in property damage, personal injury, or death.
CAUTION
Installation shall be made in accordance with the requirements of the local utility and other authorities having jurisdiction, or with the National Fuel Gas Code, ANSI Z223.1 (latest edition), and the National Electrical Code. Any alteration of internal wiring will void certification and warranties.
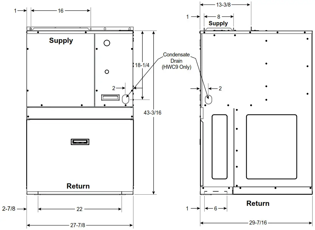
Unit Dimensions


Installation
General
These instructions must be hung on or near the furnace in a conspicuous place.
The MagicJack All-In-One™ HVAC system model HWC9 V-Series™ units are self-contained, gas-fired heating with electric cooling models. The unit design has been certified by Intertek Testing Services for compliance with the latest edition of the American National Standard – ANSI Z21.47/ National Standard of Canada – CAN/CGA-2.3 for direct vent central furnaces. The HWC9 models are certified to be in compliance with the latest edition of A.H.R.I. Standard 210/240. All models are design certified for heating operation when fired with natural or propane gas.
These installation instructions are intended as a general guide only, for use by an experienced, qualified contractor.
Inspection
The unit is shipped in one package, completely assembled and wired. The Evaporator drain tubing is in the cooling compartment behind the filter access panel. Fittings for furnace condensate drainage are located in the hardware kit bag.
If any damage is found, a proper notation should be made on the carrier’s freight bill. Damage claims should be filed with the carrier as quickly as possible.
Check the rating plate to confirm heating and cooling capacities. The unit should be operated only with the type of gas and electrical supply noted on the rating plate.
NOTE: Remove the chassis hold down shipping bracket before installation. These brackets are located on the outdoor side of the unit below the louver panels.
WARNING
In the State of Massachusetts:
This product must be installed by a licensed Plumber or Gas Fitter. When flexible connectors are used, the maximum length shall not exceed 36”. When lever-type gas shutoffs are used, they shall be T-handle type.
Location
The design is certified for indoor installation only. The interior portions of the unit may be surrounded by a closet with minimum clearances to combustible material of 0” sides, 2” top, and 1” front and plenum. Adequate clearance must be provided to install gas line union and the manual shutoff valve, condensate drain connections as well as providing accessibility for field wiring.
NOTE: Approximately 2” of clearance is required if using side exit furnace condensate drain connection. 2” to 4” of clearance (depending on the choice of fittings) is required if using front exit furnace condensate drain connection. Do not install directly on carpeting, tile, or other combustible material other than wood flooring.
The grille side of the unit may be flush with, or extend beyond, the face of the exterior wall, but should not be recessed more than 2” from the face of the building and should not be obstructed with trees, landscape materials, or building structure.
There is no minimum clearance required on locating the unit to an interior corner of a building.
If the unit is to be enclosed, provisions should be made allowing access to the indoor side of the unit for changing filters and for inspection. At least 29” of unobstructed space should be provided in front of the indoor side, whether enclosed or not, to permit removal of the cooling chassis should repairs or inspection be required.
If the unit is installed in a residential garage, it must be located or protected to avoid physical damage by vehicles. The unit must be installed so the burners and ignition source are not less than 18” (457 mm) above the floor. This unit must be installed so that no electrical components are exposed to water.
This appliance should be installed in a location such that the vent outlet is located in the following manner:
- Distances to windows that open, building openings, or public walkways should be consistent with the National Fuel Gas Code Z223.1 or CAN/CGA-B149.1 & .2.
- For U.S. installations, the vent system shall terminate a minimum horizontal clearance of 4’ from electric meters, regulators, and relief equipment. For installations in Canada, refer to the current CAN/ CGA-B149.1 & .2 or with the authorities having local jurisdiction.
- Flue products will not cause degradation to build materials.
This furnace design is not listed for installation in mobile homes, recreational vehicles, or outdoors.
Use of Furnace as a Construction Heater Allied Air does not recommend the use of these units as a construction heater during any phase of construction.
Very low return air temperature, harmful vapors, and operation of the unit with clogged or misplaced filters will damage the unit.
Units may be used for heating of buildings or structures under construction if the following conditions are met:
- The unit must be permanently installed per these installation instructions.
- A room thermostat must control the furnace. The use of fixed jumpers that will provide continuous heating is not allowed.
- The return air duct must be provided and sealed to the furnace.
- Return air temperature range between 60°F (16°C) and 80°F (27°C) must be maintained.
- Air filters must be installed in the system and must be maintained during construction.
- Air filters must be replaced upon construction completion.
- The input rate and temperature rise must be set per the furnace rating plate.
- One hundred percent (100%) outdoor air must be provided for combustion air requirements during construction.
- The furnace heat exchanger, components, duct system, air filters, and evaporator coils must be thoroughly cleaned following final construction cleanup.
- All furnace operating conditions (including ignition, input rate, temperature rise, and venting) must be verified according to these installation instructions.
Installing with a Wall Sleeve
Refer to the installation instructions packed with the wall sleeve and Figure 1 for guidance in assembly and mounting using a wall sleeve.
- Make sure the gaskets attached to the sleeve are not damaged.
- Seal the space between the wall sleeve and the building opening with a non-hardening caulking compound. The seal must be weather-tight to prevent the entrance of moisture and water into the building.
- Assure that the unit is completely seated against the gaskets on the wall sleeve.
- Slide the unit into the sleeve. When properly nested, the angle on top of the unit should line up with the top flange of the sleeve and should almost touch. Fasten the unit to the sleeve with five screws furnished with the sleeve.
CAUTION
The sleeve is not intended as the sole support for the unit. Additional support must be provided near the return opening on the unit for adequate support. The use of vibration isolation material between the unit and the support is recommended.
Evaporator Condensate Drain
Install the plastic drain tube (furnished) over the 5/8” O.D. fitting in the center of the Evaporator condensate pan. Connect another end of the drain tube to the open trap (see Figure 2). The plastic drain connection is provided so that it may be disconnected from the permanent drain tubing in the building in the event it becomes necessary to remove
the cooling chassis assembly.
The drain line should pitch gradually downward at least 1” per 10’ of horizontal run to the open drain trap.
Be certain that the plastic drain tube has free drainage and is not crimped or flattened at any bend.
Furnace Condensate Drain
The HWC9 furnace is provided with an internal condensate drain and drain fitting. A street elbow, a hose barb, and a spigot adapter for connection to the drain fitting are factory-supplied in the manual bag. All other piping is field-supplied to suit the installation and local codes.
If the furnace is installed in an unconditioned space, the condensate drain elbow outside the unit cabinet must have heat tape suitable for PVC pipe installed, and the elbow insulated. This heat tape and insulation are field-supplied from standard hardware items that are available locally, and they must be installed in accordance with the instructions provided by their manufacturers.
Units are shipped with the drain fitting installed for side-exit condensate drainage. The drain fitting can be repositioned for front-exit condensate drainage if desired. Do not relocate or remove the internal condensate trap.
If the unit will be started immediately upon completion of installation, the drain must be primed as described in the procedure outlined in the “Start-up” section.
Field-installed piping from the furnace must slope downward a minimum of 1/2” per foot toward the floor drain.
Piping for Side-Exit Condensate Drain
Determine whether the installation better suits a side exit or a front-exit furnace condensate drain. For side condensate drain, see Figure 3 for component locations and additional details. A 2” clearance to the cabinet side is required for service access to the condensate drain fitting when using the side location.
- Install the factory-supplied street elbow to the drain fitting by threading it into place. Use a thread sealant suitable for PVC; do not use thread tape.
- Use the appropriate primer and solvent cement to bond field-supplied drain line piping or fittings to the PVC street elbow. Do not use copper tubing or existing copper condensate lines for a drain line.
- Route the piping to an open floor drain. Do not connect directly to evaporator condensate drain line.


Piping for Front-Exit Condensate Drain
For the front condensate drain, see Figure 4 for component locations and additional details. Use the factory-supplied hose barb with field-supplied flexible tubing or spigot and hose coupling for these installations. A 2” or 4”(depending on the choice of fittings) clearance to the cabinet front is required for service access when using the front location.
The modifications necessary to convert to front-exit the condensate drain is:
- Disconnect the lower drain hose from the drain fitting.
- Remove the screw securing the drain fitting to the division panel.
- Remove the drain fitting and rotate it so that it faces the front of the furnace.
- Replace the securing screw.
- Disconnect the lower drain hose from the drain trap and rotate the hose so that the angled end will connect to the drain fitting in its new orientation.
- Reconnect the lower drain hose to the drain trap and drain fitting. Verify hose level to allow drainage.
- Remove the grommet plug from the front access panel and insert it into the oval opening in the side panel.
- Remove the perforated insulation from inside the front access panel around the oval opening. Be sure the area is clean and free of insulation and glue, as it will be used as a sealing surface for the drain-fitting gasket.
- Prior to setting the unit into operation, replace the access panel.
- Install the factory-supplied hose barb or spigot adapter to the drain fitting by threading it into place. Use a thread sealant suitable for PVC; do not use thread tape.
- For the hose barb fitting, affix a suitable length of flexible tubing and route to an open floor drain. Secure the end of the tubing to the drain. Do not connect directly to evaporator condensate drain line.
- For the spigot adapter, attach the provided rubber coupling and then route 3/4” PVC piping to an open floor drain. Do not connect directly to evaporator condensate drain line.
Combustion Air
This unit is a direct-vent furnace that obtains all air needed for combustion from outdoors.
WARNING
Insufficient combustion air can cause headaches, nausea, dizziness, or asphyxiation. It will also cause excess water in the heat exchanger resulting in rusting and premature heat exchanger failure. Excessive exposure to contaminated combustion air will result in safety and performance-related problems. Avoid exposure to the following substances in the combustion air supply:
- Permanent wave solutions
- Chlorinated waxes and cleaners
- Chlorine-based swimming pool chemicals
- Water softening chemicals
- De-icing salts or chemicals
- Carbon tetrachloride
- Halogen type refrigerants
- Cleaning solvents (such as perchloroethylene)
- Printing inks, paint removers, varnishes, etc.
- Hydrochloric acid
- Antistatic fabric softeners for clothes dryers
- Masonry acid washing materials
Venting
The venting system is an integral part of the appliance.
The venting system must not be modified or added on to.
The unit contains a combustion inducer. The inducer draws the combustion products out of the heat exchanger and forces them from the unit to the outside. No special provisions are required for supplying air for combustion, nor is a chimney required.
The vent outlet must not be altered or extended.
The venting system is designed for proper operation under all weather conditions and for winds up to 31 m.p.h.
Removal of Unit from Common Venting System
When an existing furnace is removed from a common venting system serving other appliances, the venting system is likely to be too large to properly vent the remaining attached appliances. The following test should be conducted with each appliance while the other appliances connected to the common venting system are not in operation.
- Seal any unused openings in the common venting system.
- Visually inspect the venting system for proper size and horizontal pitch and determine there is no blockage or restriction, leakage, corrosion, or other deficiencies which could cause an unsafe condition.
- Insofar as is practical, close all building doors and windows between the space in which the appliances remaining connected to the common venting system are located and other spaces in the building. Turn on clothes dryers and any appliance not connected to the common venting system. Turn on exhaust fans, such as range hoods and bathroom exhausts, so they will operate at maximum speed. Do not operate a summer exhaust fan. Close fireplace dampers.
- Following the lighting instructions, place the unit being inspected in operation. Adjust the thermostat so the appliance will operate continuously.
- Test for spillage at the draft control relief opening after 5 minutes of main burner operation. Use the flame of a match or candle.
- Follow the preceding steps for each appliance connected to the common venting system.
- After it has been determined that each appliance remaining connected to the common venting system properly vents when tested as outlined above, return doors, windows, exhaust fans, fireplace dampers, and any other fuel-burning appliance to their previous condition of use.
- If improper venting is observed during any of the above tests, the common venting system must be corrected. See National Fuel Gas Code, ANSI Z223.1 (latest edition) or CAN/CGA B149.1 & .2 Canadian Installation Codes to correct improper operation of common venting system.
Gas Connections
The gas line to the unit should be adequately sized to prevent undue pressure drop and should never be smaller than the manual valve used. Consult the local utility or National Fuel Gas Code for complete details on special requirements in sizing gas piping.
The units supplied for operation with natural gas contain a gas regulator which must be operated with inlet gas pressures specified on the rating plate. If gas line pressure exceeds this figure, an additional high-pressure regulator must be installed to reduce this pressure.
Units for operation with propane must be converted with a kit supplied by the manufacturer and require for operation an inlet pressure of 11” W.C. minimum and 13” W.C. maximum. A regulator is also required on the propane tank.
CAUTION
If a flexible gas connector is required or allowed by the authority that has jurisdiction, the black iron pipe shall be installed at the gas valve and extend outside the furnace cabinet. The flexible connector can then be added between the black iron pipe and the gas supply line.
IMPORTANT
Compounds used on threaded joints of gas piping must be resistant to the actions of liquified petroleum gases.
CAUTION
Never use a flame to check for gas leaks. Explosion causing injury or death may occur.
If local codes allow the use of a flexible gas connector, a newly listed connector must be used. Do not use a connector that has previously serviced another gas appliance.
A manual shutoff valve must be located outside the unit.
The use of a union located upstream of the controls is recommended; between the controls, and the manual shutoff valve. This will facilitate the removal of controls and manifold. See Figure 5 for recommended placement of the union.
Provide a drip leg in the supply piping located exterior to the unit. Piping connections must be sealed with nonhardening pipe joint compound resistant to propane.
WARNING
The furnace must be isolated from the gas supply piping system by closing the individual manual shutoff valve during any pressure testing of the gas supply piping system at test pressures equal to or less than 1/2 psig or 14” W.C. If the piping system is to be tested at pressures in excess of 1/2 PSIG, the furnace and its individual shutoff valve must be disconnected from the gas supply piping system. The gas valve supplied with this furnace is rated at 1/2 PSIG. Any higher pressure may rupture the pressure regulator diaphragm which will cause overfiring of the burners and improper burner operation. This action may produce a high concentration of carbon monoxide which can result in asphyxiation.
Leak Check
After gas piping is completed, carefully check all piping connections (factory and field installed) for gas leaks. Use a leak detecting solution or other preferred means.
NOTE: If emergency shutoff is necessary, shut off the main manual gas valve and disconnect the main power to the furnace. The installer should properly label these devices.
CAUTION
Some soaps used for leak detection are corrosive to certain metals. Carefully rinse piping thoroughly after the leak test has been completed. Do not use matches, candles, flame, or other sources of ignition to check for gas leaks.
Electrical Connections
ELECTROSTATIC DISCHARGE (ESD)
Precautions and Procedures
All wiring must be done in accordance with the National Electrical Code, ANSI/NFPA No. 70 (latest edition);
Canadian Electrical Code Part 1, CSA C22.1 (latest edition); or local codes, where they prevail. Any alteration of internal wiring will void certification and warranty.
CAUTION
Electrostatic discharge can affect electronic components.
Take precautions during furnace installation and service to protect the furnace’s electronic controls. Precautions will help to avoid control exposure to electrostatic discharge by putting the furnace, the control, and the technician at the same electrostatic potential. Neutralize electrostatic charge by touching hand and all tools on an unpainted unit surface, such as the gas valve or vestibule panel, before performing any service procedure.
The rating plate indicates the operating voltage, phase, minimum circuit ampacity, maximum fuse size, and minimum voltage. Units must never be installed where voltage exceeds 10% over the voltage indicated on the rating plate.
Units are factory wired for a 230-volt power supply. If the power supply is 208 volts, it will be necessary to change a wire connection on the unit transformer from a 240-volt terminal to a 208-volt terminal as shown on the wiring diagram.
Failure of the compressor as a result of an operation on improper voltage voids the compressor replacement warranty.
A separate electric line with a wire having a temperature rating of 60°C should be run directly from the main supply panel to the leads in the unit. Refer to the rating plate located on the unit for a proper fuse or breaker size. Make sure the unit is electrically grounded in accordance with local codes or, in the absence of local codes, with the National Electrical Code, ANSI/NFPA No. 70 (latest edition) for installations in the U.S. or the Canadian Electrical Code Part 1, CSA C22.1 (latest edition) for installations in Canada.
See rating plate for minimum wire ampacity, and size wire accordingly.
Exterior Junction Box and Switch
If local codes allow, a field-supplied junction box and optional switch may be installed on the top panel to provide an exterior electrical wiring point and disconnect. A suitable junction box cover must be used. If a switch is used it must meet or exceed the electrical specifications shown on the unit rating plate. The junction box, cover, and (if used) switch are standard items that are locally available.
Installing an Exterior Junction Box
- Remove the two screws that secure the factory-supplied cover over the rear half of the internal junction box. Keep the front cover in place. See Figure 6.
- Position a 4×4 junction box over the opening as shown in Figure 7. Make sure the junction box is pulled up against the front cover so that there is no gap. Remove a knock-out in the box to allow the unit wiring leads to extend into the bottom of the box. Pull the leads through the knock-out and into the box. Remove a knock-out for the main power supply leads.
- Secure the junction box to the top panel using screws.
- Connect the unit wiring leads to the main power supply or the switch as desired. Securely attach the cover to the junction box. When complete, the junction box should be as shown in Figure 8.
- The rear cover that was removed in Step 1 is not used and may be discarded.

Thermostat
Install the thermostat according to the directions furnished with it. The thermostat must be located on an inside wall where it will not be affected by drafts, sunlight, or any other heat-producing appliances. Connect the thermostat wires to the low voltage leads on top of the unit following the wiring diagram attached to the unit. The heat anticipator
the setting is 0.50 amp.
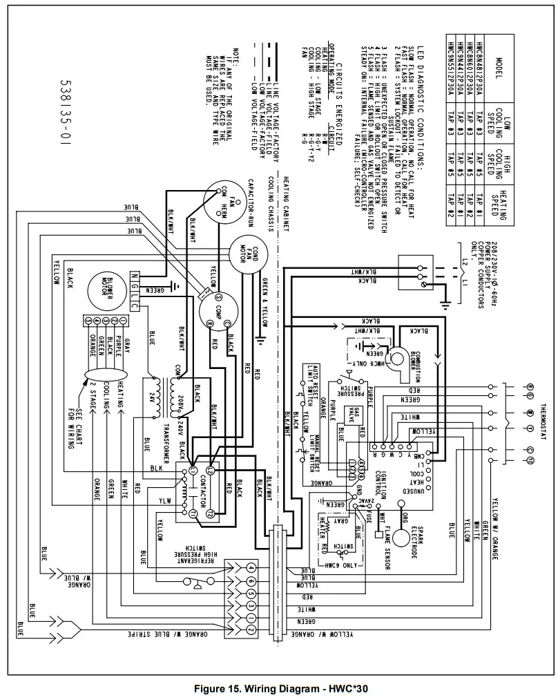
NOTE: For HWC9*30 models, a two-stage thermostat is recommended for reaching the highest efficiency and full use of a two-stage compressor.


Air Filter
All indoor return air must be filtered. A permanent-type filter is furnished with the unit, located directly behind the access panel. Removing the panel permits access to the filter. See Figure 5.
If an installation is made in which it is more desirable to mount the filter exterior to the unit, in the return ductwork or elsewhere, the permanent filter can be used or replaced with a disposable filter. If a disposable filter is used, refer to the information provided in Table 1 when sizing the disposable filter.
| Model Number | Filter Area (sq. in.) |
| HWC9*12 | 300 |
| HWC9*18 | 480 |
| HWC9*24 | 480 |
| HWC9*30 | 480 |
Table 1. Minimum Required Surface Area for Disposable Filters
Supply and Return Duct(s)
Provide duct(s) sized sufficiently to handle the larger of the air volumes for heating or cooling are provided by this model.
Connect the supply duct to the top of the unit using canvas connections or other flexible connections to prevent noise transmission into the duct system.
To connect the return duct to the system, use a straight piece of duct 22” wide by 6” deep. Insert the duct into the return opening in the bottom of the unit and flange the duct over the existing flanges around the opening inside the unit. Make sure that all sides of the duct are flanged over to permit removal of the cooling chassis if required. Use a flexible connection to attach the remainder of the return duct. The return duct should be sealed to the unit casing and must terminate outside the space containing the furnace.
Adjustments – Heating Section
Temperature Rise
At the time of installation, the temperature rise must be adjusted to be within the range specified on the unit rating plate. See Table 2. Select a lower blower speed to increase the rise. Select a higher blower speed to reduce risk.
Pressure Regulator
The gas input must not exceed the figures shown on the rating plate. The unit is equipped for rated inputs with manifold pressures of: 3.5” W.C. for natural gas and 10.0” W.C. for propane.
The manifold pressure can be measured by removing the pipe plug in the automatic gas valve. Connect a water manometer and measure the pressure. See Figure 9. Only small variations in gas input may be made by adjusting the regulator. In no case should the final manifold pressure vary more than 0.3” W.C. for natural gas or 0.7” W.C. for propane.
To adjust the regulator, turn the adjusting screw on the regulator clockwise to increase pressure and input or counterclockwise to decrease pressure and input.
| Model | Rise Range (°F) | Mid Rise (°F) | Indoor Blower Speed | Unit Voltage (V) | 0.1″ w.c. | 0.2″ w.c. | 0.3″ w.c. | 0.4″ w.c. | ||||
| SCFM | Temp Rise (°F) | SCFM | Temp Rise (°F) | SC FM | Temp Rise (°F) | SC FM | Temp Rise (°F) | |||||
| HWC9N2212P12A | 25 – 55 | 40 | TAP 1 (HEAT) ‘ | 208 or 230 | 455 | 42 | 415 | 46 | 385 | 50 | 355 | 54 |
| TAP 2 (HEAT) | 208 or 230 | 570 | 34 | 540 | 36 | 510 | 38 | 485 | 40 | |||
| TAP 3 (HEAT) | 208 or 230 | 655 | 29 | 625 | 31 | 595 | 32 | 575 | 33 | |||
| TAP 4 (COOL) t | 208 or 230 | 480 | 460 | 440 | 415 | |||||||
| TAP 5 (COOL) | 208 or 230 | 530 | 505 | 485 | 460 | |||||||
| HWC9N3312P12A | 35 – 65 | 50 | TAP 1 (HEAT) | 208 or 230 | 455 | 63 | 415 | N/A | 385 | N/A | 355 | N/A |
| TAP 2 (HEAT)” | 208 or 230 | 570 | 50 | 540 | 53 | 510 | 56 | 485 | 59 | |||
| TAP 3 (HEAT) | 208 or 230 | 655 | 44 | 625 | 46 | 595 | 48 | 575 | 50 | |||
| TAP 4 (COOL) t | 208 or 230 | 480 | 460 | 440 | 415 | |||||||
| TAP 5 (COOL) | 208 or 230 | 530 | 505 | 485 | 460 | |||||||
| HWC9N3312P18A | 30 – 60 | 45 | TAP 1 (HEAT)* | 208 or 230 | 630 | 45 | 600 | 48 | 570 | 50 | 550 | 52 |
| TAP 2 (HEAT) | 208 or 230 | 770 | 37 | 740 | 39 | 715 | 40 | 690 | 42 | |||
| TAP 3 (HEAT) | 208 or 230 | 885 | 32 | 855 | 34 | 830 | 35 | 810 | 35 | |||
| TAP 4 (COOL) t | 208 or 230 | 560 | 540 | 520 | 500 | |||||||
| TAP 5 (COOL) | 208 or 230 | 610 | 580 | 560 | 535 | |||||||
| HWC9N4412P18A | 35 – 65 | 50 | TAP 1 (HEAT) | 208 or 230 | 630 | 61 | 600 | 64 | 570 | N/A | 550 | N/A |
| TAP 2 (HEAT) ‘ | 208 or 230 | 770 | 50 | 740 | 52 | 715 | 54 | 690 | 56 | |||
| TAP 3 (HEAT) | 208 or 230 | 885 | 43 | 855 | 45 | 830 | 46 | 810 | 47 | |||
| TAP 4 (COOL) t | 208 or 230 | 560 | 540 | 520 | 500 | |||||||
| TAP 5 (COOL) | 208 or 230 | 610 | 580 | 560 | 535 | |||||||
| HWC9N5512P18A | 45 – 75 | 60 | TAP 1 (HEAT) | 208 or 230 | 630 | N/A | 600 | N/A | 570 | N/A | 550 | N/A |
| TAP 2 (HEAT) | 208 or 230 | 770 | 61 | 740 | 64 | 715 | 66 | 690 | 68 | |||
| TAP 3 (HEAT)” | 208 or 230 | 885 | 53 | 855 | 55 | 830 | 57 | 810 | 58 | |||
| TAP 4 (COOL) t | 208 or 230 | 560 | 540 | 520 | 500 | |||||||
| TAP 5 (COOL) | 208 or 230 | 610 | 580 | 560 | 535 | |||||||
| HWC9N3312P24A | 30 – 60 | 45 | TAP 1 (HEAT) “ | 208 or 230 | 645 | 44 | 615 | 47 | 590 | 49 | 565 | 51 |
| TAP 2 (HEAT) | 208 or 230 | 780 | 37 | 755 | 38 | 730 | 39 | 710 | 40 | |||
| TAP 3 (HEAT) | 208 or 230 | 900 | 32 | 875 | 33 | 855 | 34 | 835 | 34 | |||
| TAP 4 (COOL) t | 208 or 230 | 770 | 750 | 730 | 710 | |||||||
| TAP 5 (COOL) | 208 or 230 | 820 | 790 | 770 | 750 | |||||||
| HWC9N4412P24A | 25 – 55 | 40 | TAP 1 (HEAT) | 208 or 230 | 645 | 59 | 615 | 62 | 590 | 65 | 565 | N/A |
| TAP 2 (HEAT)* | 208 or 230 | 780 | 49 | 755 | 51 | 730 | 52 | 710 | 54 | |||
| TAP 3 (HEAT) | 208 or 230 | 900 | 43 | 875 | 44 | 855 | 45 | 835 | 46 | |||
| TAP 4 (COOL) t | 208 or 230 | 770 | 750 | 730 | 710 | |||||||
| TAP 5 (COOL) | 208 or 230 | 820 | 790 | 770 | 750 | |||||||
| HWC9N5512P24A | 35 – 65 | 50 | TAP 1 (HEAT) | 208 or 230 | 645 | 73 | 615 | N/A | 590 | N/A | 565 | N/A |
| TAP 2 (HEAT) | 208 or 230 | 780 | 61 | 755 | 63 | 730 | 65 | 710 | 67 | |||
| TAP 3 (HEAT)” | 208 or 230 | 900 | 53 | 875 | 54 | 855 | 55 | 835 | 57 | |||
| TAP 4 (COOL) t | 208 or 230 | 770 | 750 | 730 | 710 | |||||||
| TAP 5 (COOL) | 208 or 230 | 820 | 790 | 770 | 750 | |||||||
| NVA Do not ()mate und in healing male using this Newer speed at Su’s external state pressure 0J1sude of the proper tempera re me range. NOTE: HWC–30A melds shipped wal Lead and high stage Coding taps cconecW1 for use of Pa tv. o-stage system 4 As shipped speed for Healing operate’ –I As shipped speed for Cooling operation | ||||||||||||
Table 2. Supply Airflow Performance (SCFM) as a Function of External Static Pressure
| Model | Rise Range (7) | Mid Rise (°F) | indoor Blower Speed | Unit Voltage (V) | 0.1″ w.c. | 0.2″ w.c. | 0.3″ w.c. | 0.4″ w.c. | ||||
| SCFM | Temp Rise (*F) | SCFM | Temp Rise (7) | SCFM | Temp Rise (°F) | SCFM | Temp Rise (7) | |||||
| HWC9N4412P30A | 35-65 | 50 | TAP 1 (HEAT) * | 208 or 230 | 780 | 49 | 755 | 51 | 730 | 52 | 710 | 54 |
| TAP 2 (HEAT) | 208 or 230 | 900 | 43 | 875 | 44 | 855 | 45 | 835 | 46 | |||
| TAP 3 (COOL) t | 208 or 230 | 530 | 510 | 490 | 465 | |||||||
| TAP 4 (COOL) | 208 or 230 | 570 | 545 | 530 | 505 | |||||||
| TAP 5 (COOL) t | 208 or 230 | 950 | 920 | 900 | 885 | |||||||
| HWC9N5512P30A | 45-75 | 60 | TAP 1 (HEAT) | 208 or 230 | 780 | 61 | 755 | 63 | 730 | 65 | 710 | 67 |
| TAP 2 (HEAT) • | 208 or 230 | 900 | 53 | 875 | 54 | 855 | 55 | 835 | 57 | |||
| TAP 3 (COOL) t | 208 or 230 | 530 | 510 | 490 | 465 | |||||||
| TAP 4 (COOL) | 208 or 230 | 570 | 545 | 530 | 505 | |||||||
| TAP 5 (COOL) t | 208 or 230 | 950 | 920 | 900 | 885 | |||||||
| N/A: Do not operate the unit in heat ng mode using this blower speed at this external static pressure outside of the proper temperature rise range. NOTE: HWC**30A models shipped with Low and High stage Cooling taps connected for use of the two-stage system. • As shipped speed for Heating operation f As shipped speed for Cooling operation | ||||||||||||
Table 2. Supply Airflow Performance (SCFM) as a Function of External Static Pressure
For natural gas installations, check the burner rate by observing the gas meter (making sure that all other gas appliances are turned off). The test hand on the meter should be timed for at least one revolution. Note the number of seconds for one revolution.
| BTU/HR Input = | Cubic Feet per Revolution | x 3600 x Heating Value |
| # Seconds per Revolution |
Adjustments – Cooling Section (HWC models)
No adjustments are required or should be attempted regarding any of the components of the cooling chassis. The chassis should be checked to see that none of the wirings is loose or missing.
The Cooling chassis is charged with R410A refrigerant.
Blower
The unit contains a direct-drive, multispeed blower. The proper speeds have been preset at the factory for heating and cooling. Refer to the wiring diagram or Table 2 for recommended heating/cooling speeds for specific models. Direct-drive blower motors are permanently lubricated and do not require oiling.
Limit Control
A fixed temperature limit control is provided which will shut off the gas to the main burners if the unit is overheated for any reason. The control must not be adjusted or relocated.
High Altitude Adjustments (U.S. Installations)
Ratings shown on the rating plate are for elevations up to 2000 feet. For elevations above 2000 feet, ratings should be reduced at a rate of 4% for each 1000’ above sea level.
Refer to the National Fuel Gas Code Z223.1 (latest edition) for further explanation.
High Altitude Adjustments (Canadian Installations)
High altitude conversions may be made by the manufacturer’s authorized representative, in accordance with the requirement of the manufacturer, provincial, or territorial authorities having jurisdiction, and in accordance with the requirements of CAN/CGA B149.1 or B149.2 Installation Code. A high altitude conversion kit, available from the manufacturer and approved for this purpose, must be used.
Installation and Operation in Extremely Cold Weather Areas
In areas where extremely cold (below – 20°F) outdoor temperatures can be expected, some additional installation and operating precautions should be taken. The following precautions are taken to prevent possible vent system ice blockage that could result in safety shutdown of the burners:
- Adjust to the highest achievable temperature rise within the rise and static pressure ranges specified on the rating plate. Depending on a specific model, it may be possible to change to a lower heating blower speed tap to get a higher temperature rise. This also increases comfort.
- Make sure there are no leaks of outside air into the return air system.
- Keep the outside louver grille as free as possible of any ice that may form and obstruct the flue outlet.
Start-Up
For Your Safety Read Before Lighting
WARNING
If you do not follow these instructions exactly, a fire or explosion may result causing property damage, personal injury, or loss of life.
CAUTION
This furnace is equipped with direct ignition control. Do not attempt to manually light the burners.
Priming Condensate Trap
The condensate trap must be primed with water prior to start-up to ensure proper condensate drainage. See Figure 3 or Figure 4 to identify the upper drain hose. Follow these
steps to prime the trap:
- Disconnect the upper drain hose at the collector box.
- Rotate the hose from beneath the control board.
- Flex the hose so that water can be poured into it. Pour 5 fl. oz. (100 ml) of water into the trap.
- Reconnect the upper drain hose.
- Follow the lighting instructions to place the unit into operation.
- Set the thermostat to initiate a heating demand.
To Light Main Burners
- Turn off electrical power to the unit.
- Turn the thermostat to the lowest setting.
- Move the gas valve ON/OFF switch to the “ON” position (see Figure 9).
- Turn on electrical power to the unit.
- Set the room thermostat to the desired temperature.
If the thermostat “set” temperature is above room temperature after the pre-purge time expires, main burners will light.
To Shut Down Main Burners
- Turn off electrical power to the unit.
- Move the ON/OFF switch to the “OFF” position (see Figure 9).

Operation
The operation of the unit is automatic and will provide heating and cooling depending on the setting of the thermostat.
Heating
- Turn on the main power supply.
- Open manual gas shutoff valve.
- Set thermostat system to “HEAT”.
- Set the thermostat to the temperature desired.
Cooling
- Turn on the main power supply.
- Set thermostat system switch to “COOL”.
- Set the thermostat to the temperature desired.
Heating Sequence of Operation
- The thermostat calls for heat.
- Combustion blower starts and proper airflow is proven by the pressure switch closing.
- The blower continues to operate for 30 seconds prior to the burner’s lighting.
- Ignition control begins to spark and opens the gas valve. The burners are lit. Ignition is proved through the flame sensor.
- The circulating air blower starts 30 seconds after the burner’s light.
- When the thermostat is satisfied, the burners and combustion blower shut off.
- The circulating air blower will shut off 120 seconds later.
If the burners should fail to ignite, the ignition control will try to ignite the burners a total of three times. Should the burners fail to ignite within the three trials for ignition, the ignition control will lockout for 1 hour before beginning another ignition cycle. To reset the control, turn the thermostat down or off for 10 seconds and then set it to the desired setting. At this time, the ignition sequence will try again.
Blower Control
The blower will start approximately 30 seconds after the burners ignite and will stop approximately 120 seconds after the thermostat is satisfied. The time delay is preset at the factory and timing can not be adjusted.
Cooling Sequence of Operation
When the thermostat system switch is set for “COOL”, the blower will start 5 seconds after the thermostat calls for cooling and will stop 90 seconds after the thermostat is
satisfied.
Continuous Fan Operation
Continuous operation of the air handling blower will be obtained if the thermostat fan switch is set to “ON”. With the thermostat fan switch set to “AUTO”, the air handling blower will cycle corresponding with the thermostat cycling.
To Shut Down Unit
For temporary or short periods of shutdown, set the thermostat system switch to “OFF”. For a prolonged period of shutdown, set the thermostat system switch to “OFF” and turn off the electrical power supply and the gas supply to the unit.
Maintenance
WARNING
ELECTRICAL SHOCK, FIRE, OR EXPLOSION HAZARD
Failure to follow safety warnings exactly could result in dangerous operation, Serious injury, death, or property damage.
Improper servicing could result in dangerous operations, Serious injury, death, or property damage
- Before servicing, disconnect all electrical power to the furnace
- When servicing controls, label all wires prior to disconnecting reconnect wires correctly.
- Any disassembly of components containing flue or vent gases shall be done by a qualified service agency.
- Verify proper operation after servicing.
The HWC9 models are newly designed with improved performance and added features over previous models. Refer to Figure 10 for the heating cabinet component layout. It is recommended that the furnace be inspected annually by a qualified service person.
Burner & Manifold Assembly
To remove the burner & manifold assembly:
- Disconnect electrical service and turn off gas to the appliance.
- Loosen the pipe union external to the unit and remove the gas line to the gas valve.
- Disconnect the orange high voltage spark wire at the ignition control board.
- Disconnect the white flame sensor wire at the flame sensor on the underside of the burner assembly.
- Disconnect the orange and yellow wires at the rollout switch.
- Disconnect the red and blue wires at the gas valve.
- Refer to Figure 11. Remove the two screws on the burner assembly that secure it to the mounting brackets. The mounting brackets contain pins to locate the assembly and hold it in place after the screws are removed. The mounting brackets are hidden until the burner assembly is removed.
- First, carefully pull the burner assembly toward you until it is clear of the locating pins in the mounting brackets.
- Then move the assembly away from the vest panel.
- Finally, pull the assembly from the unit.
- Once the burner assembly is removed, the burners can be cleaned using a bottle brush.
- For reassembly, follow the above steps in reverse order. Use caution to ensure the rear of the manifold assembly is properly engaged in the rear mounting bracket.


Control Board Mounting Bracket
The control board mounting bracket can be removed to allow component access for some service procedures. The ignition control board and the inducer prover switch are mounted to the bracket.
- Disconnect electrical service and turn off gas to the appliance.
- The bracket is secured with 2 screws visible at the bottom of the bracket, below the ignition board. Remove the screws. Additionally, a slot in the upper left-hand edge of the control board bracket engages a tab on a vest panel bracket.
- With the wires and connectors in place, move the board and bracket to the right to disengage the tab from the slot to create access.
- It may be necessary to remove the inducer prover switch tubing at the switch.
- For reassembly, follow the above steps in reverse order.
Igniter
The igniter can be accessed from the front of the unit without removing any other components. To remove the igniter:
- Disconnect electrical service and turn off gas to the appliance.
- Disconnect the orange high voltage spark wire at the ignition control board.
- Remove the screw and pull the igniter out of the burner assembly.
- For reassembly, follow the above steps in reverse order.
Rollout Switch
If for any reason the heat exchanger becomes blocked the temperature-sensitive rollout switch located beside the burners will open and the ignition control will turn off the burners. After investigating and correcting the problem, the rollout switch must be manually reset by pressing the button on top of it.
The rollout switch can be accessed from the front of the unit without removing any other components. To remove the rollout switch:
- Disconnect electrical service and turn off gas to the appliance.
- Disconnect the orange and yellow wires at the rollout switch.
- Remove the screw and slip the rollout switch from beneath the lanced tab on the burner assembly.
- For reassembly, follow the above steps in reverse order.
Flame Sensor
- Remove the control board mounting bracket as described previously.
- Remove the screw and pull the flame sensor from the bottom of the burner assembly.
- For reassembly, follow the above steps in reverse order.
Primary Limit Switch
The primary limit will shut down the unit in case of overheating and automatically reset when the temperature falls to an acceptable level. It is not fielded adjustable
- Remove the control board mounting bracket as described previously.
- Disconnect the orange and yellow wires at the primary limit switch.
- Remove the three screws securing the primary limit switch to the vest panel.
- For reassembly, follow the above steps in reverse order.
Inducer Prover Switch
- Remove the control board mounting bracket as described previously.
- Disconnect the two purple leads at the inducer prover switch.
- If the tubing is in place, remove it.
- Remove the screw securing the switch to the bracket and slip the strap end out of the hole in the bracket.
- For reassembly, follow the above steps in reverse order.
Burner Orifices
Orifices are threaded into the gas manifold. To remove them:
- Remove the burner & manifold assembly as described previously.
- Remove the four screws securing the gas manifold to the burner assembly.
- Remove the orifices by unscrewing them. Do not use any pipe thread sealant during reassembly.
- For reassembly, follow the above steps in reverse order.
Combustion Inducer
The combustion inducer can be removed for inspection, replacement, or to access the heat exchanger and flue tube extension for cleaning. To remove the combustion inducer:
- Remove the control board mounting bracket as described previously.
- Disconnect the inducer motor leads.
- Disconnect the inducer prover switch tubing at the switch.
- Disconnect the drain hose tubing at the collector box.
- Loosen the hose clamp at the inducer elbow-flue tube joint (the upper hose clamp).
- Remove the three screws securing the inducer to the cold-end header box. Loosen clip at upper mount.
- Pull the combustion inducer and elbow away from the vest panel to move it free of the mounting legs on the cold-end header box, while pulling the inducer elbow free of the flue tube extension.
- Pull the inducer and elbow out of the compartment.
- The flue tube extension can be cleaned if necessary. Leave it in place; do not remove it from the unit.
- If replacing the inducer with a new part, transfer the inducer orifice from the old inducer. Attach inducer orifice as shown in Figure 12.
- For reassembly, follow the above steps in reverse order.
Combustion Inducer Orifice
The combustion inducer orifice meters the airflow needed for proper combustion. Orifices are unique to each heating input, and the correct one must always be used. The orifices are color-coded as an aid. Refer to Table 3:
| Model | Orifice Color |
| HWC9N22 | Blue |
| HWC9N33 | Black |
| HWC9N44 | Gray |
| HWC9N55 | Brown |
Table 3.
Refer to Figure 12 to remove the combustion inducer orifice:
- The combustion orifice is held in place with snap-fits at the inducer inlet and at the indicator tab at the inducer mounting foot.
- With the combustion inducer out of the unit, carefully pry the round portion of the orifice from the inducer inlet.
- Remove the indicator tab from the inducer mounting foot.
- For reassembly, follow the above steps in reverse order.

Furnace Condensate Drain
The condensate drain ensures proper evacuation of furnace condensate from the collector box and flue out of the cabinet. If hoses are disconnected or if the drain is removed and replaced, the drain must be primed as described in the procedure outlined in the “Start-up” section. To remove the condensate drain:
- Disconnect the upper and lower drain hoses at the condensate drain.
- Remove the two screws that secure the drain to the vest panel.
- For reassembly, follow the above steps in reverse order.
- Prime the condensate drain as described in the procedure outlined in the “Start-up” section.
Condensate Heater Thermostat
- Disconnect the two lead wires at the thermostat.
- Remove the three screws that secure it to the panel and pull the thermostat free.
- For reassembly, follow the above steps in reverse order.
Condensate Heater
- Remove the control board mounting bracket as described previously.
- Remove the furnace condensate drain and upper and lower hoses as described previously.
- Disconnect the two lead wires at the “24VAC” and “GND” terminals on the ignition control board.
- Remove the drain fitting by disconnecting the drain line and:
a. When the side-exit drain is used, slide the fitting to the left to disengage it from the division panel, then lift it out.
b. When the front-exit drain is used, slide the fitting away from you to disengage it from the division panel, then lift it out. - Remove the screw securing the heater panel to the vest panel.
- Remove the 2 side panel screws on either side of the drain fitting and “flex” the panel outward as you pull the heater panel toward you, out of the compartment.
- For reassembly, follow the above steps in reverse order.
Heat Exchanger Inspection
The heat exchanger should be inspected periodically and cleaned if necessary. The assembly can be inspected in place, but cleaning requires accessing both ends of the primary and secondary tubes, which can only be accomplished by removing the heat exchanger assembly from the furnace cabinet. To access the primary heat exchanger tubes for inspection:
- Remove the burner & manifold assembly as described previously.
- Remove the control board mounting bracket as described previously.
- Check the tubes for evidence of soot. If the tubes are clean, reassembly is the reverse of the above procedure. If there is noticeable soot, continue with the heat exchanger removal procedure to remove and clean the heat exchanger.
Heat Exchanger Removal and Cleaning
- Remove the heat exchanger access panel
- Remove the combustion inducer as described previously.
- Disconnect the two orange leads from the primary limit switch at the vest panel.
- Disconnect the upper and lower drain hoses from the condensate drain.
- Remove the four screws at the rear vest panel flange.
- Remove the three screws at the bottom vest panel flange.
- Remove the three screws on the top panel of the unit that secures the vest panel.
- Disconnect the supply air duct if it cannot be lifted slightly to allow the top panel to be tilted upward.
- Remove the two screws closest to the front of the unit on each side of the top panel so it can be tilted upward.
- Tilt the front edge of the top panel upward and remove the heat exchanger assembly from the cabinet. Take care to avoid damaging insulation or other components.
- With the heat exchanger assembly out of the cabinet, remove the twelve screws securing the hot end header box to the coil rear end sheet.
- Remove the turbulators from the secondary coil tubes.
- Backwash the heat exchanger with soapy water solution or steam. If steam is used its temperature must be below 275°F (135°C).
- Thoroughly rinse and drain the heat exchanger. Soap solutions can be corrosive. Take care to rinse the entire assembly.
- For reassembly, follow the above steps in reverse order.
Cooling Chassis
The refrigeration system contained in the cooling chassis normally requires no maintenance since it is a closed, self-contained system. The system is charged with R410A refrigerant. Periodic maintenance is limited to:
- Cleaning the air filter. Follow directions noted on the filter and label attached to the access panel.
- Cleaning the condenser coil if covered with any foreign material, lint, leaves, or other obstructions.
If servicing or major repairs are required, the complete chassis can be removed from the unit. To remove the chassis:
- Shut off the main power supply.
- Remove the filter access panel and a panel covering cooling controls.
- Remove drain hose from the drain pan.
- Disconnect the plug-in electrical connections. Do not separate the connector by pulling on this wire; instead, grasp the connector handle.
- Disconnect two power leads at the contactor (leads come from grommet in-unit partition).
- Remove screws from the panel directly in front of the blower and remove the panel. Also, remove additional screws located near the top edge of the control panel.
- Drape power wires and wire harnesses out of the cabinet and tape to the upper panel.
- Slide out the chassis, being careful not to damage any seals or parts. Particular care should be taken to ensure the wiring is not damaged during the removal/reinstallation
process.
NOTE: Tubing is not to be used as a handle.
To reinstall the chassis, reverse the procedure outlined above. Be sure that the chassis is inserted as far back as it will go before replacing the screws. Side flanges on the chassis must be engaged with sealing strips on the unit sides to prevent water and air leakage. Reconnect the wire harness, reconnect the power leads, and replace both access panels before turning on the main electrical power.
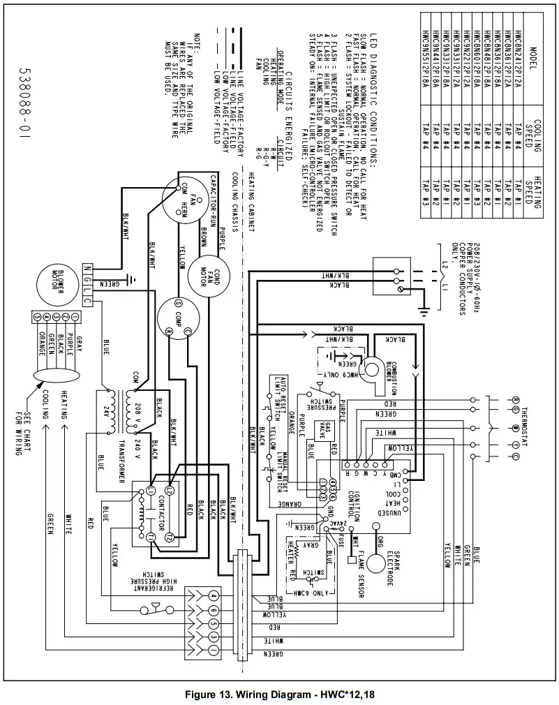
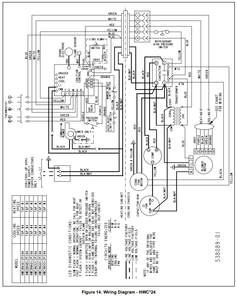
Wiring Diagrams




















