CODELOCKS CL210 Mortice Deadbolt with Key Override

Tools required for installation
- Power dri 11
- Ori 11 bits
10mm ( 3/8″)
15mm (9/16″)
25mm (1 “) - Bradawl
- Phillips screwdriver size 2
- Chisel –
maximum 25mm (1 “) - Hammer/Mallet
- Tape measure
- Stanley knife
- Adhesive tape
- Pencil


Special Notes
You are advised to familiarize yourself with the instructions before starting work.
- Before commencing installation check that all parts are working correctly – Press the code according to the code card and then the knob should turn and return easily under spring pressure. If you have a key override lock try the keys to ensure that they turn in the knob handle.
- If you intend to change the code, you should do it, if it is convenient, before installing the lock – see the code change instructions in the separate leaflet.
- Check that the deadbolt moves freely by turning the flat spindle in the cam.
- From outside, the code is required both to lock and to unlock the bolt. If you would like to be able to LOCK your door from outside WITHOUT using the code then follow instruction 1.
OUTSIDE KNOB LOCKING ACTION

To enable LOCKING of the bolt from outside WITHOUT using the code:
- Press the C button to reset the chamber and place the front plate on a flat surface with the buttons down.
- Remove the code chamber plate held in place with the two red screws.
- With the tweezers remove the right hand pin for right handed doors, or the left hand pin for left handed doors.
- Replace the cover plate.
- The outside knob will now feel loose and turn freely in one direction, and will require the code to be used before it will turn in the other direction.
APPLY THE TEMPLATE

- Crease the template along the door edge line and tape it to the door.
- Mark the 2 x 10mm (3⁄8”) holes, and the 4 x 15mm (9⁄16”) holes. Mark the center of the door edge on the center line of deadbolt.
- Apply the template to the other side of the door, aligning it with the first mark in the middle of the door edge, and mark the 2 x 10mm (3⁄8”) holes and the 4 x 15mm (9⁄16”) holes again.
- Keeping the drill level and square to the door, drill the holes from both sides to avoid splintering out the door face.
- Use a chisel to clear the 4 x 15mm (9⁄16”) holes into a single square hole.
Positioning and fixing the deadbolt
Drill a 25mm (1”) hole, 90mm (3 9⁄16”) deep, on the mark on the centre of the door edge. Be careful to keep the drill level and square to the door.
- Put the deadbolt into the hole and draw around the faceplate.
- Remove the deadbolt. Score the outline with a Stanley knife prior to chiseling a 3mm (1⁄8”) deep rebate to accept the faceplate flush to the door.
- Fix the deadbolt with the wood screws.
DEADBOLT SUPPORT POST

- Fit the deadbolt support post in hole A for a right hand hung door, or B for a left hand hung door. Your door is right handed if, viewed from outside, the hinges are on the right.
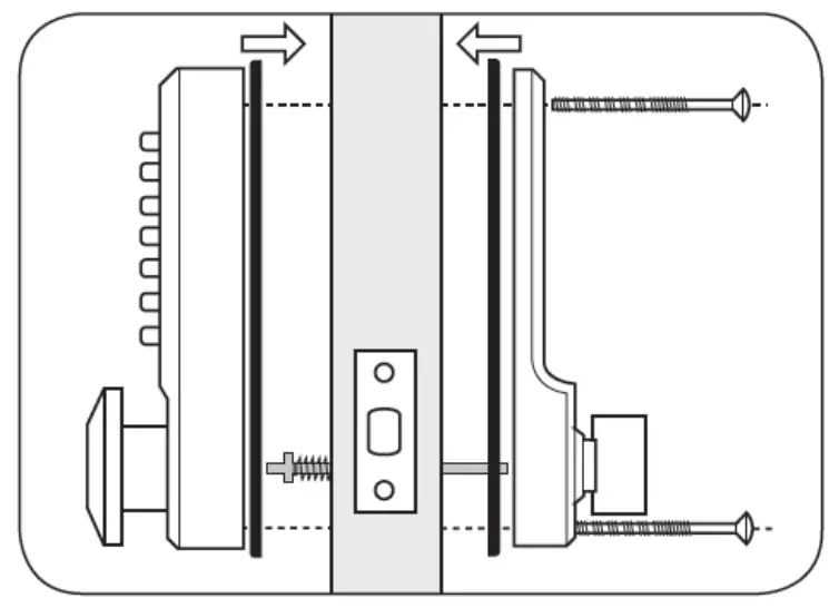
FIXING THE LOCK

- The spring loaded spindle will fit doors between 55mm (2 3⁄16”) and 70mm (2 3⁄4”) thick. For doors less than 55mm (2 3⁄16”) remove the 15mm (9⁄16”) break-off end of the spindle. The spindle will then fit doors between 40mm (1 9⁄16”) and 55mm (2 3⁄16”). The spring keeps the spindle firmly engaged and prevents it moving out of engagement with either of the plates.
- Insert the spindle, with the spring to the outside, through the slot in the deadbolt.
- Cut the fixing bolts to suit the door thickness, length of bolts measured beneath the bolt head should be door thickness plus 15mm (5⁄8”). Use the pliers cutting jaws to crimp strongly several times around the bolt. The surplus end should now break off easily.
- Hold the front plate and the back plate, with the seals, onto the door with the spindle in position.
- Using the fixing bolts screw everything together, first through the top, and then through the bottom hole of the back plate. Before final tightening make sure that the lock is vertical, and test the mechanism to ensure that it is all moving easily.
DO NOT CLOSE THE DOOR UNTIL YOU ARE SURE THAT THE CODE WORKS.
DO NOT over-tighten the fixing bolts as this may cause distortion and lead to poor operation.
FIXING THE KEEPER PLATE

- Position the keeper plate on the frame so that it lines up with the deadbolt.
- Mark the inner and outer edges of the keeper plate and cut a rebate so that it fits flush with the surface of the door frame.
- Drill or cut a recess 25mm (1″) deep for the deadbolt.
- Fit the keeper plate using only one wood screw at first to ensure that it is positioned accurately. The deadbolt should enter the aperture easily. When satisfied secure the keeper with the second screw.
II-CL210MD-v1:0218
© 2019 Code locks Ltd. All rights reserved.



















