DIO-32.104
User Manual | 3730

![]()
Introduction
The DIO-32.104 is a PC/104 form factor adapter that provides 16 reed relays that can switch power, data, or other electronic signals for control applications and 16 optically isolated inputs to allow monitoring of off board switch closures, relays or for any other general purpose monitoring needs. The inputs (rated for 3-13V) protect the PC and other sensitive equipment from spikes and ground loop current that can be generated in industrial environments, while the outputs provide high quality, long life, low current (10 Watt maximum), dry contact switch closures. Reed relays are well suited for low current applications. The relays are normally open, and close when energized.
The DIO-32.104 is designed to be used with a variety of Operating Systems including Windows, Linux, and DOS. The SeaI/O API (Application Programmer Interface) included in the software available for the DIO32.104 provides a variety of useful high-level function calls implemented as a Windows dynamic link library (DLL) and as a Linux kernel module and library. In addition to the API, SeaI/O includes sample code and utilities to simplify software development.
Other Sealevel PCI Digital I/O Products
| Model No. | Part No | Description |
| PIO-48.PC104 | (P/N 3701) | – 48 Channel TTL |
| DIO-104.REL | (P/N 3710) | – 16 Reed Relay Outputs |
| DIO-104.OPTO | (P/N 3720) | – 16 Optically Isolated Inputs |
Before You Get Started
What’s Included
The DIO-32.104 is shipped with the following items. If any of these items are missing or damaged, please contact Sealevel for replacement.
- DIO-32.104 Adapter
Advisory Conventions
Warning
The highest level of importance used to stress a condition where damage could result to the product, or the user could suffer serious injury.
Important
The middle level of importance used to highlight information that might not seem obvious or a situation that could cause the product to fail.
Note
The lowest level of importance used to provide background information, additional tips, or other non-critical facts that will not affect the use of the product.
Optional Items
Depending upon your application, you are likely to find one or more of the following items useful for interfacing the DIO-32.104 to real-world signals. All items can be purchased from our website (www.sealevel.com) or by calling 864-843-4343.
40-Pin IDC to DB-37 Male 6″ Ribbon Cable (Part Number CA110)
For compatibility with other Sealevel digital I/O devices, the CA110 connects to the 40-pin header connector on the DIO-32.104 and provides a DB-37 Male connector. The CA110 is typically used for the relay output side of the DIO-32.104.
40-Pin IDC to DB-37 Female 8″ Ribbon Cable (Part Number CA211)
The CA211 connects to the 40-pin header connector on the DIO-32.104 and provides a DB37 Female connector. The CA211 is typically used for the isolated input side of the DIO32.104.
DB-37 Male to DB-37 Female 6′ Cable – (Part Number CA112)
This cable extends the DB-37 connector on the 6″ ribbon cable, part number CA110, to six feet and is pinned one-to-one.
DB-37 Male/Female Terminal Block (Part Number TB02-KT)
Break out serial and digital connectors to 37 screw terminals for easy field connection. The TB02 terminal block is designed with both DB-37 male and female connectors, therefore; it can be used with any DB-37 board regardless of the board’s port gender.
Cable and Terminal Block Kit (Part Number KT101)
For convenient and easier ordering, the KT101 includes the TB02-KT terminal block and CA112 cable in a single kit.
Card Setup
Address Selection
The DIO-32.104 contains several jumper straps for each port that must be set for proper operation.
The DIO-32.104 occupies 4 consecutive I/O locations. The DIP-switch (S1) is used to set the base address for these locations. Be careful when selecting the base address as some selections conflict with existing PC ports. The following table shows several examples that usually do not cause a conflict. To maintain compatibility with other Sealevel Systems I/O adapters, the actual port addresses are found at BaseAddress+2 (Relays K1-K8) and BaseAddress+3 (Relays K9-K16).
Address | Binary | Switch Settings | |||||||
A9 | A8 | A7 | A6 | A5 | A4 | A3 | A2 | ||
| 1 | 2 | 3 | 4 | 5 | 6 | 7 | 8 | ||
100-103 | 01 0000 00xx | On | Off | On | On | On | On | On | On |
| 104-107 | 01 0000 01xx | On | Off | On | On | On | On | On | Off |
200-204 | 10 0000 00xx | Off | On | On | On | On | On | On | On |
| 280-283 | 10 1000 00xx | Off | On | Off | On | On | On | On | On |
284-287 | 10 1000 01xx | Off | On | Off | On | On | On | On | Off |
| 2EC-2EF | 10 1110 11xx | Off | On | Off | Off | Off | On | Off | Off |
300-303 | 11 0000 00xx | Off | Off | On | On | On | On | On | On |
| 320-323 | 11 0010 00xx | Off | Off | On | On | Off | On | On | On |
388-38B | 11 1000 10xx | Off | Off | Off | On | On | On | Off | On |
| 3A0-3A3 | 11 1010 00xx | Off | Off | Off | On | Off | On | On | On |
3A4-3A7 | 11 1010 01xx | Off | Off | Off | On | Off | On | On | Off |
The following illustration shows the correlation between the DIP-switch setting and the address bits used to determine the base address. In the example below, address 300 is selected as the base address. Address 300 in binary is XX 11 0000 00XX where X = a non-selectable address bit.

Setting the switch ‘On’ or ‘Closed’ corresponds to a ‘0’ in the address, while leaving it ‘Off’ or ‘Open’ corresponds to a ‘1’.
Software Installation
Windows Installation
Do not install the Adapter in the machine until the software has been fully installed.
Only users running Windows 7 or newer should utilize these instructions for accessing and installing the appropriate driver via Sealevel’s website. If you are utilizing an operating system prior to Windows 7, please contact Sealevel by calling 864.843.4343 or emailing [email protected] to receive access to the legacy driver download and installation instructions.
- Begin by locating, selecting, and installing the correct software from the Sealevel software driver database.
- Select the Part Number (#3730) for your adapter from the listing.
- Select ‘Download Now’ for the SeaIO Classic for Windows. The setup file will automatically detect the operating environment and install the proper components. Next (depending on your browser) select the ‘Run this program from its current location’ or ‘Open’ option. Follow the information presented on the screens that follow. During setup, the user may specify installation directories and other preferred configurations. This program also adds entries to the system registry that are necessary for specifying the operating parameters for each driver. An uninstall option is also available to remove SeaIO files and registry/INI file entries from the system.
- If installing in NT, skip to step 13. ‘Windows NT Card Installation.’
- Go to the “Add New Hardware Wizard” in the Control Panel.
- When the Wizard asks if you want Windows to search for the new hardware, choose “No, I want to select the hardware from a list.”
- Scroll through the list of categorized hardware and select ‘SeaIO Devices.’ If this is the first SeaIO device you may need to select ‘Other Devices’ and `Sealevel Systems, Inc.’ instead of ‘SeaIO Devices.’
- Click “Next.”
- Select the card model and press “Next.”
- The Wizard will guide you through a few more informational prompts; continue to click “Next” until it is completed.
- Your card’s resource assignments may be adjusted through the Device Manager (if, for instance, you need to change the I/O port address Windows assigned when you installed the card).
- Windows software installation is complete
- Windows NT Card Installation: After accomplishing steps 1 - 3, bring up the Control Panel and double-click on the SeaIO Devices icon. To install a new card, click “Add Port.” Repeat this procedure for as many SeaIO cards as you wish to install.
Linux Installation
You MUST have “root” privileges to install the software and drivers.
The syntax is case sensitive.
Users can obtain a README file included in the SeaIO Linux package which contains important installation and configuration instructions that makes the Linux installation more user friendly.
- Begin by locating, selecting, and installing the correct software from the Sealevel software driver database.
- Select the Part Number (P/N: 3730) for your adapter from the listing.
- Select ‘Download Now‘ for the version of SeaIO Classic for Linux.
- Copy seaio.tar.gz to your home directory by typing:
cp seaio.tar.gz ~ - Change to your home directory by typing:
cd - Unzip and Untar the drivers and software by typing:
tar -xvzf seaio.tar.gz - Change to the SeaIO directory by typing:
cd seaio - User must download and compile a Linux kernel source.
- Now compile and prepare the drivers for use by typing:
make install - Using your favorite text editor, edit the /etc/seaio.conf
- Within the quote marks, insert
cardtype=0xYourSeaIOcardType io=0xCardBaseAddress
Linux Installation, Continued
YourSeaIOcardType = Model Number of your SeaIO Card.
CardBaseAddress = What base address you have your SeaIO card addressed at.
12. Save the file and exit your editor.
13. With the system off and unplugged, install your SeaIO PCI card (See Physical Installation).
14. Plug system back in and boot Linux. Login as “root“.
15. Load the SeaIO driver by typing:
seaioload
16. The driver has enabled the card and is ready to use.
To set up Linux to automatically load the driver; refer to a Linux manual concerning your specific distribution for help.
For additional software support, please call Sealevel Systems’ Technical Support, (864) 843-4343. Our technical support is free and available from 8:00 AM – 5:00 PM Eastern Time, Monday through Friday. For email support contact: [email protected].
Physical Installation
Extreme care should be taken when installing the DIO-32.104 to avoid causing damage to the connectors. After the adapter is installed, connect your I/O cables to the P1 (relays) and P2 (inputs) header connectors. Please note these headers are keyed so that pin 1 of the cable matches pin 1 of the connector. Refer to Card Setup for information on setting the address before inserting the DIO-32.104 onto the stack.
Do not install the Adapter in the machine until the software has been fully installed.
- Turn off power. Disconnect the power cord.
- Remove the case cover (if applicable).
- Gently insert the DIO-32.104 connector noting proper key orientation of the expansion connector on a PC/104 compatible card. The DIO-32.104 adapter is keyed per the current PC/104 Specification. This will aid in preventing the adapter from being inserted incorrectly.
- Mounting hardware (nylon stand-offs and screws) is provided to ensure a good mechanical connection. Retain any mounting hardware not used to allow for future expansion.
- The cables provided are keyed and can be installed before or after the adapter is inserted in the stack.
- Replace the cover.
- Connect the power cord and power up the machine.
The DIO-32.104 is now ready for use.
3rd Party Software
For the most up to date information on third party software support, please visit: https://www.sealevel.com/support/3rd-party-software-support/.
Programming the DIO-32.104
Sealevel’s SeaI/O software is available to assist in the development of reliable applications for the Sealevel Systems family of digital I/O adapters. Included in the SeaI/O software are driver functions for use in accessing the I/O as well as helpful samples and utilities.
Programming for Windows
The SeaI/O API (Application Programmer Interface) provides a variety of useful high-level function calls implemented in a Windows dynamic link library (DLL). The API is defined in the help file (Start/Programs/SeaIO/SeaIO Help) under “Application Programmers Interface.” This help file also includes detailed information dealing with installation / removal of the software and information about latency, logic states, and device configuration.
For C language programmers we recommend using the API to access the DIO-32.104. If you are programming in Visual Basic, using the ActiveX control included with SeaI/O is advised.
Samples and Utilities
A variety of sample programs and utilities (both executable and source code) are included in the SeaI/O software. Further documentation on these samples can be found by selecting “Start/Programs/SeaIO/Sample Application Description.” Information about where the files are included in the software.
Programming for Linux
SeaI/O for Linux consists of two major parts: a kernel module and a library. The kernel module is a simple IO pass-through device, allowing the library to handle the more sophisticated functions provided to SeaI/O users. It is provided in a `tarball’ format and can easily be compiled and included in the kernel build.
Digital I/O Interface
The DIO-32.104 provides four parallel input/output (I/O) ports. The ports are organized as ports A, B, C, and D. Ports A and B are input ports interfaced to optically-isolated inputs, while ports C and D are reed relay output ports. Assuming an I/O address of 300 Hex the following table shows the Port Addresses.
| Base Address | Hex | Decimal | Mode |
| Port A Address | 300 | 768 | Optically Isolated Input Port |
| Port B Address | 301 | 769 | |
| Port C Address | 302 | 770 | Reed Relay Output Port |
| Port D Address | 303 | 771 |
Input Ports
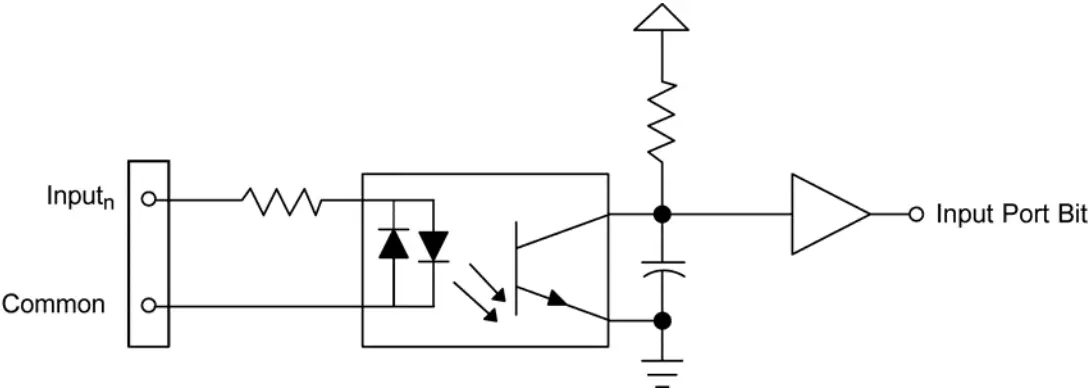
Ports A and B are 8 bit input ports connected to optically isolated input sensors. Each sensor can be used to interface a voltage input and then sense whether the voltage is on or off. Each sensor is isolated with respect to a common ground from every other sensor and also isolated with respect to the host PC ground. This means that signals such as low-level AC voltage, motor servo voltage, and control relay signals can be `sensed,’ or read by the PC, without the risk of damage due to ground loops or ground faults.
Each sensor input pair has a current limiting resistor that is used to limit the input current to the optoisolator. The opto-isolator has two `back-to-back’ diodes internally. This allows AC or DC signals to be sensed regardless of polarity. When the signal is high enough to cause the opto-isolator to turn-on, the output of the opto-isolator goes low (0 volts), and the port bit is read as a low logic level (binary 0) by the PC. When the input signal is too low to turn on the opto-isolator, the output goes high, and the port bit is read by the PC as a high logic level (binary 1).
The input impedance of each isolated input is approximately 560 ohms (factory default). The opto-isolator requires approximately 3mA to turn on. The maximum input current is 50mA. There are two things to consider when selecting the input resistor. The first is turn on voltage for the circuit to sense, and second is the maximum input voltage. Maximum input voltage must not provide too much power to the input resistor and must also not overdrive the opto-isolator input current specification. The following formulas apply:
Turn on Voltage = diode drop + (turn on current) x (resistance) [Ex: 1.1 + (.003) x R]
Input Current = ((input voltage)-1.1V) / (resistor value)
Maximum voltage = 1.1 + square root of (.25(resistor value))
The following table shows common input resistors and the ranges associated with each.
| Input Resistor | Turn-On | Input Range | Max Input | Max Current |
| 220W | 1.8V | 1.8 – 7.0V | 8.5V | 27mA |
| 560W | 2.8V | 2.8 – 10.6V | 12.9V | 20mA |
| 1KW | 4.1V | 4.1 – 13.8V | 16.9V | 15mA |
| 2.2KW | 7.7V | 7.7 – 20.0V | 24.5V | 10mA |
| 3.3KW | 10.0V | 10.0 – 24.0V | 30.0V | 9mA |
| 4.7KW | 15.2V | 15.2 – 28.0V | 35.0V | 7mA |
The turn-off voltage for all resistors is less than 1V.
Increasing the input resistor accordingly can increase the maximum input voltage. Because socketed DIP resistors are utilized, they can easily be replaced with a different value. Sealevel, if necessary can do this.
The input circuits are not intended for monitoring 120-volt AC circuits. In addition to being too high a voltage for the circuits, it is dangerous to have that high a voltage on the card.
Input Pin Assignments (P2)
| Port A Bit | P2 | DB-37 | Port B Bit | P2 | DB-37 |
| 0 | 36 | 18 | 0 | 20 | 29 |
| 35 | 37 | 19 | 10 | ||
| 1 | 34 | 17 | 1 | 18 | 28 |
| 33 | 36 | 17 | 9 | ||
| 2 | 32 | 16 | 2 | 16 | 27 |
| 31 | 35 | 15 | 8 | ||
| 3 | 30 | 15 | 3 | 14 | 26 |
| 29 | 34 | 13 | 7 | ||
| 4 | 28 | 14 | 4 | 12 | 25 |
| 27 | 33 | 11 | 6 | ||
| 5 | 26 | 13 | 5 | 10 | 24 |
| 25 | 32 | 9 | 5 | ||
| 6 | 24 | 12 | 6 | 8 | 23 |
| 23 | 31 | 7 | 4 | ||
| 7 | 22 | 11 | 7 | 6 | 22 |
| 21 | 30 | 5 | 3 | ||
| Ground | 4 | 21 | |||
| 3 | 2 | ||||
| 2 | 20 | ||||
| + 12 Volts | 1 | 1 | |||
| + 5 Volts | 37 | 19 | |||
Reading the Inputs
The inputs are active Low. If no voltage is applied across one of the differential inputs it returns a one on that bit. If an AC or DC voltage (of sufficient magnitude, covered above) is applied it returns a zero on that bit.
| Function Available | Port | Address Hex |
| R | A | Base + 0 |
| R | B | Base + 1 |
R = Read
Output Ports (Reed Relay)
Reed relays provide very high quality, long life, low current (10 Watt maximum), dry contact switch closures. Reed relays are not suited for high current applications, and can be destroyed by inductive load switching, where a spark occurs across the contacts internally. The relays are normally open, and close when energized.
Output Pin Assignments (P1)
| Port C Bit | Relay | P1 | DB-37 | Port D Bit | Relay | P1 | DB-37 |
| 0 | K1 | 2 | 20 | 0 | K9 | 18 | 28 |
| 3 | 2 | 19 | 10 | ||||
| 1 | K2 | 4 | 21 | 1 | K10 | 20 | 29 |
| 5 | 3 | 21 | 11 | ||||
| 2 | K3 | 6 | 22 | 2 | K11 | 22 | 30 |
| 7 | 4 | 23 | 12 | ||||
| 3 | K4 | 8 | 23 | 3 | K12 | 24 | 31 |
| 9 | 5 | 25 | 13 | ||||
| 4 | K5 | 10 | 24 | 4 | K13 | 26 | 32 |
| 11 | 6 | 27 | 14 | ||||
| 5 | K6 | 12 | 25 | 5 | K14 | 28 | 33 |
| 13 | 7 | 29 | 15 | ||||
| 6 | K7 | 14 | 26 | 6 | K15 | 30 | 34 |
| 15 | 8 | 31 | 16 | ||||
| 7 | K8 | 16 | 27 | 7 | K16 | 32 | 35 |
| 17 | 9 | 33 | 17 | ||||
| Ground | 34 | 36 | |||||
| 35 | 18 | ||||||
| 36 | 37 | ||||||
| + 5 Volts | 37 | 19 | |||||
| + 12 Volts | 1 | 1 |
Reading the Outputs
The relay ports return the ones complement of the value that is currently being used to drive the relays.
Writing the Outputs
The output ports are the only ports that can be written. The relays on a standard DIO-32.104 are normally open. To close a relay a one must be written to the appropriate bit.
Electrical Characteristics
Features
- 2 sets SPST relays with each having 8 relays
- 2 eight bit input ports
- Selectable I/O port addressing from 100H – 3FFH
- Highly reliable 10 VA DIP reed relays
- Multiple adapters can reside in same computer
- All address, data and control signals are TTL compatible
Specifications
Input Ports
| Turn On Current | 3mA |
| Isolator Diode Drop | 1.1 VDC |
| Resistor Power Max | .25 W |
| Maximum Input Range | 3-13 VDC/VAC |
Output Relays
| Contact Max Power Rating | 10 W |
| Contact Voltage Maximum | 100 VDC/VAC |
| Contact Current Maximum | 5A AC/DC RMS |
| Contact Resistance, Initial | .15 Ω |
| Rated Life | Low Load: 200 million closures Maximum Load: 100 million closures |
| Contact Speed | Operate: .5mS Release: .5mS Bounce: .5 mS |
| Maximum Operating Speed | 600 Hz |
Temperature Range
| Operating | 0°C – 70°C |
| Storage | -50°C – 105°C |
Power Consumption
| Supply line | +5 VDC | +12VDC |
| Rating | 285 mA | (Optional) |
Physical Dimensions
| PCB Length | 3.6” (9.0 cm) |
| PCB Height | 3.8” (9.6 cm) |
Manufacturing
All Sealevel Systems Printed Circuit boards are built to UL 94V0 rating and are 100% electrically tested. These printed circuit boards are solder mask over bare copper or solder mask over tin nickel.
Example Circuits
Input Circuit
Output Circuit

Appendix A - Troubleshooting
The adapter should provide years of trouble-free service. However, in the event that device appears to not be functioning incorrectly, the following tips can eliminate most common problems without the need to call Technical Support.
- Install software first. After installing the software then proceed to adding the hardware. This places the required installation files in the correct locations.
- Read this manual thoroughly before attempting to install the adapter in your system.
- Use Device Manager under Windows to verify proper installation.
- Use the SeaIO Control Panel applet or the Device Manager’s property page for card identification and configuration.
- Always use the Sealevel Systems diagnostic software when troubleshooting a problem. This will eliminate any software issues from the equation.
If these steps do not solve your problem, please call Sealevel Systems’ Technical Support, (864) 843-4343. Our technical support is free and available from 8:00 A.M.- 5:00 P.M. Eastern Time Monday through Friday. For email support contact [email protected].
Appendix B - How To Get Assistance
Please refer to Troubleshooting Guide prior to calling Technical Support.
- Begin by reading through the Trouble Shooting Guide in Appendix A. If assistance is still needed please see below.
- When calling for technical assistance, please have your user manual and current adapter settings. If possible, please have the adapter installed in a computer ready to run diagnostics.
- Sealevel Systems provides an FAQ section on its web site. Please refer to this to answer many common questions. This section can be found at http://www.sealevel.com/faq.htm.
- Sealevel Systems maintains a Home page on the Internet. Our home page address is www.sealevel.com. The latest software updates, and newest manuals are available via our FTP site that can be accessed from our home page.
- Technical support is available Monday to Friday from 8:00 A.M. to 5:00 P.M. Eastern Time. Technical support can be reached at (864) 843-4343. For email support contact [email protected].
RETURN AUTHORIZATION MUST BE OBTAINED FROM SEALEVEL SYSTEMS BEFORE RETURNED MERCHANDISE WILL BE ACCEPTED. AUTHORIZATION CAN BE OBTAINED BY CALLING SEALEVEL SYSTEMS AND REQUESTING A RETURN MERCHANDISE AUTHORIZATION (RMA) NUMBER.
Appendix C - Silk Screen - 3730 PCB

Appendix D - Compliance Notices
Federal Communications Commission (FCC) Statement
This equipment has been tested and found to comply with the limits for Class A digital device, pursuant to Part 15 of the FCC Rules. These limits are designed to provide reasonable protection against harmful interference when the equipment is operated in a commercial environment. This equipment generates, uses, and can radiate radio frequency energy and, if not installed and used in accordance with the instruction manual, may cause harmful interference to radio communications. Operation of this equipment in a residential area is likely to cause harmful interference in such case the user will be required to correct the interference at the user’s expense.
EMC Directive Statement
Products bearing the CE Label fulfill the requirements of the EMC directive (89/336/EEC) and of the low-voltage directive (73/23/EEC) issued by the European Commission. To obey these directives, the following European standards must be met:
- EN55022 Class A – “Limits and methods of measurement of radio interference characteristics of information technology equipment”
- EN55024 - “Information technology equipment Immunity characteristics Limits and methods of measurement”.
This is a Class A Product. In a domestic environment, this product may cause radio interference in which case the user may be required to take adequate measures to prevent or correct the interference.
Always use cabling provided with this product if possible. If no cable is provided or if an alternate cable is required, use high quality shielded cabling to maintain compliance with FCC/EMC directives.
Warranty
Sealevel’s commitment to providing the best I/O solutions is reflected in the Lifetime Warranty that is standard on all Sealevel manufactured I/O products. We are able to offer this warranty due to our control of manufacturing quality and the historically high reliability of our products in the field. Sealevel products are designed and manufactured at its Liberty, South Carolina facility, allowing direct control over product development, production, burn-in and testing. Sealevel achieved ISO-9001:2015 certification in 2018.
Warranty Policy
Sealevel Systems, Inc. (hereafter “Sealevel”) warrants that the Product shall conform to and perform in accordance with published technical specifications and shall be free of defects in materials and workmanship for the warranty period. In the event of failure, Sealevel will repair or replace the product at Sealevel’s sole discretion. Failures resulting from misapplication or misuse of the Product, failure to adhere to any specifications or instructions, or failure resulting from neglect, abuse, accidents, or acts of nature are not covered under this warranty.
Warranty service may be obtained by delivering the Product to Sealevel and providing proof of purchase. Customer agrees to ensure the Product or assume the risk of loss or damage in transit, to prepay shipping charges to Sealevel, and to use the original shipping container or equivalent. Warranty is valid only for original purchaser and is not transferable.
This warranty applies to Sealevel manufactured Product. Product purchased through Sealevel but manufactured by a third party will retain the original manufacturer’s warranty.
Non-Warranty Repair/Retest
Products returned due to damage or misuse and Products retested with no problem found are subject to repair/retest charges. A purchase order or credit card number and authorization must be provided in order to obtain an RMA (Return Merchandise Authorization) number prior to returning Product.
If you need to return a product for warranty or non-warranty repair, you must first obtain an RMA number. Please contact Sealevel Systems, Inc. Technical Support for assistance:
Available Monday - Friday, 8:00 AM to 5:00 PM EST
Phone 864-843-4343
Email [email protected]
Trademarks
Sealevel Systems, Incorporated acknowledges that all trademarks referenced in this manual are the service mark, trademark, or registered trademark of the respective company.
© Sealevel Systems, Inc. 3730 Manual | SL9020 7/2021
Output Circuit

















