Honeywell L8148A Aquastat Relays

APPLICATION
The L8148A,E,J Aquastat® Relays are immersion-type controllers for use with forced hydronic heating systems. The combination high limit and intermediate switching relay works with a low voltage (24V) thermostat to control burner and circulator circuits. A call for heat by the thermostat starts both the burner and the circulator. When boiler-water temperature exceeds the high-limit settings, the burner circuit is broken; the circulator continues to operate during the thermostat call for heat.
The L8148A controls line-voltage burner circuits; the
L8148E,J control low-voltage burner circuits; the L8148J controls millivoltage burner circuits. All models control line-voltage circulator circuits.
L8148A,E,J have provisions for adding low-limit controllers; L8148E,J can power valves in multizone systems.
L8148E is available with a plug and 50 VA transformer for use with Honeywell Smart Valve SV9500/SV9600.
SPECIFICATIONS
Electrical Ratings:
Table 1. Circulator Control Circuit (A):

Table 2. Burner Control Circuit:

- Scale Range: 140°F to 240°F (60°C to 116°C) or 180°F to 240°F (82°C to 116°C).
- Differential: Nonadjustable.
- High Limit Dial Stop: Adjustable.
- Maximum Pressure on Immersion Well: 255 psi (1758 kPa).
- Maximum Ambient Temperature: 150°F (66°C) with 1.2A, 24V load; 77°F (25°C) with 1.4A, 24V load.
- Maximum Bulb Temperature: 40°F over setpoint, up to 265°F (4°C over setpoint, up to 129°C).
- Thermostat Heat Anticipator Setting: 0.2A.
- Material Safety Data Sheets (MSDS): For information on the heat-conductive compounds, see form number 69-0955.
INSTALLATION
When Installing This Product
- Read these instructions carefully. Failure to follow them could damage the product or cause a hazardous condition.
- Check the ratings given in the instructions and on the product to make sure the product is suitable for your application.
- The installer must be a trained, experienced service technician.
- After installation is complete, check out product operation as provided in these instructions.
WARNING: Electrical Shock Hazard. Can cause severe injury, death or property damage
- Disconnect power supply before beginning installation to prevent electrical shock or equipment damage.
- Never apply a jumper across (or short) terminals B1, B2, or B3. This burns out the transformer.
Mounting
The L8148A,J has a case that can be converted to either horizontal or vertical mounting (Fig. 1).

New Installation
Order well assemblies and 124904 Well Adapter for the Aquastat Relay separately; refer to form 68-0040, Wells and Fittings for Temperature Controllers. Boilers usually have tappings that allow the well to be mounted horizontally so boiler water of average temperature can circulate freely.
- Turn off all power and drain the boiler.
- If no tapping is provided, prepare properly sized and threaded tapping near the top of the boiler.
- Coat the well threads sparingly with pipe dope; install the well in the boiler tapping and tighten securely
NOTE: Do not attempt to tighten by using the case as a handle. - Refill boiler and check for water leakage.
- Insert the bulb element into the well until it bottoms. If necessary, slightly bend the tube inside the case to hold the bulb against the bottom of the well.
- Center the loop of excess tubing in front of the immersion well so it cannot touch any electrical parts.
NOTE: Some models have an adjustable tubing length to 3 in. (76 mm). For these models, pull out extra tubing from inside the case, if needed. - Fit the case into the well so the clamp on the case slides over the flange on the well.
IMPORTANT
Best thermal response is obtained with a well that snugly fits the sensing bulb. Insert the bulb until it rests against the bottom of the well. Use a well of correct length and bend the tubing, if necessary, to hold the bulb against the bottom of the well, but do not make a sharp bend in the tubing. If the well is not a snug fit on the bulb, use the heat-conductive compound (furnished with TRADELINE® models) as follows: Fold the plastic bag of compound lengthwise and twist it gently. Then snip off end of bag and work the open end of bag all the way into the well. Slowly pull the bag out while squeezing it firmly to distribute compound evenly in the well. Bend the tubing, if necessary, to hold the bulb against the bottom of the well and to hold outer end of the bulb in firm contact with the side of the well. See Fig. 2. Wipe excess compound from the outer end of the well.
Replacement Installation
Turn off all power and remove the old control. Refer to the cover insert of the old control to identify and tag each external lead as it is disconnected. If old well is unsuitable for new installation, remove it and proceed with instructions for new installation. If old well is suitable, use it and a 124904 immersion well adapter (ordered separately from form 68-0040, Wells and Fittings for Temperature Controllers) for the installation. (If the well clamp fits directly over the flange of the existing well spud, adapter use is not necessary.) The adapter has a flange at the wide end that fits into the well clamp and is slotted lengthwise to accommodate both the capillary tube and the short length of tube extending from the bulb.
- Loosen but do not remove the well clamp screw on the side of the control case.
- Pull out the capillary until the bulb bottoms in the well. Place adapter (if used) around the capillary tube so it fits into the slot. See Fig. 2. Center the loop of excess capillary tubing in front of the immersion well so it cannot touch any electrical parts.
NOTE: Some models have a tubing length adjustable to 3 in. (76 mm). For these models, extra tubing inside the case can be pulled out, if needed. - Make sure the wide end of the adapter fits into the hole in the case. Position immersion well clamp snugly over the flange on the adapter and tighten the clamp screw.
- Insert sensing bulb into well as shown in Fig. 2. (Distribute the heat-conductive compound in the tube prior to bulb insertion.)
- Securely tighten setscrew (if present on old well) against adapter.

Fig. 2. Proper position of sensing bulb in immersion well, and use of well adapter in existing well.
WIRING
IMPORTANT: The terminals of these Aquastat® Relays are approved for use with copper wire only.
WARNING: Electrical Shock Hazard. Can cause severe injury, death or property damage.
Disconnect power supply before making wiring connections to prevent electrical shock or equipment damage.
All wiring must comply with local electrical codes and ordinances. Do not exceed the specifications in the Application section when applying this control. L8148J can power up to two V8043 Zone Valves. Additional valves, in groups of two or less, require an additional transformer. Follow the appropriate wiring diagrams when using zone valves or a low limit controller. See Fig. 3 through 7. If the B1 terminal on the device being replaced is a 1/4 in. tab terminal, use the existing wiring harness terminals to install the replacement device. If the B1 terminal on the device being replaced is a screw terminal, insert the provided tab terminal to screw terminal adapter onto the 1/4 in. tab terminal of the replacement device. After the adapter is installed, reuse the existing wraparound wire end to make an electrical connection to the B1 terminal.
CAUTION: Equipment Damage Hazard. Can cause incorrect operation.
- If L8148E,J are used to power zone valves, low voltage (24 Vac) load must not exceed 1.4A; a 1.2A load is the maximum permissible when ambient temperature exceeds 77°F (25°C). Use additional transformer(s) when load exceeds these ratings.
- When L8148E is used to power SV9500/ SV9600, use separate transformer to power zone valves
- POWER SUPPLY. PROVIDE DISCONNECT MEANS AND OVERLOADPROTECTION AS REQUIRED.
- REMOVE JUMPER WHEN ADDING L6006 LOW LIMIT CONTROLLER.
- CONTROL CASE MUST BE CONNECTED TO EARTH GROUND. USE GROUNDING SCREW PROVIDED.
- B1 IS 1/4 IN. TAB TERMINA

Fig. 3. External connections and internal schematic for L8148A.
- POWER SUPPLY. PROVIDE DISCONNECT MEANS AND OVERLOAD PROTECTION AS REQUIRED.
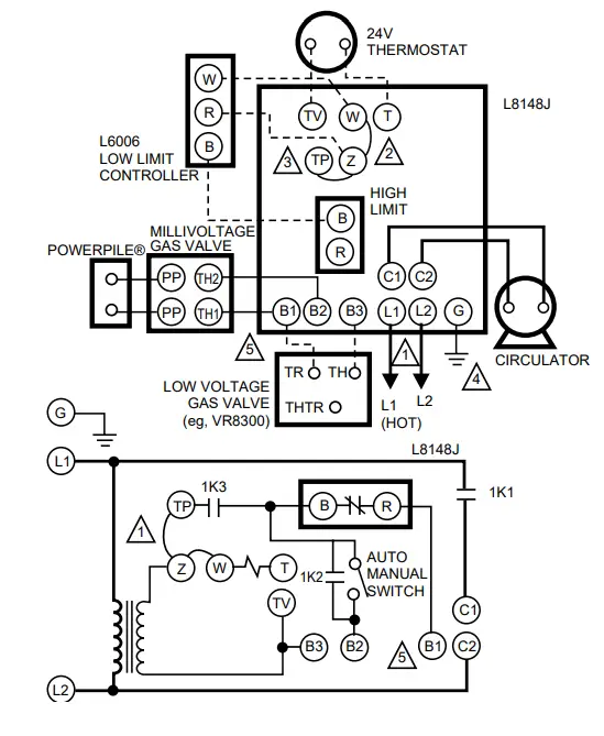
- REMOVE Z-W JUMPER IF SERIES 60 LOW LIMIT IS USED. WIRE LOW LIMIT CONTROLLER OR ZONE VALVES AS SHOWN. USE WITH 24V (B1-B3) CIRCUIT ONLY.
- FOR 24V BURNER, WIRE B1-B3 AND USE JUMPER Z-W AND TP-Z. FOR POWERPILE® (MILLIVOLTAGE) GAS VALVES, REMOVE JUMPER TP-Z AND WIRE BURNER B1-B2. JUMPER Z-W REMAINS IN POSITION.
- CONTROL CASE MUST BE CONNECTED TO EARTH GROUND. USE GROUNDING SCREW PROVIDED.
- B1 IS 1/4 IN. TAB TERMINAL

Fig. 4. Internal schematic and external connections for L8148J with either low voltage or millivoltage gas valves. Low limit added in hookup with 24V gas valve.
- POWER SUPPLY. PROVIDE DISCONNECT MEANS AND OVERLOAD PROTECTION AS REQUIRED.
- CONTROL CASE MUST BE CONNECTED TO EARTH GROUND. USE GROUNDING SCREW PROVIDED.
- B1 IS 1/4 IN. TAB TERMINAL.

Fig. 5. Wiring L8148A in oil-fired, forced hot water, tankless, zoned, pump system.
- POWER SUPPLY. PROVIDE DISCONNECT MEANS AND OVERLOAD PROTECTION AS REQUIRED.
- REMOVE PLUG-IN THAT JUMPERS PINS 2 AND 3 WHEN USING VENT DAMPER.
- AFTER VENT DAMPER IS PLUGGED INTO L8148E1265, FUSE BLOWS WHEN THERMOSTAT FIRST CLOSES. AFTER FUSE BLOWS, L8148E1265 OPERATES ONLY WHEN VENT DAMPER IS CONNECTED.
- SEE VENT DAMPER PRODUCT SPECIFICATIONS FOR INTERNAL SCHEMATICS.
- B1 IS 1/4 IN. TAB TERMINAL

Fig. 6. Wiring L8148E1265 with internal plug directly to vent damper in hydronic intermittent pilot system.
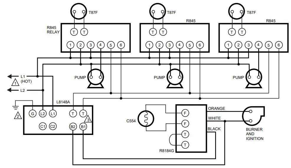
- POWER SUPPLY. PROVIDE DISCONNECT MEANS AND OVERLOAD PROTECTION AS REQUIRED.
- L8184J POWERS TWO V8043E OR F ZONE VALVES, OR ONLY ONE V8043 WHEN AMBIENT TEMPERATURE EXCEEDS 77oF (25oC). USE AN ADDITIONAL TRANSFORMER(S) TO POWER ADDITIONAL VALVES.
- LINK MUST BE USED WHEN USING 24 VOLT GAS VALVE HOOKUP (B1–B3). REMOVE LINK WHEN MILLIVOLTAGE GAS VALVE IS USED (B1–B2).
- ADD JUMPER.
- CONTROL CASE MUST BE CONNECTED TO EARTH GROUND. USE GROUNDING SCREW PROVIDED.
- B1 IS 1/4 IN. TAB TERMINAL

Fig. 7. Wiring L8148J for multizone control.
OPERATION AND SETTING
High Limit
The high limit switch shuts off the burner when the boiler temperature exceeds high-limit setting. Because heating systems differ, the correct temperature setting for one system might not be correct for another. Follow the boiler manufacturer’s recommendation for proper setting. To set, remove cover, and turn dial until the desired setting is directly below the pointer. The dial stop is factory-set at the high end of the limit scale. To adjust, use a small screwdriver to hold the stop away from the dial face, and turn the dial until the desired setting is below the pointer. See Fig. 8. Release pressure on the screwdriver, and make sure the stop rests flat against the dial face.
Switching Relay
The switching relay is controlled by the room thermostat. On a call for heat, the relay coil is energized, completing the line voltage circulator circuit and also the burner circuit, if the boiler water temperature is below the high limit setting.
Auto-Manual Switch
The AUTO-MANUAL switch (only L8148J millivolt models) makes it possible to operate the burner (in a system with a millivoltage gas valve) during an electrical power failure. With switch at MANUAL, the burner operates continuously until either the high limit setting is reached or the switch is reset to AUTO. The circulator, requiring line voltage, is inoperative. When power is restored, the switch must be set to AUTO to resume automatic burner operation.
CHECKOUT
Put the system into operation and observe through at least one complete cycle to be sure control operates as described above.

Fig. 8. Setting high limit stop.
Automation and Control Solutions
Honeywell
1985 Douglas Drive North
Golden Valley, MN 55422



















