![]()
MFR-DB
April 2022
MFR-DB
User Manual

User Guide for the MFR-DB
Dual Optical & Thermal PTZ Camera
Document History
Version | Date | Change Summary |
| v1.0 | 27/11/2020 | Initial Release |
v1.1 | 09/12/2021 | Environmental Update |
| v1.2 | 08/04/2022 | Updates to support VISCA and Flir communication protocols |
Warranty and Support
All Visual Engineering products are supplied as standard with a 12 month `Return to Base’ warranty.
Please note: Any unauthorised product disassembly, modification or the removal of tamper proof labels will void the warranty.
In the event of a suspected product failure, users should contact the Visual Engineering support team on the telephone number +44 (0) 1206 211842 or please email us at:
Should the fault persist or if the support team are unable to resolve the fault, it may be necessary to return the equipment.
Equipment should only be returned using the RMA (Returns Management Authorisation) process. Users should contact the support team on the above number and request an RMA number.
Introduction
The MFR-DB is a dual band PTZ camera incorporating both an optical and a thermal camera. Housed in a very rugged environmentally sealed casing it is ideal for use in harsh environments.
It incorporates a Sony HD camera with a 30x optical zoom lens and a 63.7° wide angle of view.
The Flir thermal camera incorporates radiometric technology which delivers high precision temperature monitoring. It supports an 8x digital zoom and spot metering to further optimise the exposure control for each particular scenario.
The HD-SDI video signal output can be user switched between either camera as and when required. The zoom is synchronised between the two cameras, up to the maximum FOV capability of the thermal camera. This allows convenient switching between the two camera views.
Speeds are zoom factor corrected, giving fine control over the entire range of the lens with pan speeds up to 100º per second.
The MFR-DB has absolute position feedback and therefore has the ability to self correct its actual position if external forces act upon it. User presets can be saved allowing PTZ framing and camera racking profiles to be easily recalled.
There is the option to have the video output as an encoded ONVIF compliant stream for use in IP networks. Remote control of the camera is through VISCA protocol over USB or a RS232/RS485 serial connection.
All power, data and video signals are through the Fischer MiniMax connector on the camera’s base. The outer casing is manufactured from aluminium. All external mating surfaces are gasket sealed to maintain its IP67 rating.
Connections
The MFR-DB kit includes a power comms break out cable, part number 110-3562.
The cable assembly connects to the Fischer MiniMax connector on the base of the camera. All signals are then split out to their relevant connectors. The connections are described below.

Connector | Signal |
| 1: BNC | HD-SDI |

Connector | Signal |
| 1: Micro USB | Comms |
2: EXT 232/485 | RS232/485 |
| 3: DC Coax | Power |
4: RJ45 | *Ethernet |
* Only active if the MFR-DB includes an IP encoder.
MFR-DB communications are supported via the micro USB and EXT 232/485 connectors.
The EXT 232/485 connector supports RS232 and RS485 comms, the pinout of the connector is described on the right.

EXT 232/485 Pinout | |
| RS232 | RS485 |
1: RX (to cam) | B |
| 2: TX (from cam) | A |
3: GND | |
Configuring the Camera
The MFR-DB can be configured for a specific user profile, to include; communication settings, motor control, and camera options. Once configured the camera will retain the settings.
The camera is configured using a menu structure on its control interface which is only accessible at power on. To access the control menu it is necessary to connect the camera to a serial comms software application, such as TeraTerm set to 9600 baud 8n1.
- Connect the power comms cable to a USB port on a PC.
- Open the PC serial comms application
- Power on the camera, a > character will appear and shortly after a ! character.
- As soon as the ! appears type v e in quick succession.
- The Main Menu shown on the right will then be displayed.
- Select the required option.
- The function options are described in the following tables.
Comm Port Options
Comm Port Options | ||
| Sub Menu | Description | Options |
Mode | The serial comms standard | RS485, No Parity , RS232, No Parity, RS485, Odd Parity, RS232, Odd Parity RS485, Even Parity, RS232, Even Parity |
| Baud Rate | The serial comms baud rate | 1200, 2400, 4800, 9600, 19200, 38400, 57600, 115200 |
Protocol | The PTZ control protocol | Auto Detect, VISCA, PelcoD, PelcoP |
| Unit Address | The camera’s unit address, this allows several cameras to be connected on the same comms bus | 1, 2, 3, 4, 5, 6, 7 |
Motor Options
Motor Options | ||
| Sub Menu | Description | Options |
Auto Position Correction | Whether the camera automatically corrects its actual position if external forces act upon it | Disabled, Enabled |
| Stall Detection | Detects a stall in the motor drive | Disabled, Enabled |
Motor Speed | The speed at which the motors are driven | High, Medium, Low |
| Hold Torque | The torque force which the camera uses to hold position | High, Medium, Low |
Boot Confirmation | Movement of the camera head at power on indicating the initialisation status | Disabled, Enabled |
Camera Options
Video Options | ||
| Sub Menu | Description | Options |
Output Mode | The output video format | PAL, NTSC, 720p/25, 720p/29.97, 720p/50, 720p/59.94, 1080i/50, 1080i/59.94, 1080p/25, 1080p/29.97, 1080p/50, 1080p/59.94 |
| Digital Zoom | If disabled only optical zoom is allowed, applies only to the optical camera | Disabled, Enabled |
On Screen Display | The OSD in the camera’s video | Disabled, Enabled |
| Flip on Tilt | The video picture will automatically invert when the camera head it tilted over the top of its travel | Disabled, Enabled |
Zoom Sync | The zoom is synchronised between the two cameras, up to the maximum FOV capability of the thermal camera | Disabled, Enabled |
Boot Confirmation
This gives a clear visual confirmation at power on whether or not the MFR-DB Camera has initialised successfully the following hardware is tested during boot sequence:
- Optical Camera Module Comms
- Thermal Camera Module Comms
- Tilt Axle Encoder
- Pan Axle Encoder
- Accelerometer
The feature can be enabled/disabled in the Motor Options boot menu.
Successful Boot
The camera will emulate a head nod on a successful initialisation, the actual movement sequence is defined as follows:
- Tilt to 0° (Straight Ahead)
- Tilt Down 20°
- Tilt Up 20°
- Return to Start-Up Angle
Boot Fail
If during the boot sequence any hardware faults are detected the camera will emulate a head shake, the actual movement sequence is defined as follows:
- Pan to 0°
- Pan Left 30°
- Pan Right 60°
- Pan Left 60°
- Pan Right 30°
- Return to Start-Up Angle
Software Control
The MFR-DB camera’s serial communication supports the Sony VISCA protocol.
The user may choose to use a software controller of their choice or use the VE Camera Controller. This software application can be downloaded from the Visual Engineering website:
www.visualengineering.co.uk/supportdownload/9
The user should install the Software application on a PC. The screen below shows the software application.

It is necessary to connect the camera to a USB port on the PC. The operating system of the computer will allocate this a COM port number. Once this connection has been made the user can go ahead and connect the application to the COM port. In the example below the port COM3 has been selected.

Once the software application is connected the functions of the software can be used. In the example below the pan right command has been selected. Similar commands for pan left, tilt up & down and zoom functions can also be sent using the intuitive software user interface.

Camera Communications
Since the MFR-DB incorporates a Sony optical camera the adopted control protocol is Sony VISCA. This standard is used to communicate with the Sony camera, the Flir thermal camera and for PTZ control.
The VISCA command list is used for Sony camera communications, whilst Flir camera communications uses a Flir-Pass-Through format, which incorporates standard Flir protocol commands contained within a VISCA wrapper, as described later.
Standard commands for the Sony camera are detailed in the standard VISCA commands document, available here:
https://www.visualengineering.co.uk/supportdownload/57
Additional Commands
Additional commands adopting the VISCA protocol format have been developed by Visual Engineering for use with the MFR-DB camera. These commands also allow control of a limited set of parameters in the Flir thermal camera when using standard VISCA controllers.
Commands such as unit type, video output switching, PTZ control and thermal palette switching are included. The following tables describe these additional commands.
Additional Commands | |||
| Cmd Set | Command | Command Packet | Comments |
| PAN TILT DRIVE | Move | 8x 01 06 01 <aa><bb><cc><dd> FF | <aa>= Pan Speed |
<bb>= Tilt Speed | |||
<cc>= Pan Direction | |||
<dd>= Tilt Direction | |||
Absolute Position | 8x 01 06 02 00 00 0p 0p 0p 0p 0t 0t 0t 0t FF | <pppp>= Pan Position | |
| Slew To Cue | 8x 01 06 04 00 00 0x 0x 0y 0y FF | <xx>= Percent Of HFOV | |
THERMAL/ OPTICAL SWITCH | Set Video Mode | 8x 01 04 24 96 01 <xx> FF | <xx>= Mode |
THERMAL COLOUR PALETTE | Set Palette | 81 01 04 63<xx>01 FF | <xx>= Palette Selection |
THERMAL IMAGE FREEZE | On/Off | 81 01 04 62 <xx> 01 FF | <xx>= On/Off |
Additional Inquiry/Command With Response Data | ||||
Cmd Set | Command | Command Packet | Response Packet | Comments |
| FLIR PASS THROUGH | Flir Cmd | 8x 01 04 24 9F 01 <aa> <payload>FF | y0 51 24 9F 01 <bb><response>FF | <aa>= Cmd Payload Length <payload>= FLIR Command <bb>=Response Payload Length <response>= FLIR Response |
| UNIT TYPE | Unit Type | 8x 01 04 24 92 00 01 FF | Y0 51 24 92 <aa>FF | <aa>= Unit Type 0x11 = MFR-HD 0x12 = MFR-DB 0x13 = MFR-TI |
| PAN TILT DRIVE | Absolute Position | 8x 09 06 12 FF | y0 50 0p 0p 0p 0p 0t 0t 0t 0t FF | <pppp>= Pan Position <tttt>= Tilt Position The value returned is a 16-bit signed integer, the actual angle can be calculated as below where is equal to the value returned. Angle = x/20 |
Flir-Pass-Through
Control of the Flir camera uses standard Flir protocol commands. In order to maintain a single communications protocol for MFR-DB and to also allow access to the complete Flir command set the Flir protocol is wrapped within a VISCA style packet.
Standard commands for the Flir thermal camera are detailed in the standard Flir commands document, available here:
https://www.visualengineering.co.uk/supportdownload/58
Command Packet
The Command Packet invokes a Response Acknowledge followed by a Response Packet, these are described below, all values are hexadecimal.
8[x] | 0x01 | 0x04 | 0x24 | 0x9F | 0x01 | <aa> | <payload> | 0xFF |
The Unit Address, which can be set in the Comm Port Options in the boot menu. Command Payload Length Standard Flir Command Payload
Response Acknowledge
[y]0 | 0x41 | 0xFF |
Response Packet
[y]0 | 0x51 | 0x24 | 0x9F | 0x01 | <bb> | <response> | 0xFF |
<bb> Response Payload Length
<response> Flir Response
Examples
By way of example the following illustrates how the Flir-Pass-Through mode format and standard Flir commands can be combined into a single VISCA style packet for the MFR-DB. The examples address a Unit ID of 1, all values are hexadecimal.
VIDEO_MODE – ID 15
VIDEO_MODE GET
Command Packet
81-01-04-24-9F-01-0A-6E-00-00-0F-00-00-F3-8A-00-00-FF
Response Acknowledge
90-41-FF
Response Packet
90-51-24-9F-01-0C-6E-00-00-0F-00-02-D3-C8-02-00-66-62-FF
VIDEO_MODE SET FREEZE
Command Packet
81-01-04-24-9F-01-0C-6E-00-00-0F-00-02-D3-C8-02-01-76-43-FF
Response Acknowledge
90-41-FF
Response Packet
90-51-24-9F-01-0C-6E-00-00-0F-00-02-D3-C8-02-01-76-43-FF
VIDEO_MODE SET REAL-TIME
Command Packet
81-01-04-24-9F-01-0C-6E-00-00-0F-00-02-D3-C8-02-00-66-62-FF
Response Acknowledge
90-41-FF
Response Packet
90-51-24-9F-01-0C-6E-00-00-0F-00-02-D3-C8-02-00-66-62-FF
Specifications
Specifications | |||
Optical Sensor | 1/2.8” Type CMOS | Radiometric Technology | As Standard |
| Optical Sensitivity | < 0.05 Lux, ICR On | Thermal Spot Metering | Enabled |
Optical Resolution | 1920 x 1080 Pixel | Serial Protocol | VISCA |
| Optical SNR | > 50dB | Serial Comms | USB, RS232/485 |
Optical Field of View | 63.7° | Pan & Tilt Range | 360° Pan, 170° Tilt |
| Optical Zoom | 30x | Connector | Fischer MiniMax |
Thermal Resolution | 640 x 512 Pixel | Environmental | IP67 |
| Thermal Lens | 9mm | Weight | 2368 grams |
Thermal Field of View | 69° H, 56° V | Dimensions | ø115 x 206 mm |
| NEdT | < 30mK | Casing | Aluminium |
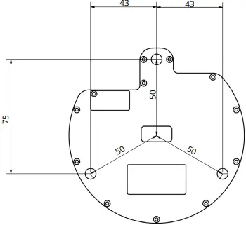
Dimensions
Overall Dimensions

Base Plate Hole Centres

Visual Engineering Technologies LTD
Kemps Farm
Stanway
Colchester
Essex
CO3 8NB
UK
Product specifications subject to change without notice
Tel: +44 (0)1206 211842
Web: www.visualengineering.co.uk
Email: [email protected]




















