HARVEST TEC 845 RFV Dye Marking System

Introduction
Congratulations on purchasing a Harvest Tec Model 845 RFV Dye Marking System. This system is an accessory to the 600 Series System with the RFV Calculator. It will allow you to visibly mark the RFV range a bale falls within. The system includes the tank, pumps, plumbing mounting hardware and necessary cables. If you have questions on installation or operation of this system please contact your local authorized dealer for additional assistance. A complete parts breakdown is located in the back of this manual. All parts can be ordered through your dealer.
Tools Needed
- Standard wrench set
- Standard socket set
- Hammer
- Metal drilling tools
- Center punch
- Tape measure
- Straight edge
- Marker
Installation of Dye Sprayer Tank Assembly
Installation of Mounting Bracket & Tank
Locate the tank and mounting bracket assembly. Looking at Figures 1 and 2, decide which recommend mounting location will be the most convenient and work best for the user.
- Once tank mounting location is decided, mark and drill the four 3/8” mounting holes.
- Fasten the mounting bracket to the baler using the 5/16” hardware provided.

Dye Sprayer System Wiring Diagrams
System Wiring Diagram for use with Bale Identification System
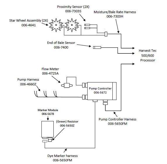
Locate the wiring harness (006-5650FM) supplied in the 845 RFV Dye Marking Kit. Remove the green terminating resistor from the tagger module and connect one end of the harness into the open port. If the system does not have a tagger installed, see following page. Connect the harness to the Tagger Control, route and fasten the remaining harness securely to the baler leading to the RFV Dye Marker Module. Connect the wiring harness into the module as shown in the diagram below. Make sure the green terminating resister that was taken off of the tagger is now plugged into the open port on the RFV Dye Marker module. The bottom of the module should have the 006-5650FM harness, the green terminating resistor, and the pump leads on the bottom side (not shown).

System Wiring Diagram for use with Automatic Applicator
If the system does not have a tagger, remove the green terminating resistor from the pump controller and plug the end of the harness into the open port. If the system does not have a pump controller, see following page. Connect one end of the harness (006-5650FM) to the pump controller into the modular port. Route and fasten the remaining harness securely to the baler leading to the RFV Dye Marker Module. Connect the wiring harness into the RFV module as shown in the diagram below. Make sure the green terminating resister that was taken off of the pump controller is plugged into the RFV Dye Marker module. The bottom of the module should have the 006-5650FM harness, the green terminating resistor, and the pump leads on the bottom side (not shown).

System Wiring Diagram for use with Moisture Only Systems
If the system does not have a pump controller, remove the green terminating resistor from the Pump Controller port on the Dual Channel Processor and plug the harness (006-5650FM) into that open port (shown below). Once connected, route and fasten the remaining harness securely to the baler leading to the RFV Dye Marker Module. Ensure the harness is long enough to connect the DCP and RFV module before securing (see note below). Make sure the green terminating resister that was taken off of the DCP is plugged into the open port on the RFV Dye Marker module. The bottom of the RFV module should have the 006-5650FM harness, the green terminating resistor, and the pump leads on the bottom side (not shown).

Note: If you have a moisture only kit on a new CNH baler, you may need to order a 006-5650F4M harness to give you the necessary length from the DCP to the RFV Module. Contact your local dealer to order if needed.
Installation of Plumbing & Wiring
Harvest Tec recommends that both tip brackets are mounted directly off the back of the bale chamber. Specific mounting location will vary between balers, but the universal mounting brackets (001-2501F) will be used to mount on each baler.

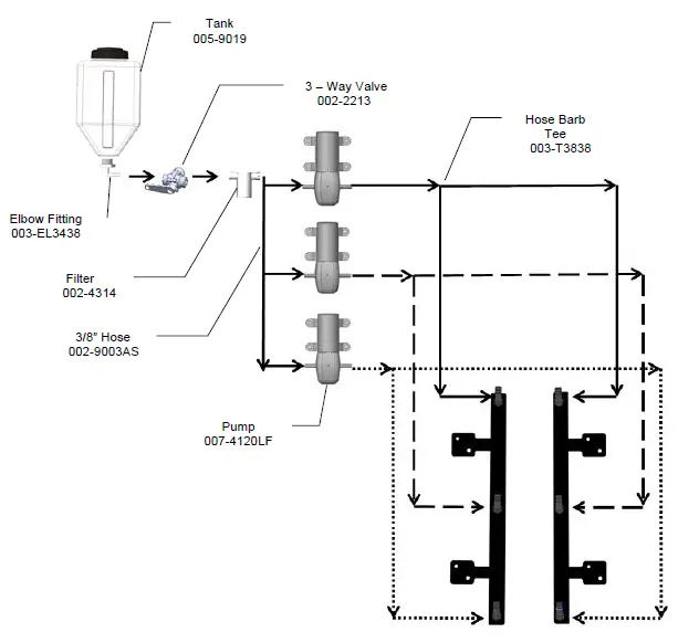
- Once you have the tank and mounting bracket securely fastened to the baler, locate the tip mount assembly pictured on right. With the right angled mounting brackets connected to the tip assembly, locate and mark the holes to be drilled on the back post of the bale chamber. Suggested location would spray the top mark about 5 inches from the top of the bale. With four holes marked on each side, drill ¼” holes and attach the mounting brackets with 5/16” x 1” self-tapping screws. See picture on page 10 for example.
- Once the nozzle holders are fastened to the baler, route the 3/8” hose from the pumps to the end of the bale chamber. At that point, use the supplied hose barb tee and run one hose to each tip. There are colored dots to be sure the proper hose is connected to the proper pump. Pump 1 will be on the left when looking at the pump manifold. Make sure to fasten the hose securely using zip ties and hose clamps provided. Avoid pinching the lines.

Mounting Tip Assembly
The picture below shows the recommended mounting proximity of the RFV dye marker tip assembly. It is recommended that the tips be mounted 3-4” from the bale. This adjustment can be made by loosening the bolts on the slotted tip mount bracket and adjusting accordingly. If it is desired to have a wider or narrower mark applied, adjust as needed.

Plumbing diagram

Filling Tank, First Time & Annual Startup
Filling the tank
Remove tank lid from the 5 gallon tank. Make sure the tank is clean and completely empty. Mix the Dye (009-0801) with water inside the Dye bottle. Make sure that the bottle is shaken vigorously so that the dye completely dissolves. Once the solution is mixed, add it to the 5 gallon tank and fill tank with water.
First Time and Annual Startup
Once the tank has been filled, the plumbing lines will need to be primed. Hold the first priming button until all of the air is flushed out of the lines and there is a steady stream of liquid coming from both tips. Repeat this process for both the second and third priming buttons.
NOTE: The system will need to be primed every time the system is run out of Dye*
Turning the sprayer on and adjusting spray ranges
The Dye Sprayer Marker will only be active when it is turned on in your 600 or 665 applicator menu. When turned on, you can adjust the RFV Ranges at which you would like the system to mark one, two or three lines on the bale being discharged from the chute. The adjustments to the RFV ranges will be made by entering “Setup Mode” → “Baling Rate Setup” → “RFV” → and then setting the ranges as desired. The levels will come preset with levels 1, 2 and 3 spraying at RFV readings 150, 170 and 190 The sprayer can be turned on and off by entering ‘Setup Mode’ → ‘Bale ID Setup’and then X to turn off, or ✓ to turn on. Refer to Figures below.

Operating Instructions for Automatic or Manual Mode
Auto & Manual mode will automatically mark bales with dye if dye sprayer is turned on, your RFV ranges are set, and there must be a RFV sample value in the RFV menu as well. (Each bale RFV is displayed on the Auto Mode screen as shown below)

Common Question about the 845
- How do I set up the system to begin marking Bales?
To activate the RFV marker enter the ‘Setup Mode’ screen. Select the Baling Rate screen and adjust the RFV ranges to the levels at which you would like the system to mark your bales. See page 11 for additional setup information. - Is the marking dye safe for livestock consumption?
The DSM uses blue-colored, food-grade dye and is safe for all livestock. - How do I bleed the air out of the lines properly?
Press the 3 priming buttons on the DSM until the air is pushed out of the lines and there is a consistent uniform spray pattern coming from the tips.
Troubleshooting
| Problem | Possible Cause | Solution |
| The tips are not spraying Dye | 1. The system is out of dye.
2. There is air in the lines, preventing a steady mist coming from the tips.
3. Damaged/pinched hose.
4. Tip is plugged.
5. Alarm is set too high.
6. The system has not seen enough bales to begin spraying. | 1. Check the tank for solution. If the tank is empty, refill and bleed air out of the lines. 2. Remove the tips from the check valves and using the priming button bleed the air out of the lines. 3. Inspect all the hose making sure the lines are damaged or pinched. 4. Removed the tip from the bushing and inspect, clean if needed. 5. Lower the alarm level to the MC at with the user would like to have the bales marked. 6. Bale at least 5 to 10 bales initially or with a new job to ensure the system calculations have time to begin spraying. |
Maintenance
For winter storage, drain all of the liquid out of the lines, tank, and pumps.
Communication harness to Dye Sprayer Module

- Pin 1 Red Can 12 voltPin 2 Red 8 GA Battery 12 volt
- Pin 3 GrayShield
- Pin 4 Green Can channel OH in
- Pin 5 Yellow Can channel OL in
- Pin 6 Blue Can channel OH out Pin 7
- Orange Can channel OL out Pin 8
- Black Can ground Pin 9
- Black 8 ga
- Battery ground Pin 10 Not used
Parts Breakdown for Model 845

- 1 DSM Mounting Bracket 001-2501A 1
- 17 Female Disconnect 004-1207H
- 3 2 Tank 005-9210D
- 1 18 Washer 004-1207W
- 3 3Tank Cap 005-9022C
- 1 19 Check Valve 004-1207V
- 3 4 Dye Sprayer Module 006-5678
- 1 20 Nylon Washers Hardware
- 6 5 Elbow Fitting 003-EL3438
- 1 21 Nozzle Body004-4721 3
- 6 3-Way Valve 002-2213 1
- 22 Tip Strainer – 100 004-1203-100 3
- 7 Pump 007-4120LF
- 23 Nozzle Tip – White 004-TX-VS-2 3
- 8 Single Pump Mount 001-2501C 2
- 24 Nozzle Cap 004-4723
- 3 9 Main Pump Mount 001-2501B
- 1 NP Tank Cap Gasket
- 005-9022CG 1 10 RFV Module Harness
- 006-5650FM 1 NP Filter Bowl Assembly
- 002-4314 111 Rubber Hose 002-9003AS
- 60ft NP Jiffy Clip 008-9014
- 2 12 3-Way Barb Tee 003-T3838
- 3 NPAll Hose Barb Elbow 003-EL38
- 1 13 Hose Clamp 002-9002
- 19 NP Hose Barb from Valve 003-A3838
- 2 14 Dye Marker Tip Mount 001-2501E
- 1 NP Hose Barb Elbow-Filter 003-EL1438
- 1 15 Dye Marker Mount Bkt 001-2501F
- 2 NP 1/4” NPT to 3/8” NPT 003-M3814
- 1 16 1/4” x 3/8” Elbow 003-EL1438 3
Harvest Tec LLC. Warranty and Liability Agreement Harvest Tec, LLC. will repair or replace components that are found to be defective within 12 months from the date of manufacture. Under no circumstances does this warranty cover any components which in the opinion of Harvest Tec, LLC. have been subjected to negligent use, misuse, alteration, accident, or if repairs have been made with parts other than those manufactured and obtainable from Harvest Tec, LLC. Our obligation under this warranty is limited to repairing or replacing free of charge to the original purchaser any part that in our judgment shows evidence of defective or improper workmanship, provided the part is returned to Harvest Tec, LLC. within 30 days of the failure. If it is determined that a non-Harvest Tec branded hay preservative has been used inside the Harvest Tec applicator system where the failure occurred, then Harvest Tec reserves the right to deny the warranty request at their discretion. Parts must be returned through the selling dealer and distributor, transportation charges prepaid. This warranty shall not be interpreted to render Harvest Tec, LLC. liable for injury or damages of any kind, direct, consequential, or contingent, to persons or property. Furthermore, this warranty does not extend to loss of crop, losses caused by delays or any expense prospective profits or for any other reason. Harvest Tec, LLC. shall not be liable for any recovery greater in amount than the cost or repair of defects in workmanship. There are no warranties, either expressed or implied, of merchantability or fitness for particular purpose intended or fitness for any other reason. This warranty cannot guarantee that existing conditions beyond the control of Harvest Tec, LLC. will not affect our ability to obtain materials or manufacture necessary replacement parts. Harvest Tec, LLC. reserves the right to make design changes, improve design, or change specifications, at any time without any contingent obligation to purchasers of machines and parts previously sold.
Revised 6/22
HARVEST TEC, LLC. P.O. BOX 632821 HARVEY STREET HUDSON, WI 54016 PHONE: 715-386-9100 1-800-635-7468 FAX: 715-381-1792 Email: [email protected]




















