HARVEST TEC 740DM Dye Sprayer Marking System

Introduction
Congratulations on purchasing a Harvest Tec Dye Sprayer Marking System. When attached to a 700 Series Automatic Applicator or 700 Series Moisture Only kit for any large square baler, will allow you to visibly mark the wet areas on your bales. The system includes the tank, pump, plumbing mounting hardware, and necessary cables. There is a parts breakdown in the back of the manual to reference if replacement parts are needed. All replacement parts and dye will be ordered through your local equipment dealer.
Tools Needed
- Standard wrench set
- Hammer
- Straight edge
- Standard socket set
- Tape measure
- Metal drilling and cutting tools
- Center punch
- Marker
Installation of Dye Sprayer Tank & Plumbing
Installation of Mounting Bracket & Tank – Large Squares
Locate the tank and mounting bracket assembly. Looking at Figures 1, 2 & 3 decide which of these mounting locations will be the most convenient and work the best for the user.
- Once tank location is decided, mark the mounting holes and drill out using a 3/8” bit.
- Fasten the mounting bracket to the baler using the 5/16” hardware provided in the kit.

- Figure 1: Common Hesston, Massey Ferguson, Challenger Balers
- Figure 2: New Holland 590,595, BB940-960A Case LBX331-432

- Figure 3: New Holland BB9060-9080 Case LB & New Holland BB Models
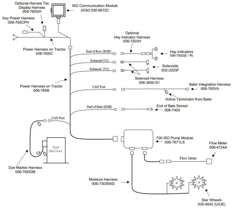
System Wiring
- Locate the wiring harness (006-765IDM) supplied in the 740 dye Sprayer Marking Kit. Attached is 12 pin plug into the module mounted on the metal frame of the dye marker.
- Plug uncapped triangle plug into the plug on a metal frame.
- Run Dye Marking harness down to the main applicator harness (006-765B or 006-765B2) and attach it to one of the two CAN plugs.
System Wiring Diagram

Installation of Plumbing
To most effectively mark the wet spots in any bale, Harvest Tec recommends that the nozzles are mounted directly above or below the Star Wheels. To get the best spray pattern focused directly on the wet spot of the bale the nozzles will need to be approximately 1” above the bale that is being marked. A small notch may need to be cut to increase surface area of the bale being marked.
- Once you have the tank and mounting bracket securely fastened to the baler, locate parts A, B, C, D & E pictured below in Figure 1 or 2. Assemble in the following order:
- Elbow
- nozzle holder
- Check valve
- reducing bushing
- tip as pictured below.
Note: All parts should be thread taped
- Once the nozzle holders are fastened to the balers, route the 3/8” hose to the tips. Make sure to fasten the hose securely but avoid pinching the lines. (Plumbing Diagram pictured in Figure 7)
- Keep from routing the hose in the way of moving parts on the baler.
- Attach drain hose top hose barb fitting at bottom of the tank. Run the hose to a secure point and attach valve assembly.

Installation of Plumbing and Wiring
- Install the tip and nozzle holder assemblies in the suggested locations pictured shown below. Use the 1/4” hardware provided to do so.

- Make sure that the tip assemblies (A) are mounted in line with the star wheels (B) so that the system is marking the wet spots of the bale.
Plumbing Diagram

Common Question
Is the marking dye safe for livestock consumption?
- The DSM uses red-colored, food-grade dye and is safe for all livestock.
How do I bleed the air out of the lines properly?
- Remove the tips from the check valves that they’re threaded into and press the prime button on the dye marker until the air is pushed out of the lines.
Troubleshooting
| Problem | Possible Cause | Solution |
| The tips are not spraying Dye |
|
|
Maintenance
- For winter storage, drain all of the liquid out of the lines and tank, and pump.
Filling Tank & First Time and Annual Startup
Filling the Tank
Remove the tank lid from the 3-gallon tank. Make sure the tank is clean and completely empty. Mix the Dye (009-0800) with warm water inside the Dye bottle. Make sure that the the bottle is shaken vigorously so that the dye completely dissolves. Once the solution is mixed, add it to the 3-gallon tank and fill the tank with water.
First Time and Annual Startup
- Once the tank has been filled the plumbing lines will need to be primed. With the system turned on and in a paused mode, hold the priming button until all the air is flushed out of the lines and there is a steady stream of liquid coming from each of the tips.
NOTE: The system needs to be primed every time the system has run out of dye.
- You can adjust the moisture content level at which you would like the system to mark the ‘Wet Flakes’ in the bale is made. This can be done by entering ‘Setup’ followed by moisture setup, then adjusting Set Point.

Operating Instructions Automatic Mode or Manual Mode
Auto & Manual mode will automatically mark bales with dye if the moisture dye marking system is turned on and moisture content sensed by the star wheels is above the moisture ‘Set Point’ level that was set by the operator.
- The moisture sensed by the star wheels is indicated below. See page 9 for set-up instructions.

Pin Outs
Integrated Dye Marker Module (IDM) on harness 006-765IDM (Deutsch Plug Number: DTM06-12SA)

- Pin Red+12V from ECU
- Pin Red/Black +12V, EOB
- Pin Black/White Ground, EOB
- Pin – –
- Pin – –
- Pin Purple Signal, EOB
- Pin Green ISO CAN Lo
- Pin Yellow ISO CAN Hi
- Pin Red/White +12 DSM
- Pin Black/White Ground DSM
- Pin Blue Prime, DSM
- Pin Black Ground from ECU
ISOBUS Plug on harness 006-765IDM (Deutsch Plug Number: DT04-4P)

- Pin Red +12V from ECU
- Pin Yellow ISO CAN Hi
- Pin Green ISO CAN Lo
- Pin Black Ground from ECU
End of Bale Sensor Plug on Harness 006-765IDM (Deutsch Plug Number: DT06-3S)
- Pin Red/Black +12V to End of Bale Sensors
- Pin Black/White Ground to End of Bale Sensors
- Pin Purple Signal
Prime Switch Plug on Harness 006-765IDM (Deutsch Plug Number: DT06-3S)
- Pin Orange/White+12V to Pump
- Pin Black/White Ground to Pump
- Pin Blue Prime
Parts Breakdown


Ref/ Description /Part /Qty
- Tank 005-9019 1
- DSM Mounting Bracket 001-2500 1
- Tank Cap 005-9022C 1
- Dye Marker Control 006-2472DM 1
- DSM Wire Harness 006-765IDM 1
- Remote Push Switch 006-2850 1
- DM Pump Switch 006-765IDM2 1
- Hose Clamp 002-9002 10
- 3/8” Barbed Tee 003-T3838 1
- 3/8” EPDM Hose 002-9003AS 26’
- DSM Pump 007-4120LF 1
- 3/4×1/4” Reducer 003-RB3414M 1
- 1/4×1/4” Nipple 003-M1414 1
- 1/4×3/8” Fitting 003-A1438 2
- 1/4″ FPT Tee 003-TT14 1
- 1/4×3/8” Elbow 003-EL1438 1
- SLV Bottle Valve 002-2216 1
- Male Quick Connect 004-4710 1
- Rubber Gasket 004-1207W 2
- Shut-Off Cap 004-1207F 1
- NP Tank Cap Gasket005-9022CG 1
- Nozzle Holder 001-4216 2
- Straight Fitting 003-A1438 2
- Quick Connect 004-1207H 2
- Rubber Gasket 004-1207W 2
- Tip Screen 004-1203-100 2
- Check Valve 004-1207V 2
- Street Elbow 003-SE14F 2
- Nozzle Body 004-4722 2
- Brass Tip 004-TX-5 2
- Nozzle Cap 004-4723 2
Harvest Tec LLC. Warranty and Liability Agreement
Harvest Tec, LLC. will repair or replace components that are found to be defective within 12 months from the date of manufacture. Under no circumstances does this warranty cover any components which in the opinion of Harvest Tec, LLC. have been subjected to negligent use, misuse, alteration, accident, or if repairs have been made with parts other than those manufactured and obtainable from Harvest Tec, LLC. Our obligation under this warranty is limited to repairing or replacing free of charge to the original purchaser any part that in our judgment shows evidence of defective or improper workmanship, provided the part is returned to Harvest Tec, LLC. within 30 days of the failure. If it is determined that a non-Harvest Tec branded hay preservative has been used inside the Harvest Tec applicator system where the failure occurred, then Harvest Tec reserves the right to deny the warranty request at their discretion. Parts must be returned through the selling dealer and distributor, and transportation charges prepaid.
This warranty shall not be interpreted to render Harvest Tec, LLC. liable for injury or damages of any kind, direct, consequential, or contingent, to persons or property. Furthermore, this warranty does not extend to loss of crop, losses caused by delays, or any expense prospective profits or for any other reason. Harvest Tec, LLC. shall not be liable for any recovery greater in amount than the cost or repair of defects in workmanship. There are no warranties, either expressed or implied, of merchantability or fitness for a particular purpose intended or fitness for any other reason. This warranty cannot guarantee that existing conditions beyond the control of Harvest Tec, LLC. will not affect our ability to obtain materials or manufacture necessary replacement parts. Harvest Tec, LLC. reserves the right to make design changes, improve design, or change specifications, at any time without any contingent obligation to purchasers of machines and parts previously sold.
HARVEST TEC, LLC.
- P.O. BOX 63 2821 HARVEY STREET HUDSON, WI 54016
- PHONE: 715-386-9100
- 1-800-635-7468
- FAX: 715-381-1792
- Email: [email protected]






















