
The SOYAL AR-888-PBI-S is a touchless infrared button used for access and industrial control. It comes with 2 terminal cables and 3 tools for installation. The product has a CN1 connector table with dip switches, LED status, and adjustment. It also has a built-in resistor and requires an external power supply current exceeding 20mA.
The product has 2 dip switch settings for output format and 4 sensing distance adjustments. It also has 3 LED status adjustments for standby mode, motion, and example #2. The product comes with wiring diagrams for electric bolt, electric strike, magnetic lock, request to exit, and door sensor. It also has a wiring diagram for LED R/G door status indication. The product requires AWG 22-24 shielded twist pair or CAT5 for TCP/IP connection.
Installation Instructions
- Pull the cables from the square holes of the eva foam gasket and mounting plate.
- Use a screwdriver to screw the mounting plate onto the wall with flat head cap Philips tapping screws (excluded, the installer should prepare before installation).
- Connect the cables to the backside of body C and attach C to B at lower position of B.
- Push C up to make the cogging hooked completely.
- Use the Allen key and screws to assemble the body C onto the mounting plate B.
- Attach the back cover D to C.


- US Mounting Hole: 73x48x40mm(HxWxD)
- Screw hole pitch : 84mm
- Suitable for 70X118 1-module flush-mounting box.( Australian, Italy, USA(501E) Standard)
- EU Mounting Hole: 57x53x40mm(HxWxD)
- Screw hole pitch : 60mm
- Suitable for 86X86 flush-mounting box.
(UK, Continental Europe, Germany Standard)
The product has an in-wall depth of 28mm to 35mm and comes with an easy install kit (by order). The mounting hole for US is 73x48x40mm (HxWxD) with a screw hole pitch of 84mm. It is suitable for 70×118 1-module flush-mounting box (Australian, Italy, USA(501E) Standard). The mounting hole for EU is 57x53x40mm (HxWxD) with a screw hole pitch of 60mm. It is suitable for 86×86 flush-mounting box (UK, Continental Europe, Germany Standard).
Installation
AR-888-PBI-S: Touchless Infrared Button

Connector Table / Dip_switch

CN1 Connector:
Dip Switch Setting 
Default Value
| Output Format | |||
| No. | SW1 | SW2 | Description |
| ※ 1 | OFF | OFF | No Delay |
| 2 | OFF | ON | Delay 3 Seconds |
| 3 | ON | OFF | Delay 6 Seconds |
| 4 | ON | ON | Toggle Mode |
| Sensing Distance Adjustment | |||
| No. | SW3 | SW4 | Description |
| ※ 1 | OFF | OFF | 1: Max. range 10cm |
| 2 | OFF | ON | 2: Medium range |
| 3 | ON | OFF | 3: Short range |
| 4 | ON | ON | 4: Min. range 2cm |
LED status adjustment

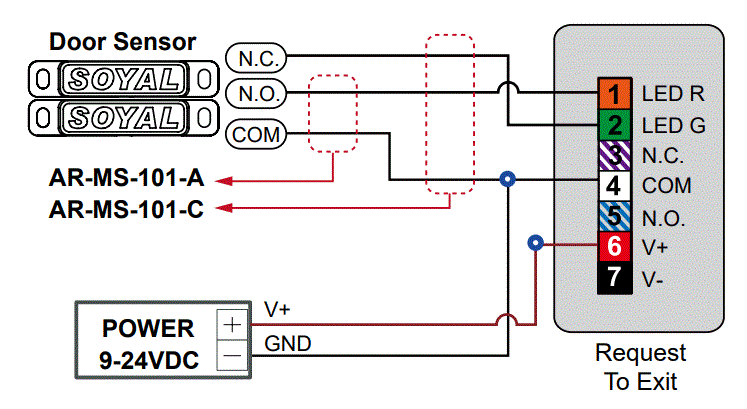
Wiring Diagrams

*The Wiring Diagram of LED R/G Door Status Indication
|
Type A | The magnetic circuit will be turned on when getting closed to the switch. (closed circuit). The magnetic circuit will be turned off after removed the magnet. (open circuit) Double contact–NO. / COM |
| Type C | Trigger LED R when door open Trigger LED G when door closed Triple contact – NO. / NC. / COM |



















