P/N: IS2800X5 REVC
Rev. C

OWNER’S MANUAL
INSTALLATION, OPERATION, & PARTS

Max-Flo™ PUMP Series
The Hayward Max-Flo™ is specifically engineered for the demanding requirements of today’s in-ground swimming pool/spa that is equipped with large capacity filters, heaters, and pool cleaning equipment. The Max-Flo™ is a self-priming pump that incorporates an improved seal and impeller design that will provide many years of efficient, dependable, corrosion-free service. The advanced design provides superior performance while reducing maintenance requirements.
Hayward Pool Products
620 Division Street, Elizabeth, NJ 07207
Phone: (908) 351.5400
www.haywardnet.com
![]()
IMPORTANT SAFETY INSTRUCTIONS
Basic safety precautions should always be followed, including the following: Failure to follow instructions can cause severe injury and/or death.
This is the safety-alert symbol. When you see this symbol on your equipment or in this manual, look for one of the following signal words and be alert to the potential for personal injury.
WARNING warns about hazards that could cause serious personal injury, death or major property damage and if ignored presents a potential hazard.
CAUTION warns about hazards that will or can cause minor or moderate personal injury and/or property damage and if ignored presents a potential hazard. It can also make consumers aware of actions that are unpredictable and unsafe.
The NOTICE label indicates special instructions that are important but not related to hazards.

WARNING – READ AND FOLLOW ALL INSTRUCTIONS in this owner’s manual and on the equipment. Failure to follow instructions can cause severe injury and/or death.
WARNING – Suction Entrapment Hazard.
Suction in suction outlets and/or suction outlet covers which are, damaged, broken, cracked, missing, or unsecured can cause severe injury and/or death due to the following entrapment hazards:
Hair Entrapment- Hair can become entangled in suction outlet cover.
Limb Entrapment- A limb inserted into an opening of a suction outlet sump or suction outlet cover that is damaged, broken, cracked, missing, or not securely attached can result in a mechanical bind or swelling of the limb.
Body Suction Entrapment- A negative pressure applied to a large portion of the body or limbs can result in an entrapment.
Evisceration/ Disembowelment – A negative pressure applied directly to the intestines through an unprotected suction outlet sump or suction outlet cover which is, damaged, broken, cracked, missing, or unsecured can result in evisceration/ disembowelment.
Mechanical Entrapment- There is potential for jewelry, swimsuit, hair decorations, finger, toe or knuckle to be caught in an opening of a suction outlet cover resulting in mechanical entrapment.

WARNING – To Reduce the risk of Entrapment Hazards:
- When outlets are small enough to be blocked by a person, a minimum of two functioning suction outlets per pump must be installed. Suction outlets in the same plane (i.e. floor or wall), must be installed a minimum of three feet (3′) [1 meter] apart, as measured from near point to near point.
- Dual suction fittings shall be placed in such locations and distances to avoid “dual blockage” by a user.
- Dual suction fittings shall not be located on seating areas or on the backrest for such seating areas.
- The maximum system flow rate shall not exceed the flow rating of as listed on Table 1.
- Never use Pool or Spa if any suction outlet component is damaged, broken, cracked, missing, or not securely attached.
- Replace damaged, broken, cracked, missing, or not securely attached suction outlet components immediately.
- In addition two or more suction outlets per pump installed in accordance with latest ASME, APSP Standards and CPSC guidelines, follow all National, State, and Local codes applicable.
- Installation of a vacuum release or vent system, which relieves entrapping suction, is recommended.
WARNING – Failure to remove pressure test plugs and/or plugs used in winterization of the pool/spa from the suction outlets can result in an increase potential for suction entrapment as described above.
WARNING – Failure to keep suction outlet components clear of debris, such as leaves, dirt, hair, paper and other material can result in an increase potential for suction entrapment as described above.
WARNING – Suction outlet components have a finite life, the cover/grate should be inspected frequently and replaced at least every ten years or if found to be damaged, broken, cracked, missing, or not securely attached.
CAUTION – Components such as the filtration system, pumps and heater must be positioned so as to prevent their being used as means of access to the pool by young children.
WARNING – Never operate or test the circulation system at more than 50 PSI.
WARNING – Never change the filter control valve position while the pump is running.
WARNING – To reduce risk of injury, do not permit children to use or climb on this product. Closely supervise children at all times. Components such as the filtration system, pumps, and heaters must be positioned to prevent children from using them as a means of access to the pool.

WARNING – Hazardous Pressure. Pool and spa water circulation systems operate under hazardous pressure during start up, normal operation, and after pump shut off. Stand clear of circulation system equipment during pump start up. Failure to follow safety and operation instructions could result in violent separation of the pump housing and cover, and/or filter housing and clamp due to pressure in the system, which could cause property damage, severe personal injury, or death. Before servicing pool and spa water circulation system, all system and pump controls must be in off position and filter manual air relief valve must be in open position. Before starting system pump, all system valves must be set in a position to allow system water to return back to the pool. Do not change filter control valve position while system pump is running. Before starting system pump, fully open filter manual air relief valve. Do not close filter manual air relief valve until a steady stream of water (not air or air and water) is discharged.

WARNING – Separation Hazard. Failure to follow safety and operation instructions could result in violent separation of pump and/or filter components. Strainer cover must be properly secured to pump housing with strainer cover lock ring. Before servicing pool and spa circulation system, filters manual air relief valve must be in open position. Do not operate pool and spa circulation system if a system component is not assembled properly, damaged, or missing. Do not operate pool and spa circulation system unless filter manual air relief valve body is in locked position in filter upper body.

WARNING – Risk of Electric Shock. All electrical wiring MUST be in conformance with applicable local codes, regulations, and the National Electric Code (NEC). Hazardous voltage can shock, burn, and cause death or serious property damage. To reduce the risk of electric shock, do NOT use an extension cord to connect unit to electric supply. Provide a properly located electrical receptacle. Before working on any electrical equipment, turn off power supply to the equipment.
WARNING – To reduce the risk of electric shock replace damaged wiring immediately. Locate conduit to prevent abuse from lawn mowers, hedge trimmers and other equipment.
WARNING – Electrical ground all electrical equipment before connecting to electrical power supply. Failure to ground all electrical equipment can cause serious or fatal electrical shock hazard.
WARNING – Do NOT ground to a gas supply line.
WARNING – To avoid dangerous or fatal electrical shock, turn OFF power to all electrical equipment before working on electrical connections.
WARNING – Failure to bond all electrical equipment to pool structure will increase risk for electrocution and could result in injury or death. To reduce the risk of electric shock, see installation instructions and consult a professional electrician on how to bond all electrical equipment. Also, contact a licensed electrician for information on local electrical codes for bonding requirements.
Notes to electrician: Use a solid copper conductor, size 8 or larger. Run a continuous wire from external bonding lug to reinforcing rod or mesh. Connect a No. 8 AWG (8.4 mm²) [No. 6 AWG (13.3 mm²) for Canada] solid copper bonding wire to the pressure wire connector provided on the electrical equipment and to all metal parts of swimming pool, spa, or hot tub, and metal piping (except gas piping), and conduit within 5 ft. (1.5 m) of inside walls of swimming pool, spa, or hot tub.
IMPORTANT – Reference NEC codes for all wiring standards including, but not limited to, grounding, bonding and other general wiring procedures.
WARNING – Risk of Electric Shock. Connect only to a branch circuit protected by a ground-fault circuit-interrupter (GFCI). Contact a qualified electrician if you cannot verify that the circuit is protected by a GFCI.
WARNING – Risk of Electric Shock. The electrical equipment must be connected only to a supply circuit that is protected by a ground-fault circuit-interrupter (GFCI). Such a GFCI should be provided by the installer and should be tested on a routine basis. To test the GFCI, push the test button. The GFCI should interrupt power. Push reset button. Power should be restored. If the GFCI fails to operate in this manner, the GFCI is defective. If the GFCI interrupts power to the electrical equipment without the test button being pushed, a ground current is flowing, indicating the possibility of an electrical shock. Do not use this electrical equipment. Disconnect the electrical equipment and have the problem corrected by a qualified service representative before using.
CAUTION – This pump is intended for use with permanently-installed pools and may be used with hot tubs and spas if so marked. Do not use with storable pools. A permanently-installed pool is constructed in or on the ground or in a building such that it cannot be readily disassembled for storage. A storable pool is constructed so that it is capable of being readily disassembled for storage and reassembled to its original integrity.
SAVE THESE INSTRUCTIONS
General Information
Introduction
This manual contains information for the proper installation and operation of the Hayward Max-Flo™ Series. The instructions in this manual MUST be followed precisely. Failure to install according to defined instructions will void warranty.
Product Benefits
- Exclusive swing-aside knobs make strainer cover removal easy.
- See-thru strainer cover lets you see when the basket needs cleaning.
- Strainer basket incorporates an integral an integral handle for easy removal. Load extender ribbing ensures free flowing operations.
- Heavy-duty, high performance motor for quieter, cooler operation.
- Service-ease design gives simple access to all internal parts.
- Self-priming (suction lift up to 8′ above water level)
Product Specifications


PUMP PART NUMBER | LENGTH “A” |
| SP2805X7 | 14″ |
SP2807X10 | 14-3/8″ |
| SP2810X15 | 15-1/2″ |
SP2815X20 | 16″ |
| SP2810X152 | 13-7/8″ |
Installation Instructions
WARNING – This product should be installed and serviced only by a qualified professional.
Pump Location

Locate pump as close to pool as practical and run suction lines as direct as possible to reduce friction loss. Suction lines should have continuous slope upward from lowest point in line. Joints must be tight (but not over-tightened). Suction line diameter must equal or be larger than the discharge line diameter.
Though the pump is designed for outdoor use, it is strongly advised to protect the electrical components from the weather. Select a well-drained area, one that will not flood when it rains. Do NOT install pump in a damp or non-ventilated location. Keep motor clean. Pump motors require free circulation of air for cooling.
Pump Mounting
Install pump on a firm, level base or pad to meet all local and national codes. Fasten pump to base or pad with screws or bolts to further reduce vibration and stress on pipe or hose joints. The base MUST be solid, level, rigid, and vibration free.
Pump mount must:
- Allow pump inlet height to be as close to water level as possible.
- Allow use of short, direct suction pipe (to reduce friction losses).
- Allow for gate valves in suction and discharge piping.
- Be protected from excess moisture and flooding.
- Allow adequate access for servicing pump and piping.
- Incorporate a straight portion of pipe prior to pump inlet no less than (5) pipe diameters in length.
Pipe Sizing Chart
MAXIMUM RECOMMENDED SYSTEM FLOW RATE BY PIPE SIZE | |||||
| Pipe Size | Flow rate | Water Velocity | Pipe Size | Flow rate | Water Velocity |
inches [mm] | GPM [Liter/Min] | ft/sec [meters/sec] | inches [mm] | GPM [Liter/Min] | ft/sec [meters/sec] |
| 1 ½” | 50.76 | 8 | 2 ½” | 119.40 | 8 |
[50] | [192] | [2.44] | [75] | [452] | [2.44] |
| 2” | 83.65 | 8 | 3” | 184.32 | 8 |
[63] | [317] | [2.44] | [90] | [698] | [2.44] |
NOTE – No system should allow any higher than 8-ft/sec [2.44 meters/sec] water velocity. It is recommended that a minimum length of piping, equivalent to 10 pipe diameters, be used between the pump suction inlet and any plumbing fittings.

WARNING – Hazardous Pressure. Pumps, filters, and other equipment/ components of a swimming pool filtration system operate under pressure. Incorrectly installed and/or improperly tested filtration equipment and/or components may fail resulting in injury and/or property damage.
Plumbing
Use Teflon tape to seal threaded connections on molded plastic components. All plastic fittings must be new or thoroughly cleaned before use. NOTE – Do NOT use Plumber’s Pipe Dope as it may cause cracking of the plastic components. When applying Teflon tape to plastic threads, wrap the entire threaded portion of the male fitting with one to two layers of tape. Wind the tape clockwise as you face the open end of the fitting, beginning at the end of the fitting. The pump suction and outlet ports have molded-in thread stops. Do NOT attempt to force hose connector fitting past this stop. It is only necessary to tighten fittings enough to prevent leakage. Tighten fitting by hand and then use a tool to engage fitting an additional 1 ½ turns. Use care when using Teflon tape as friction is reduced considerably; do NOT over-tighten fitting or you may cause damage. If leaks occur, remove connector, clean off old Teflon tape, re-wrap with one to two additional layers of Teflon tape, and re-install connector.
Fittings
Fittings restrict flow. For better efficiency, use the fewest possible fittings (but at least two suction outlets). Avoid fittings that could cause an air trap. Pool and spa fittings MUST conform to the International Association of Plumbing and Mechanical Officials (IAPMO) standards. Use a non-entrapping suction fitting in pool (multiple drains) or double suction (skimmer and main drain).
Electrical

WARNING – All wiring must be done by a licensed electrician and must conform to all local and national codes and regulations.
WARNING – Ground and bond motor before connecting to electrical power supply. Failure to ground and bond pump motor can cause serious or fatal electrical shock hazard.
WARNING – Do NOT ground to a gas supply line.
WARNING – To avoid dangerous or fatal electrical shock, turn OFF power to motor before working on electrical connections.
WARNING – Ground Fault Circuit Interrupter (GFCI) tripping indicates electrical problem. If GFCI trips and won’t reset, consult electrician to inspect and repair electrical system.
WARNING – Fire Hazard. Match supply voltage to motor nameplate voltage.
Insure that the electrical supply available agrees with the motor’s voltage, phase, and cycle, and that the wire size is adequate for the HP (kW) rating and distance from the power source. NOTE – All electrical wiring MUST be performed by a licensed electrician, and MUST conform to local codes and NEC regulations. Use copper conductors only.
ELECTRICAL GUIDE – 60 CYCLE MOTORS – SINGLE PHASE | |||||
| MOTOR | VOLTS | CIRCUIT BREAKER RATINGS-AMPS | BRANCH FUSETRON RATINGS-AMPS | RECOMMENDED WIRE SIZE 0-50’ | |
KW | HP | ||||
| .37 | 1/2 | 115 | 15 | 15 | No. 14 |
.55 | 3/4 | 115 | 15 | 15 | No. 14 |
| 230 | 10 | 6.25 | No. 14 | ||
.75 | 1 | 115 | 20 | 20 | No. 12 |
| 230 | 10 | 9 | No. 14 | ||
1.1 | 1-1/2 | 115 | 30 | 30 | No. 10 |
| 230 | 15 | 15 | No. 14 | ||
1.55 | 2 | 115 | 30 | 30 | No. 10 |
| 230 | 15 | 12 | No. 14 | ||
1.88 | 2-1/2 | 230 | 20 | 20 | No. 12 |
Voltage
Voltage at motor MUST NOT be more than 10% above or below motor name plate rated voltage, or motor may overheat, causing overload tripping and reduced component life. If voltage is less than 90% or more than 110% of rated voltage when motor is running at full load, consult Power Company.
Grounding And Bonding
Install, ground, bond, and wire motor in accordance with local or national electrical code requirements.
Permanently ground motor. Use green ground terminal provided under motor canopy or access place; use size and type wire required by code. Connect motor ground terminal to electrical service ground.
Bond motor to pool structure. Bonding will connect all metal parts within and around the pool with a continuous wire. Bonding reduces the risk of a current passing between bonded metal objects, which could potentially cause electrical shock if grounded or shorted. Reference NEC codes for all wiring standards including, but not limited to, grounding, bonding and general wiring procedures.
Use a solid copper conductor, size 8 or larger. Run wire from external bonding lug to reinforcing rod or mesh. Connect a No. 8 AWG (8.4 mm²) solid copper bonding wire to the pressure wire connector provided on the motor housing and to all metal parts of swimming pool, spa, or hot tub, and to all electrical equipment, metal piping (except gas piping), and conduit within 5 ft. (1.5 m) of inside walls of swimming pool, spa, or hot tub.
Wiring
WARNING – A licensed electrician must do all wiring.
Pump MUST be permanently connected to circuit. If other lights or appliances are also on the same circuit, be sure to add their amp loads before calculating wire and circuit breaker sizes. Use the load circuit breaker as the Master On-Off switch.
Install a Ground Fault Circuit Interrupter (GFCI) in circuit; it will sense a short-circuit to ground and disconnect power before it becomes dangerous to pool users. For size of GFCI required and test procedures for GFCI, see manufacturer’s instructions. Pump MUST be permanently connected to GFCI. In case of a power outage, check GFCI for tripping, which will prevent normal pump operation. Reset if necessary.
Start-Up & Operation

WARNING – All suction and discharge valves MUST be OPEN, as well as filter air relief valve (if available) on filter, when starting the circulating pump system. Failure to do so could result in severe personal injury.
Starting/Priming the Pump:
Pumps with single speed motors are self priming to 8 ft. and pumps with 2 speed motors are self priming to 8 ft. on high speed only. Fill strainer housing with water to suction pipe level. If water leakage occurs from anywhere on the pump or filter, DO NOT start the pump. If no leakage occurs, stand at least 10 feet from pump and/or filter and proceed with starting the pump.
WARNING – Return to filter to close filter manual air relief valve when a steady stream of water (not air or air and water) is discharged from valve. Failure to do so could result in severe personal injury.
ATTENTION – NEVER OPERATE THE PUMP WITHOUT WATER. Water acts as a coolant and lubricant for the mechanical shaft seal. NEVER run pump dry. Running pump dry may damage seals, causing leakage, flooding, and voids warranty. Fill strainer housing with water before starting motor.
ATTENTION – Do NOT add chemicals to pool/spa system directly in front of pump suction. Adding undiluted chemicals may damage pump and voids warranty.
ATTENTION – Before removing strainer cover:
- STOP PUMP before proceeding.
- CLOSE VALVES in suction and outlet pipes.
- RELEASE ALL PRESSURE from pump and piping system using filter manual air relief valve. See filter owner’s manual for more details.
- If water source is higher than the pump, pump will prime itself when suction and outlet valves are opened. If water source is lower than the pump, unscrew and remove strainer cover; fill strainer housing with water.
- Clean and lubricate strainer cover O-ring with “Jack’s 327” each time it is removed. Inspect O-ring and re-install on strainer cover.
- Replace strainer cover on strainer housing; turn strainer cover hand knobs clockwise to tighten cover.
NOTE – Tighten strainer cover knobs by hand only (no wrenches).
Before re-starting pump, see “Starting/Priming the Pump” instructions.
ATTENTION – Wait five (5) seconds before re-starting pump. Failure to do so may cause reverse rotation of motor and consequent serious pump damage.
Turn on power and wait for pump to prime, which may take up to five (5) minutes. Priming time will depend on vertical length of suction lift and horizontal length of suction pipe. If pump does NOT prime within five minutes, stop motor and determine cause. Be sure all suction and discharge valves are open when pump is running. See Troubleshooting Guide.
Maintenance
- Clean strainer basket regularly. Do NOT strike basket to clean. Inspect strainer cover gasket regularly and replace as necessary.
- Hayward pumps have self-lubricating motor bearings and shaft seals. No lubrication is necessary.
- Keep motor clean. Insure air vents are free from obstruction to avoid damage. Do NOT use water to hose off motor.
- Occasionally, shaft seals must be replaced, due to wear or damage. Replace with genuine Hayward seal assembly kit. See “Shaft Seal Change Instructions” in this manual.
Storage/Winterization

WARNING – Separation Hazard. Do not purge the system with compressed air. Purging the system with compressed air can cause components to explode, with risk of severe injury or death to anyone nearby. Use only a low pressure (below 5 PSI), high volume blower when air purging the pump, filter, or piping.
ATTENTION – Allowing the pump to freeze will void the warranty.
ATTENTION – Use ONLY propylene glycol as antifreeze in your pool/spa system. Propylene glycol is non-toxic and will not damage plastic system components; other anti-freezes are highly toxic and may damage plastic components in the system.
Drain all water from pump and piping when expecting freezing temperatures or when storing pump for a long time (see instructions below).
Keep motor dry and covered during storage. To avoid condensation/corrosion problems, do NOT cover or wrap pump with plastic film or bags.
Storing Pump For Winterization

WARNING – To avoid dangerous or fatal electrical shock hazard, turn OFF power to motor before draining pump. Failure to disconnect power may result in serious personal injury or death.
- Drain water level below all inlets to the pool.
- Remove drain plugs from bottom of strainer body, and remove strainer cover from strainer housing.
- Disconnect pump from mounting pad, wiring system (after power has been turned OFF), and piping system.
- Once the pump is removed of water, re-install the strainer cover and drain plugs. Store pump in a dry area.
Shaft Seal Change Instructions
IMPORTANT SAFETY INSTRUCTIONS
PLEASE READ AND FOLLOW ALL INSTRUCTIONS
When servicing electrical equipment, basic safety precautions should always be observed including the following. Failure to follow instructions may result in injury.
A.
WARNING – To reduce risk of injury, do not permit children to use this product.
B. Disconnect all electrical power service to pump before beginning shaft seal replacement.
C. Only qualified personnel should attempt rotary seal replacement. Contact your local authorized Hayward Dealer or service center if you have any questions.
Exercise extreme care in handling both the rotating and the stationary sections of the two-part replacement seal. Foreign matter or improper handling will easily scratch the graphite and ceramic sealing surfaces.
Removing the Motor Assembly (See Parts Diagram on page 10 of this manual for pump component locations.)
1. Remove the four (4) 3/8″ x 2″ housing cap screws which hold the motor assembly to the pump/strainer housing.
2. Slide the motor assembly out of the pump/strainer housing, exposing the diffuser. Pull the diffuser off of the seal plate, exposing the impeller. (The diffuser may remain in the pump/strainer housing. To remove, pull it straight out of the pump/strainer housing.)
Removing the Impeller (See Parts Diagram on page 10 of this manual for pump component locations.)
3. Remove the motor end cover by removing the two (2) screws or pry off the cap covering the motor shaft. Hex shaped caps must be twisted off.
4. To prevent motor shaft from turning, carefully slide a 7/16″ open-end wrench between the capacitor and the centrifugal switch (the wrench fits over the two (2) flats on the motor shaft). Some motors may require a larger wrench be placed in slot at end of shaft to keep motor shaft from turning.
5. Rotate the impeller counterclockwise and remove. The spring portion of the seal assembly is now exposed. Note carefully the position of the spring seal, and remove it. NOTE – Replace motor cover to protect delicate motor parts.
Removing the Ceramic Seat (See Parts Diagram on page 10 of this manual for pump component locations.)
6. Remove the seal plate. Note the tabs on the sides of the plate and the mating grooves on the front of the motor mounting plate.
7. Press the ceramic seat with rubber cup out of the seal plate. If tight, use a small screwdriver to tap seal out. STOP – Clean all recesses & parts to be reassembled. Inspect gaskets & replace if necessary.
Seal Installation (See Parts Diagram on page 10 of this manual for pump component locations.)
8. Clean and lightly lubricate the impeller hub and seal recess in the seal plate with a dilute solution of nongranulated liquid-type soap.
9. Gently wipe the black, polished surface of the spring seal assembly with a clean, soft, cotton cloth. Press the spring seal assembly onto the impeller hub – black polished surface facing away from the impeller.
10. Gently wipe the polished surface of the ceramic seal with a clean, soft, cotton cloth. Lubricate the rubber cup on the ceramic seat and press it firmly and evenly into the recess of the seal plate – polished side facing out.
Replacing the Impeller and Diffuser (See Parts Diagram on page 10 of this manual for pump component locations.)
11. Place the seal plate onto the motor mounting plate, aligning the tabs on the seal plate with the grooves on the motor mounting plate.
12. Screw the impeller onto the motor shaft in a clockwise direction. Tighten snugly by holding motor shaft with wrench as noted in step #4.
13. Place the diffuser over the impeller onto the seal plate fitting positioning lug between the two (2) guides.
Replacing the Motor Assembly (See Parts Diagram on page 10 of this manual for pump component locations.)
14. Fasten motor end cover by using the two (2) hex shaped screws. Slide the motor assembly with the diffuser in place, into pump/strainer housing, being careful not to disturb the diffuser gasket.
15. Fasten assembly to pump/strainer housing using the four (4) 3/8″” x 2″ housing cap screws. (Be sure housing gasket is in place, and replace if damaged). Tighten alternately and evenly.
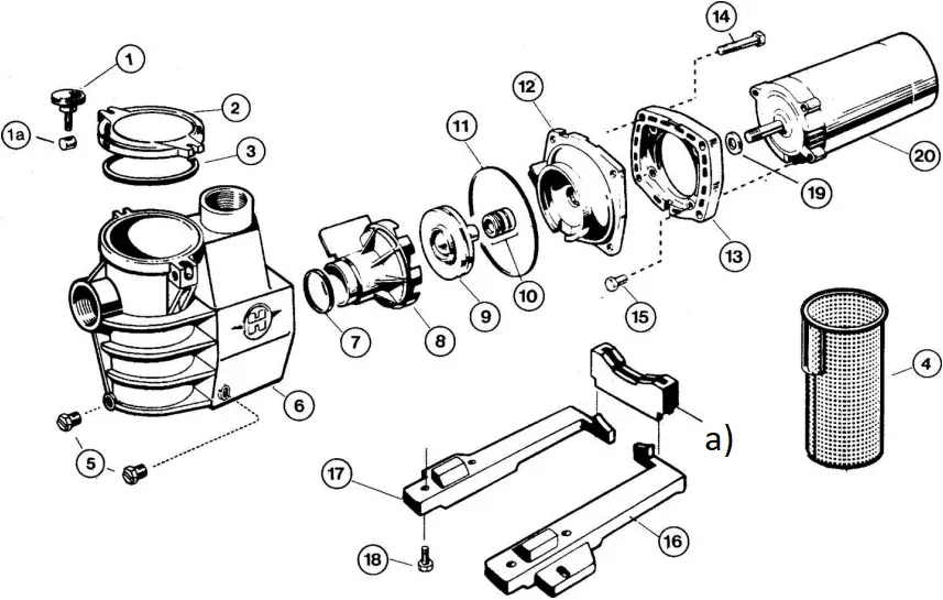
Replacement Parts
Parts Diagram

a) SP1600Q Mounting Adapter.
Optional with some motors.
Parts Listing
REF. NO. | DESCRIPTION | NO. REQ’D. | PART NUMBER | ||||
| MODEL SP2805X7 | MODEL SP2807X10 | MODEL SP2810X15 | MODEL SP2815X20 | MODEL SP2810X152 | |||
1 | HAND KNOB | 2 | SPX1600P | SPX1600P | SPX1600P | SPX1600P | SPX1600P |
1a | SWIVEL NUT | 2 | SPX1600N | SPX1600N | SPX1600N | SPX1600N | SPX1600N |
2 | STRAINER COVER | 1 | SPX1250L | SPX1250L | SPX1250L | SPX1250L | SPX1250L |
3 | STRAINER COVER GASKET | 1 | SPX125T | SPX125T | SPX125T | SPX125T | SPX125T |
4 | BASKET | 1 | SPX2800M | SPX2800M | SPX2800M | SPX2800M | SPX2800M |
5 | DRAIN PLUG W/ GASKET | 2 | SPX1700FG | SPX1700FG | SPX1700FG | SPX1700FG | SPX1700FG |
6 | PUMP/STRAINER HOUSING | 1 | SPX2800AA | SPX2800AA | SPX2800AA | SPX2800AA | SPX2800AA |
7 | DIFFUSER GASKET | 1 | SPX1600R | SPX1600R | SPX1600R | SPX1600R | SPX1600R |
8 | DIFFUSER | 1 | SPX2800B | SPX2800B | SPX2800B | SPX2800B | SPX2800B |
9 | IMPELLER | 1 | SPX2605C | SPX2607C | SPX2610C | SPX2615C | SPX2610C |
10 | SEAL ASSEMBLY | 1 | SPX1600Z2 | SPX1600Z2 | SPX1600Z2 | SPX1600Z2 | SPX1600Z2 |
11 | HOUSING GASKET | 1 | SPX1600T | SPX1600T | SPX1600T | SPX1600T | SPX1600T |
12 | SEAL PLATE | 1 | SPX2600E | SPX2600E | SPX2600E | SPX2600E | SPX2600E |
13 | MOTOR MOUNTING PLATE | 1 | SPX1600F | SPX1600F | SPX1600F | SPX1600F | SPX1600F |
14 | HOUSING CAP SCREW | 4 | SPX1600Z4 | SPX1600Z4 | SPX1600Z4 | SPX1600Z4 | SPX1600Z4 |
15 | MOTOR CAP SCREW | 4 | SPX125Z4 | SPX125Z4 | SPX125Z4 | SPX125Z4 | SPX125Z4 |
16 | MOUNTING FOOT (LEFT) | 1 | SPX1600G | SPX1600G | SPX1600G | SPX1600G | SPX1600G |
17 | MOUNTING FOOT (RIGHT) | 1 | SPX1600J | SPX1600J | SPX1600J | SPX1600J | SPX1600J |
18 | MOUNTING FOOT CAP SCREW | 2 | SPX1600Z5 | SPX1600Z5 | SPX1600Z5 | SPX1600Z5 | SPX1600Z5 |
19 | SLINGER | 1 | SPX0125F | SPX0125F | SPX0125F | SPX0125F | SPX0125F |
20 | MOTOR-60 CYCLE SINGLE PHASE | 1 | SPX1605Z1M | SPX1607Z1M | SPX1610Z1M | SPX1615Z1M | SPX1610Z2M |
Troubleshooting
Motor Will NOT Start – Check For:
Make sure the terminal board connections agree with the wiring diagram on motor data plate label. Be sure motor is wired for available field supply voltage.
- Improper or loose wiring connections; open switches or relays; tripped circuit breakers, GFCI’s, or blown fuses.
Solution: Check all connections, circuit breakers, and fuses. Reset tripped breakers or replace blown fuses. - Manually check rotation of motor shaft for free movement and lack of obstruction.
Solution: Refer to Steps 4 & 5 of “Shaft Seal Change Instructions” in this manual. - If you have a timer, be certain it is working properly. Bypass it if necessary.
Motor Shuts OFF – Check For:
- Low voltage at motor or power drop (frequently caused by undersized wiring or extension cord use).
Solution: Contact qualified professional to check that the wiring gauge is heavy enough.
NOTE – Your Hayward pump motor is equipped with an “automatic thermal overload protector.” The motor will automatically shut off if power supply drops before heat damage can build up causing windings to burn out. The “thermal overload protector” will allow the motor to automatically restart once the motor has cooled. It will continue to cut On/Off until the problem is corrected. Be sure to correct cause of overheating.
Motor Hums, But Does NOT Start – Check For:
- Impeller jammed with debris.
Solution: Have a qualified repair professional open the pump and remove the debris.
Pump Won’t Prime, Check For:
- Empty pump/strainer housing.
Solution: Make sure pump/strainer housing is filled with water and cover o-ring is clean. Ensure o-ring is properly seated in the cover o-ring groove. Ensure o-ring is lubricated with “Jack’s 327” and that strainer cover is locked firmly in position.
Lubricant will help to create a tighter seal. - Loose connections on suction side.
Solution: Tighten pipe/union connections.
NOTE – Any self-priming pump will not prime if there are suction air leaks. Leaks will result in bubbles emanating from return fittings on pool wall. - Leaking O-ring or packing glands on valves.
Solution: Tighten, repair, or replace valves. - Strainer basket or skimmer basket loaded with debris.
Solution: Remove strainer housing cover or skimmer cover, clean basket, and refill strainer housing with water. Tighten cover. - Suction side clogged.
Solution: Contact a qualified repair professional.
Block off to determine if pump will develop a vacuum. You should have 5”-6” of vacuum at the strainer cover (Only your pool dealer can confirm this with a vacuum gauge). You may be able to check by removing the skimmer basket and holding your hand over the bottom port with skimmer full and pump running. If no suction is felt, check for line blockage.
a. If pump develops a vacuum, check for blocked suction line or dirty strainer basket. An air leak in the suction piping may be the cause.
b. If pump does not develop a vacuum and pump has sufficient “priming water”:
i. Re-check strainer housing cover and all threaded connections for suction leaks. Check if all system hose clamps are tight.
ii. Check voltage to ensure that the motor is rotating at full RPM’s.
iii. Open housing cover and check for clogging or obstruction in suction. Check impeller for debris.
iv. Remove and replace shaft seal only if it is leaking.
Low Flow – Generally, Check For:
- Clogged or restricted strainer or suction line.
Solution: Contact a qualified repair professional. - Undersized pool piping.
Solution: Correct piping size. - Plugged or restricted discharge line of filter, valve partially closed (high gauge reading).
Solution: Sand filters – backwash as per manufacturer’s instructions; D.E. filters – backwash as per manufacturer’s instructions; Cartridge filters – clean or replace cartridge. - Air leak in suction (bubbles issuing from return fittings).
Solution: Re-tighten using Teflon tape. - Plugged, restricted, or damaged impeller.
Solution: Replace including new seal assembly.
Noisy Pump – Check For:
- Air leak in suction piping, cavitations caused by restricted or undersized suction line or leak at any joint, low water level in pool, and unrestricted discharge return lines.
Solution: Correct suction condition or throttle return lines, if practical. Holding hand over return fitting will sometimes prove this point or putting in a smaller eyeball fitting. - Vibration due to improper mounting, etc.
Solution: Mount the pump on a level surface and secure the pump to the equipment pad. - Foreign matter in pump housing. Loose stones/debris hitting impeller could be cause.
Solution: Clean the pump housing. - Motor bearings noisy from normal wear, rust, overheating, or concentration of chemicals causing seal damage which will allow chlorinated water to seep into bearings wiping out the grease causing bearing to whine.
Solution: All seal leaks should be replaced at once.
© Hayward Pool Products, 2011
All rights reserved.
PRODUCT REGISTRATION |
| DATE OF INSTALLATION __________________ INITIAL PRESSURE GAUGE READING (CLEAN FILTER) ______________ PUMP MODEL __________________ HORSEPOWER __________________ FILTER MODEL ________________ SERIAL NUMBER _________________ |
HAYWARD® Pool Products Limited Warranty
To original purchasers of this equipment, Hayward Pool Products, Inc. warrants its products to be free from defects in materials and workmanship for a period of ONE (1) year from the date of purchase, when used in single family residential applications.
The limited warranty excludes damage from freezing, negligence, improper installation, improper use or care or any Acts of God. Parts that fail or become defective during the warranty period shall be repaired or replaced, at our option, within 90 days of the receipt of defective product, barring unforeseen delays, without charge.
Proof of purchase is required for warranty service. In the event proof of purchase is not available, the manufacturing date of the product will be the sole determination of the purchase date.
To obtain warranty service, please contact the place of purchase or the nearest Hayward Authorized Service Center. For assistance on your nearest Hayward Authorized Service Center please visit us at www.havwardpool.com.
Hayward shall not be responsible for cartage, removal, repair or installation labor or any other such costs incurred in obtaining warranty replacements or repair.
The Hayward Pool products warranty does not apply to components manufactured by others. For such products, the warranty established by the respective manufacturer will apply.
The express limited warranty above constitutes the entire warranty of Hayward Pool Products with respect to its’ pool products and is in lieu of all other warranties expressed or implied, including warranties of merchantability or fitness for a particular purpose. In no event shall Hayward Pool products be responsible for any consequential, special or incidental damages of any nature.
Some states do not allow a limitation on how long an implied warranty lasts, or the exclusion of incidental or consequential damages, so the above limitation may not apply to you. This warranty gives you specific legal rights, and you may also have other rights, which vary from state to state.
Hayward Pool Products
620 Division Street
Elizabeth, NJ 07207
*Supersedes all previous publications.
▲Retain this Warranty Certificate (upper portion) in a safe and convenient location for your records.
THIS PAGE INTENTIONALLY LEFT BLANK
DETACH HERE: Fill out bottom portion completely and mail within 10 days of purchase/installation or register online.
![]()
Max-Flo™ PUMP Series
Register online at www.haywardnet.com
Please Print Clearly:
First Name _________________ Last Name _____________
Street Address ______________________________________
City _________________ State __________ Zip ___________
Phone Number _____________ Purchase Date ___________
E-Mail Address _____________________________________
Serial Number![]()
Model Number _____________________________________
Pool Capacity _______________ (U.S. Gallons)
Please include me on all e-mail communications regarding Hayward® Equipment or promotions.
Mail to: Hayward Pool Products, 620 Division Street, Elizabeth, NJ 07207
Attn: Warranty Dept
Or REGISTER YOUR WARRANTY ON-LINE AT WWW.HAYWARDNET.COM
Warranty Card Registration
| Years Pool has been in service Purchased from ____________________________ Company Name ____________________________ Address __________________________________ City ______________ State _______ Zip ________ Phone ____________________________________ |
| Type of Pool: |
| Installation for: |
USE ONLY HAYWARD GENUINE REPLACEMENT PARTS
Max-Flo™ PUMP Series
IS2800X5 REVC Rev. C














