Hayward W3SP2607X10A Super Pump

INSTALLATION AND OPERATING INSTRUCTIONS
Your Hayward self-priming centrifugal pump has been quality built and engineered to give you many years of efficient, dependable, corrosion-free service. The advanced design is such that operation and maintenance has been reduced to simple, common-sense procedures.
GENERAL TIPS ON PUMP INSTALLATION
Locate the pump as close to the pool as practical and run suction line as direct as possible. This cuts down on friction loss through pipe and fittings.
Never overtighten pipe connections – use only pipe sealants formulated specifically for Plastics, i.e. Teflon Tape, Permatex No. 2, etc. Suction line should have continuous slope from lowest point in line. Make sure suction joints are tight.
Suction pipe should be as large or larger than discharge pipe.
Damp, non-ventilated locations should be avoided. Motors require free circulation of air to aid in cooling. Insure electrical supply agrees with motor voltage, phase and cycle, and that wire size is adequate for the HP/KW rating and distance from power source. Motor must always be properly grounded. Electrical circuits should be protected by proper size ground fault circuit interrupter. Electrical wiring should be performed by qualified personnel, and must conform to local codes and regulations.
STARTING AND PRIMING INSTRUCTIONS
Fill strainer/housing with water to suction pipe level. Never operate the pump without water. Water acts as a coolant and lubricant for the mechanical shaft seal.
Open all suction and discharge valves, as well as air bleed (if available) on filter. (The air that is to be displaced from the suction line must have someplace to go.)
Turn on power and allow a reasonable time for priming. Five minutes is not unreasonable. (Priming time depends on suction lift and horizontal length of suction piping). If pump will not start, or will not prime, see TROUBLE SHOOTING GUIDE on back page.
MAINTENANCE
- Clean strainer basket regularly. Do not strike basket to clean. Inspect strainer cover gasket regularly and replace as necessary.
- Hayward pumps have self-lubricating motor bearings and shaft seals. No lubrication is necessary.
- Keep motor clean. Insure air vents are free from obstruction.
- Occasionally, shaft seals become damaged or worn and must be replaced. See instructions.
WINTERIZING/STORAGE
- Drain pump by removing drain plug(s) and store in strainer basket.
- Disconnect electrical wires and pipe connections, and store pump in a dry, well-ventilated room. Or, as a minimum precaution: Disconnect electrical wires. Remove four bolts holding bracket and motor assembly to Strainer/ Housing and store assembly in a dry, well-ventilated room. Protect remaining Strainer/Housing assembly from the elements by covering.
NOTE: Before Re-Activating pump, thoroughly clean and remove scale, dirt, etc.
HAYWARD POOL PRODUCTS CANADA, INC.
2880 Plymouth Drive, Oakville, ON L6H 5R4 1-888-238-7665
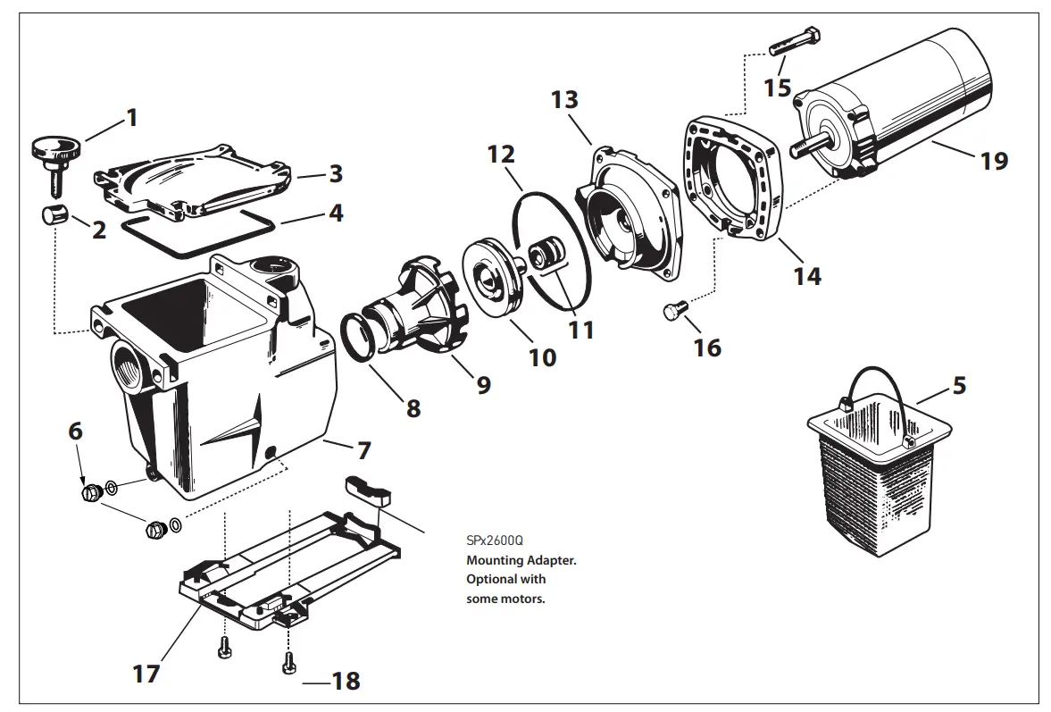
PRODUCT OVERVIEW

| PART NUMBER | ||||||||
| REF. NO. | DESCRIPTION | NO. REQ’D | MODEL SP2600X5 | MODEL SP2605X7 | MODEL SP2607X10 | MODEL SP2610X15 | MODEL SP2615X20 | MODEL SP2621X25 |
| 1 | Hand Knob | 2 | SPX1600P | SPX1600P | SPX1600P | SPX1600P | SPX1600P | SPX1600P |
| 2 | Swivel Nut | 2 | SPX1600N | SPX1600N | SPX1600N | SPX1600N | SPX1600N | SPX1600N |
| 3 | StrainerCover | 1 | SPX1600D | SPX1600D | SPX1600D | SPX1600D | SPX1600D | SPX1600D |
| 4 | StrainerCover Gasket | 1 | SPX1600S | SPX1600S | SPX1600S | SPX1600S | SPX1600S | SPX1600S |
| 5 | Basket | 1 | SPX1600M | SPX1600M | SPX1600M | SPX1600M | SPX1600M | SPX1600M |
| 6 | Drain Plug w/Gasket | 2 | SPX4000P | SPX4000P | SPX4000P | SPX4000P | SPX4000P | SPX4000P |
| 7 | Pump Housing/Strainer | 1 | SPX1600AA | SPX1600AA | SPX1600AA | SPX1600AA | SPX1620AA | SPX1620AA |
| 8 | Gasket | 1 | SPX1600R | SPX1600R | SPX1600R | SPX1600R | SPX1600R | SPX1600R |
| 9 | 1 | SPX2600B | SPX2600B | SPX2600B | SPX2600B | SPX2600B | SPX2616B | |
| 10 | Impeller | 1 | SPX2600C | SPX2605C | SPX2607C | SPX2610C | SPX2615C | SPX2621C |
| 11 | Seal Assembly | 1 | SPX1600Z2 | SPX1600Z2 | SPX1600Z2 | SPX1600Z2 | SPX1600Z2 | SPX1600Z2 |
| 12 | HousingGasket | 1 | SPX1600T | SPX1600T | SPX1600T | SPX1600T | SPX1600T | SPX1600T |
| 13 | Seal Plate | 1 | SPX2600E5 | SPX2600E5 | SPX2600E5 | SPX2600E5 | SPX2600E5 | SPX1611E5 |
| 14 | Motor Mounting Plate | 1 | SPX1600F5 | SPX1600F5 | SPX1600F5 | SPX1600F5 | SPX1600F5 | SPX1600F5 |
| 15 | Housing Cap Screw | 4 | SPX1600Z4 | SPX1600Z4 | SPX1600Z4 | SPX1600Z4 | SPX1600Z4 | SPX1600Z4 |
| 16 | Motor Cap Screw | 4 | SPX0125Z4 | SPX0125Z4 | SPX0125Z4 | SPX0125Z4 | SPX0125Z4 | SPX0125Z4 |
| 17 | Mounting Base w/ Adapter and Screws | 1 | SPX2600G1 | SPX2600G1 | SPX2600G1 | SPX2600G1 | SPX2600G1 | SPX2600G1 |
| 18 | Mounting Foot Cap Screw | 2 | SPX1600Z5 | SPX1600Z5 | SPX1600Z5 | SPX1600Z5 | SPX1600Z5 | SPX1600Z5 |
| 19 | Motor-60Cycle Single Phase | 1 | SPX1600Z1M | SPX1605Z1M | SPX1607Z1M | SPX1610Z1M | SPX1615Z1M | SPX1620Z1M |
| NOTE: For 60 cycle 3 phase or 50 cycle motors — Consult Factory, giving HP, Cycle and Phase. | ||||||||
GENERAL
Exercise extreme care in handling and installing the new seal and seat assembly. The lapped and polished surfaces may easily be damaged by dirt or scratching. For safety, all service must be performed with all power shut off.
REMOVING THE MOTOR ASSEMBLY
- Remove the (4) 3/8″ x 2″ hex head bolts which hold the motor assembly to the pump/ strainer housing.
- Slide the motor assembly out of the pump/ strainer housing, exposing the diffuser. Pull the diffuser off of the seal plate, exposing the impeller. (The diffuser may remain in the pump/ strainer housing. To remove, pull it straight out of the strainer housing).
REMOVING THE IMPELLER - Remove the motor end cover by removing the (2) screws.*
- To hold motor shaft from turning, carefully slide a 7 / 16″ wrench between the capacitor and the protector switch, and rotate the impeller so the wrench fits over the (2) flats on motor shaft.
- Rotate the impeller counter-clockwise and remove. The spring portion of the seal assembly is now exposed. Note carefully the position of the spring seal, and remove it.
NOTE: Replace motor cover to protect delicate motor parts.
REMOVING THE CERAMIC SEAT - Remove the seal plate. Note the notch on the top of the plate and the mating lug on the top of the motor mounting bracket.
- Press the ceramic seat with o-ring out of the seal plate. If tight, use a small screwdriver to tap seat out.
STOP – Clean all recesses and parts to be reassembled. Inspect gaskets and replace if necessary
SEAL INSTALLATION - Clean and lightly lubricate the impeller hub and seal recess in the seal plate with silicone or Jack’s N° 327 O-ring lube.
- Gently wipe the black, polished surface of the spring seal assembly with a clean, soft cotton cloth. Press the spring seal assembly onto the impeller hub – black polished surface facing away from the impeller.
- Gently wipe the polished face of the ceramic seat with a soft, cotton cloth. Lubricate the O-ring on the ceramic seat and press it firmly and evenly into the recess in the seal plate – polished side facing out.
- Place the seal plate onto the motor mounting bracket aligning the positioning lug and guide.
REPLACING THE IMPELLER AND DIFFUSER - Screw the impeller onto the motor shaft in a clockwise direction. Tighten snugly by holding motor shaft with wrench.
- Place the diffuser over the impeller onto the seal plate, fitting positioning lug between the two guides.
REPLACING THE MOTOR ASSEMBLY - Slide the motor assembly, with the diffuser in place, into pump/ strainer housing, being careful not to dislodge the diffuser.
- Fasten assembly to housing using the (4) 3/ 8″ x 2″ bolts. (Be sure housing gasket is in place). Tighten alternately and evenly.
* For motors without removable end cover- pry off cap at rear center of motor. Place large screwdriver in slot at end of shaft to keep shaft from turning.
ELECTRICAL GUIDE – 60 CYCLE MOTORS – SINGLE PHASE
| MOTOR HP KW | VOLTS | Circuit Breaker RATING – AMPS | RECOMMENDED WIRE SIZE 0-50’, 0-15m | |
| 1/2 | .37 | 115 | 15 | #14 |
| 3/4 | .55 | 115 | 15 | 14 |
| 230 | 15 | 14 | ||
| 1 | .75 | 115 | 20 | 12 |
| 230 | 15 | 14 | ||
| 1 1/2 | 1.12 | 115 | 30 | 10 |
| 230 | 15 | 14 | ||
| 2 | 1.55 | 230 | 15 | 14 |
| 2 1/2 | 1.87 | 230 | 20 | 12 |
TROUBLE SHOOTING GUIDE
A. MOTOR WON’T START
- Check for improper or loose connections, open switches or relays, blown circuit breakers or fuses.
- Manually check rotation of motor shaft for free movement and lack of obstruction.
B. MOTOR CUTS OUT – Check for:
- Wiring, loose connections, etc.
- Low voltage at motor (frequently caused by undersized wiring.
- Binding and overload. (Amperage reading)
NOTE: Your Hayward pump motor is equipped with Automatic Thermal Overload Protection. The motor will automatically shut off, under normal conditions, before heat damage build-up, due to an improper operating condition, can occur. The motor will auto-restart when safe heat level is reached.
C. MOTOR HUMS BUT DOES NOT START – Check for:
- Centrifugal switch stuck in open position.
- Binding of motor shaft.
D. PUMP WON’T PRIME
- Make sure pump/strainer housing is filled with water, and that cover O-Ring is clean and properly seated. Make sure strainer cover is locked firmly in position.
- Make sure all suction and discharge valves are open and unobstructed, and that pool water level is above all suction openings.
- If pump develops a vacuum, check for blocked suction line or strainer, or air leak in suction piping.
- If pump does not develop a vacuum and pump has sufficient “priming water”:
a. Tighten all bolts and fittings.
b. Check voltage to make sure pump is up to speed.
c. Open pump and check for clogging and obstruction.
d. Remove and replace shaft sea
E. LOW FLOW – Generally, Check for:
- Clogged or restricted strainer or suction line; undersized pool piping.
- Plugged or restricted discharge line of filter (high discharge gauge reading).
- Air leak in suction (bubbles issuing from return fittings).
- Pump operating un-derspeed (low voltage).
- Plugged or restricted impeller.
F. NOISY PUMP – Check for:
- Air leak in suction causing rumbling in pump.
- Cavitation due to restricted or undersized suction line and unrestricted discharge lines. Correct suction condition or throttle discharge lines, if practical.
- Vibration due to improper mounting, etc.
- Foreign matter in pump housing.
- Motor bearings made unserviceable by wear, rust, or continual overheating.
SERVICE AND REPAIRS
Consult your local authorized Hayward dealer or service center. No pumps or motors may be returned directly to the factory without the express written authorization of Hayward Pool Products Canada, Inc.
















