Adexa 58R Refrigerating Showcase

Thank you for choosing and purchasing our product.Please carefully read the operation instructions before use for a correct application and satisfactory effect.
Imported by:
- Name: Adexa Direct Limited
- Address: Unit 1 Swift Point, Cosford Lane, Swift Valley Ind Est,
- Rugby CV21 1QN United Kingdom
- www.adexa.co.uk
- [email protected]
- T:(+44) 01788 222 410
General
- Top brand fully enclosed compressor is used on the desk-top refrigerator.The refrigerant R290 or R134 a is of an environmentally friendly agent. It features a rational configuration of refrigeration system with blower forced air cooling. The temperature is quite even inside the refrigerator.
- Double hollow transparent glasses are used on door and body. It features an artistic and elegant appearance, perfect perspective and easy access.
- It has a wide application in department store and house as well as the meeting room and sitting room.
Structure and Parts

Handle and Erection
- Handle with care
- Unplng the wall socket first.
- Never tilt it over 45 degree during handling.

- Sufficient space
The distance from both sides and back of refrigerator to wall or other substance must not less than 10cm. The refrigeration capability might be decreased if its surround space is too small to circulate air.
- Far from heat source
Never place the refrigerator directly under the sunshine. Never locate it nearby any heat source or heater to prevent it from reducing refrigeration capability.
- No hole making
Never make hole on the refrigerator. Never install other matter on the refrigerator.
- Dry place
Always locate the refrigerator at a dry place.
- Well ventilation
Always locate the refrigerator at a place with fine ventilation. For the first time use, wait for 2 hours after handling and then plug the wall socket and start it.
- No heavy load
Never put any heavy load on the top of the refrigerator.
- Stable location
To avoid the unexpected noise and vibration, Unpacking and locate the refrigerator on a flat and solid place.
Preparation and Power Supply
- Exclusive power socket
Normally,the power supply should be 220-240V single phase AC with exclusive single phase three pin receptacle (250V, 1 0A) and fuse (6A).The power receptacle must have a reliable earth connection.
- Protect cables
Never break or damage the cables otherwise current leakage and fire might be resulted.
- Prevent from flammables and explosive
Never put any flanunable or explosive inside the refrigerator such as ether, gasoline,alcohol, adhesive and explosive. Never put dangerous product nearby the refrigerator.
- After power break
After power break or unplugging the refrigerator, always wait at least 5 minutes and then you may plug the refrigerator and start it again.
- No share on socket
Never let the refrigerator share the common socket with other appliance, otherwise the cable becomes hot and fire might be resulted
- No water flushing
Never giver the refrigerator surface a flush otherwise current leakage might be resulted.
- No spray
To spray the flammables such as paint or coating nearby the refrigerator is not allowed, otherwise fire might be resulted.
- No medicine
No medicine is allowed to keep inside the refrigerator.
Use and Caution
Before use:
- Plug the refrigerator on 220-240V~ exclusive socket.
- After the refrigerator running,put hand on the air suction to confirm it is sufficient cold. Then you may put food inside the cold box.
Digital Temperature controller:

- Features Of Function
- It is a mini-sized and integrated intelligent controller and applicable to the compressor of one Hp.
- The main functions are: Temperature Display/ Temperature control/Manual, automatic defrost by burning ofillllumination Control/Value Storing/self Testing/parameter Locking.
- Front Panel Operation
- Set temperature
- Press
button,the set temperature is displayed. - Press
or
button to modify and store the displayed value, - Press
button to exit the adjustment and display the cold-room temperature.
- Press
- If more button is pressed within 10 seconds, the cold-room temperature will be displayed.
- Illumination: Press
button, it lights; Press again,it stops.
Manual start/stop defrost: Press
button, and hold for 6 seconds to defrost or stop defrost. - Refrigerant LED: During refrigeration,the LED is on; When the cold room temp.is constant, the LED is off; During the delay start, the LED flashes.
- Defrost LED: during defrosting, the LED is on; When is stops defrosting, the LED is off, During the delay display of defrost, the LED flashes.
- Digital controller reset
When display shows “Disorder”, Press
button for 2s until buzzer rings, quickly press
button for 6s until buzzer rings again, the display will flash for 3s and it restores factory setting.
- Set temperature
Cautions:
- Shorten the door open time and reduce open frequency is good to keep a cold temperature inside the refrigerator.
- Never block the air suction and outlet. Keep air circulation and refrigeration capability.
- Do not make food congested as it will influence the cooling effect. Adjust the rack height for proper food storage.
- Cool the hot food down to room temperature before you put it into the refrigerator.
- Try to reduce the open times and keep refrigerator inside cold in case the power is cut off.
Use and Caution
- Only skilled service man is allowed to repair the damaged power cable with special tools.
- Never touch compressor to avoid from scald.
- This appliance is not intended for use by persons (including children)with reduced physical, sensory or mental capabilities, or lack of experience and knowledge, unless they have been given supervision or instruction concerning use of the appliance by a person responsible for their safety.
- Children should be supervised to ensure that they do not play with the appliance.
- The operation manual are not suitable for the persons (including children) with reduced physical, sensory or mental capabilities, or lack of experience and knowledge.
- Do not store explosive substances such as aerosol cans with a flammable propellant in this appliance.
- During normal operation, the emission noise level does not exceed 70dB(A)
- The maximum loading of the Shelf does not exceed 18kg.
- The climatic class of the appliance is 4, the Units are suggested to be used at l6 C-32 C ambient temperature.
- To avoid damages or other problems, this product can not be put or stored with any corrosive food.
Maintenance
Notice:
- Often keep the refrigerator clean and periodical maintenance is necessary.
- Always unplug the socket before maintenance.
- Never use damaged plug or loose socket to prevent from electric shock or short circuit.
- Never flush the refrigerator. Never use alkali detergent, soap, gasoline, acetone or brush.
Clean outside:
Dip soft cloth in neutral detergent(table ware detergent) to clean the outside of the refrigerator and then wipe it with dry soft cloth.
Clean inside:
Take rack out for cleaning with water.
Shut down refrigerator for a long time:
- Take all food out and unplug the wall socket.
- Clean both inside and outside of the refrigerator thoroughly and open the door for sufficient dry.
- The glass breaks easily. Keep the glass far from children.
- Clean the condensate tray and wipe it dry.
Trouble Shooting

Note
- Following phenomena are not troubles:
- The murmur of water is heard when the refrigerator is working. It is a normal phenomenon as the coolant is circulating in the system.
- In wet season, condensation might be found on the outside of the refrigerator. It is not a trouble, which is caused by high humidity. Simply use cloth to wipe it.
Principle of Refrigeration System
The principle of compression refrigeration consists of “compression”, “condensation”, “throttling”and”vaporization”. The compression is undertaken by compressor,the condensation is completed by condenser, The throttling is executed by capillary and the vaporization is implemented by evaporator. When the coolant is circulating in the closed refrigeration system, the compressor sucks coolant, which has absorbs heat in evaporator, the coolant becomes a high pressure and high temperature gas. In condenser, it dissipates heat in air, while the coolant is re-liquefied and throttled in capillary and then enters into evaporator with low pressure. the liquefied coolant quickly boils and vaporizes into gas when the pressure suddenly drops. Meanwhile, it absorbs heat inside the refrigerator. And the compressor sucks the low pressure and low temperature gaseous coolant. It is circulating in this way up to realization of intended refrigeration.

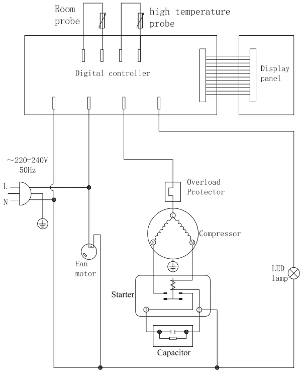
Circuit diagram

Major Parameters


Note
- The electric circuit diagram and parameters on the product name plate are final ones if they have been changed.
- The design might be improved without notice.
- If the supply cord is damaged, it must be replaced by the manufacturer, its service agent or similarly qualified persons in order to avoid a hazard.
WARNING : Refrigerant is facility burning of R290,please protect against fire.
Meaning of crossed out wheeled dustbin:
- Do not dispose of electrical appliances as unsorted municipal waste, use separate collection facilities.
- Contact you local government for information regarding the collection systems available.
- If electrical appliances are disposed of in landfills or dumps, hazardous substances can leak into the groundwater and get into the food chain, damaging your health and well-being.
- When replacing old appliances with new ones, the retailer is legally obligated to take back your old appliance for disposals at least free of charge.




































