Adexa 220 Open Display Wall Cabinet Multideck Refrigerator

General
This product is a type of chilling cabinet, which is our new development of refrigeration combining the advanced technologies from both and abroad on the basis of food cabinet standards and corporate criteria. Its main kits and key components are all good brands, either and streamlined design, the product integrates the actual market demand in structural design, which better cater to the ergonomics requirements of consumers. This series applies mainly to displaying and selling of drinks, dairy products, vegetables and fruits.
Structure and parts

Handle and Erection


Pre aration and Power supply


Use and Caution
- Before use:
Plug the refrigerator on 220-240V- exclusive socket.
After the refrigerator running, put hand on the air suction to confirm it is sufficient cold. Then you may put
food inside the cold box.
This appliance is not intended for use by persons (including children)with reduced physical, sensory or mental capabilities, or lack of experience and knowledge, unless they have been given supervision or instruction concerning use of the appliance by a person responsible for their safety. Children should be supervised to ensure that they do not play with the appliance.
The operation manual are not suitable for the persons (including children) with reduced physical, sensory or mental capabilities, or lack of experience and knowledge. - Digital Temperature controller:

Features Of Function
- It is a mini-sized and integrated intelligent controller and applicable to the compressor of one Hp.
- The main functions are: Temperature Display/ Temperature control/Manual, automatic defrost by burning off/Illumination Control Nalue Storing/self Testing/parameter Locking.
Front Panel Operation
- Set temperature
Press
button, the set temperature is displayed.
Press
or
button to modify and store the displayed value,
Press
button to exit the adjustment and display the cold-room temperature. - Info more button is pressed within 10 seconds, the cold-room temperature will be displayed.
- Illumination: Press
button, it lights; Press again, it stops.
Manual start/stop defrost: Press
button and hold for 6 seconds to defrost or stop defrost. - Refrigerant LED: During refrigeration, the LED is on; When the cold room temp.is constant, the LED is off; During the delay start, the LED flashes.
- Defrost LED: during defrosting, the LED is on; When is stops defrosting, the LED is off, During the delay display of defrost, the LED flashes.
- Digital controller reset
When display shows “Disorder”, press ”
” button for 2s until buzzer rings, quickly press ”
” button for 6s until buzzer rings again, the display will flash for 3s and it restores factory setting.
Cautions
If the supply cord is damaged, it must be replaced by the manufacturer, its service agent or similarly qualified persons itn order to avoid a hazard. Never block the air suction and outlet. Keep air circulation and refrigeration capability. Do not make food congested as it will influence the cooling effect. Adjust the rack height for proper food storage. Cool the hot food down to room temperature before you put it into the refrigerator. Try to pull down the curtain and keep refrigerator inside cold in case the power is cut off. Never touch compressor to avoid from scald. Do not store explosive substances such as aerosol cans with a flammable propellant in this appliance. During normal operation, the emission noise level does not exceed 70dB(A). The maximum loading of the Shelf does not exceed 18kg. The climatic class of the appliance is 6, the Units are suggested to be used at 16’C-27°C ambient temperature. To avoid damages or other problems, this product can not be put or stored with any corrosive food .
Maintenance
- Cabinet cleaning. The product should be cleaned once a week with power supply disconnected. In cleaning please use mild rinsing water or non-corrosive cleanser essence. Do not wash it directly with water faucet.
- Leaking check. Observe all connectors and welding joints for oil stain, which indicates a must for patching measures or call for professionals.
- Frequently observe the operation of the product. Lu case of any abnormal noise, smell or smog, cut off the power supply immediately and call for professionals for help. Do not restart the product before trouble is cleared.
- We will not be responsible for any accident incurred by failures of following the notices.
Trouble Shooting
| Number | Troubles | Causes | Solutions |
| 1 | Strange noise under the bottom shelf | Fan blade broken. | Power off and fix the blade. |
|
| ||
| 2 | Non-refrigerating in spite of normal operation | Melting process Refrigerant leaking | Stop melting. Patch the leak and refill refrigerant |
| Unit failure. | Call for professionals. | ||
| Weak air from air | .Evaporator blocked by frost .. | Increase melting frequency. | |
| 3 | curtain, and higher cabinet temperature | inside fan damaged. Too low set point of temperature controller. | Replace the fan. Adjust the set point. |
| Vent blocked by storage | Remove the storage. | ||
| Insufficient refrigerant. | Refill the refrigerant. | ||
| Normal air curtain, | Too high set point of temperature controllers. | Adjust the set point for the | |
| 4 | but higher cabinet temperature | The wind curtain disturbed by strong air flow. Ambient temperature or humidity beyond | temperature controller. Removing the disturbing factors. |
| standards. | 4.Improve the conditions. | ||
| 5 | Melting water overflown |
|
|
| 6 | Normal air curtain,but Periodical fluctuation of cabinet temperature |
|
|
Note
Following phenomena are not troubles:
The murmur of water is heard when the refrigerator is working. It is a normal phenomenon as the coolant is circulating in the system.
In wet season, condensation might be found on the outside of the refrigerator. It is not a trouble, which is caused by high humidity. Simply use cloth to wipe it.
Principle of Refrigeration System
The principle of compression refrigeration consists of “compression”, “condensation”, “throttling “and” vaporization”. The compression is undertaken by compressor, the condensation is completed by condenser, The throttling is executed by capillary and the vaporization is implemented by evaporator. When the coolant is circulating in the closed refrigeration system, the compressor sucks coolant, which has absorbs heat in evaporator, the coolant becomes a high pressure and high temperature gas. In condenser, it dissipates heat in air, while the coolant is re-liquefied and throttled in capillary and then enters into evaporator with low pressure. the liquefied coolant quickly boils and vaporizes into gas when the pressure suddenly drops. Meanwhile, it absorbs heat inside the refrigerator. And the compressor sucks the low pressure and low temperature gaseous coolant. It is circulating in this way up to realization of intended refrigeration.

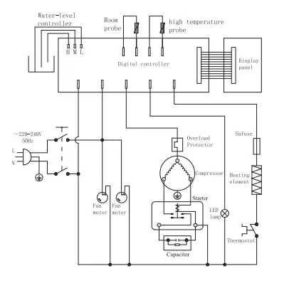
Circuit Diagram

Major Parameters

Note
- The clectric circuit diagram and parameters on the product name plate are final ones if they have been changed.
- The design might be improved without notice.
- If the supply cord is damaged, it must be replaced by the manufacturer, its service agent or similarly qualified persons in order to avoid a hazard.
ADDITIONAL WARNING:
Caution: risk of fire. The height of the triangle in the symbol shall be at least 15mm.

Meaning of crossed out wheeled dustbin:
Do not dispose of electrical appliances as unsorted municipal waste, use separate collection facilities. Contact you local movement for information regarding the collection systems available If electrical appliances are disposed of in landfills or dumps, hazardous substances can leak into the groundwater and get into the food chain, damaging your health and well-being. When replacing old appliances with new ones, the retailer is legally obligated to take back your old appliance for disposals at least free of charge.




















