Adexa CW120 Refrigerating Showcase

Thank you for choosing and purchasing our product.Please carefully read the operation instructions before use for a correct application and satisfactory effect.
General
- Top brand fully enclosed compressor is used on the desktop refrigerator.The refrigerant is of an environmentally friendly agent. It features a rational configuration of refrigeration system with blower forced air cooling.The temperature is quite even inside the refrigerator.
- Double hollow transparent glasses are used on door and body. It features an artistic and elegant appearance.perfect perspective and easy. access.
- It has a wide application in department store and house as well as the. meeting room and sitting room.
Structure and Parts

Handle and Erection

Preparation and Power Supply

Use and Caution
- Before use:
Plug the refrigerator on 220-240V exclusive socket.
After the refrigerator running,put hand on the air suction to confirm it is sufficient cold. Then you may put food inside the cold box. - Digital temperature controller

Features of function
It is a mini-sized and integrated intelligent controller and applicable to the compressor of one Hp.
The main fuctions are :Temperature Display/Temperature Control/Manual.automatic defrost by turning off/illumination ControWalue Storing /Self Testing /Parameter Locking
Front panel operation
- Set temperature
Press
button, the set temperature is displayed.
Press
or
button to modify and store the displayed value.
Press
button to exit the adjustment and display the cold-room temperature. - If no more button is pressed within 10 seconds, the cold-room temperature will be displayed.
illumination:Press
button, it lights; Press again, it stops.
Manual start/stop defrost: Press
button and hold for 6 seconds to defrost or stop defrost. - Refrigerant LED: During refrigeration, the LED is on; When the cold room temp. is constant, the LED is off; During the delay start, the LED flashes.
Defrost LED: during defrosting, the LED is on; When is stops defrosting, the LED is off, During the delay display of defrost, the LED flashes. - Refrigerant LED: During refrigeration, the LED is on; When the cold room temp. is constant, the LED is off; During the delay start, the LED flashes.
- Defrost LED: during defrosting, the LED is on; When is stops defrosting, the LED is off, During the delay display of defrost, the LED flashes.
- Digital controller reset
When display shows “Disorder”, press “
” button for 2s until buzzer rings, quickly press “
” button for 6s until buzzer rings again, the display will flash for 3s and it restores factory setting.
Cautions
Shorten the door open time and reduce open frequency is good to keep a cold temperature inside the refrigerator.
Never block the air suction and outlet. Keep air circulation and refrigeration capability.
Do not make food congested as it will influence the cooling effect.
Adjust the rack height for proper food storage.
Cool the hot food down to room temperature before you put it into the refrigerator.
Try to reduce the open times and keep refrigerator inside cold in case the power is cut off.
Only skilled service man is allowed to repair the damaged power cable with special tools.
Never touch compressor to avoid from scald.
If the supply cord is damaged, it must be replaced by the manufacturer, its service agent or similarly qualified persons in order to avoid a hazard.
This appliance is not intended for use by persons (including children) with reduced physical, sensory or mental capabilities, or lack of experience and knowledge, unless they have been given supervision or instruction concerning use of the appliance by a person responsible for their safety.
Children should be supervised to ensure that they do not play with the appliance.
The operation manual are not suitable for the persons (including children) with reduced physical, sensory or mental capabilities, or lack of experience and knowledge.
Do not store explosive substances such as aerosol cans with a flammable propellant in this appliance.
During normal operation, the emission noise level does not exceed 70dB(A).
The maximum loading of the Shelf does not exceed 18kg.
The climatic class of the appliance is 4, the Units are suggested to be used at 16C-32C (60.8 F-89.6 F) ambient temperature.
To avoid damages or other problems, this product can not be put or stored with any corrosive food
WARNING: Keep ventilation openings, in the appliance enclosure or in the built-in structure, clear of obstruction.
WARNING: Do not use mechanical devices of other means to accelerate the defrosting process, other than those recommended by the manufacturer.
WARNING: Do not damage the refrigerant circuit.
WARNING: Do not use electrical appliances inside the food storage compartments of the appliance, unless they are of the type recommended by the manufacturer.
ADDITIONAL WARNING
Caution: risk of fire. The height of the triangle in the symbol shall be at least 15mm.
Maintenance
- Notice
Often keep the refrigerator clean and periodical maintenance is necessary.
Always unplug the socket before maintenance.
Never use damaged plug or loose socket to prevent from electric shock or short circuit.
Never flush the refrigerator.Never use alkali detergent,soap, gasoline,acetone or brush. - Clean outside
Dip soft cloth in neutral detergent(tableware detergent to clean the outside of the refrigerator and then wipe it with dry soft cloth. - Clean inside
Take rack out for cleaning with water.
Use soft cloth to wipe the box. - Shut down refrigerator for a long time
Take all food out and unplug the wall socket.
Clean both inside and outside of the refrigerator thoroughly and open the door for sufficient dry.
The glass breaks easily.Keep the glass far from children. - Replacement of lamp in the light box
If the LED lamp is damaged, it must be replaced by the manufacturer, its service agent.
Trouble Shooting
| Trouble | Cause and Remedy |
| No refrigeration | Is the plug in socket well? Is the fuse broken? Is there no power? |
|
Unsatisfactory refrigeration | Is it under the sunshine?ls there any heat source nearby? Is the surrounding ventilation bad? Does the door close well?Does door open for a long time? Is the door seal strip deformed or damaged? Is food congested or too much? Does food block the air suction or outlet? Regulate the temperature controller. |
| Much noise | The refrigerator does not level. The refrigerator contacts wall or other matter. There is loose part in refrigerator. |
| Contact local service agent for help if simple trouble shooting does not solve the problems. | |
Note
Following phenomena are not troubles
The murmur of water is heard when the refrigerator is working. It is a normal phenomenon as the coolant is circulating in the system.
In wet season, condensation might be found on the outside of the refrigerator. It is not a trouble, which is caused by high humidity. Simply use cloth to wipe it.
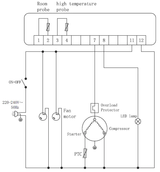
Prlnclple of Refrigeration System and Electric Circuit Diagram The principle of compression refrigeration consists of “compression” , “condensation” , “throttling” and “vaporization” . The compression is undertaken by compressor, the condensation is completed by the condenser, the throttling valve is executed by capillary and the vaporization is implemented by the evaporator. When the coolant is circulating in the closed refrigeration system, the compressor sucks coolant, which has absorbs heat in the evaporator, the coolant becomes a high-pressure and high-temperature gas. In condenser, it dissipates heat in air, while the coolant is re-liquefied and throttled in capillary and then enters into evaporator with low pressure. The liquefied coolant quickly boils and vaporizes into gas when the pressure suddenly drops. Meanwhile, it absorbs heat inside the refrigerator. And the compressor sucks the low-pressure and low-temperature gaseous coolant.It is circulating in this way up to realization of intended refrigeration.

Circuit Diagram

MaJor Parameters

Note
- The electric circuit diagram and parameters on the product nameplate are final ones if they have been changed.
- The design might be improved without notice.
WARNING: Refrigerant is facility burning of R290, please protect against fire.
Meaning of crossed-out wheeled dustbin:
Do not dispose of electrical appliances as unsorted municipal waste, use separate collection facilities.
Contact you local government for information regarding the collection systems available.
If electrical appliances are disposed of in landfills or dumps, hazardous substances can leak into the groundwater and get into the food chain, damaging your health and well-being.
When replacing old appliances with new ones, the retailer is legally obligated to take back your old appliance for disposal at least free of charge.





















