CIM68 Ice Maker
Instruction Manual
Thank you for purchasing this Adexa appliance. Read this manual carefully. paying particular attention to the safety regulations before installing and using this appliance for the first time. please keep it for future reference
IMPORTANT SAFETY REGULATIONS
When using electrical appliances, basic safety precautions should be followed to reduce the risk of fire, electric shock. And injury to persons or property. Read all instructions before operating the machine for the first time.
CAUTION: ICE CAN’T BE STORED IN THE ICE BIN DURING NIGHT-TIME, IT’S NOT FRIDGE, ICE WILL BE MELTED TO WATER AND FLOW OUT OF THE MACHINE.
- If connect with water supply,
CAUTION: must connect the potable water supply; - The machine is intended to be used in household and similar applications such as:
-staff kitchen areas in shops, offices, and other working environments;
-farmhouses
-by clients in hotels, motels, and other residential type environments;
-Catering industry and similar industries. - The machine should be used indoors and without obstacles surrounded good ventilation place. There is must be 15cm at least between the four sides of the machine with the wall.
- When using electrical appliances, basic safety precautions should be followed to reduce the risk of fire, electric shock , and injury to persons or property. Read all instructions before using any appliance.
- Don’t operate this or any other appliance with a damaged cord.
- Connect to properly polarized outlets only. No other appliance should be plugged into the same outlet. Be sure that the plug is fully inserted into the socket.
- Don’t place the machine and power cord near flammable material. Do not cover the cord. Do not submerge it in water.
- We do not recommend the use of an extension cord, as it may overheat and become a risk of fire.
- Unplug the ice maker before cleaning or making any repairs or servicing.
- Exercise caution and supervision when the appliance is used near children.
- Don’t use your ice maker outdoors. Avoid direct sunlight and make sure that there is at least 5 inches of space between the back and sides of your unit and the wall.
- Don’t use any liquid other than water in the unit to make the ice.
- Do not clean your ice maker with flammable detergents. The fumes can create a fife hazard or explosion.
- Do not tip the machine over.
- If the ice maker is brought indoors from outdoors during the wintertime, give it a few hours to warm up to room temperature before plugging into the power source.
- This unit should be properly grounded for your safety. The power cord is equipped with a three-prong plug mated with standard three-prong wall outlets to minimize the possibility of electric shock.
- Plug your appliance into a dedicated, properly installed, and grounded wall outlet. Do not, under any circumstance power and for grounding should be directed toward a certified electrician. 18. The foaming materials inside are combustible which must be kept away from fife.
- It’s forbidden to pull the cable to unplug the plug, pull the plug is a must.
IMPORTANCE: To avoid hazards due to instability, the unit must be placed on an even and flat surface.
WARNING: This appliance must be grounded.
1) The fuse on the PCB is 15A,if change, must be operated by a technician.
2) Voltage fluctuation can’t be exceeded ±10% than the rated voltage, or a Voltage stabilizer is needed.
IMPORTANCE: To avoid hazards due to instability, the unit must be placed on an even and flat surface.
OPERATING PROCEDURES
UNPACKING YOUR ICE MAKER
- Remove all exterior and interior packaging materials. Check whether all the below accessories are included or not. If any parts are missing, please contact our customer service. After you unpack the machine, we recommend you to leaving it for 24 hours before turning it on.
- Clean the interior with lukewarm water and a soft cloth or clean the unit using the Self-Clean function.
- Find a location for your ice maker where it’s protected from direct sunlight and other sources of heat (i.e. stove, furnace, radiator). Place the ice maker on a level surface. Make sure that there is at least 5 inches of space between the back and sides of your ice maker and the wall.
- Allow one hour for the refrigerant to settle before plugging the unit for initial use.
- The appliance must be positioned where the plug is accessible.
Package Contents
Warm Tips: Check whether all below accessories are included
| Accessories list | ||||
| NO | Description | Picture | Usage | QTY |
| 1 | Manual | ![]() | Operation manual | I Pc |
| 2 | Assembled Filter | ![]() | Filter water | I I)( |
| 3 | ![]() | Filter water (CIM120) | I PC | |
| 4 | Drain hose | ![]() | Drain | I PC |
| 5 | Ice spoon | ![]() | Take ice cubes | 1PC |
| 6 | Nylon cable ties | ![]() | Fix pipe if needed | 2PCS |
| 7 | Hoop | ![]() | Fasten the drain hose if needed | 1PC |
| 8 | Seal ring | ![]() | Do put it in the faucet of the intake pipe. The other one is spare. | 2PCS |
| 9 | Seal ring | ![]() | Put in the other joint of filter. (CIM120) | I 1)( |
| 9 | Spare blue clip | ![]() | Spare blue clip if needed. | 2PCS |
| 10 | Spare plug | ![]() | Spare plug which plug the tank if needed. | I PC |
| 11 | Spanner | ![]() | Twist the filter off or on (CIM120) | I PC |
| 12 | Fixed plate | ![]() | Fix the filter (CIM120) | I PC |
| 13 | Screw | ![]() | To fix the filter (CIM 120) | 6PCS |
| 14 | Feet | ![]() | Screw fee before using the machine(CIM120) | 4PCS |
| 15 | PTFE Tape | ![]() | Tie up the connector if needed (CIM120) | 1PC |
ICE MAKER INSTALLATION
Please connect your ice maker with other parts by referring the diagram below.

Connect drain pipe and water intake pipe
Warning:
- The machine can only connect with drinking water sources, and must meet local drinking water standards
- The water pressure must be in 0.1-0.4Mpa,if exceed 0.4Mpa,a pressure reducing valve must be connected.
- Drain: The outlet of the drainage pipe must be lower than the outlet on the machine.

Drain
Warning: Because the ice in the inner tank will melt, drain pipe must be connected before using, and insert the drain pipe into a container or into the sewer.
Note: Connect one end of the drain pipe to the machine, and the other end to a container or sewer.
The other port of the drain pipe must be lower than the drain port of the machine.

MACHINE OPERATIONS
Ice making operation:
- Connect the machine to the power and press the “ON/OFF” button. The “ice melding” indicator will light on.
Through “+”/”-” to increase or decrease ice making time ,which will be effected at the current cycle . Press “+” button, if the screen display “1”,means ice making time will be added 1 min, max time can be added 8min. If press “-” button and display “-1”,means ice making time will be decreased l min, the max time is 5 min. That means the time can be adjusted from -5 to 8 min. - When the countdown of time is finished, the “melting” indicator will light on. The ice cubes will come off the evaporator later.
- After the ice cubes come off. The machine will enter next cycle of ice making automatically.
Auto Turning On/Off:
- When the machine is turned off while connected to the power, press the “Reservation/Clean” button and the “+”/”-” button to set the auto-turning-on time (in hours). The machine will automatically turns on after the countdown is finished.
- When the machine is at the middle of ice making, press the “Reservation/Clean” button and the “+”r-” button to set the auto-turning-off time (in hours). The machine will automatically turns off after the countdown is finished.
Self-cleaning:
- When the machine is turned off while connected to the power, press the “Reservation/Clean” button and hold it for a while. The machine will automatically enter self-clean program.
Notes:
- If you change the countdown time during the middle of the ice making procedure, it will take effect at the next loop. You can long press the “HOT” button during the ice making to unload the ice cubes ahead of time.
- The surrounding environmental temperature will influence the time needed for ice making.

ON/OFF BUTTON:
Press this button under standby mode( display “—”) to make the machine to work, press the button for 2 seconds during working time, the machine will be power off. “+”/”-” BUTTON
- Adjust ice making time:
Through “+”/”-” to increase or decrease ice making time ,which will be effected at the current cycle. Press “+” button, if the screen display “1”,means ice making time will be added 1 min, max time can be added 8min. If press “-” button and display “-1”,means ice making time will be decreased l min, the max time is 5 min. That means the time can be adjusted from -5 to 8 min. - Set auto-turn-off /auto-turn-on time
Reservation button:
Press this button under standby mode with the reservation indicator Flicker. and the “+”/”-” button to set the auto-turning-on time(in hours from 0-24h). The machine will automatically turns on after The countdown is finished. and the “+”/”-” button to set the auto-turning-off time (in hours from 0-24h). The machine will automatically turns off after the countdown is finished.
If we succeed in reservation, the reservation light will be always on. Press reservation button to cancel the reservation and the reservation indicator will be off.
Clean button:
- Long press this button for is under standby mode to make the enter cleaning mode for 5min and with cleaning indicator is on. And it will enter standby mode after cleaning. Press cleaning button during cleaning mode to make the machine end the cleaning in advance.
- You can long press the “clean” button 2 second during the ice making to make the ice cubes drop from the ice mold ahead of time.
Light button:
Press this button to turn off the blue light, press again to turn it on.
Operation Panel (CIMI20)
- Connect and turn on the water faucet before power the machine.
- Turn on the machine, it start to replenish water with lighted “adding water” and “lack of water”, after finishing, it will enter to standby mode with “00”displayed in the screen. At the same time, “adding water” and “lack of water” will be off.
ON/OFF SWITCH
Press to make ice, and hold for 2s to turn it off.
Hold for 2s to force the ice cubes fall from the evaporator ahead of time.
When the machine is in standby mode, press the “Cleaning” button to malice the machine automatically enter self-clean program for 5 min.
A: When the machine is at the middle of ice making, press the “Reservation/+” button to increase the making time in minute.
B: When the machine is at the middle of ice making or standby mode, hold the button for 2s to set the auto-turning-on or auto-turning-on time(The time range is from 0-23 hour, in hours).
A: When the machine is at the middle of ice making, press the “Light/-” button to reduce the making time in minute.
B: Hold the button for 2s to turn off the blue light when the light is on.
Hold the button for 2s to turn on the blue light when the light is off.
A: the count down time for the ice malting procedure are serration time or “replenishing water” or standby mode.
B: “–” and standby indicator mean the machine is in standby mode.
C: “00”,”add water” and ” lack of water” indicator mean the machine is replenishing water.
CLEANING & MAINTENANCE
Please thoroughly clean your ice maker before initial use.
Exterior: the outside of the ice maker should be cleaned regularly with a mild detergent and warm water. Always use a soft cloth to avoid scratching or damaging the housing.
INTERIOR: please use the following Self-Clean function:
- Add water and vinegar or lemon juice mix (1:1 ratio)
- Plug in unit, press and hold the CLEAN button for approximately 3 seconds, then release. The unit will automatically enter Self-clean program. This process takes about 5-6 minutes. When the Self-Clean program is finished, unit will automatically power off.
- The fan blade will be rotating. This process rinses the inside parts several times.
- After the Self-Clean program is completed, unplug the power cord and drain out the water by unplugging the drain cap on the side. Replace drain cap.
- Add fresh water to the water reservoir, up to the water level mark.
- Plug the unit and repeat the Self-Clean process by repeating steps 3 to 5. This will rinse out the vinegar/lemon residue.
- After draining the water, replace and tighten drain cap.
- Dry the interior and exterior with a clean, soft cloth.
NOTE: It is strongly recommended to clean the unit before initial use or after the unit has not been in use for a long period of lime.
NOTE

As the production of ice cubes increases, the plastic panel inside the machine (shown above) might be pressed down by the ice cubes. When the plastic panel is pressed down, the machine will stop producing ice cubes automatically and the “stoppage” indicator will light on. Please clean out the ice cubes regularly for continuation of ice making.
Common malfunction analysis
| E1 | Ice full indicator is on, and an proximity switch didn’t react | Evaporator connector didn’t assemble well | Re-install the connector |
| Proximity switch is not sensitive | Replace the switch | ||
| The connector didn’t return to original position | Take away the ice to make the connector return to original position | ||
| E2 | Normal to make ice | Stop every 4 cycles, and the process of ice drop continued for 5 min | Proximity switch is not sensitive, replace it |
| No water in the tank | The water tank is not plugged | Put the plug back | |
| Use barreled water as water source | The blue tap didn’t rotate to vertical | ||
| Use barreled water as water source, but no water flow down | The water pipe was jammed, disconnect and clean it. | ||
| Use tap water as water source | Check the water supply | ||
| Water slopped over the tank | Use barreled water as water source | Check whether the water pipe was inserted well or not | |
| Use tap water as water source | The blue tap didn’t rotate to horizontal | ||
| Use tap water as water source | Water pressure is too high, water float can’t work. Adjust the water pressure or replace by a new one. | ||
| Water in the tank | No water or low flow | Pump is badly clogged up, replace or clean it | |
| The spray pipe is clogged up, clean it | |||
| Water flow and water get cool | Thin ice on the evaporator | Increase the making time through “+” | |
| very solid ice on the evaporator | Reduce the making time through “-“ | ||
| Some water sprayed to ice storage tank | Adjust the spray pipe | ||
| The water leak from the back of water tank | The tank need to be adjusted. | ||
| Water flow down but water is not cool | The main board didn’t supply electricity to compressor | Replace by a new main board | |
| Compressor didn’t work | Check the starter, replace by a new one if needed | ||
| Compressor is very hot | Replace | ||
| Compressor work but the connected copper pipe didn’t get cool | The compressor leak | ||
| E3 | The fan is not work | The condenser prob is not sensitive | Unplug the prob or replace by a new one |
| The fan is jammed | Adjust the fan | ||
| Fan is broken | Replace by a new fan | ||
| E4 | Ice full | The connector didn’t return to original position | Take away the ice to make the connector return to original position |
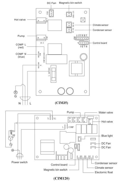
Circuit Diagram


The symbol on the product or on its package indicates that this product may not be treated as household waste. Instead it shall be handed over to the applicable collection point for the recycling of electrical and electronic equipment. By ensuring this product is disposed of correctly, you will help prevent potential negative influences for the environment and human health, which could otherwise be caused by inappropriate waste handling of this product. For more detailed information about recycling of this product. Please contact your local recycle station.


































