

IM-06D Ice Maker
Instruction Manual
IM-06D Ice Maker
Congratulations
Dear Customer:
Welcome to the Euhomy family. Thank you for purchasing one of our products.
Our goal is to provide you with superior service. If there is anything missing from or wrong with your order, or if you have any questions about using our ice maker, PLEASE contact us.
Email: [email protected]
Facebook: @Euhomy.Official
The Euhomy team is available 24/7 to address your questions, comments, and concerns. Your satisfaction is our ultimate goal. We want to make everything right so you’ll share your positive experience with other shoppers on Amazon.
If you experience any problems, please send an email to [email protected].
Our mission:
- To be the most trusted appliance brand.
- To create practical, compact appliances that better your life.
Be sure to register at www.euhomy.com/register for updates, warranty, and other relevant information.
Q&A
– The cleaning schedule depends on your usage habits. If you use your ice maker frequently, we recommend that you clean it at least once a week. Failure to clean the machine will lead to an accumulation of scale, which eventually will block the pump and cause the product to fail.
– We recommend that you use a weak solution of lemon juice in water or white vinegar in water for cleaning. Drain the ice maker immediately after cleaning. Then rinse it with pure water. Additionally, we recommend that you drain the ice maker at least once every three days. Draining reduces any water hardness. Draining also helps discharge impurities to reduce the likelihood of scale buildup in the water tank.
– Cloudy ice results from turbid water. We recommend that you use either distilled water or high-quality tap water in your ice maker. If your tap water is of low quality, we recommend that you install a water filtration system.
– We do not recommend making ice cubes out of liquids other than pure water. Our research has found that the particles in milk and other beverages can block the pump and reduce its life. Also, the protein in milk is prone to calcification, which chemically reacts with and eventually breaks the PU water pipe inside the machine, causing the ice maker to fail.
– Because the ice maker is not a refrigerator or freezer, it does not have a heat-reduction function. High ambient temperatures in warm climates and seasons will accelerate the melting of ice cubes. You can close the lid of the machine to maintain the internal temperature.
– If you wish, you can try placing electric fans close to the machine to reduce the air temperature. However, if you won’t be using the ice cubes immediately, we recommend removing them from the ice basket and storing them in the freezer.
– Either the ice-making cycle is too long or the water temperature in the inner tank is too low. You can solve this problem by stopping the ice maker and restarting the ice maker once the ice blocks have melted. – Then refill the water tank. We recommend that you always use water that is between 40 °F and 90 °F.
– The ice cubes themselves are tasteless. If you detect an odor of plastic, clean the inside of the machine with a weak solution of lemon juice in water. Run the ice maker through a few cycles. Finally, rinse the appliance with pure distilled water.
– It is normal for the machine to make a faint sound when it is running. Closing the lid can reduce this noise. If the water pump makes any noise during use, we recommend turning off the machine and cleaning the filter in the water tank. Then restart the machine to see if the noise has disappeared.
– It may be that the PVA tube inside the machine fell off during shipping. You can remove the back cover of the machine and reconnect it yourself. If you don’t know how to do this, please contact the Euhomy team. We will send you a professional video to help you solve the problem.
– Be sure to operate your ice maker in a room temperature between 50 °F and 105 °F. The water temperature should be between 40 °F and 90 °F. If you have followed these instructions, then the refrigerant has leaked. Please send us a video or picture, and the Euhomy team will help you.
Safety Precautions
Important Safety Instructions / For Household Use Only
Your safety and the safety of others are very important.
- We have provided many important safety messages in this manual and on your appliance.
- Always read and obey all safety messages.
- This is the safety alert symbol:
All safety messages are preceded by the safety alert symbol and the word “DANGER” or “WARNING”.
DANGER:
WARNING:
These words mean:
When you see one of these warnings, know that you can be seriously injured or even killed if you don’t follow the immediate instructions.
All safety messages will tell you what the potential hazard is, tell you how to reduce the chance of injury, and tell you what can happen if the instructions are not followed.
When using electrical appliances, basic safety precautions should be followed to reduce the risk of fire, electric shock, and injury to persons or property. Read all instructions before using this or any appliance.
- Do not operate this or any other appliance with a damaged cord. If the power cord is damaged, it must be replaced by the manufacturer, its service agent, or a similarly qualified individual to prevent a hazard.
- This ice maker must be positioned so that the plug is accessible. Connect to properly polarized outlets only. No other appliance should be plugged into the same outlet. Be sure that the plug is fully inserted into the receptacle.
- This ice maker must be positioned so that the plug is accessible. Connect to properly polarized outlets only. No other appliance should be plugged into the same outlet. Be sure that the plug is fully inserted into the receptacle.
- We do not recommend the use of an extension cord, as it may overheat and become a risk of fire. If you must use an extension cord, use No.14AWG minimum size and rated no less than 1875 watts.
- Unplug the ice maker before cleaning or making any repairs or servicing.
- Exercise caution and use reasonable supervision when appliance is used near children.
- Do not use your ice maker outdoors. Place the ice maker out of direct sunlight. Be sure that there is at least 4 inches of space between the back of your unit and the wall. Keep a minimum distance of 4 inches on each side of your unit clear.
- Do not use any liquid other than pure water to make ice cubes.
- Do not clean your ice maker with flammable fluids. The fumes can create a fire hazard or explosion.
- Do not allow the ice maker to tip over or be knocked over.
- If the ice maker is brought in from outside in wintertime, give it a few hours to warm up to room temperature before plugging it in.
WARNING: This appliance must be grounded.
DANGER – Risk of fire or explosion. Flammable refrigerant used. Do not use
mechanical devices to defrost ice maker. Do not puncture refrigerant tubing.- DANGER – Risk of fire or explosion. Flammable refrigerant used. To be repaired only by
trained service personnel. Do not puncture refrigerant tubing. - CAUTION – Risk of fire or explosion. Flammable refrigerant used. Consult repair manual/owner’s guide before attempting to install or service this product. All safety precautions must be followed.
- CAUTION – Risk of fire or explosion. Flammable refrigerant used. Dispose of property in accordance with federal or local regulations.
- CAUTION – Risk of fire or explosion. Flammable refrigerant used. Follow handling instructions carefully to prevent puncture of refrigerant tubing.
- The ice maker should be installed in accordance with the ASHRAE Safety Standard for Refrigeration Systems, Standard 15.
- All maintenance and repairs of the unit, including replacement of components, shall be done by factory-authorized service personnel so as to minimize the risk of possible ignition due to incorrect parts or improper service.
Note:
The wires in this mains lead are colored in accordance with the following code:COLOR WIRING Yellow Grounding White Neutral Black Live
Operation & Installation
MAIN UNIT CONSTRUCTION
- Ice scoop
- Ice Full sensor
- Ice basket
- Top cover with transparent window
- Air exhaust
- Water drain cap: at bottom front of the unit
- Maximum water level indicator: —— ▲—— Remove the ice basket to see the water level mark.
- Handle


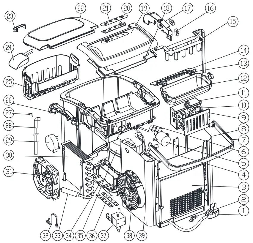
EXPLODED-VIEW DRAWING
| S/N | Part description | Qty/ Per | S/N | Part description | Qty/ Per | S/N | Part description | Qty/ Per |
| 1 | Power cord | 1 | 14 | Ice shove | 1 | 27 | Stainless wire | 1 |
| 2 | Plastic clip | 1 | 15 | Evaporator | 1 | 28 | Water supply pipe | 1 |
| 3 | Back panel | 1 | 16 | Micro switch | 2 | 29 | Synchronous motor | 1 |
| 4 | Plate back support | 1 | 17 | Inner tank bracket, LH | 1 | 30 | Condenser | 1 |
| 5 | DC water pump | 1 | 18 | Back bottom panel | 1 | 31 | DC fan motor | 1 |
| 6 | Silicon pump sealing | 1 | 19 | Back top panel | 1 | 32 | Nylon plug drain | 1 |
| 7 | Handle | 1 | 20 | Displaying PCB | 1 | 33 | Copper tube filter | 1 |
| 8 | Left side panel | 1 | 21 | Touch pad | 1 | 34 | Plastic bottom | 1 |
| 9 | Control box cover | 1 | 22 | Front top panel | 1 | 35 | Compressor | 1 |
| 10 | Main PCB | 1 | 23 | Water filter | 1 | 36 | Plate bottom support | 2 |
| 11 | Control box | 1 | 24 | Ice scoop | 1 | 37 | Magnetism valve | 1 |
| 12 | Ice making box | 1 | 25 | Ice basket | 1 | 38 | Air exhaust | 1 |
| 13 | Ice scoop link | 2 | 26 | Inner tank bracket, RH | 2 | 39 | Right side panel | 1 |
POSITION & FUNCTIONS OF CONTROL PANEL
Control panel: Easy-to-use, easy-to-read touch display.
A. Power ON/OFF button
B. Power indicator
C. Ice Full indicator
D. Add Water indicator
![]() | ![]() |
UNPACKING YOUR ICE MAKER
- Remove the exterior and interior packaging. Check if ice basket and ice scoop inside. If any parts are missing, please contact our customer service.
- Remove the tape securing the ice shovel, ice basket, and ice scoop. Clean the tank and ice basket.
- Put the ice maker on a flat, level countertop, out of direct sunlight and away from other sources of heat (e.g., stove, furnace, radiator). Ensure that there is a gap of at least 4 inches between the unit and any walls or other vertical surfaces.
- Allow one hour for the refrigerant fluid to settle before plugging the ice maker in.
- The appliance must be positioned so that the plug is accessible.
WARNING: Fill with potable (drinking) water only.
ASSEMBLE HANDLE
Rotate the handle to the same angle as the mounting hole on the machin, Put It on the machine.

CONNECTING YOUR ICE MAKER
DANGER: Improper use of the grounded plug can result in electric shock. If the power cord is damaged, please call our customer service.
- This unit should be properly grounded for your safety. The power cord of this appliance is equipped with a three-prong plug which mates with standard three-prong wall outlets to minimize the possibility of electric shock.
- Plug your appliance into an exclusive, properly installed, grounded wall outlet. Do not, under any circumstances, cut or remove the third (ground) prong from the power cord. Any questions concerning power and/or grounding should be directed toward a certified electrician.
- This appliance requires a standard 110-120 V, 60 Hz electrical outlet with three-prong ground. electrician.
AUTOMATIC SELF-CLEANING PROGRAM
- Plug in the unit. Press the Power button and hold it for at least 5 seconds to activate the self-cleaning program. The cleaning cycle takes 30 minutes.
- The Ice Full and Add Water indicators will flash alternately during the cleaning cycle.
- After the cleaning cycle has ended, drain the water from the inner tank through the drainage outlet at the bottom of the machine.
USING YOUR ICE MAKER
- Open the cover. Remove the ice basket. Pour water into the tank. Keep the water level below the mark.
- Press the Power button on the control panel to begin the ice-making cycle.
- The ice-making cycle takes 6-13 minutes, depending on the room temperature. The recommended room temperature is 50 °F to 105 °F.
- If the water pump can’t inject water, the ice maker will stop automatically and the Add Water indicator will come on. Power off the unit. Fill the water tank to the Maximum Water Level mark. Power on the unit. Allow the refrigerant liquid inside the compressor at least 3 minutes to settle before the ice-making cycle resumes.
- When the ice basket is full, the ice maker will stop automatically and the Ice Full indicator will come on.
WARNING: Direct or reflected sunlight may cause infrared sensor malfunction. If the unit does not stop once the ice basket is full and ice cubes are obstructing the sensor, move the unit out of the sunlight. - Change the water every 24 hours to keep the unit and your ice sanitary. If the unit will not be used for at least one day, drain all the water and dry the tank.
Maintenance & Tips
CLEANING AND MAINTAINING YOUR ICE MAKER
Before using your ice maker, it is strongly recommended to clean it thoroughly.
- Take out the ice basket.
- Clean the interior with warm, soapy water and a soft cloth. Use a mild dishwashing liquid or liquid hand soap for this purpose.
- Rinse the interior and inside parts with clean water. Drain out the water by unplugging the drain cap at the bottom front.
- The outside of the ice maker should be cleaned regularly with a mild detergent solution and warm water.
- Dry the interior and exterior of the unit with a clean, soft cloth.
NOTE:
Do not use organic solvents, hot water, harsh detergents, or strong acids or bases for cleaning. Empty and dry the water tank before storing the ice maker.
Technical Parameters & Circuit Diagram
TECHNICAL PARAMETERSModel IM-06D Protection Type I Power 115V/60Hz Ice-Making Current 1.5A Ice-Harvest Current 1.8A Refrigerant R600a, 0.74oz/21g ![]()
Design Pressure, High Side 290psig Low Side 88psig Vesicant C5H10 Net Weight 6.2kg Dimensions 222x294x290mm Enclosure Plastic

CIRCUIT DIAGRAM
Packing List

ADDITIONAL ACCESSORIES
| NO. | Description | Quantity |
| 1 | Manual | 1 pc |
| 2 | Ice Basket | 1 pc |
| 3 | Ice Scoop | 1 pc |
| 4 | Handle | 1 pc |
Warranty
Euhomy offers a limited 1-year warranty (“warranty period”) on all of our products purchased new and unused from Euhomy company, with an original proof of purchase and where a defect has arisen, wholly or substantially, as a result of faulty manufacture, parts, or workmanship during the warranty period. The warranty does not apply where damage is caused by other factors, including without limitation:
(a) normal wear and tear;
(b) abuse, mishandling, accident, or failure to follow operating instructions;
(c) exposure to liquid or infiltration of foreign particles;
(d) servicing or modifications of the product other than by Euhomy;
(e) commercial or non-household use.
The Euhomy warranty covers all costs related to restoring the proven defective product through repair or replacement of any defective part and necessary labor so that it conforms to its original specifications. A replacement product may be provided instead of repairing a defective product. Euphony’s exclusive obligation under this warranty is limited to such repair or replacement. A receipt indicating the purchase date is required for any claim, so please keep all receipts in a safe place. Although greatly appreciated, the product registration is not required to activate any warranty and product registration does not eliminate the need for the original proof of purchase. The warranty becomes void if attempts at repair are made by non-authorized third parties and/or if spare parts, other than those provided by Euhomy, are used.
You may also arrange for service after the warranty expires at an additional cost. These are our general terms for warranty service, but we always urge our customers to reach out to us with any issue, regardless of warranty terms. If you have an issue with a Euhomy product, please contact us ([email protected]), and we will do our best to resolve it for you.
Troubleshooting ([email protected])
| Problem | Possible Cause | Solution |
| Add Water indicator is on. | Lack of water. | Power off the ice maker. Add water. Press the Power button again to restart the unit. |
| Ice Full indicator is on. | Ice basket is full. | Remove ice from ice basket. |
| The unit could make ice 10 cycles after pressing the “ON/OFF” button 5 seconds. | ||
| Ice cubes stick together. | The ice-making cycle is too long. | Power off the ice maker and let the ice melt. Then power on the unit. |
| Water temperature in inner tank is too low. | Replace the water. Recommended water temperature is 40 °F to 90 °F. | |
| Ice-making cycle is normal, but no ice forms. | Room temperature or water temperature in inner tank is too high. | Ideal room temperature is 50 °F to 105 °F. Ideal water temperature is 40 °F to 90 °F. |
| Refrigerant in cooling system leaks. | Please contact [email protected] | |
| Pipe in the cooling system is blocked. | Please contact [email protected] |

Refresh Every Moment!
Email: [email protected]
Facebook: @Euhomy.Official




















