VIVOHOME® X002OF756H Portable Automatic Ice Maker Instruction Manual


NOTE:
To continuously improve its products, VIVOHOME reserves the right to modify this information without prior notification.
Please contact customer service via [email protected] with any questions, comments, or concerns. Thank you for using VIVOHOME products in your home!
Thank You For Purchasing From VIVOHOME
www.vivohome.com
MADE IN CHINA
IMPORTANT SAFETY INSTRUCTIONS
Your safety and the safety of others are very important.
We have provided many important safety messages manual and your appliance.
Always read and obey all safety massages.
This is the safety alert symbol:
![]()
All safety messages will follow the safety alert symbol and the word “DANGER” or “WARNING”
![]()
![]()
These words mean:
You can be killed or seriously injured if you don’t immediate follow instructions.
All safety messages will tell you what the potential hazard is, tell you how to reduce the chance of injury, and tell you what can happen if the instructions are not followed.
When using electrical appliances, basic safety precautions should be followed to reduce the risk of fire, electric shock, and injury to persons or property. Read all instructions before using any appliance.
- Do not operate this, or any other appliance with a damaged cord.
If the supply cord is damaged, it must be replaced by the manufacturer or its service agent or a similarly qualified person in order to avoid a hazard.
This ice-maker must be positioned so that the plug is accessible.
Connect to properly polarized outlets only. No other appliance should be plugged into the same outlet. Be sure that the plug is fully inserted into the receptacle. - Do not run the power cord over carpeting or other heat insulators. Do not cover the cord.
Keep cord away from traffic areas, and do not submerge in water. - We do not recommend the use of an extension cord, as it may overheat and become a risk of fire. If you must use an extension cord, use No.14AWG minimum size and rated no less than 1875 watts.
- Unplug the ice maker before cleaning or making any repairs or servicing.
- Exercise caution and use reasonable supervision when appliance is used near children.
- Do not use your ice-maker outdoors. Place the ice-maker away from direct sunlight and make sure that there is at least 4 inches of space between the back of your unit and wall.
Keep a minimum distance of 4 inches on each side of your unit free. - Do not use other liquid to make the ice-cube other than water.
- Do not clean your ice maker with flammable fluids. The fumes can create a fire hazard or explosion.
- Do not tip over.
- If the ice maker is brought in from outside in wintertime, give it a few hours to warm up to room temperature before plugging it in.
WARNING: This appliance must be earthed. - DANGER – Risk Of Fire or Explosion. Flammable Refrigerant Used. Do Not Use Mechanical Devices To Defrost Ice Maker. Do Not Puncture Refrigerant Tubing.
DANGER – Risk Of Fire Or Explosion. Flammable Refrigerant Used. To
Be Repaired Only By Trained Service Personnel. Do Not Puncture Refrigerant Tubing.- CAUTION – Risk Of Fire Or Explosion. Flammable Refrigerant Used. Consult Repair Manual/Owner’s Guide Before Attempting To Install or Service This Product. All Safety Precautions Must be Followed.
- CAUTION – Risk Of Fire Or Explosion. Dispose Of Property In Accordance With Federal Or Local Regulations. Flammable Refrigerant Used.
- CAUTION-Risk Of Fire Or Explosion Due To Puncture Of Refrigerant Tubing; Follow Handling Instructions Carefully. Flammable Refrigerant Used.
- The ice maker should be installed in accordance with the safety standard for Refrigeration Systems, ASHRAE15. The ice maker shall not be installed in corridors or hallways of public buildings.
- If the unit is with problem need to be maintained, that replacing with like components and that servicing shall be done by factory authorized service personnel, so as to minimize the risk of possible ignition due to incorrect parts or improper service.
IMPORTANT:
The wires in this mains lead are colored in accordance with the following code:
Green or Green with a strip
yellow: Grounding
White: Neutral
Black: Live
To avoid a hazard due to instability of the appliance, it must be placed at an even or flat surface.
GETTING TO KNOW YOUR UNIT
General instrucion
- Ice scoop.
- Ice full sensor
- Ace basket
- Top cover with transparent window
- Air outlet
- Water drain cap: at front btm side of the unit.
- MAXIMUM WATER LEVEL:

Remove the ice basket, you can see the water level mark.

OPERATING PROCEDURES & MAINTENANCE
Position of control panel & function
Control Panel: Easy to use, visible functions touch display setting.
A. Selected ice size displaying: Small and Large
B. Power indicator
C. Ice-Full indicator
D.Water shortage indicator
E. Button to turn on/off the unit.
F. Button to select ice cube size.


UNPACKING YOUR ICE MAKER
- Remove the exterior and interior packaging. Check if ice basket and ice scoop inside. If any parts are missing, please contact our customer service.
- Remove the tapes for fixing ice shovel, ice basket & ice scoop. Clean the tank & ice basket.
- Put the ice maker on a level & flat counter top without direct sunlight and other sources of heat (i.e.: stove, furnace, radiator). Maker sure that there is at least 4 inches gap between the back & LH/RH sides with the wall.
- Allow one hour for the refrigerant fluid to settle before plugging the ice maker in.
- The appliance must be positioned so that the plug is accessible.
CONNECTING YOUR ICE MAKER
![]()
* Improper use of the grounded plug can result in the risk of electrical shock. If the power cord is damaged please call our customer service.
- This unit should be properly grounded for your safety. The power cord of this appliance is equipped with a three-prong plug which mates with standard three prong wall outlets to minimize the possibility of electric shock.
- Plug your appliance into an exclusive, properly installed, grounded wall outlet. Do not under any circumstances, cut or remove the third (ground) prong from the power cord. Any questions concerning power and/or grounding should be directed toward a certified electrician.
- This appliance requires a standard 110-120volt, 60Hz electrical outlet with three-prong ground.
CLEANING AND MAINTAINING YOUR ICE MAKER
Before using your ice maker, it is strongly recommended to clean it thoroughly.
- Take out the ice basket.
- Clean the interior with diluted detergent, warm water and a soft cloth.
- Then use the water to rinse the inside parts, and drain out the water by unplugging the drain cap on front bottom side.
- The outside of the ice maker should be cleaned regularly with a mild detergent solution and warm water.
- Dry the interior and exterior with a clean soft cloth.
- When the machine is not to be used for a long time, drain water completely & dry the interior.
USING YOUR ICE MAKER
- Open the cover, remove the ice basket and pour water into tank.
Keep water level below the water level mark. - Press “Power” button on the control panel to begin the ice making cycle.
- Select the ice cube size by pressing the “Select” button. If the room temperature is lower than 60°F, it is recommended to select small ice cube in order to avoid ice sticking together.
- The ice making cycle lasts approx. 6 to 13 minutes, depending on seletion of ice cube size and the room temperature. The recommended room temperature is 50 °F to 105 °F.
- If water pump can’t inject water, the ice maker will stop automatically, and the “Add Water” indicator will be on.Press “Power” button, fill water up to the max. water level mark and press “Power” button again to turn on the unit again.Allow the refrigerant liquid inside the compressor at least 3 minutes to settle before restarting.
- The ice maker stops when the ice basket is full and the “Ice” indicator will be on. Warning: Direct sunlight or sunlight reflection may cause infared sensor malfunction. If the unit doesn’t stop even ice cubes obstruct sensor, move the unit where no sunlight.
- Change water in the water reservoir every 24 hours to ensure a reasonable hygiene level.
If unit isn’t to be used, drain all the water and dry the tank.
TROUBLESHOOTING

TECHNICAL PARAMETERS & CIRCUIT DIAGRAM


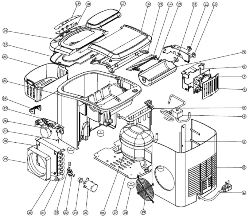
EXPLOSIVE DRAWINGS

- Power cord
- Back panel
- Plate inforce
- Magnetism valve
- Evaporator
- Control box cover
- Main PCB
- Control box
- Ice making box
- Micro switch
- Inner tank bracket, LH
- Cam
- Ice scoop link
- Ice scoop
- Back btm panel
- Back top panel
- Clear window
- Displaying PCB
- Touch pad
- Front top panel
- Front btm panel
- Ice basket
- Foaming asm
- Water filter
- Inner tank brackt, RH
- Sychronuous motor
- Stainless wire
- Condenser
- DC Fan motor
- Filter dryer
- Copper tube filter
- Silicon plug drain
- Nylon plug drain
- Silicon sealing pump
- DC water pump
- Compressor
- Plate bottom
- Rubber foot
- Air grille
DANGER – Risk Of Fire Or Explosion. Flammable Refrigerant Used. To














