
USER’S MANUAL

PORTABLE ICE MAKER
Y05284716
IMPORTANT SAFETY INSTRUCTIONS
Your safety and the safety of others are very important.
We have provided many important safety messages manual about your appliance. Always read and obey all safety messages.
This is the safety alert symbol:
All safety messages will follow the safety alert symbol and the word “DANGER” or “WARNING”.
DANGER
WARNING
These words mean:
You can be killed or seriously injured if you don’t immediately follow instructions. All safety messages will tell you what the potential hazard is, tell you how to reduce the chance of injury, and tell you what can happen if the instructions are not followed.
PREPARING YOUR ICE MAKER FOR USE
IMPORTANT SAFETY TIPS
When using electrical appliances, basic safety precautions should be followed to reduce the risk of fire, electric shock, and injury to persons or property. Read all instructions before using any appliance.
- This appliance is not intended to be used by persons (including children under 8 years old) with reduced physical, sensory or mental capabilities, or lack of experience and knowledge unless they have been given supervision or instruction concerning the use of the appliance in a safe way and understand the hazards involved. Children shall not play with the appliance. Cleaning and user maintenance shall not be made by children without supervision.
- Do not operate this or any other appliance with a damaged cord. If the supply cord is damaged, it must be replaced by the manufacturer or its service agent, or a similarly qualified person in order to avoid a hazard. This ice-maker must be positioned so that the plug is accessible. Connect to properly polarized outlets only. No other appliance should be plugged into the same outlet. Be sure that the plug is fully inserted into the receptacle.
- Do not run the power cord over carpeting or other heat insulators. Do not cover the cord. Keep cord away from traffic areas, and do not submerge in water.
- We do not recommend the use of an extension cord, as it may overheat and become a risk of fire. If you must use an extension cord, use No. 0.75mm2 minimum size and rated no less than 16Al250V— with a plug.
- Unplug the ice maker before cleaning or making any repairs or servicing.
- Exercise caution and use reasonable supervision when the appliance is used near children.
- Do not use your ice-maker outdoors. Place the ice-maker away from direct sunlight and make sure that there is at least 10mm of space between the back of your unit and the wall. Keep a minimum distance of 10mm on each side of your unit free.
- Do not use other liquid to make the ice-cube other than water.
- Do not clean your ice maker with flammable fluids. The fumes can create a fire hazard or explosion.
- Do not tip over.
- If the ice maker is brought in from outside in the wintertime, give it a few hours to warm up to room temperature before plugging it in.
- This appliance is not intended for use by persons (including children) with reduced physical, sensory or mental capabilities, or lack of experience and knowledge unless they have been given supervision or instruction concerning use of the appliance by a person responsible for their safety.
- Children should be supervised to ensure that they do not play with the appliance.
- Please according to local regulations regarding disposal of the appliance for its flammable blowing gas. Before you scrap the appliance, please take off the doors to prevent children trapped.
- Keep ventilation openings, in the appliance enclosure or in the built-in structure, clear of obstruction.
- Do not damage the refrigerant circuit.
- This appliance must be earthed.
- Do not store explosive substances such as aerosol cans with a flammable propellant in this appliance.
- This appliance is intended to be used in household and similar applications such as
— staff kitchen areas in shops, offices, and other working environments;
— farm houses and by clients in hotels, motels, and other residential type environments;
– bed and breakfast type environments; – catering and similar non-retail applications.

- Warning: Risk of fire/flammable materials used. Please according to local regulations regarding disposal of the appliance for its flammable blowing gas. Before you scrap the appliance, please take off the doors to prevent children trapped.
- WARNING: Keep ventilation openings, in the appliance enclosure or in the built-in structure, clear of obstruction.
- WARNING: Do not damage the refrigerant circuit.
- WARNING: Do not use mechanical devices or other means to accelerate the defrosting process or ice harvesting process, other than those recommended by the manufacturer.
- WARNING: Do not use other types of electrical appliances inside the ice-maker.
IMPORTANT: The wires in this mains lead are colored in accordance with the following code:
Green or Green with a stripped yellow:
Grounding
Blue: Neutral
Brown: Live
To avoid a hazard due to the instability of the appliance, it must be placed on an even or flat surface.
GETTING TO KNOW YOUR UNIT
General instruction
- Ice scoop.
- Ice full sensor
- Ice basket
- Top cover with transparent window
- Air outlet
- Water drain cap: at front bottom side of the unit.
- MAXIMUM WATER LEVEL………….
………..
• Remove the ice basket, you can see the water level mark.

Postion of control panel & function
Control Panel: Easy to use, visible functions touch display setting.
A. Selected ice size displaying: Small and Large.
B. Power indicator
C. Ice-Full indicator
D . Water shortage indicator
E. Button to turn on/off the unit.
F. Button to select ice cube size.

UNPACKING YOUR ICE MAKER
- Remove the exterior and interior packaging. Check if their ice basket and ice scoop are inside. If any parts are missing, please contact our customer service.
- Remove the tapes for fixing ice shovel, ice basket & ice scoop. Clean the tank & ice basket.
- Put the ice maker on a level & flat countertop without direct sunlight and other sources of heat (i.e.: stove, furnace, radiator). Make sure that there is at least 10mm gap between the back & LH/RH sides with the wall.
- Allow one hour for the refrigerant fluid to settle before plugging the ice maker in.
- The appliance must be positioned so that the plug is accessible.
WARNING: fill with potable water only. Only use drinking water.
CONNECTING YOUR ICE MAKER
DANGER
* Improper use of the grounded plug can result In the risk of electrical shock. If the power cord is damaged please call our customer service.
- This unit should be properly grounded for your safety. The power cord of this appliance is equipped with a grounding plug that mates with standard grounding wall outlets to minimize the possibility of electric shock.
- Plug your appliance into an exclusive, properly installed, grounding wall outlet. Do not under any circumstances, damage the grounding means of the plug under any circumstances. Any questions concerning power and/or grounding should be directed toward a certified electrician.
- This appliance requires a standard 220-240VoIt, 50Hz electrical outlet with good grounding means.
CLEANING AND MAINTAINING YOUR ICE MAKER
Before using your ice maker, it is strongly recommended to clean it thoroughly.
- Take out the ice basket.
- Clean the interior with diluted detergent, warm water, and a soft cloth.
- Then use the water to rinse the inside parts, and drain out the water by unplugging the drain cap on the front bottom side.
- The outside of the ice maker should be cleaned regularly with a mild detergent solution and warm water.
- Dry the interior and exterior with a clean soft cloth.
- When the machine is not to be used for a long time, drain the water completely & dry the interior.
USING YOUR ICE MAKER
- Open the cover, remove the ice basket, and pour water into the tank. Keep water level below the MAXIMUM water level mark.
- Press the “ON/OFF” button on the control panel to begin the ice-making cycle.
- Select the ice cube size by pressing the “SELECT” button. If the room temperature is lower than 15°C, it is recommended to select a small ice cube in order to avoid ice sticking together.
- The ice-making cycle lasts approx.6 to 13 minutes, depending on the selection of ice cube size and the room temperature. The recommended ice-making room temperature is between 10°C to 38°C
- If the water pump can’t inject water, the ice maker will stop automatically, and the “Add Water” indicator will be on. Press the “ON/OFF° button, and fill the water up to the max. water level mark and press the “ON/OFF” button again to turn on the unit again. Allow the refrigerant liquid inside the compressor at least 3 minutes to settle before restarting.
- The ice maker stops working when the ice basket is full and the “Ice Full” indicator will be on.
- Change water in the water reservoir every 24 hours to ensure a reasonable hygiene level. If the unit isn’t to be used, drain all the water and dry the tank.
TROUBLESHOOTING
| PROBLEM | POSSIBLE CAUSE | SOLUTION |
| The “Add Water” indicator is on. | Lack of Water. | Stop the ice maker, fill water, and press the “ON/OFF” button again to restart the unit. |
| The “Ice Full” indicator is on. | Ice is full in the basket. | Remove ice from the ice basket. Continuous press “Select” button 5 seconds, the unit could make ice 10 cycles even “Ice” indicator is on. |
| Ice cubes stick together. | The ice-making cycle is too long. | Stop the ice maker, and restart it when the ice blocks melt. Select the small-size ice cube selection. |
| The water temperature in the inner tank is too low. | Replace the water. The temperature of water recommended at 8-32t | |
| Ice making cycle is normal but no ice formed. | The room temperature or The water temperature in the inner tank is too high. | The room temperature should be 5-40°C, water temperature should be 8-32°C |
| The refrigerant in the cooling system leaks. | Verify by a qualified technician. | |
| The pipe in the cooling system is blocked. | Verify by a qualified technician. |
TECHNICAL PARAMETERS & CIRCUIT DIAGRAM
| Model | EP22769 |
| Protection Type | I |
| Climate Type | SN/N/ST/T |
| Power | 220-240V/50Hz |
| Ice Making Current | 0.7A |
| Ice Harvest Current | 1.0A |
| Refrigerant | R600a/26g |
| Net Weight | 7.8kg |
| Vesicant | C5Hio |
| Enclosure | Plastic |
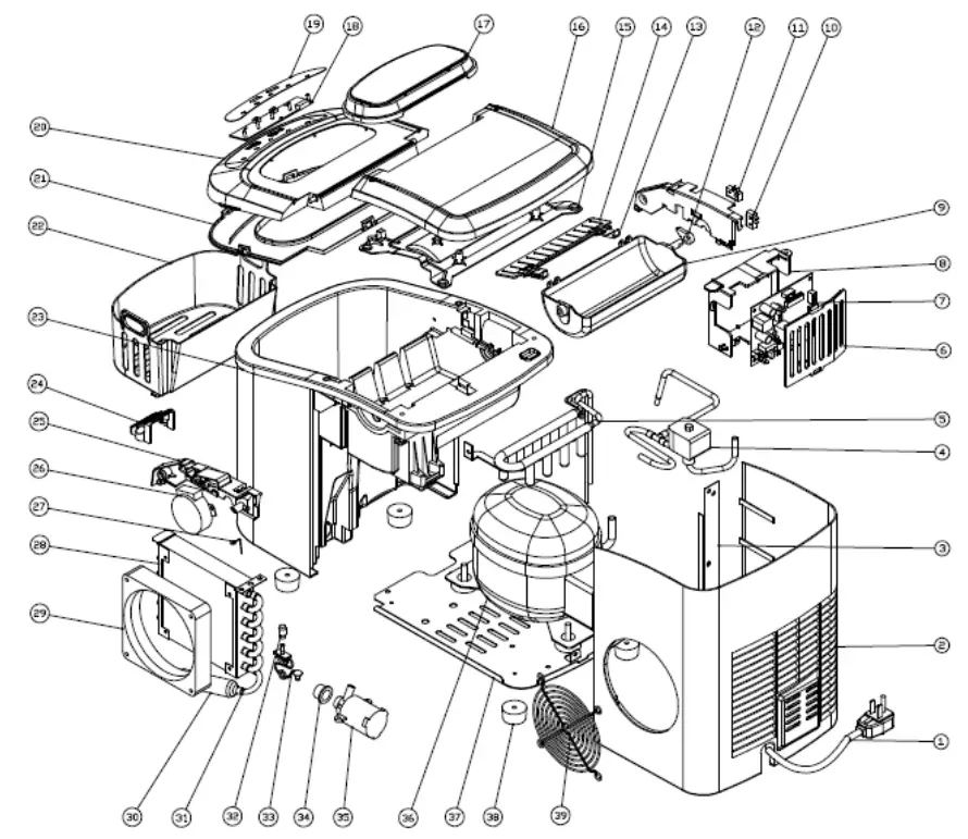
EXPLOSIVE DRAWINGS

| 1. Power cord | 14. Ice scoop | 27. Stainless wire |
| 2. Back panel | 15. Back btm panel | 28. Condenser |
| 3. Plate inforce | 16. Back top panel | 29. DC Fan motor |
| 4. Magnetism valve | 17. Clear window | 30. Filter dryer |
| 5. Evaporator | 18. Displaying PCB | 31. Copper tube filter |
| 6. Control box cover | 19. Touchpad | 32. Silicon plug drain |
| 7. Main PCB | 20. Front top panel | 33. Nylon plug drain |
| 8. Control box | 21. Front btm panel | 34. Silicon sealing pump |
| 9. Ice-making box | 22. Ice basket | 35. DC water pump |
| 10. Microswitch | 23. Foaming asm | 36. Compressor |
| 11. Inner tank bracket, LH | 24. Water filter | 37. Plate bottom |
| 12. Cam | 25. Inner tank bracket, RH | 38. Rubber foot |
| 13. Ice scoop link | 26. Sychronuous motor | 39. Air grille |
Disposal Of This Product
Correct Disposal of this product
This marking indicates that this product should not be disposed of with other household wastes throughout the EU. To prevent possible harm to the environment or human health from uncontrolled waste disposal, recycle it responsibly to promote the sustainable reuse of material resources. To return your used device, please use the return and collection systems or contact the retailer where the product was purchased. They can take this product for environmentally safe recycling.
Note: Blowing gas inside the unit is flammable, disposal of this material shall be in accordance with national regulations.
EXPLOSIVE DRAWINGS
















