Adexa CW160X Refrigerated Stand Bench

Thank you for choosing and purchasing our product. Please carefully read the operation instructions before use for a correct application and satisfactory effect.
General
- Top brand fully enclosed compressor is used on the desktop refrigerator.The refrigerant R290 or R134a is of an environmentally friendly agent. It features a rational configuration of a refrigeration system with blower-forced air cooling. The temperature is quite even inside the refrigerator.
- Double hollow transparent glasses are used on door and body. It features an artistic and elegant appearance, perfect perspective and easy. access.
- It has a wide application in department stores and house as well as the. meeting room and sitting room.
Structure and Parts

Handle and Erection
| Handle with care Unplug the wall socket first. Never tilt it over 45 degrees during handling.
| Dry place Always locate the refrigerator at a dry place.
|
| Sufficient space The distance from both sides and back of the refrigerator to wall or other substance must be more than 10cm. The refrigeration capability might be decreased if its surrounding space is too small to circulate air.
| Well ventilation Always locate the refrigerator in a place with fine ventilation. For first-time use, wait for 2 hours after handling and then plug the wall socket and start it.
|
| Far from heat source Never place the refrigerator directly under the sunshine. Never locate it nearby any heat source or heater to prevent it from reducing refrigeration capability.
| No heavy load Never put any heavy load on the top of the refrigerator.
|
| No hole making Never make hole on the refrigerator. Never install other matter on the refrigerator.
| Stable location To avoid unexpected noise and vibration, Unpack and locate the refrigerator on a flat and solid place.
|
Preparation and Power Supply

Use and Caution
- Before use:
- Plug the refrigerator on 220-240V- exclusive socket.
- After the refrigerator runs.put your hand on the air suction to confirm it is sufficiently cold. Then you may put food inside the cold box.
- Digital temperature controller

Features of function
- It is a mini-sized and integrated intelligent controller and applicable to the compressor of one Hp.
- The main functions are: Temperature Display/Temperature Control/Manual.automatic defrost by turning off illumination Control/Value Storing /Self Testing /Parameter Locking.
Front panel operation
- Set temperature
- Press
button, the set temperature is displayed. - Press
or
button to modify and store the displayed value. - Press
button to exit the adjustment and display the cold-room temperature.
- Press
- If no more button is pressed within 10 seconds, the cold-room temperature will be displayed.
- lumination: Press
button, it lights; Press again, it stops.- Manual start/stop defrost: Press
button and hold for 6 seconds to defrost or stop defrost.
- Manual start/stop defrost: Press
- Refrigerant LED: During refrigeration, the LED is on; When the cold room temp. is constant, the LED is off; During the delay start, the LED flashes.
- Defrost LED: during defrosting, the LED is on; When is stops defrosting, the LED is off, During the delay display of defrost, the LED flashes.
- Digital controller reset
- When display shows “Disorder”, press the”
” button for 2s until buzzer rings, quickly press the”
” button for 6s until the buzzer rings again, the display will flash for 3s and it restores factory setting.
- When display shows “Disorder”, press the”
Cautions
- Shortening the door open time and reducing open frequency is good to keep a cold temperature inside the refrigerator.
- Never block the air suction and outlet. Keep air circulation and refrigeration capability.
- Do not make food congested as it will influence the cooling effect.
- Adjust the rack height for proper food storage.
- Cool the hot food down to room temperature before you put it into the refrigerator.
- Try to reduce the open times and keep the refrigerator inside cold in case the power is cut off.
- Only skilled serviceman is allowed to repair the damaged power cable with special tools.
- Never touch the compressor to avoid from scald.
- If the supply cord is damaged, it must be replaced by the manufacturer, its service agent or similarly qualified persons in order to avoid a hazard.
- This appliance is not intended for use by persons (including children) with reduced physical, sensory or mental capabilities, or lack of experience and knowledge unless they have been given supervision or instruction concerning use of the appliance by a person responsible for their safety.
- Children should be supervised to ensure that they do not play with the appliance.
- The operation manual are not suitable for persons (including children) with reduced physical, sensory or mental capabilities, or lack of experience and knowledge.
- Do not store explosive substances such as aerosol cans with a flammable propellant in this appliance.
- During normal operation, the emission noise level does not exceed 70dB(A)
- The maximum loading of the Shelf does not exceed 18kg.
- The climatic class of the appliance is 4,the Units are suggested to be used at 16’C-32’C ambient temperatures.
- To avoid damages or other problems, this product can not be put or stored with any corrosive food.
- WARNING: Keep ventilation openings, in the appliance enclosure or in the built-in structure, clear of obstruction.
- Do not use mechanical devices of other means to accelerate the defrosting process, other than those recommended by the manufacturer.
- Do not damage the refrigerant circuit.
- Do not use electrical appliances inside the food storage compartments of the appliance, unless they are of the type recommended by the manufacturer.
ADDITIONAL WARNING
Caution: risk of fire. The height of the triangle in the symbol shall be at least 15mm.
Maintenance
- Notice
- Often keep the refrigerator clean and periodical maintenance is necessary.
- Always unplug the socket before maintenance.
- Never use damaged plug or loose socket to prevent from electric shock or short circuit.
- Never flush the refrigerator. Never use alkali detergent,soap, gasoline,acetone or brush.
- Clean outside
- Dip soft cloth in neutral detergent(tableware detergent)to clean the outside of the refrigerator and then wipe it with dry soft cloth.
- Clean inside
- Take rack out for cleaning with water.
- Use soft cloth to wipe the box.
- Shut down refrigerator for a long time
- Take all food out and unplug the wall socket.
- Clean both the inside and outside of the refrigerator thoroughly and open the door for sufficient dry.
- The glass breaks easily. Keep the glass far from children.
- Replacement of lamp in the light box
- If the LED lamp is damaged, it must be replaced by the manufacturer, its service agent.
Trouble Shooting
| Trouble | Cause and Remedy |
| No refrigeration | Is the plug in socket well? Is the fuse broken? Is there no power? |
| Unsatisfactory refrigeration | Is it under the sunshine?ls there any heat source nearby? Is the surrounding ventilation bad? Does the door close well? Does door open for a long time? Is the door seal strip deformed or damaged? Is food congested or too much? Does food block the air suction or outlet? Regulate the temperature controller. |
| Much noise | The refrigerator does not level. The refrigerator contacts wall or other matter. There is loose part in the refrigerator. |
| Contact local service agent for help if simple troubleshooting does not solve the problems. | |
Note Following phenomena are not troubles
- The murmur of water is heard when the refrigerator is working. It is a normal phenomenon as the coolant is circulating in the system.
- In wet season, condensation might be found on the outside of the refrigerator. It is not a trouble, which is caused by high humidity. Simply use cloth to wipe it.
Principle of Refrigeration System and Electric Circuit Diagram
The principle of compression refrigeration consists of “compression”, “condensation”, “throttling” and “vaporization”. The compression is undertaken by the compressor, the condensation is completed by the condenser, the throttling valve is executed by capillary and the vaporization is implemented by the evaporator. When the coolant is circulating in the closed refrigeration system, the compressor sucks coolant, which has absorbs heat in evaporator, the coolant becomes a high-pressure and high-temperature gas. In condenser, it dissipates heat in air, while the coolant is re-liquefied and throttled in the capillary and then enters into evaporator with low pressure. The liquefied coolant quickly boils and vaporizes into gas when the pressure suddenly drops. Meanwhile, it absorbs heat inside the refrigerator. And the compressor sucks the low-pressure and low-temperature gaseous coolant. It is circulating in this way up to the realization of intended refrigeration.
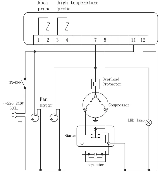
Circuit Diagram

Major Parameters

Note
- The electric circuit diagram and parameters on the product nameplate are the final ones if they have been changed.
- The design might be improved without notice.
WARNING: Refrigerant is facility burning of R290, please protect against fire.
Meaning of crossed-out wheeled dustbin
- Do not dispose of electrical appliances as unsorted municipal waste, use separate collection facilities.
- Contact your local government for information regarding the collection systems available.
- If electrical appliances are disposed of in landfills or dumps, hazardous substances can leak into the groundwater and get into the food chain, damaging your health and well-being.
- When replacing old appliances with new ones, the retailer is legally obligated to take back your old appliance for disposal at least free of charge.






























