MaxFit FE Series Expandable Power Systems
Installation Guide
MaxFit FE Series Expandable Power Systems
Models Include:
MaxFit11FE
– 12VDC/24VDC @ 4A.
– 12VDC/24VDC @ 4A.
MaxFit13FE
– 12VDC/24VDC @ 4A.
– 12VDC/24VDC @ 6A.
MaxFit33FE
– 12VDC/24VDC @ 6A.
– 12VDC/24VDC @ 6A.
MaxFit35FE
– 12VDC/24VDC @ 6A.
– 12VDC @ 10A.
MaxFit37FE
– 12VDC/24VDC @ 6A.
– 24VDC @ 10A.
MaxFit55FE
– 12VDC @ 10A.
– 12VDC @ 10A.
MaxFit75FE
– 24VDC @ 10A.
– 12VDC @ 10A.
MaxFit77FE
– 24VDC @ 10A.
– 24VDC @ 10A.
Installation Guide
Rev. MFE2PS072319
More than just power.™
Installing Company: _______________
Service Rep. Name: _______________
Address: ______________________
Phone #: __________________
MaxFitFE Series Overview
Altronix MaxFit Expandable Power Systems provides system designers and installers with optimum power choices and the highest levels of versatility. They provide 12VDC or 4VDC via the single output power supply/ charger. Includes AC fail, low battery, and battery presence monitoring. The enclosure accommodates up to four (4) 12VDC/12AH batteries. All interconnecting equipment must be UL Listed.
MaxFitFE Series Configuration Chart:

*MaxFit13FE, MaxFit33FE, MaxFit35FE, MaxFit37FE, MaxFit55FE, MaxFit75FE and MaxFit77FE: The DC output for these power supplies are not power-limited (except for eFlow4NBs in MaxFit13FE). If a power-limited output is required in the end-product application, the DC output from the power supply must be connected to a separately Listed control unit or accessory board that provides power-limited outputs. The product(s) providing the power-limited output(s) must be listed as appropriate for the particular end-product application and wired in accordance with the product’s installation instructions. Class 1 wiring methods, separation of circuits, and proper fire-rated enclosures all must be considered when connecting the DC output of the power supply to the end product devices. The auxiliary outputs of these units are power-limited.
MaxFitFE Series Features
- Input: 120VAC, 60Hz.
- For output voltage and supply current reference to the MaxFitFE series Configuration Chart, pg. 2.
- Auxiliary Power-Limited output rated @ 1A (unswitched).
- Overvoltage protection.
- Built-in charger for sealed lead acid or gel-type batteries.
- Maximum charge current 1.54A.
- Automatic switch over to stand-by battery when AC fails. Transfer to stand-by battery power is instantaneous with no interruption.
- Supervised Fire Alarm disconnect (latching or non-latching) 10K EOL resistor. Operates on a normally open (NO) or normally closed (NC) trigger.
- AC fails supervision (form “C” contacts).
- Battery fail & presence supervision (form “C” contacts).
- Low power shutdown. Shuts down DC output terminals if battery voltage drops below 71-73% for 12V units and 70-75% for 24V units (depending on the power supply). Prevents deep battery discharge.
- For fuse, ratings refer to the MaxFitFE series Configuration Chart, pg. 2.
- Green AC Power LED indicates 120VAC present.
- AC input and DC output LED indicators.
- Short circuit and overload protection.
- The enclosure accommodates up to four (4) 12VDC/12AH batteries. Enclosure dimensions (H x W x D): 20.5” x 16.5” x 6.25” (520.7mm x 419.1mm x 158.8mm).
MaxFitFE Installation Instructions:
Wiring methods shall be in accordance with the National Electrical Code/NFPA 70/NFPA 72/ANSI, The Canadian Electrical Code, Part 1 and with all local codes and authorities having jurisdiction. The product must be located indoors within the protected premises.
- Mount unit in the desired location. Mark and predrill holes in the wall to line up with the top three keyholes in the enclosure. Install three upper fasteners and screws in the wall with the screw heads protruding. Place the enclosure’s upper keyholes over the three upper screws; level and secure. Mark the position of the lower three holes. Remove the enclosure. Drill the lower holes and install the three fasteners. Place the enclosure’s upper keyholes over the three upper screws. Install the three lower screws and make sure to tighten all screws (Enclosure Dimensions, pg. 8).
- Connect unswitched AC power (120VAC 60Hz) to terminals marked [L, N] (Fig. 1a, pg. 5). Use 14 AWG or larger for all power connections. Secure green wire leads to earth ground. For Fire Alarm applications the outputs are “Special Applications” only. Keep power-limited wiring separate from non-power-limited wiring (120VAC 60Hz Input, Battery Wires). Minimum 0.25” spacing must be provided. CAUTION: Do not touch exposed metal parts. Shut branch circuit power before installing or servicing equipment. There are no user-serviceable parts inside. Refer installation and servicing to qualified service personnel.
- Select desired DC output voltage by setting SW1 to the appropriate position (MaxFit11FE, MaxFit13FE, MaxFit33FE, MaxFit35FE and MaxFit37FE) (Fig. 2a, pg. 5). MaxFit55FE power supplies are factory set at 12VDC. MaxFit77FE power supplies are factory set at 24VDC (Stand-by Battery Specifications, pg. 5).
- Measure output voltage before connecting devices. This helps avoid potential damage.
- Connect devices or Altronix sub-assembly modules to be powered to the terminals marked [– DC +] (Fig. 1h, pg. 5). For auxiliary device connection, this output will not be affected by Low Power Disconnect or Fire Alarm Interface. Connect the device to the terminals marked [+ AUX –] (Fig. 1f, pg. 5). Refer to page 2 for non-power-limited applications.
- For Access Control applications batteries are optional. When batteries are not used, a loss of AC will result in the loss of output voltage. When the use of stand-by batteries is desired, they must be lead acid or gel type. Connect the battery to the terminals marked [– BAT + ] (Fig. 1g, pg. 5). Use two (2) 12VDC batteries connected in series for 24VDC operation (battery leads included). Use batteries – Castle CL1270 (12V/7AH), CL12120 (12V/12AH), CL12400 (12V/40AH), CL12650 (12V/65AH) batteries or UL recognized BAZR2 batteries of an appropriate rating.
- Connect appropriate signaling notification devices to AC FAIL & BAT FAIL (Fig. 1b, pg. 5) supervisory relay outputs.
- To delay AC reporting for 2 hrs., set the DIP switch [AC Delay] to OFF position (Fig. 1c, pg. 5). To delay AC reporting for 1 min., set the DIP switch [AC Delay] to ON position (Fig. 1c, pg. 5). Note: Must be set to ON position for Burglar Alarm Applications.
- To enable Fire Alarm Disconnect set the DIP switch [Shutdown] to ON position. (Fig. 1c, pg. 5). To disable Fire Alarm Disconnect set the DIP switch [Shutdown] to the OFF position. (Fig. 1c, pg. 5).
- Trigger terminals are end of line resistor supervised (10k Ohms). Opening or shorting trigger terminals will cause [DC] output to shut down (Fig. 1d, pg. 5).
- Place a jumper for non-latching FACP. A momentary short on these terminals resets FACP latching [Trigger EOL Shutdown] (Fig. 1d, pg. 5).
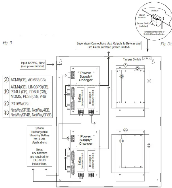
- For Access Control Applications: mount UL Listed tamper switch (Altronix Model TS112 or equivalent) at the top of the enclosure. Slide the tamper switch bracket onto the edge or the enclosure approx. 2” from the right side (Fig. 3a, pg. 7). Connect the tamper switch wiring to the Access Control Panel input or the appropriate UL Listed reporting device.
- Please ensure that the cover is secured with the provided key lock.
Wiring:
Use 18 AWG or larger for all low-voltage power connections.
Note: Take care to keep power-limited circuits separate from non-power-limited wiring (120VAC, Battery).
Maintenance
The unit should be tested at least once a year for the proper operation as follows:
Output Voltage Test: Under normal load conditions the DC output voltage should be checked for proper voltage level (MaxFitFE Configuration Chart, pg. 2).
Battery Test: Under normal load, conditions check that the battery is fully charged, check specified voltage at the battery terminals and at the board terminals marked [– BAT +] to ensure that there is no break in the battery connection wires.
Note: Maximum charge current 1.54A.The expected battery life is 5 years; however, it is recommended to change batteries within 4 years or less if necessary.

LED Diagnostics:
| Red (DC) | Green (AC/AC1) | Power Supply Status |
| ON | ON | Normal operating condition. |
| ON | OFF | Loss of AC. Stand-by battery is supplying power. |
| OFF | ON | No DC output. |
| OFF | OFF | Loss of AC. Discharged or no stand-by battery. No DC output. |
| Red (Bat) | Battery Status |
| ON | Normal operating condition. |
| OFF | Battery fail/low battery. |
Terminal Identification
| Terminal Legend | Function/Description |
| L, N | Connect 120VAC 60Hz to these terminals: L to hot, N to neutral. Do not use the terminal marked [G] (Fig. 1a, pg. 5). |
| + DC – | Refer to MaxFitFE Series Configuration Chart, pg. 2 (Fig. 1h, pg. 5). |
| Trigger EOL Supervised | Fire Alarm Interface trigger input from a short or FACP. Trigger inputs can be normally open and normally closed from an FACP output circuit (power-limited input) (Fig. 1d, pg. 5). |
| NO, GND RESET | FACP interface latching or non-latching (power-limited) (Fig. 1e, pg. 5). |
| + AUX – | Auxiliary Power-Limited output rated @ 1A (unswitched) (Fig. 1f, pg. 5). |
| AC FAIL NC, C, NO | Indicates loss of AC power, e.g. connect to audible device or alarm panel. The relay is normally energized when AC power is present. Contact rating 1A @ 30VDC (power-limited) (Fig. 1b, pg. 5). |
| BAT FAIL NC, C, NO | Indicates low battery condition, e.g. connect to the alarm panel. The relay is normally energized when DC power is present. Contact rating A @ 30VDC. A removed battery is reported within 5 minutes. Battery reconnection is reported within 1 minute (power-limited) Fig. 1b, pg. 5). |
| + BAT – | Stand-by battery connections. Maximum charge current 1.54A (non-power-limited) (Fig. 1g, pg. 5). |
Power Supply Board Stand-by Battery Specifications eFlow4NB:
| Battery | Access Control Applications Stand-by |
| 7AH | 30 Mins./4A* |
| 12AH | 35 Mins./4A* |
| 40AH | Over 4 Hours/4A* |
| 65AH | Over 4 Hours/4A* |
eFlow6NB
| Battery | Access Control Applications Stand-by |
| 7AH | 10 Mins./6A |
| 12AH | 30 Mins./6A* |
| 40AH | Over 4 Hours/6A* |
| 65AH | Over 4 Hours/6A* |
eFlow102NB:
| Battery | Access Control Applications Stand-by |
| 7AH | 5 Mins./10A |
| 12AH | 30 Mins./10A* |
| 40AH | Over 2 Hours/10A* |
| 65AH | Over 4 Hours/10A* |
eFlow104NB:
| Battery | Access Control Applications Stand-by |
| 7AH | 5 Mins./10A |
| 12AH | 30 Mins./10A* |
| 40AH | Over 2 Hours/10A* |
| 65AH | Over 4 Hours/10A* |
*Only these configurations can be utilized in ULC-S319 installations.
MaxiFit11FE/13FE/33FE/35FE/37FE/55FE/75FE/77FE Expandable Power Systems Installation Guide.
NEC Power-Limited Wiring Requirements
Power-limited and non-power-limited circuit wiring must remain separated in the cabinet. All power-limited circuit wiring must remain at least 0.25” away from any non-power-limited circuit wiring. Furthermore, circuit wiring and non-power-limited circuit wiring must enter and exit the cabinet through different conduits. One such example of this is shown below. Your specific application may require different conduit knockouts to be used. Any conduit knockouts may be used. For power-limited applications the use of conduit is optional. All field wiring connections must be made employing suitable gauge CM or FPL jacketed wire (or equivalent substitute). Optional battery enclosure must be mounted adjacent to the power supply via Class 1 wiring methods. For Canadian installations use shielded wiring for all connections.
Note: Refer to the wire handling drawing below for the proper way to install the CM or FPL jacketed wire (Fig. 3b).

CAUTION: When the power supply board is set for 12VDC use only one (1) 12VDC stand-by battery. Connect the red battery lead to the terminal marked [+ BAT] and to the [positive (+)] terminal of the battery. Connect the black battery lead to the terminal marked [BAT –] and to the [negative (–)] terminal of the battery. Keep power-limited wiring separate from non-power-limited. Use minimum 0.25″ spacing. 12AH Rechargeable batteries are the largest batteries that can fit in this enclosure. An external battery enclosure must be used if using the 40AH or 65AH batteries.

MaxFit Enclosure Dimensions (approximate): 20.5” x 16.5” x 6.25” (520.7mm x 419.1mm x 158.8mm)

Altronix is not responsible for any typographical errors.
140 58th Street, Brooklyn, New York 11220 USA
phone: 718-567-8181
fax: 718-567-9056
website: www.altronix.com
e-mail: [email protected]
Lifetime Warranty
IIMaxFit Expandable 2 PS Series
F24U


















