Montezuma 3605UC 36 Inch 5 Drawer Utility Cart

LIFE ORGANIZED
Montezuma is committed to helping you succeed in both your work and personal life by being organized, prepared and equipped with the right tools, gear and home supplies at your finger tips.
We are here to ensure that your life is organized.
Thank you for your purchase of this Montezuma Utility Cart.
ATTENTION
TO REDUCE THE RISK OF INJURY, THE USER MUST READ AND UNDERSTAND THIS INSTRUCTION MANUAL BEFORE USING THIS PRODUCT FOR THE FIRST TIME. SAVE THESE INSTRUCTIONS FOR FUTURE REFERENCE.
Fill in the following information and retain this owner’s manual for future reference:
MODEL(S):
DATE OF PURCHASE:
PLACE OF PURCHASE:
RECEIPT NO:
SPECIFICATIONS
MAXIMUM PRODUCT WEIGHT (INCLUDING CONTENTS): 600 lb (272 kg)
MAXIMUM DRAWER WEIGHT: 100 lb (45 kg)
OVERALL DIMENSIONS:
36-3/4″ W x 18-1/8″ D x 37″ H
(93.2 cm W x 46 cm D x 91.3 cm H)
NET WEIGHT: 158 lb (71.67 kg)
INSIDE DRAWER DIMENSIONS:


PARTS LIST
The keys are taped to the top drawer.

| REF | DESCRIPTION | PART NUMBER | QTY |
| 1 | M6 x 16 mm Hex Bolt | 301206 | 4 |
| 2 | Side Handle | 360501 | 1 |
| 3 | Swivel Caster | 502001 | 2 |
| 4 | Rigid Caster | 502002 | 2 |
| 5 | Washer | 608060 | 16 |
| 6 | Spring Washer | 608061 | 16 |
| 7 | Slide Set | 360505 | 5 |
| 8 | Drawer Liner | 360502 | 5 |
| 9 | Lock and Key (1301–1313) | 608001 | 1 |
| 10 | Support Post | 306510 | 4 |
| 11 | Bracket | 360508 | 8 |
| 12 | Tray Liner | 360503 | 1 |
| 13 | Work Top | 360506 | 1 |
| 14 | M6 x 16 mm Hex Pan Head Bolt | 480616 | 48 |
| 15 | M6 Hex Nut | 480632 | 32 |
| 16 | M10 x 30 mm Hex Bolt | 103024 | 16 |
To order replacement parts, email [email protected] or call 1-800-459-4409 (Monday–Friday, 8:00 am–4:30 pm, CST). Have the part number and quantity ready. Replacement keys may be ordered using the code that appears on the face of the lock. Not all parts are covered under warranty. Those parts not covered can be purchased.
HANDLE INSTALLATION
NOTE: Assemble the handle first to make it easier to move the cart.
Position the handle over the holes in the cart and attach with the M6 x 16 mm hex bolts provided. Tighten securely.

BOTTOM TRAY INSTALLATION
CAUTION: Two or more people are required to lay down or stand up the service cart. Use the side handles for assistance. DO NOT stand in front of or behind the product during this process. Lock drawers before proceeding.
Carefully lay the service cart on its back, with a soft mat underneath for protection.
Attach each support post to the bottom of the service cart with two brackets, using four M6 x 16 mm hex pan head bolts and M6 hex nuts per bracket.
Once all four support posts are attached to the service cart, attach the bottom tray to the other ends of the support posts using M6 x 16 mm hex pan head bolts.

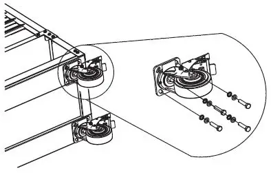
CASTER INSTALLATION
While the service cart is still lying on its back, position the two swivel casters on the bottom, on the same side as the handle. Insert four M10 x 30 mm hex bolts through spring washers and washers, then through each caster and into the bottom of the service cart. Tighten securely.
Repeat for the two rigid casters on the other side of the service cart.

RAISE AND RELEASE DRAWER FRONTS
These units are equipped with raise and release drawer fronts. To open, lift up on the drawer front while pulling towards you. To close, shut the drawer firmly until the latch engages.
If the drawer does not stay closed, the hook may be bent, or it may be rubbing against the drawer slides. To fix this problem, lightly bend the hook until the drawer will engage in the slide.

DRAWER REMOVAL
Pull the drawer out so that it’s almost fully extended. Push up on the black release lever on one side, while pushing down on the black release lever on the other side. While holding the levers in these positions, pull the drawer outward until it is released from the drawer slide.

DRAWER REPLACEMENT
Extend the drawer slides from the unit. Insert the brackets on each side of the drawer into the slots in the slides, being careful that they are properly positioned. Once properly inserted, completely close the drawer to set the slides in position.
MAINTENANCE
Periodically clean the drawer fronts, drawer trim, and other surfaces with mild detergent and water.
Lubricate the casters with high-quality bearing grease (annually/yearly).
Lubricate the slides (twice a year) with a product like WD40 or other quality lubricants. This is especially true as the temperature decreases, which can cause the bearing to become stiff.
Grease and oil can be removed with most standard cleaning fluids. For safety, use a nonflammable cleaning fluid.
SAFETY
Do not attempt to lift the unit by its side handles using chains, ropes or other lifting devices. The side handle could fail, which may cause personal injury or damage to the product.
Lock the drawers before moving this product. The drawers could come open and make the product unstable and tip, which may cause personal injury or product damage.
DO NOT stand on this product or lean on the drawers or work surface.
WEAR SAFETY GLASSES when removing or repositioning the slides. The tool could slip, which may cause personal injury.
When moving this product, do not pull it. Push the product to prevent personal injury.
USE THE BRAKES when not moving this product. This will prevent the product from rolling, which may cause personal injury or product damage.
BE CAREFUL when opening more than one drawer. The product could become unstable and tip, which may cause personal injury or product damage.
DO NOT mount this product on a truck bed or any other moving object. This may cause personal injury or product damage.
Secure this product properly before moving it with a forklift.
DO NOT tow with power equipment. The product could tip, which may cause personal injury or product damage.
DO NOT alter this product in any manner. For example, do not weld external lockbars or attach electrical equipment. This may cause product damage or personal injury.
Keep the product on level surfaces. The product could become unstable and tip if stored or moved on an uneven surface, which may cause personal injury or product damage.
DO NOT attach or mount this product to a vehicle. Mounting this product to any vehicle in any manner will void warranty.
LIMITED WARRANTY
This product is warranted to be free from defects in materials and workmanship for a period of five (5) years from the date of original purchase.
If this product is defective, email [email protected] or call 1-800-459-4409 (Monday–Friday, 8:00 am–4:30 pm, CST). If the product is defective, we will replace the defective part at no cost to you. Please do not ship your product back to the store or to us unless we send you written instructions for return.
In the event it becomes necessary for your product to be returned, we will notify you how to proceed.
A copy of your original purchase receipt must accompany the returned product.
Manufactured by:
QUALITY CRAFT
Surrey, BC, Canada V3S 5N4
[email protected]
1-800-459-4409
(Monday to Friday, 8:00 am–4:30 pm, CST)
Made in China
www.montezumastorage.com



















