Honeywell STT750 SmartLine Temperature Transmitter Instruction Manual

Introduction
Part of the SmartLine® family of products, the SmartLine STT750 is a high-performance and value temperature transmitter offering high accuracy and stability over a wide range of process and ambient temperatures.
SmartLine easily meets the most demanding needs for temperature measurement applications.
Best in Class Features:
Industry leading performance value
- Digital Accuracy up to .14 Deg C for RTD
- Stability up to +/-0.01% of URL per year for ten years
- 125 mSec update time for single input
- 250 mSec update time for dual input
Reliable measurement
- Built in Galvanic Isolation
- Dual Compartment Housing
- Sensor Break detection
- Comprehensive on-board diagnostic capabilities
- Full compliance to SIL 2/3
- Available with 4 year warranty
- Supports Namur 89 Wire break
- Direct entry of Callendar-van Dusen coefficients R0, α, δ and β for calibrated RTD
Lower Cost of Ownership
- Universal input
- Basic digital display capabilities
- Modular construction
- External zero, span, & configuration capability
- Polarity insensitive loop wiring

Figure 1– SmartLine STT750 Temperature transmitter
Communications/Output Options:
- 4-20 mA DC
- HART ® (version 0)
All transmitters are available with the above listed output and communication protocol option.
Description
The STT750 SmartLine Temperature Transmitter is designed and manufactured to deliver high performance across varying ambient temperature.
Unique Indication/Display Options
The STT750 modular design accommodates a basic alphanumeric LCD display.
Standard LCD Display Features
- Modular (may be added or removed in the field).
- 0, 90,180, & 270-degree position
- Deg C, F, R, Kelvin, Milli volts, and Ohm measurement
- 2 Lines 6 digits PV (9.95H x 20W mm), 8 Characters.
- Device configuration and calibration through integral buttons or optional external
- Up to 4 configurable display
- Configurable screen rotation timing (2 to 20 sec).
- Write protect
- Critical fault
Basic Alphanumeric LCD Display Features
- Modular (may be added or removed in the field)
- 0, 90,180, & 270 degree position adjustments
- Deg C , F, R and Kelvin measurement units
- 2 Lines 16 Characters (4.13H x 83W mm)
- Up to 8 display screens with similar formats
- Configurable screen rotation timing (3 to 30 sec)
- Auto/Manual selection for screen rotation
- Displays up to 6 Data-points: Loop PV,
CJ Temperature, Sensor, RTD Resistance, Loop output, Percent Loop.
- Out of Range Indication
- PV Status and critical fault indication
Configuration Tools
Suitable for all electrical and environmental requirements, SmartLine offers the ability to configure the transmitter and display via three externally accessible buttons. The button compartment is isolated from other internal components and thus keeps the sensitive electronics environmentally sound.
Zero/span capabilities are also optionally available via these buttons with or without selection of a display option.
Handheld Configuration
SmartLine transmitters feature two-way communication and configuration capability between the operator and the transmitter. This is accomplished via Honeywell’s field-rated Multiple Communication Configuration tool.
The Honeywell Handheld MC Toolkit is capable of field configuring HART Devices and can also be ordered for use in intrinsically safe environments.
All Honeywell transmitters are designed and tested for compliance with the offered communication protocols and are designed to operate with any properly validated hand-held configuration device.
Personal Computer Configuration
Field Device Manager (FDM) Software and FDM Express are also available for managing HART device configurations.
Diagnostics
SmartLine transmitters all offer digitally accessible diagnostics which aid in providing advanced warning of possible failure events minimizing unplanned shutdowns, providing lower overall operational costs
System Integration
o All SmartLine products meet the most current published standards for HART.
Modular Design
To help contain maintenance and inventory costs, all STT750 transmitters are modular in design supporting the user’s ability to replace temperature boards, add indicators or change electronic modules without affecting overall performance or approval body certifications.
Each temperature board is uniquely characterized to provide in-tolerance performance over a wide range of application variations in temperature and due to the Honeywell advanced interface, electronic modules may be swapped with any electronics module without losing in-tolerance performance characteristics
Modular Features
- Replace temperature board, terminal board, or lightning protection*
- Replace electronics or communication modules*
- Add or remove integral indicators*
- Add or remove external configuration buttons
- Field replaceable in all electrical environments (including IS) except flameproof without violating agency
With no performance effects, Honeywell’s unique modularity results in lower inventory needs and lower overall operating costs.
Performance Specifications1,3
Reference Accuracy 2 (conformance to +/-3 Sigma)
| Input Type | Maximum Range Limits | Digital Accuracy (+/-) | Output D/A Accuracy (% of span) | Standards | |
| RTD (2,3,4 wire) | ° C | ° F | ° C | % | |
| Pt255 | -200 to 850 | -328 to 1562 | 0.90 | 0.025 | IEC751:1990 (a=0.00385) |
| Pt100 | -200 to 850 | -328 to 1562 | 0.14 | 0.025 | IEC751:1990 (a=0.00385) |
| Pt200 | -200 to 850 | -328 to 1562 | 0.28 | 0.025 | IEC751:1990 (a=0.00385) |
| Pt500 | -200 to 850 | -328 to 1562 | 0.17 | 0.025 | IEC751:1990 (a=0.00385) |
| Pt1000 | -200 to 500 | -328 to 932 | 0.14 | 0.025 | IEC751:1990 (a=0.00385) |
| Ni120 | -80 to 260 | -112 to 500 | 0.12 | 0.025 | Edison Curve #7 (α=0.00672) |
| Cu10 | -50 to 250 | -58 to 482 | 1.40 | 0.025 | Edison Copper Winding #15 (α=0.00427) |
| Thermocouples | ° C | ° F | ° C | % | |
| B | 200 to 300 | 392 to 572 | 3.00 | 0.025 | IEC 584-1 (ITS-90) |
| 300 to 1820 | 572 to 3308 | 1.20 | 0.025 | IEC 584-1 (ITS-90) | |
| E | -200 to 1000 | -328 to 1832 | 0.40 | 0.025 | IEC 584-1 (ITS-90) |
| J | -200 to 1200 | -328 to 2192 | 0.50 | 0.025 | IEC 584-1 (ITS-90) |
| K | -200 to 1370 | -328 to 2498 | 0.50 | 0.025 | IEC 584-1 (ITS-90) |
| N | -200 to 1300 | -328 to 2372 | 0.80 | 0.025 | IEC 584-1 (ITS-90) |
| R | -50 to 0 | -58 to 32 | 2.00 | 0.025 | IEC 584-1 (ITS-90) |
| 0 to 1760 | 32 to 3200 | 1.00 | 0.025 | IEC 584-1 (ITS-90) | |
| S | -50 to 0 | -58 to 32 | 2.00 | 0.025 | IEC 584-1 (ITS-90) |
| 0 to 1760 | 32 to 3200 | 1.00 | 0.025 | IEC 584-1 (ITS-90) | |
| T | -250 to -200 | -418 to 392 | 1.2 | 0.025 | IEC 584-1 (ITS-90) |
| -200 to 400 | -392 to 752 | 0.40 | 0.025 | IEC 584-1 (ITS-90) | |
| C (W5 W26) | 0 to 2300 | 32 to 4172 | 1.20 | 0.025 | ANSI/ASTM E-230 (ITS-90) |
| Other Input Types | Maximum Range Limits | Digital Accuracy (+/-) | Output D/A Accuracy (% of span) | Standards |
| Millivolts | -100 to 1200 mV | 0.17 mV | 0.025 | |
| Millivolts | -20 to 125 mV | 0.021 mV | 0.025 | |
| Ohms | 0 to 500 Ohms | 0.30 Ohms | 0.025 | |
| Ohms | 0 to 2000 Ohms | 0.45 Ohms | 0.025 | |
| Ohms | 0 to 3000 Ohms | 0.65 Ohms | 0.025 |
- Digital Accuracy is accuracy of the digital value accessed by the Host system and the handheld
- Total analog accuracy is the sum of digital accuracy and output D/A
- Output D/A Accuracy is applicable to the 4 to 20 mA Signal
- For TC inputs, CJ accuracy shall be added to digital accuracy to calculate the total digital
- Custom Callendar-van Dusen not available for Pt25
Performance under Rated Conditions – All Models
| Parameter | Description |
| Input Span Adjustment Range | No limits to adjustments within the maximum range except minimum span limit of 1 engineering unit |
| Analog Output Digital Communications: | Two-wire, 4 to 20 mA (HART transmitters only) HART 7 protocol compliant |
| Output Failure Modes (HART only) | Honeywell Standard: NAMUR NE 43 Compliance: Normal Limits: 3.8 – 20.8 mA 3.8 – 20.5 mA Failure Mode: ≤ 3.6 mA and ≥ 21.0 mA ≤ 3.6 mA and ≥ 21.0 mA |
| Output Accuracy (HART only) | ±0.025 % span |
| Supply Voltage Effect | 0.005 % span per volt. |
| Transmitter Turn on Time (includes power up & test algorithms) | HART: 2.5 sec. |
| Analog Input | Stability: 0.01% of URL per year for 10 years Maximum Lead Wire Resistance: Thermocouples: 50 ohms/leg RTD (all except Pt25) and ohms: 50 ohms/leg RTD Pt25: 10 ohms/leg |
| Response Time (delay + time constant) | HART Analog Output 130 – 230 mSec |
| Update time | 125 mSec |
| Damping Time Constant | HART: Adjustable from 0 to 102 seconds in 0.1 increments. Default: 0.50 seconds |
| Ambient Temperature Effect | Digital Accuracy For RTD Inputs, 0.0025 °C/°C For T/C Inputs: 0.010 °C/°C Output D/A: 0.0010 % of span/°C |
| Cold Junction Accuracy | ±0.25 °C |
| Total Reference Accuracy | Digital Mode : Digital Accuracy + C/J Accuracy (T/C input types only) Analog Mode (HART only): Digital Accuracy + Output D/A Accuracy + C/J Accuracy (T/C input types only) Example: Transmitter in Analog Mode with Pt100 sensor and 0 to 200°C range Total Reference Accuracy = 0.14°C + (200 °C / 100 %) * 0.025 % = 0.19 °C |
| Sensor Burnout | Burnout detection is user selectable. Upscale or down scale with critical status message. For RTD or ohm type inputs; broken wire/wires will be indicated |
| Vibration Effect | Per IEC60770-1 field or pipeline, high vibration level (10-2000Hz: 0.21 displacement/3g max acceleration) |
| Electromagnetic Compatibility | IEC 61326-3-1 |
| Isolation | 2000 Vdc (1400Vrms) Galvanic isolation between inputs and output. |
| Stray Rejection | Common Mode AC (50 or 60 Hz): 120 dB (with maximum source impedance of 100 ohms) or ± 1 LSB (least significant bit) whichever is greater with line voltage applied. DC: 120 dB (with maximum source impedance of 50 ohms) or a ±1 LSB whichever is greater with 120 Vdc applied. DC (to 1 KHz): 50 dB (with maximum source of impedance of 50 ohms) or ±1 LSB whichever is greater with 50 Vac applied. Normal Mode AC (50 or 60 Hz): 60 dB (with 100% span peak-to-peak maximum) |
| EMC Compliance | EN 61326-1 and EN 61326-3-1 (SIL) |
| Lightning Protection Option | Leakage Current: 10 uA max @ 42.4 VDC 85 °C Impulse rating: 8/20 uS 5000 A (>10 strikes) 10000 A (1 strike min.) 10/1000 uS 200 A (> 300 strikes) |
EMC Conformity (CE, Marine and SIL)
The STT750 device is compliant with IEC compliance EN 61326-1: 2013, EN IEC 61326-1: 2021 (CE) ; IEC 60533: 2015 / IACS Req. 1991/Rev.8 2021 (Marine) and IEC 61326-3-1: 2017 (SIL)
Performance specifications under EMC conditions (CE and Marine):
HART: Worst case deviation < 0.1% of full span (for both Analog and Digital).
Operating Conditions – All Models
| Parameter | Reference Condition | Rated Condition | Operative Limits | Transportation and Storage | ||||
| °C | °F | °C | °F | °C | °F | °C | °F | |
| 1 0B0BAmbient Temperature | 25±1 | 77±2 | -40 to 85 | -40 to 185 | -40 to 85 | -40 to 185 | -55 to 120 | -67 to 248 |
| STT750 | ||||||||
| Humidity %RH | 10 to 55 | 0 to 100 | 0 to 100 | 0 to 100 | ||||
| Supply Voltage Load Resistance | HART Models: 11.8 to 42.4 Vdc at terminals (IS versions limited to 30 Vdc) 0 to 1,400 ohms (as shown in Figure 2) | |||||||
1 LCD Display operating temperature -20°C to +70°C . Storage temperature -30°C to 80°C

Materials Specifications (see model selection guide for availability/restrictions with various models)
| Parameter | Description |
| Mounting Bracket | Wall or 2” Pipe, Carbon Steel (Zinc-plated) or 316 Stainless Steel |
| Electronic Housing | Pure Polyester Powder Coated Low Copper (<0.4%)-Aluminum. Meets Type 4X, IP66, IP67 & IP68. All stainless steel housing is optional. Cover O Ring Material: Silicone |
| Sensor/Cable Entry | 1/2 NPT electrical connection or M20x1.5 |
| Mounting | Can be mounted in virtually any position using the standard mounting brackets. Brackets are designed to mount on to a wall or a 2-inch (50 mm) vertical or horizontal pipe. |
| Wiring | Accepts up to 16 AWG (1.5 mm diameter). Preferred 18AWG and above for ease of wiring. |
| Dimensions | See Figures 4 to 9 |
| Net Weight Lbs (kg) | Aluminum housing for transmitter with Display – 2.7 lbs (1.22 kg) Aluminum housing for transmitter w/o Display – 2.6 lbs (1.18 kg) Stainless Steel housing for transmitter with Display – 4.9 lbs (2.22 kg) Stainless Steel housing for transmitter w/o Display – 4.8 lbs (2.18 kg) |
Communications Protocols & Diagnostics
HART Protocol
Version:
HART 7
Power Supply
Voltage: 11.8 to 42.4Vdc at terminals Load: Maximum 1400 ohms See figure 2
Minimum Load: 0 ohms. (For handheld communications, a minimum load of 250 ohms is required) IEC 61508 Safety Certified SIL 2 and SIL 3
Standard Diagnostics
STT750 top level diagnostics are reported as either critical or non-critical as listed below. All diagnostics are readable via the DD/DTM tools. All critical diagnostics will appear on the Basic integral display.
Critical Diagnostics
Sensor Module Fault Communications Module Fault Sensor Communications Fault Input Fault
| SIL 2/3 Certification | IEC 61508 SIL 2 for non-redundant use and SIL 3 for redundant use according to EXIDA and TÜV Nord Sys Tec GmbH & Co. KG under the following standards: IEC61508-1: 2010; IEC 61508-2: 2010; IEC61508-3: 2010. SIL EMI/EMC compliance as per Standard: IEC 61326-3-1: 2017 |
| MARINE TYPE APPROVAL | Lloyd’s Register Certificate Number: ?? Environmental categories ENV1, ENV2, ENV3 and ENV5 as defined in Lloyd’s Register Test Specification No. 1, DEC 2021 ? |
Wiring Diagram

Figure 3 STT750 Thermocouple, RTD, mV, ohm and Volt Connections
Approval Certifications:
| MSG CODE | AGENCY | TYPE OF PROTECTION | COMM OPTION | Electrical Parameters | Ambient Temperature |
| Explosion proof, Certificate: FM16US0157X: Class I, Division 1, Groups A, B, C, D; Dust Ignition Proof: Class II, III, Division 1, Groups E, F, G; T6..T5 |
4-20 mA/ DE/HART/ F/ PROFIBUS |
Note 1 |
T 95oC, T5: Ta= -50oC to 85oC T6: Ta= -50oC to 65oC | ||
| Class 1, Zone 1, AEx db IIC T6..T5 Gb Zone 21 AEx tb IIIC T 95oC Db | |||||
| A | FM Approvals TM (USA) | Intrinsically Safe, Certificate: FM16US0157X: Class I, II, III, Division 1, Groups A, B, C, D, E, F, G; T4
Class I Zone 0 AEx ia IIC T4 Ga FISCO Field Device (Only for FF Option) Class I Zone 0 Ex ia IIC T4 Ga |
4-20 mA/ DE/HART/FF/ PROFIBUS |
Note 2 | -50oC to 70oC FISCO: -50oC to 45oC |
| Non-Incendive, Certificate: FM16US0157X: Class I, Division 2, Groups A, B, C, D; T4 Class I Zone 2 AEx nA IIC T4 Gc | 4-20 mA/ DE/HART/FF/ PROFIBUS | Note 1 | -50oC to 85oC | ||
| Enclosure: Type 4X/ IP66/ IP67 | ALL | ALL | ALL | ||
| Explosion proof, Certificate: 2689056: Class I, Division 1, Groups A, B, C, D; Dust Ignition Proof: Class II, Division 1, Groups E, F, G; Class III, Division 1 ;T6..T5
Class I Zone 1 AEx db IIC T6..T5 Gb ; Zone 21 Ex tb IIIC T 95oC Db |
4-20 mA/ DE/HART/FF |
Note 1 |
T 95oC, T5: Ta= -50oC to 85oC T6: Ta= -50oC to 65oC | ||
| Ex db IIC T6..T5 Gb ; Ex tb IIIC T 95oC Db | |||||
| Intrinsically Safe, Certificate: 2689056: Class I, II, III, Division 1, Groups A, B, C, D, E, F, G; T4 | |||||
| B | CSA-Canada and USA | Class I Zone 0 AEx ia IIC T4 Ga Class I Zone 2 Ex ic IIC T4 Gc Ex ia IIC T4 Ga Ex ic IIC T4 Gc FISCO Field Device (Only for FF Option) Class I Zone 0 AEx ia IIC T4 Ga Class I Zone 2Ex ic IIC T4 Gc Ex ia IIC T4 Ga Ex ic IIC T4 Gc |
4-20 mA/ DE/HART/FF |
Note 2 | -50oC to 70oC FISCO: -50oC to 45oC |
| Non-Incendive, Certificate: 2689056: Class I, Division 2, Groups A, B, C, D; T4
Class I Zone 2 AEx nA IIC T4 Gc Ex nA IIC T4 Gc | 4-20 mA/ DE/HART/FF |
Note 1 |
-50oC to 85oC | ||
| Enclosure: Type 4X/ IP66/ IP67 | ALL | ALL | ALL |
| Standards: CSA C22.2 No. 0-10; CSA 22.2 No. 25-1966 (reaffirmed 2009); | |||||
| CSA C22.2 No. 30-M1986 (reaffirmed 2012); CSA C22.2 No. 94-M91; | |||||
| CSA C22.2 No. 61010-1: 2012; CSA-C22.2No.157-92 (reaffirmed 2012); | |||||
| C22.2 No. 213-2017; C22.2 No. 60529-2016 | |||||
| C22.2 No. CSA 60079-0:2011; C22.2 No. 60079-1: 2011; C22.2 No. 60079-11:2014; | |||||
| C22.2 No. 60079-15: 2012; C22.2 No. 60079-31:2015; | |||||
| B | |||||
| ANSI/ ISA12.12.01-2017; ANSI/ ISA 60079-0 (12.00.01): 2013; | |||||
| ANSI/UL 60079-1 : 2015; ANSI/ ISA 60079-11(12.02.01) : 2012; | |||||
| ANSI/ ISA 60079-15(12.12.02) : 2012 ; | |||||
| ANSI/ ISA 60079-31: 2015; | |||||
| FM Class 3615: Aug 2006; FM Class 3616: Dec 2011; ANSI/ IEC 60529 : Edition 2.1 | |||||
| ANSI/ UL 913: 2015; ANSI/UL 61010-1: 2016; UL 50: Ed 11 | |||||
| Flameproof, Sira 14ATEX2046X: II 2 GD Ex db IIC T6..T5 Gb Ex tb IIIC T 95oC Db | 4-20 mA/ DE/HART/FF | Note 1 | T 95oC, T5: Ta= -50oC to 85oC T6: Ta= -50oC to 65oC | ||
| Intrinsically Safe, Sira 14ATEX2046X: | |||||
| II 1 GD | -50oC to 70oC | ||||
| Ex ia IIC T4 Ga Ex ia IIIC T95oC Da | 4-20 mA/ DE/HART/FF | Note 2 | FISCO: | ||
| FISCO Field Device (Only for FF Option) | -50oC to 45oC | ||||
| Ex ia IIC T4 Ga | |||||
| C | ATEX | Enclosure: IP66/ IP67 | ALL | ALL | ALL |
| Standards: EN 60079-0: 2012/A11:2013; EN 60079-1 : 2014; EN 60079-31 : 2014 | |||||
| EN 60079-11: 2011; EN 60079-26 : 2006; EN 60529 : 2000 + A1 | |||||
| Increase Safety/ Intrinsic Safety, Sira 14ATEX4052X: II 3 G Ex ec IIC T4 Gc Ex ic IIC T4 Gc FISCO Field Device (Only for FF Option) Ex ic IIC T4 Gc |
4-20 mA/ DE/HART/FF |
Note 1 |
-50oC to 85oC FISCO: -50oC to 45oC | ||
| Enclosure: IP66/ IP67 | ALL | ALL | ALL | ||
| Standards: EN 60079-0: 2012/A11:2013; EN 60079-7:2015; EN 60079-11:2012 | |||||
|
D |
IECEx | Flameproof, SIR 14.0020X Ex db IIC T6..T5 Gb Ex tb IIIC T 95oC Db | 4-20 mA/ DE/HART/FF | Note 1 | T 95oC, T5: Ta= -50oC to 85oC T6: Ta= -50oC to 65oC |
| Intrinsically Safe, SIR 14.0020X Ex ia IIC T4 Ga Ex ia IIIC T95oC Da FISCO Field Device (Only for FF Option) Ex ia IIC T4 Ga | 4-20 mA/ DE/HART/ FF |
Note 2 | -50oC to 70oC FISCO: -50oC to 45oC | ||
| Non Sparking, SIR 14.0020X Ex ecIIC T4 Gc Ex ic IIC T4 Gc FISCO Field Device (Only for FF Option) Ex ic IIC T4 Gc | 4-20 mA/ DE/HART/ FF |
Note 1 | -50oC to 85oC FISCO: -50oC to 45oC | ||
| Enclosure: IP66/ IP67 | ALL | ALL | ALL | ||
| Standards: IEC 60079-0: 2011; IEC 60079-1 : 2014,; IEC 60079-11 : 2011; IEC 60079-7:2015; IEC 60079-31 : 2013 | |||||
|
E |
SAEx (South Africa) | Flameproof: Ex db IIC T6..T5 Gb Ex tb IIIC T 95oC Db | 4-20 mA/ DE/HART/FF | Note 1 | T 95oC, T5: Ta= –50oC to 85oC T6: Ta= -50oC to 65oC |
| Intrinsically Safe: Ex ia IIC T4 Ga Ex ia IIIC T95oC Da FISCO Field Device (Only for FF Option) Ex ia IIC T4 Ga | 4-20 mA/ DE/HART/FF |
Note 2 | -50oC to 70oC FISCO: -50oC to 45oC | ||
| Increase Safety/ Intrinsic Safety: Ex ec IIC T4 Gc Ex ic IIC T4 Gc FISCO Field Device (Only for FF Option) Ex ic IIC T4 Gc | 4-20 mA/ DE/HART/FF |
Note 1 | -50oC to 85oC FISCO: -50oC to 45oC | ||
| Enclosure: IP66/ IP67 | ALL | ALL | ALL | ||
|
F |
INMETRO | Flameproof: Ex db IIC T6..T5 Gb Ex tb IIIC T 95oC Db | 4-20 mA/ DE/HART/FF | Note 1 | T 95oC, T5: Ta= -50oC to 85oC T6: Ta= -50oC to 65oC |
| Intrinsically Safe: Ex ia IIC T4 Ga Ex ia IIIC T95oC Da FISCO Field Device (Only for FF Option) Ex ia IIC T4 Ga | 4-20 mA/ DE/HART/FF |
Note 2 | -50oC to 70oC FISCO: -50oC to 45oC | ||
| Increase Safety/ Intrinsic Safety: Ex ec IIC T4 Gc Ex ic IIC T4 Gc FISCO Field Device (Only for FF Option) Ex ic IIC T4 Gc | 4-20 mA/ DE/HART/FF |
Note 1 | -50oC to 85oC FISCO: -50oC to 45oC | ||
| Enclosure: IP66/ IP67 | ALL | ALL | ALL | ||
|
G |
NEPSI (CHINA) | Flameproof: Ex d IIC T6..T5 Gb Ex tD A21 IP66/IP67 T95oC | 4-20 mA/ DE/HART/FF | Note 1 | T 95oC, T5: Ta= -50oC to 85oC T6: Ta= -50oC to 65oC |
| Intrinsically Safe: Ex ia IIC T4 Ex iaD 20 T95oC FISCO Field Device (Only for FF Option) Ex ia IIC T4 | 4-20 mA/ DE/HART/FF |
Note 2 | -50oC to 70oC FISCO: -50oC to 45oC | ||
| Non Sparking/ Intrinsic Safety: Ex nA IIC T4 Ex ic IIC T4 Gc | 4-20 mA/ DE/HART/FF | Note 1 | -50oC to 85oC | ||
| Enclosure: IP66/ IP67 | ALL | ALL | ALL | ||
| H | KOSHA (KOREA) | Flameproof: Ex d IIC T4 Gb Ex tD A21 T 95oC IP 66/ IP67 | 4-20 mA/ DE/HART/FF | Note 1 | -50oC to 85oC |
| Intrinsically Safe: Ex ia IIC T4 FISCO Field Device (Only for FF Option) Ex ia IIC T4 | 4-20 mA/ DE/HART/FF | Note 2 | -50oC to 70oC FISCO: -50oC to 45oC | ||
| Enclosure: IP66/ IP67 | ALL | ALL | ALL |
| J | EAC Ex (Russia, Belarus and Kazakhstan) | Flameproof: 1 Ex d IIC T4 Gb Ex tb IIIC T95oC Db | 4-20 mA/ DE/HART/FF | Note 1 | -50oC to 85oC |
| Intrinsically Safe: 0 Ex ia IIC T4 Ga Ex ia IIIC T4 Db FISCO Field Device (Only for FF Option) 0 Ex ia IIC T4 Ga | 4-20 mA/ DE/HART/FF |
Note 2 | -50oC to 70oC FISCO: -50oC to 45oC | ||
| Non Sparking: 2 Ex nAc IIC T4 | 4-20 mA/ DE/HART/FF | Note 1 | -50oC to 85oC | ||
| Enclosure: IP66/ IP67 | ALL | ALL | ALL | ||
| P | CCoE (India) | Ex ia IIC T4 Ga FISCO Field Device (Only for FF Option) Ex ia IIC T4 | 4-20 mA/ DE/HART/FF | Note 2 | -50oC to 70oC FISCO: -50oC to 45oC |
| Ex d IIC T4 Gb | 4-20 mA/ DE/HART/FF | Note 1 | -50oC to 85oC |
Notes
Operating Parameters:
4-20 mA/ HART (Loop Terminal)
Voltage= 11.8 to 42 V Current= 4-20 mA Normal (3.8 – 23 mA Faults)
Intrinsically Safe Entity Parameters
For details see Control Drawing in the User’s manual (34-TT-25-13)
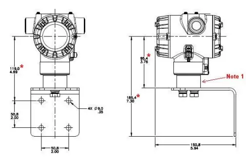
Mounting & Dimensional Drawings
TRANSMITTER ENCLOSURE CAN BE ROTATED A TOTAL OF 90O FROM THE STANDARD MOUNTING POSITION

Figure 4 – STT750 with adapter housing – Horizontal Wall Mounting

Figure 5 – STT750 No-Adapter Horizontal Wall Mounting

Figure 7 – STT750 Pipe Mount, Vertical
*Note 1: Figure 6 and 7. The housing adapter may not be present on all transmitter models. If the housing adapter is not present, subtract 24,5mm (0,96 inches) from the dimension specified.
Mounting & Dimensional Drawings
Reference Dimensions: millimeters inches

Figure 8 – STT750 with adapter housing – Dimensions

Figure 9 – STT750 no adapter housing dimensions
The Model Selection Guide is subject to change and is inserted into the specification as guidance only.
Model Selection Guide



| Sales and Service For application assistance, current specifications, pricing, or name of the nearest Authorized Distributor, contact one of the offices below. | ||
| ASIA PACIFIC | EMEA | AMERICA’S |
| Honeywell Process Solutions, | Honeywell Process Solutions, | Honeywell Process Solutions, |
| (TAC) hfs-tac- | Phone: + 80012026455 or | Phone: (TAC) 1-800-423-9883 or |
| [email protected] | +44 (0)1202645583 | 215/641-3610 |
| (Sales) 1-800-343-0228 | ||
| Australia | Email: (Sales) | |
| Honeywell Limited | [email protected] | Email: (Sales) |
| Phone: +(61) 7-3846 1255 | or | [email protected] |
| FAX: +(61) 7-3840 6481 | (TAC) | or |
| Toll Free 1300-36-39-36 | [email protected] | (TAC) |
| Toll Free Fax: | [email protected] | |
| 1300-36-04-70 | Web | |
| Knowledge Base search engine | Web | |
| China – PRC – Shanghai | http://bit.ly/2N5Vldi | Knowledge Base search engine |
| Honeywell China Inc. | http://bit.ly/2N5Vldi | |
| Phone: (86-21) 5257-4568 | ||
| Fax: (86-21) 6237-2826 | ||
| Singapore | ||
| Honeywell Pte Ltd. | ||
| Phone: +(65) 6580 3278 | ||
| Fax: +(65) 6445-3033 | ||
| South Korea | ||
| Honeywell Korea Co Ltd | ||
| Phone: +(822) 799 6114 | ||
| Fax: +(822) 792 9015 | ||


















