CROUSE-HINDS SERIES
Surge protection for Zone 0 locations
Application note
MTL surge protection
Introduction
For many years there has been general recognition that there is a significant problem from lightning strikes on installations such as storage tanks. The codes of practice for instrumentation in hazardous areas for Germany and Holland both contain recommendations for specific installation practice. In the United Kingdom the code of practice contains no detailed requirements and the problem has always been approached on an individual installation basis. Perhaps the clearest references are in the IEC code which contains two specific references to lightning problems. These, together with the relevant clause on potential equalisation, are quoted in full as an appendix (clauses 6.3, 6.5 and 12.3).
When a plant is struck by lightning then the point of impact would inevitably ignite a gas and air mixture that was present. Ignition at points other than the point of impact are dependent on the efficiency of bonding which must be adequate to prevent side flashes and hence bonding should have a low impedance as well as a low resistance. The majority of petrochemical installations are adequately bonded and sufficiently robust to prevent excessive lightning damage although some side flashes usually occur following a significant adjacent strike. Corona discharge from structures does occur in some atmospheric conditions and multiple streamers rising from structures to meet the usual lightning downward leader (which selects one of them) are a well established phenomenon. It is possible that if either a lightning flash, an upward corona streamer, or a side flash pass through a flammable mixture of gas then ignition will occur. In general, conventional bonding of a plant is considered adequate and the implications of possible lightning impact points are not considered a significant problem except in the case of vents which frequently discharge. Where lightning can damage the electrical insulation of power circuits there is a transient potential hazard caused by the follow through of the power circuit. This should, however, be rapidly removed by the electrical protection i.e. fuses, out of balance circuit breakers etc. which is a fundamental requirement of all the methods of protection used for power equipment. It is not usual for lightning induced current to directly cause enough heating to create a hazard by temperature ignition, since the current pulses are too short to create a sustained high temperature. However, vapourisation of flimsy conductors such as printed circuit tracks is not unusual. Overheating may occur if there is a power follow through of a fault initiated by the lightning induced voltage. It can be argued that if intrinsically safe apparatus is likely to be subjected to lightning damage then it is necessary to protect it since, following the lightning damage, its intrinsic safety may be impaired. There is no requirement in the apparatus standard to consider the effect of excessive surges, which are difficult to predict and could lead to damage. The problem should not be exaggerated, since lightning damage usually results in failure to a safe condition and also to operational failure and hence should be noticed and corrected. Possibly the need to repair or remove non-functional electrical equipment needs to be given further emphasis in the code of practice.
It is accepted that transient hazards during infrequent electrical faults can occur in Zones 1 and 2 providing that they are removed as quickly as is practical. The argument being that the coincidence of the potentially hazardous electrical fault and a flammable mixture of gas is sufficiently improbable to be acceptable. In the particular case of lightning a similar analysis suggests that transient hazards caused by points of lightning impact and the occasional failure to bond adequately are possibly acceptable in Zone 1 and 2 but not acceptable in Zone 0. Fortunately the majority of Zone 0 locations are contained within process vessels which form an adequate Faraday cage which effectively prevents significant potential differences within the Zone 0 and hence the problem is generally controllable. Where problems are known to exist then special precautions are taken, for example the bond between the floating roof of a storage tank and the tank itself is designed with considerable care, and subjected to frequent inspections. A problem is introduced when the Faraday cage of the Zone 0 is broken by the introduction of equipment for measurement purposes.
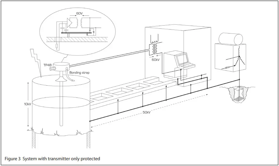
Figure 1 shows an average contents temperature gauge being used in a storage tank and this illustrates the problem. The potential equalising network is shown diagramatically as a substantial structure interconnected electrically, in practice it is the plant structure bonded together. The transmitter protruding from the tank top is intended to illustrate the concept. In practice, in a high lightning activity area, it would be unwise to have the equipment protruding from the tank in this way since it would possibly invite a direct strike and could be the natural source of corona discharge. It should be provided with some mechanical protection from this possibility or sited with care in the shelter of some other protrusion. The diagram shows a two wire 4-20 milliamp transmitter with internal isolation fed from a galvanic isolator. To establish the order of the problem some assumptions are made which cannot be fully justified but are believed to be reasonable. These are:
a) The tank has an inductance of 0.1µH/metre and is 10 metres high before reaching the equipotential plane of the plant.
b) The potential equalisation system has a similar low inductance of 0.1µH/metre and the tank is situated some 500 metres from the control room.
c) Lightning strikes the tank, and the strike is 100kA rising linearly in 10 microseconds. Some 10kA is assumed to flow through the potential equalising bond to the control room distribution centre transformer.

With these assumptions the transient peak volts across the tank is 10kV and the voltage across the potential equalising network is 50kV. The resultant 60kV potential difference would be divided across the isolation within the interface and the isolation within the transmitter with a high probability that both would break down.
This example is used to illustrate the remainder of this document. In practice all specific installations will differ in detail from this example but the general principles are illustrated by this analysis. Usually a document of conformity for the intrinsically safe system in accordance with BS EN 50039 should be generated for the specific system. Eaton are particularly suited to giving assistance in creating such documentation, should help be required.
INTRINSIC SAFETY REQUIREMENTS FOR EARTHING AND BONDING
Usually instrumentation introduced into Zone 0 is intrinsically-safe to the ia requirements and is nearly always ia IIC T4 certified by some appropriate organisation. If this simplifying assumption is made then certain aspects of intrinsic safety practice need to be examined with this application in mind.
In BS EN 60079-14 preference for using galvanically isolated interfaces between intrinsically safe and non-intrinsically safe circuits for Zone 0 is expressed. The arguments for galvanic isolation have always been strongly advocated within Germany and France and are based on the assumption that galvanically isolated circuits are less susceptible to earth faults and potential differences between earths than shunt-diode safety barriers. There are literally millions of circuits using shunt-diode safety barriers and although there have been a number of operational problems, there is no indication that any safety problem has arisen from their use and hence probably the arguments are theoretically correct but may not be practically significant. However the economic difference between shunt-diode safety barriers and isolators is not significant in this type of installation and if necessary high accuracy transfer can usually be achieved using digital signals. Although an acceptable solution using shunt-diode safety barriers can be achieved, this analysis proceeds on the assumption that isolated interfaces will be used if only to avoid the distraction of any argument resulting from the use of shunt-diode safety barriers.
It is usual to require that intrinsically safe circuits are fully floating or earthed at one point only. The reason for this requirement is to prevent significant circulating currents flowing within the circuit due to potential differences within the plant. The problem is not so much that there is a significant safety risk but that it is difficult to certify a system with unspecified currents. In practice the safety analysis carried out with multiple earth faults is based on the assumption that all earths are at the same potential and interconnected by zero impedance. Since the single earth philosophy is largely compatible with the low frequency interference avoidance practices in instrumentation this has not been challenged until recently. The increased awareness arising from the EMC directive of the effects of high frequency interference has led to the greater use of decoupling capacitors on input circuits which are a form of multiple earthing. This is recognised in both the apparatus standard and the code of practice, the latter permitting a total capacitance of 10nF in any one circuit. When the apparatus standard was being written the question of the quality of the insulation of the circuit from earth was discussed. It was decided that except where the intrinsic safety was critically dependent e.g. where a current limiting resistor could be short circuited, then the creepage and clearance requirements should be waived but that the measure of insulation adequacy was a 500 volt insulation test. This has led to occasional problems e.g. strain gauges, but in general has not caused problems. It was not thought that circuits would be subjected to 500 volts in the hazardous areas, if they are, then they are no longer intrinsically safe. [Note – Using 20 microjoules as the ignition energy of hydrogen, the permissible capacitance associated with 707 volts is 80 picofarads and the safe voltage corresponding to the permitted 10 nanofarads is 63 volts]. The subsequent analysis therefore ignores the 500 volt insulation test requirement and concentrates on producing a solution which reduces the voltages applied to the Zone 0 in transient conditions to an acceptably safe level.
CERTIFICATION OF SURGE PROTECTORS
Usually, surge suppressor circuits can be classified as “simple apparatus” using any of the available definitions. Fortunately the requirements of simple apparatus have been more clearly defined in the second edition of EN50020 (reproduced in Appendix B) and hence due allowance for the small inductors sometimes used can now be made.
It is normal practice to have “simple apparatus” certified by an appropriate body such as BASEEFA if they are frequently used in intrinsically safe circuits. Although not strictly essential such third party certification gives additional comfort to the end user and makes the marketing of the product easier. It is important however to recognise that the certification relates only to the effect the surge protection device has on the intrinsic safety of the circuit when the circuit is not affected by lightning transients. There are no requirements in the apparatus standards relating to the performance of surge suppressors. Although BASEEFA do satisfy themselves that the product they are certifying is not useless they are not responsible for its performance during a transient surge, nor is anyone able to claim that the circuit is intrinsically safe during the brief time it is affected by the lightning surge. The full implications of the “ATEX” directive with respect to surge suppressors is being pursued and may lead to some additional testing requirements. This directive comes into force in June 2003.
PROTECTION OF THE SENSOR AND TRANSMITTER
The problem of surge protection of the transmitter and sensor is relatively easy to solve since it is only necessary to prevent significant voltage differences so as to avoid ignition capable sparks. This can be achieved by using a combination of surge limiting devices, which effectively control the voltage between the signal wires and with respect to the adjacent structure.
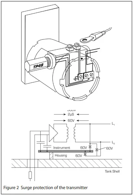
A practical solution to this problem is to use a Telematic TP48 (see figure 2) which contains the necessary parallel surge components in an encapsulated block within a stainless steel hexagon bar which can be screwed into the unused cable entry of the transmitter. To achieve suppression against the expected transients it is necessary to use a combination of gas discharge tubes and solid state devices. With the usual test waveform this combination restricts the transient voltage between the circuit and structure to 300 volts which then falls to 60V after two microseconds and the voltage between the signal lines to 60V. It is a matter of some debate as to what transient voltages would be anticipated on a practical installation with protection but they would not exceed 150V and almost certainly would be considerably less.
To be effective, the surge protector must be adequately bonded to the structure. Almost all transmitters contained within metallic enclosures have both internal and external bonding connections which can be utilised to ensure adequate bonding. The need for the external bond is reduced if the mounting of the transmitters ensures an effective bond, but if there is any doubt a substantial bond should be used. The size of the bond is largely determined by the need to be mechanically robust. A flat short braid with suitable tags has much to commend it.
This suppression circuit produces, in the worst case condition, a short 150V pulse across the transmitter isolation and a longer 60V pulse, both of which the isolation will normally reject. Any small transient which is fed by the transformer capacitance to the sensor circuit would be absorbed by the high frequency input filter capacitors of the sensor input circuit.
The results of fitting surge protection on the transmitter therefore ensures that there is an adequate level of protection for the sensor and transmitter. However, removing the potential difference from the transmitter transfers the whole of the potential difference to the isolator as illustrated in figure 3. Typically, an intrinsically safe isolator will withstand an occasional 5kV transient (the components are routinely tested at 1.5kV rms) but damage would be expected at 60kV. The usual result of this failure would be damage to the computer interface which would have both cost and operational safety implications. In non hazardous locations it is not unusual for the loss of individual transmitters to be accepted as sacrificial but to protect the computer interface so that the possibility of more complex interacting faults is reduced, and the possibility of the total system being shut down is removed.
The TP48 suppressor discussed has a BASEEFA certificate which permits its use in conventional intrinsically safe circuits [it is also Ex d certified]. The level of protection offered has been carefully chosen so that all known two wire transmitters can be adequately protected. The leakage currents associated with shunt protection devices are controlled so that they do not significantly affect the operational accuracy of the loop.
PROTECTION OF THE GALVANIC ISOLATOR AND SAFE-AREA EQUIPMENT
The use of surge protection between the isolator and the computer input interface protects the computer interface and the isolators are then sacrificial. The unspecified damage to the isolators is not however desirable and the better installation is to protect the isolators on the hazardous area side as indicated in figure 4.
The standard solution to this problem is to use the SD32X which would reduce the voltages applied to the isolator to the acceptable levels as indicated and would not significantly affect the operation of the circuit. [Note: There is a version of the suppressor which has a replaceable fuse and isolation link. In this application the fuse it not likely to be blown hence this alternative should only be used if the isolation link is thought to be useful].

The SD range has been certified by BASEEFA as being suitable for connection into intrinsically safe circuits based on it being simple apparatus as defined in the second edition of BS EN 50020 [see Appendix B]. It does contain two small inductors which have a combined inductance of 200 microhenries. However the conventional transmitter circuit is powered from a 28 volt 300 ohm source which has permitted cable parameters of 0.13 microfarads and 4.2 millihenries. The permitted length of cable is usually restricted to approximately 600 metres by the capacitance requirement and hence a marginal reduction of the permitted inductance to 4 millihenries (equivalent to 4Km) has no effect.
The system should be designed so that when the surge current is diverted the voltage drop across the bonding conductor does not create a large voltage across the isolator. Figure 4 gives an illustration of a satisfactory system. With the currents and distances indicated the isolator is still subjected to a 1.5kV pulse and hence the importance of keeping the interconnection as short as possible cannot be over emphasised.
The use of a second suppressor on the circuit means that the intrinsically safe system is now indirectly bonded at two points. The sequence in which the suppressors begin to conduct is quite complex since it does depend on how the potential difference between the two earths develops. The sustained situation which is the least desirable is that the transmitter protector requires 60 volts to conduct and the computer protector 30 volts to conduct. Hence there would need to be at least 90 volts between the two earths before a significant current could flow within the intrinsically safe circuit. During this short time the circuit is not intrinsically safe but the equipment at either end of the line is operating within its rating. Any hazard which does exist is in the cable and is in the Zone 1, or Zone 2 location. It is a smaller hazard than that which would exist without the protection and hence is a desirable acceptable solution.
PROTECTION OF SUPPLIES AND SIGNALS FROM EXTERNAL SOURCES
If the mains/power supply to the system is subject to lightning surges then the operational integrity and safety of the system can be adversely affected. An obvious invasion route for the intrinsically safe system is via the isolator supply which is derived either directly or indirectly from the supply. The intrinsic safety certification process assumes that the power supply will contain a significant amount of surges but if for any reason the supply is particularly exposed to invasion from lightning induced surges then some consideration to suppressing the main supply should be given.
A practical economic solution is to protect the supply input to the computer system as indicated in figure 5.
A similar argument can be made if a data link is made to any remote location. This is less likely to directly affect the intrinsically safe circuit but can be very damaging to the computer.
CONCLUSION
The solution shown in figure 5 is therefore the best practical solution to achieve safety for circuits entering Zone 0 where there is a significant probability of the circuit being influenced by adjacent lightning strikes.


It is probable that this solution is not directly applicable to all installations but a solution based on a similar analysis is usually achievable. Eaton is in an almost unique position to give advice on this problem and consider that they have the competence to assist in preparing the relevant documentation.
APPENDIX A
This appendix is comprised of extracts from the BS EN 60079-14 code of practice of electrical installations in hazardous areas (1997). It may still be modified in detail but it is not probable that the principles will change.
6.3 Potential equalisation
Potential equalisation is required for installations in hazardous areas. For TN, TT and IT systems all exposed and extraneous conductive parts shall be connected to the equipotential bonding system. The bonding system may include protective conductors, metal conduits, metal cable sheaths, steel wire armouring and metallic parts of structures, but shall not include neutral conductors. Connections shall be secure against self-loosening.
Exposed conductive parts need not be separately connected to the equipotential bonding system if they are firmly secured to and are in metallic contact with structural parts or piping which are connected to the equipotential bonding system. Extraneous conductive parts, which are not part of the structure or of the electrical installation, need not be connected to the equipotential bonding system, if there is no danger of voltage displacement, for example frames of doors or windows.
For additional information see IEC 61125 (1992) 08.
Metallic enclosures of intrinsically-safe apparatus need not be connected to the equipotential bonding system, unless required by the apparatus documentation. Installations with cathodic protection shall not be connected to the equipotential bonding system unless the system is specifically designed for this purpose.
Note: Potential equalisation between vehicles and fixed installations may require special arrangements, for example, where insulated flanges are used to connect pipelines.

6.5 Lightning protection
In the design of electrical installations, steps shall be taken to reduce the effects of lightning.
Note: In the absence of IEC standards on protection against lightning, national or other standards should be followed.
Subclause 12.3 gives details of lightning protection requirements for Ex ‘ia’ apparatus installed in Zone 0.
12.3 Installations for Zone 0
Intrinsically-safe circuits shall be installed in accordance with 12.2 except where modified by the following special requirements.
In installations with intrinsically-safe circuits for Zone 0 the intrinsically-safe apparatus and the associated apparatus shall comply with IEC 79-11 category ‘ia’. Associated apparatus with galvanic isolation between the intrinsically-safe and non-intrinsically-safe circuits is preferred. Associated apparatus without galvanic isolation may be used provided the earthing arrangements are in accordance with item 2) of 12.2.4 and any mains powered apparatus connected to the safe area terminals are isolated from the mains by a double wound transformer, the primary winding of which is protected by an appropriately rated fuse of adequate breaking capacity. The circuit (including all simple components, simple electrical apparatus, intrinsically-safe apparatus, associated apparatus and the maximum allowable electrical parameters of interconnecting cables) shall be of category ‘ia’.
Simple apparatus installed outside the Zone 0 shall be referred to in the system documentation and shall comply with the requirements on IEC 79-11, category ‘ia’.
If earthing of the circuit is required for functional reasons the earth connection shall be made outside the Zone 0 but as close as is reasonably practicable to the Zone 0 apparatus.
If part of an intrinsically-safe circuit is installed in Zone 0 such that apparatus and the associated equipment are at risk of developing hazardous potential differences within the Zone 0, for example through the presence of atmospheric electricity, a surge protection device shall be installed between each non-earth bonded core of the cable and the local structure as near as is reasonably practicable, preferably within 1m, to the entrance to the Zone 0. Examples of such locations are flammable liquid storage tanks, effluent treatment plant and distillation columns in petrochemical works. A high risk of potential difference generation is generally associated with a distributed plant and/or exposed apparatus location, and the risk is not alleviated simply by using underground cables or tank installation.
The surge protection device shall be capable of diverting a minimum peak discharge current of 10 kA (8/20 µs impulse to IEC 60-1, 10 operations). The connection between the protection device and the local structure shall have a minimum cross-sectional area equivalent to 4 mm2 copper.
The spark-over voltage of the surge protection device shall be determined by the user and an expert for the specific installation.
Note: The use of a surge protection device with a spark-over voltage below 500 V a.c. 50 Hz may require the intrinsically-safe circuit to be regarded as being earthed.
The cable between the intrinsically-safe apparatus in Zone 0 and the surge protection device shall be installed such that it is protected from lightning.
APPENDIX B
Requirements of simple apparatus extracted from BS EN 50020:1995.
5.4 Simple apparatus
The following apparatus shall be considered to be simple apparatus:
a) Passive components, e.g. switches, junction boxes, potentiometers and simple semi-conductor devices;
b) Sources of stored energy with well-defined parameters, e.g. capacitors or inductors, whose values shall be considered when determing the overall safety of the system;
c) Sources of generated energy, e.g. thermocouples and photocells, which do not generate more than 1.5V, 100mA and 25mW. Any inductance or capacitance present in these sources of energy shall be considered as in b).
Simple apparatus shall conform to all relevant requirements of this standard but need not be certified and need not comply with clause 12. In particular, the following aspects shall always be considered.
- Simple apparatus shall not achieve safety by the inclusion of voltage and/or current limiting and/or suppression devices.
- Simple apparatus shall not contain any means of increasing the available voltage or current, e.g. circuits for the generation of ancillary power supplies.
- Where it is necessary that the simple apparatus maintains the integrity of the isolation from ‘earth’ of the intrinsically-safe circuit, it shall be capable of withstanding the test voltage to earth in accordance with 6.4.12. Its terminals shall conform to 6.3.1.
- Non-metallic enclosures and enclosures containing light metals when located in the hazardous area shall conform to 7.3 and 8.1 of BS EN 50014.
- When simple apparatus is located in the hazardous area it shall be temperature classified. When used in an intrinsically safe circuit within their normal rating switches, plugs and sockets and terminals are allocated a T6 temperature classification for Group II applications and considered as having a maximum surface temperature of 85°C for Group I applications. Other types of simple apparatus shall be temperature classified in accordance with clause 4 and 6 of this standard.
Where simple apparatus forms part of an apparatus containing other electrical circuits the whole shall be certified.
| AUSTRALIA MTL Instruments Pty Ltd, 10 Kent Road, Mascot, New South Wales, 2020, Australia Tel: +61 1300 308 374 Fax: +61 1300 308 463 E-mail: [email protected] | NORWAY Norex AS Fekjan 7c, Postboks 147, N-1378 Nesbru, Norway Tel: +47 66 77 43 80 Fax: +47 66 84 55 33 E-mail: [email protected] |
| CHINA Cooper Electric (Shanghai) Co. Ltd 955 Shengli Road, Heqing Industrial Park Pudong New Area, Shanghai 201201 Tel: +86 21 2899 3817 Fax: +86 21 2899 3992 E-mail: [email protected] | RUSSIA Cooper Industries Russia LLC Elektrozavodskaya Str 33 Building 4 Moscow 107076, Russia Tel: +7 (495) 981 3770 Fax: +7 (495) 981 3771 E-mail: [email protected] |
| FRANCE MTL Instruments sarl, 7 rue des Rosiéristes, 69410 Champagne au Mont d’Or France Tel: +33 (0)4 37 46 16 53 Fax: +33 (0)4 37 46 17 20 E-mail: [email protected] | SINGAPORE Cooper Crouse-Hinds Pte Ltd No 2 Serangoon North Avenue 5, #06-01 Fu Yu Building Singapore 554911 Tel: +65 6 645 9864 / 5 Fax: +65 6 487 7997 E-mail: [email protected] |
| GERMANY MTL Instruments GmbH, Heinrich-Hertz-Str. 12, 50170 Kerpen, Germany Tel: +49 (0)22 73 98 12 – 0 Fax: +49 (0)22 73 98 12 – 2 00 E-mail: [email protected] | SOUTH KOREA Cooper Crouse-Hinds Korea 7F. Parkland Building 237-11 Nonhyun-dong Gangnam-gu, Seoul 135-546, South Korea. Tel: +82 6380 4805 Fax: +82 6380 4839 E-mail: [email protected] |
| INDIA MTL India, No.36, Nehru Street, Off Old Mahabalipuram Road Sholinganallur, Chennai – 600 119, India Tel: +91 (0) 44 24501660 /24501857 Fax: +91 (0) 44 24501463 E-mail: [email protected] | UNITED ARAB EMIRATES Cooper Industries/Eaton Corporation Office 205/206, 2nd Floor SJ Towers, off. Old Airport Road, Abu Dhabi, United Arab Emirates Tel: +971 2 44 66 840 Fax: +971 2 44 66 841 E-mail: [email protected] |
| ITALY MTL Italia srl, Via San Bovio, 3, 20090 Segrate, Milano, Italy Tel: +39 02 959501 Fax: +39 02 95950759 E-mail: [email protected] | UNITED KINGDOM Eaton Electric Ltd, Great Marlings, Butterfield, Luton Beds LU2 8DL Tel: +44 (0)1582 723633 Fax: +44 (0)1582 422283 E-mail: [email protected] |
| JAPAN Cooper Crouse-Hinds Japan KK, MT Building 3F, 2-7-5 Shiba Daimon, Minato-ku, Tokyo, Japan 105-0012 Tel: +81 (0)3 6430 3128 Fax: +81 (0)3 6430 3129 E-mail: [email protected] | AMERICAS Cooper Crouse-Hinds MTL Inc. 3413 N. Sam Houston Parkway W. Suite 200, Houston TX 77086, USA Tel: +1 281-571-8065 Fax: +1 281-571-8069 E-mail: [email protected] |
The given data is only intended as a product description and should not be regarded as a legal warranty of properties or guarantee. In the interest of further technical developments, we reserve the right to make design changes.
Eaton Electric Limited,
Great Marlings, Butterfield, Luton
Beds, LU2 8DL, UK.
Tel: + 44 (0)1582 723633
Fax: + 44 (0)1582 422283
E-mail: [email protected]
www.mtl-inst.com
EUROPE (EMEA):
+44 (0)1582 723633
[email protected]
THE AMERICAS:
+1 800 835 7075
[email protected]
ASIA-PACIFIC:
+65 6 645 9888
[email protected]
© 2016 Eaton
All Rights Reserved
Publication No. AN1005 Rev C 241016
October 2016



















