Mircom BEAM1224 SERIES Conventional Beam Smoke Detectors

Description
System Sensor’s BEAM1224 is uniquely suited for protecting open areas with high ceilings — areas where other methods of smoke detection are diffi cult to install and maintain.
The BEAM1224 is a four-wire conventional refl ected beam smoke detector, which is uniquely suited for protecting open areas with high ceilings, where other methods of smoke detection are diffi cult to install and maintain. It is to be used with UL Listed compatible control panels only. An advantage of this single-ended refl ective design is that it is much easier to install than the dual-ended projected beam detectors. Alignment is quickly accomplished via an optical sight and a two-digit signal strength meter incorporated into the product. Another advantage of the BEAM1224 is that it is listed for operation in temperatures ranging from –22°F to 131°F. This means it can be used in open areas to provide early warning in environments where temperature extremes may exceed the capability of other types of smoke detectors.
BEAM1224 consists of a transmitter/receiver unit and a refl ector. When smoke enters the area between the unit and the refl ector, the smoke causes a reduction in the signal. When the smoke level reaches the predetermined threshold, an alarm is activated.
Features
- 16 to 328 foot protection range
- Single-ended, reflective design
- User friendly alignment procedure
- 6 user selectable sensitivity levels
- Optional integral NFPA 72 sensitivity test feature
- Removable plug-in terminal blocks
- Digital display for easy alignment
- Built-in automatic gain control compensates for signal deterioration from dust build-up
- Remote test station optional
- Paintable cover
- Easiest alignment in the industry
- Heater kits for transmitter/receiver and reflector option
BEAM1224 has four standard sensitivity selections, along with two Acclimate™ settings (adjustable sensitivity). When one of the two Acclimate settings is selected, the detector will automatically adjust its sensitivity using advanced software algorithms to choose the optimum sensitivity for the specifi c environment.
BEAM1224S is also equipped with an integral sensitivity test feature, which consists of a test fi lter attached to a servo motor inside the detector optics. When the remote test station RTS451 is used, the motor is activated and moves the fi lter into the pathway of the light beam, to test the detector’s sensitivity. This integral sensitivity test feature allows the user to quickly and easily meet the annual maintenance and test requirements of NFPA 72.
BEAM1224(S) Specifications
| Operational Specifications | ||
| Protection Range | 16 ft. to 328 ft. (5m to 100m) | |
| Adjustment Angle | +/– 10 Degrees horizontal & vertical (The optics move independent of the unit) | |
| Sensitivity Levels Level | 1 – 25% Level 2 – 30% Level 3 – 40% Level 4 – 50% Acclimate Level 1 – 30–50% Acclimate Level 2 – 40–50% | |
| Fault Condition (Trouble) | 96% or more obscuration blockage In alignment mode Improper initial alignment Self-compensation limit reached | |
| Alignment Aid | Optical gunsight Integral signal strength indication 2-digit display | |
| Alarm Indicator | Local red LED and remote alarm | |
| Trouble Indicator | Local yellow LED and remote trouble | |
| Normal Indicator | Local flashing green LED | |
| Test/Reset Features | Integral Sensitivity Test Filter (BEAM1224S only) Sensitivity filter (Incremental scale on reflector) Local alarm test switch Local alarm reset switch Remote test and reset switch (Compatible with RTS451 and RTS451KEY test station) | |
| Smoke Detector Spacing | On smooth ceilings, 30–60 feet between projected beams and not more than one-half that spacing between a projected beam and a sidewall. Other spacing may be used depending on ceiling height, airflow characteristics, and response requirements. See NFPA 72. | |
| Environmental Specifications | ||
| Temperature | –22°F to 131°F (–30°C to 55°C) | |
| Humidity | 10–93% RH Noncondensing | |
| Electrical Specifications | ||
| Voltage | 10.2 to 32 VDC (BEAM1224) 15 to 32 VDC (BEAM1224S) BEAM1224S should not be used with 12V power sources | |
| Avg. Standby Current (24VDC) | 17mA Max | |
| Avg. Current During Testing | 500mA Max | |
| Avg. Alarm Current (24VDC) | 38.5mA Max | |
| Avg. Fault Current (24VDC) | 8.5mA Max | |
| Avg. Alignment Mode Current (24VDC) | 28mA Max | |
| Mechanical Specifications | ||
| Detector Dimensions | 10˝ H × 7.5˝ W × 3.3˝ D (254mm H × 191mm W × 84mm D) | |
| Reflector Dimensions (16′ to 230′) | 7.9˝ × 9.1˝ (200 × 230mm) | |
| Reflector Dimensions (beyond 230′) | 15.7˝ × 18.1˝ (400 × 460mm) | |
| Electrical Specifications (BEAMHK) | ||
| Voltage | 15 to 32V | |
| Current | 92mA at 32V | |
| Power Consumption | 1.6W @ 24V; 3W @ 32V | |
| Electrical Specifications (BEAMHKR) | ||
| Voltage | 15 to 32V | |
| Current | 450mA Max at 32V (per reflector) | |
| Power Consumption | 7.7W @ 24V; 15W @ 32V (per reflector) | |
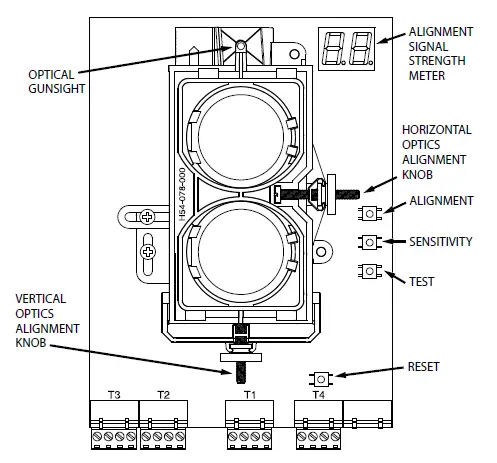
BEAM1224(S) Parts

Wiring Terminals

Advanced Test Feature
(BEAM1224S only)

Ordering Information
| Model | Description |
| BEAM1224 | 4 wire conventional beam smoke detector with 8˝ reflector |
| BEAM1224S | 4 wire conventional beam smoke detector with 8˝ reflector and integral sensitivity test |
| Add suffix “A” for Canadian models. | |
| Accessories | |
| BEAMLRK | Long range accessory kit (3) additional reflectors (Required for applications in excess of 230 ft. [70m]) |
| BEAMMMK | Multi-mount kit (Provides ceiling or wall mount capability with increased angular adjustment for either the beam or the reflector. When installed with the transmitter/receiver unit, BEAMSMK must be used as well) |
| BEAMSMK | Surface mount kit |
| BEAMHK | Heater kit for transmitter/receiver unit (See electrical requirements above) |
| BEAMHKR | Heater kit for reflector (See electrical requirements above) |
| RTS451KEY | Remote test station with key lock |
| RTS451 | Remote test station used to initiate the NFPA sensitivity test function |
NOT TO BE USED FOR INSTALLATION PURPOSES.
Canada
25 Interchange Way Vaughan, Ontario L4K 5W3
Telephone: (905) 660-4655 Fax: (905) 660-4113
www.mircom.com
U.S.A.
4575 Witmer Industrial Estates Niagara Falls, NY 14305
Toll Free: (888) 660-4655 Fax Toll Free: (888) 660-4113
THIS INFORMATION IS FOR MARKETING PURPOSES ONLY AND NOT INTENDED TO DESCRIBE THE PRODUCTS TECHNICALLY.
For complete and accurate technical information relating to performance, installation, testing and certification, refer to technical literature. This document contains intellectual property of Mircom. The information is subject to change by Mircom without notice. Mircom does not represent or warrant correctness or completeness.



















