Backyard DISCOVERY Echo Heights Elevated Playhouse

IT IS IMPORTANT TO CHECK AND TIGHTEN ALL HARDWARE AT THE BEGINNING AND DURING THE SEASON AS THEY MAY LOOSEN DUE TO WOOD EXPANSION AND CONTRACTION.
Instructions for Proper Maintenance
At the beginning of each play season
- Tighten all hardware.
- Lubricate all metallic moving parts per manufacturer’s instructions.
- Check all protective coverings on bolts, pipes edges, and corners. Replace if they are loose, cracked, or missing.
- Check all moving parts including swing seats, ropes, cables, and chains for wear, rust, or other deterioration. Replace as needed.
- Check metal parts for rust. If found, sand and repaint using a non lead-based paint meeting the requirements of 16 CFR 1303.
- Check all wood members for deterioration and splinters. Sand down splinters and replace deteriorating wood members.
- Reinstall any plastic parts, such as swing seats or any other items that were removed for the cold season.
- Rake and check depth of loose fill protective surfacing materials to prevent compaction and to maintain appropriate depth. Replace as necessary.
Twice a month during play season
- Tighten all hardware.
- Check all protective coverings on bolts, pipes, edges, & corners. Replace if they are loose, cracked, or missing.
- Rake and check depth of loose fill protective surfacing materials to prevent compaction and to maintain appropriate depth. Replace as necessary.
Once a month during play season.
- Lubricate all metallic moving parts per manufacturer’s instructions.
- Check all moving parts including swing seats, ropes, cables, and chains for wear, rust, or other deterioration. Replace as needed.
At the end of each play season or when the temperature drops below 32°
- Remove plastic swing seats and other items as specified by the manufacturer and take indoors or do not use.
- Rake and check depth of loose fill protective surfacing materials to prevent compaction and to maintain appropriate depth. Replace as necessary.
Additional Maintenance
- Check the swing beam and hardware every two weeks due to wood expansion and contraction. It is particularly important that this procedure be followed at the beginning of each season.
- Inspect wood parts monthly. The grain of the wood sometimes will lift in the dry season causing splinters to appear. Light sand may be necessary to maintain a safe playing environment. Treat your playset with stain regularly, to help prevent severe checking/ splitting and other weather damage.
- A waterborne transparent stain has been applied to your playset. This is done for color only. Once or twice a year, depending on your climate conditions, you must apply some type of protection (sealant) to the wood of your unit. Prior to the application of sealant, lightly sand any”rough” spots on your playset. Please note this is a requirement of your warranty.
- Assembling and maintaining the playset on a level location is very important. As your children play, your playset will slowly dig its way into the soil, and it is very important that it settles evenly. Make sure the playset is level and true one each year or at the beginning of each play season.
Disposal Instructions
When the Playcenter use is no longer desired, it should be disassembled and disposed of in such a way that no unreasonable hazards will exist at the time the unit is discarded.
Third Party Assembly
- Customer may, in their sole discretion, elect to use a third party person or service to assemble this product. Backyard Discovery assumes no responsibility or limitation about damaged and missing part replacement coverage. Backyard Discovery will not reimburse Customer for the price of parts purchased
- Modifications made by the consumer to the original activity toy shall be carried out according to the instructions of the manufacturer. In particular, instructions shall be provided with kit/accessory about the installation of rope/nets concerning the minimum diameter, the need for fixation ends, overall length, and positioning in relation to other at both structures.
Your Backyard Discovery structure is designed and constructed of quality materials. As with all outdoor products it will weather and wear. To maximize the enjoyment, safety and life of your structure it is important that you properly maintain it.
About Our Wood
Backyard Discovery uses 100% Cedar (C. Lanceolata) wood. Although we take great care in selecting the best quality lumber available, wood is still a product of nature and susceptible to weathering which can change the appearance of your set.
What causes weathering? Does it affect the strength of my product?
One of the main reasons for weathering is the effects of water (moisture); the moisture content of the wood at the surface is different than the
nterior of the wood. As the climate changes, moisture moves in or out of the wood, causing tension which can result in checking and or warping. You can expect the following due to
weathering. These changes will not affect the strength of the product:
- Checking is surface cracks in the wood along safety. However if you are concerned that a part the grain. A post (4″x4″) will experience more has experienced a severe weathering problem checking than a board (1 “x 4’1 because the surface please call our customer service department for and interior moisture content will vary more widely further assistance. than in thinner wood.
- Warping results from any distortion (twisting, cupping) from the original plane of the board and often happens from rapid wetting and drying of the wood.
- Fading happens as a natural change in the wood color as it is exposed to sun-light and will turn grey over time. Inspect wood parts monthly.
How can I reduce the amount of weathering to wood product?
- Your wood product is coated with a water-based stain. Sunlight will break down the coating, so we recommend applying a water repellent or stain on a yearly basis (see your local stain and paint supplier for a recommended product). You must apply some type of protection (sealant) to the wood of your product. Please note this is a requirement of your warranty. Most weathering is just the normal result of nature and will not affect safety. However if you are concerned that a part has experienced a severe weathering problem please call our customer service department for further assistance.
- Inspect wood parts monthly. The grain of the wood sometimes will lift in the dry season causing splinters to appear. Light sanding may be necessary to maintain a safe environment. Treating your Product with protection (sealant) after sanding will help prevent severe checking/ splitting and other weather damage.
Assembly Tips

Proper Hardware Assembly
Bolt and T-Nut Assembly
Tap T-nut into the provided hole. Insert your bolt through the lock washer and insert into the provided hole opposite from the T-Nut. Turn clockwise to thread into T-nut. Do not completely tighten until instructed.

Bolt and Barrel Nut Assembly
Insert barrel nut through the lock washer and press the pair through the provided hole. Insert your bolt through the second lock washer and insert the pair into the provided hole opposite from the barrel nut. Turn clockwise to thread into the barrel nut. Do not completely tighten until instructed.

Lag Assembly
Normally there will be a pre-drilled pilot hole on assemblies that require a Lag Screw. If there is no pilot hole, line up the two boards as they are to be attached and use the factory drilled hole as a guide to drill another pilot hole into the adjoining board. This will keep the wood from splitting. Only a lock washer is required for steps with Lag Screws

ASSEMBLY TIP:
Keep and eye out for these boxes which will contain helpful pictures and information making the assembly process as quick and painless as possible.+
Sorting wood

When removing the wood from the boxes we recommend arranging them by part number before you begin assembly. This will allow for faster assembly and easily identify any parts that may be missing or damaged.
Sorting Hardware

To help with assembly we recommend sorting your hardware bags with the seven digit alpha-numeric number printed on the bags or by hardware type (i.e. bolts, nuts, etc.). Organizing your hardware will make assembly easier.
Hardware Identification

Hardware bags are printed witha seven digit alpha-numeric part number. During assembly you onlyneed to reference the last three digits of the part number as noted in each step. This will make finding the correct hardware easier.
Electronics Safety Warnings
Note:
This equipment has been tested and found to comply with the limits for a Class B digital device, pursuant to part 15 of the FCC Rules. These limits are designed to provide reasonable protection against harmful interference in a residential installation. This equipment generates, uses and can radiate radio frequency energy and, if not installed and used in accordance with the instructions, may cause harmful interference to radio communications. However, there is no guarantee that interference will not occur in a particular installation. If this equipment does cause harmful interference to radio or television reception, which can be determined by turning the equipment off and on, the user is encouraged to try to correct the interference by one or more of the following measures:
- Reorient or relocate the receiving antenna.
- Increase the separation between the equipment and receiver.
- Connect the equipment into an outlet on a circuit different from that to which the receiver is connected.
- Consult the dealer or an experienced radio/TV technician for help
Caution: Changes or modifications not expressly approved by the party responsible for
Tools Required for Installation


Basic Setup Dimensions & Assembly Notes
Selecting the correct location for your play product is important for your children’s safety and the product’s longevity
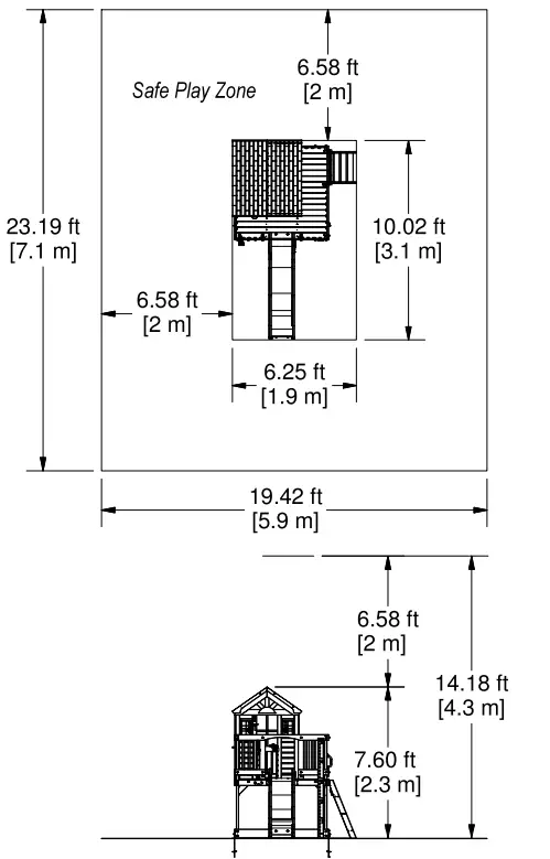
The safe play area refers to a zone extending 6′-7″ (2m) beyond the play product on all sides, including the space above the play product.
SAFE PLAY AREA DIAGRAM
Ground Dimension
6.25 ft [1.9 m] x 10.02 ft [3.1 m]
Safe Play Area
19.42 ft [5.9 m] x 23.19 ft [7.1 m] x 14.18 ft [4.3 m]

General Information:
Your set has been designed and engineered for children only and for residential use only.
- A maximum of 150 lbs. per child is recommended for play activities designed for individual use.
- A maximum of 120 lbs. per child is recommended for play activities designed for multiple child use.
- A maximum of 6 children is recommended for this playhouse.
















