
Preface
To support you on the installation and repairs of this electric wheelchair, we provide you with this installation manual. Please read it carefully. If you still have questions after reading this manual, do not hesitate to contact Vermeiren.
The information in this manual applies to the following wheelchair(s):
Navix SU
Important note
Pictures of the product are used to clarify the instructions. Details of the shown product may deviate from your product.
Available information
On our website http://www.vermeiren.com/ you will always find the most recent version of the information described in this manual. Please consult this website regularly for possible updates.
Visually impaired people can download the electronic version of this manual and have it read out by means of a text-to-speech software application.
User manual
For user and specialist dealer
User manual of applied operating console and battery charger.
For user and specialist dealer
Installation instructions (Instructions for detail adjustments and (dis)assembly) For specialist dealer
Service manual for wheelchairs
For specialist dealer
Drawings of (spare) parts
For specialist dealer
EC declaration of conformity
This product

- Backrest
- Adjustable armpads
- Armrests
- Operator control
- Seat
- Support wheels
- Footplate
- Driving wheels (Front wheels)
- Knee protector
- Anti-tipping
- Battery cover
- Steering wheels (rear wheels) 13 = Base frame
- Identification plate
Scope of delivery
The electric wheelchair shall be delivered with:
- Framework with armrests, operator control, rear and front wheels, seat and backrest
- 1 footplate (incl. knee/leg protector and support wheels)
- 2 x drive batteries, 2 x drive motors
- Charger + manual
- Electronics
- Stand up device
- Tools
- Operator control + manual operator control
- Chest belt
- Tip protector
- Accessories
- Instruction manual
Before use, check that everything is included and that no products are damaged (example by transport, …). Please note that the basic configuration may differ in different European countries. Contact your specialist dealer.
Assembly and adjustments
CAUTION
Risk of injuries or damage
- The wheelchair needs to be (dis)assembled and adjusted by a specialist dealer according to the instructions in this chapter.
- Only use parts and tools described in this manual.
- Prevent bystanders from accessing the (dis)assembling area.
- Keep the (dis)assembling area clean and tidy, to prevent falling.
- Collect all small parts in a box or bag.
- While (dis)assembling and operating the wheelchair, make sure no objects or body parts get caught between moving parts. In particular, pay attention to the position of the cables.
- Turn the wheelchair off before you perform any mechanical adjustments and make sure that the free-wheel lever is in braking position.
- Make sure all screws are firmly secured before driving.
- Software changes are only allowed if executed by skilled personnel, taking into account the user and environment (stability, accellaration, indoor/outdoor, etc.).
Important remarks
- Read the User manual of this wheelchair.
- Be aware of the technical details and limits of intended use; see the user manual.
- For more information, contact Vermeiren.
Tools
The Vermeiren Navix SU shall need following tools:
- Wrench set n° 10 to n° 13
- Allen keyset n° 4 to n° 6
Adjusting the wheelchair to the user
Adjusting the seat depth
The Vermeiren Forest 3 SU is adjustable in 4 different seat depths over a range of 75 mm (steps of 25 mm). Adjusting the seat depth is at your own risk.
WARNING
Risk of injury
- Make sure all screws are firmly secured before driving with your electric wheelchair.
- Adjusting the seat depth is on your own risk. Use the instructions below carefully to adjust the seat depth by yourself.

Adjust the seat depth according to the instructions below (use the sequence below) :
Detail A: Adjust the backrest motor.
- Loosen the screw from the backrest motor.
- Move the motor more backwards or forwards until the desired position and until the relevant holes lie above one another so that the fixing screws can be inserted.
- Retighten the screw firmly by hand.
Detail B: Adjust the telescopic guide.
- Loosen the screw from the telescopic guide.
- Move the telescopic guide more backwards or forwards until the desired position and until the relevant holes lie above one another so that the fixing screws can be inserted.
- Retighten the screw firmly by hand.
Detail C: Moving the seat frame.
- Loosen the two screws on either side of the frame.
- Pull the seat more backwards or forwards until the desired position and until the relevant holes lie above one another so that the fixing screws can be inserted through the frame.
- Retighten the screws firmly by hand.
| Hole | Seat depth |
| 1 | 470 mm |
| 2 | 445 mm |
| 3 | 420 mm |
| 4 | 395 mm |
Adjusting the armrests
Adjusting armrest length
Adjust the length of the armrests as follow (range 90 mm: stepless):
- Loosen the screw 1 just below the armrest.
- Adjust the armrest to a comfortable length.
- Tighten the screw 1 properly.

Check that the armrests are positioned identically on both sides.
Adjusting armrest width
Adjust the width of the armrests as follow (range 25 mm: stepless / on each side):
- Loosen the screw 1 on the back of the wheelchair just below the seat frame.
- Adjust the armrest to a comfortable width.
- Tighten the screw 1 properly.

Check that the armrests are positioned identically on both sides.
Adjusting the footplate
WARNING
Risk of injury and/or damage
- Make sure that the footplate is properly tightened before using the wheelchair.
- Avoid that the footrest make any contact with the ground. Keep a minimum distance from 60 mm above the ground.
- Never grasp the wheelchair by the footplate in order to move the wheelchair. Only grasp fixed parts of the frame.

Adjust the height of the footplate as follow (6 different positions: range 100 mm: steps 20 mm):
- Loosen and remove the screws 1.
- Move the footplate to the desired height.
- Retighten the screws 1
Adjusting the calf rests
Adjusting calf rest height
Adjust the height of the calf rests as follow (range 55 mm: stepless):
- Incline the footplate with the operator control.
- Loosen the two screws 1 a little bit.
- Adjust the calf rests to a comfortable height.
- Retighten the two screws 1 properly.

Adjusting calf rest width
Adjust the width of the calf rests as follow (2 different positions over a range of 15 mm):
- Incline the footplate with the operator control.
- Loosen the screws 1 just below the calf rests.
- Adjust the calf rests to a comfortable width.
- Retighten the screws 1 properly.

Knee protector
The knee protector should always be used for the standing/upright function.
To swing away the knee protector:
- Lift the knee protector upwards 1. Not possible to remove the knee protector, on one side the knee protector is blocked by part 2.
- Swing away the knee protector around tube 3.

To mount the knee protector:
- Turn the knee protector around tube 2.
- Mount the pen in the holder.
- Push the knee protector downwards until the screw rest on the holder.
- Check the knee protector is attached very well.
Adjusting height knee protector
Adjust the height of the knee protector as follows (range 60 mm: steps 20 mm):
- Loosen the two screws 1 on both sides.
- Adjust the knee protector to a comfortable height by placing the two screws in another hole. See that the screws on each side are placed in a hole at the same height.
- Retighten the two screws 1 properly.

Adjusting depth knee protector
Adjust the depth of the knee protector as follow (range 60 mm: stepless):
- Loosen the levers 1 on both sides.
- Adjust the knee protector to a comfortable depth.
- Retighten the two levers 1 properly.

Supporting wheels
WARNING
Risk of injury

- Make sure that the supporting wheels are properly tightened before using the wheelchair.
- Make sure that the supporting wheels rest on the ground and are positioned at the same height.
The supporting wheels are adjustable in 6 different positions (range: 100 mm steps 20 mm):- Loosen the hexagon socket screw 1.
- Move the supporting wheel 2 to the desired height.
- Retighten the hexagon socket screw 1.
Operating console
Mounting position left or right
- Hold the control with its support (3) while removing M6 socket screw (41).
- Loosen hex nut (42) and demount shaft (43) from the armrest.
- Mount shaft (43) in the other armrest and lock it with hex nut (42).
- Mount the control support (3) with socket screw (41) on the shaft (43).
- Make sure all connections are well secured.
- Guide the cable and plug the cable in the operating console.

Operating console – height
The height of the operating console can be adjusted in 2+4 positions, or 6+4 positions depending on the type of shaft:
- Hold the control while removing M6 socket screw (41).
- Move the control support (3) up/down on shaft (43) and mount the socket screw (41).
- If necessary adjust the height of the console on shaft (45) in the same way and lock it with socket screw (44).
- Make sure all connections are well secured.
- Guide the cable and plug the cable in the operating console.
Tyre changing
CAUTION
Risk of injury and/or damage
- Check that the profile depth of the tyres is adequate.
- There must be no air in the tube before the tyre can be removed.
- If handled improperly, the rim might become damaged.
- Make sure to inflate the tires to the correct pressure (see indication on the tyres).
- Make sure that no objects, body parts or inner tubes are pinched between the tyre and the rim when mounting a tyre.
- Make sure all screws are firmly secured by hand before driving with your electric wheelchair. Screw adhesive (ex. Loctite) should be applied to the screws on the flange. Screw adhesive will only work if the thread is free of grease and particles.
Only use inflating equipment which complies to regulations and indicates the pressure in bar. We do not accept any liability for damage caused by using wrong inflation equipment or wheels.
Steering wheels (rear wheels)

DISMANTLING
- A. Loosen the screw on the steering wheel axle and remove it from the steering wheel fork.
- B. Let the air out of the steering wheel by lightly pressing the pressure pin on the valve.
- C. Loosen the 5 screws that hold the split rim together. Now separate the rim sides.
ASSEMBLY
Insert the partly-filled inner tube into the tyre.
- C. Connect the two sides of the rim through the tyres and use the 5 connecting screws to screw the rim together.
- B. Make sure that the valve juts out of the valve opening in the rim.
- A. Put the wheel back into the front wheel fork and inflate the wheel.
Driving wheels (front wheels)

DISMANTLING
- A. Unscrew and remove the axle nut on the drive wheel and the 4 screws that attach the wheel to the flange.
- B. Let the air out of the wheel by lightly pressing the pressure pin on the valve.
- C. Unscrew the 5 screws on the inside of the rim. Separate the rim sides.
ASSEMBLY
Insert the partly-filled inner tube into the tyre.
- C. Connect the two sides of the rim through the tyres and screw them back again.
- B. Put the valve through the hole for it in the rim.
- A. Put the wheel back on the flange and secure these connection with the 4 screws. Afterwards secure the wheel by hand-tightening the axle nut. Inflate the wheel to the recommended tyre pressure.
Changing the batteries
CAUTION
Risk of injuries and damage
- The batteries must only be replaced by trained personnel.
- Do not come into contact with the acid from the batteries.
- Replace the batteries in a well-ventilated room.
- Make sure that the ventilation holes of the battery housing are free from any contaminations.
- First read the charging instructions in the user manual before charging the batteries.
- Replace both batteries at the same time and with the same type as the ones used in the wheelchair. If this is not possible, contact the nearest Vermeiren facility.

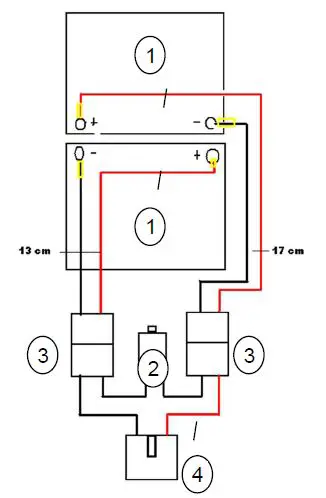
- Battery 12 V
- Blow fuse
- Battery connection plug 4 = Plug operator control
= Black cable
= Red cable
Vermeiren GROUP Vermeirenplein 1 / 15 2920 Kalmthout
BE
website: www.vermeiren.com

















