
OWNER’S MANUAL AND OPERATING INSTRUCTIONS
HIGH PRESSURE WASHER
User manual
GMGPW3000-H 3000 PSI Pressure Washer with CO Detect
WARNING: SAVE THIS MANUAL FOR FUTURE REFERENCE
This manual contains important information regarding safety. Operation, maintenance and storage of this product. Before use, read carefully and understand all cautions, warnings, instructions and product labels. Failure to do so could result in serious personal injury and/or property damage.
PRODUCT SPECIFICATIONS
| PRESSURE WASHER | Model | GPW2500V-E | I GPW3000-E | GPW3000-SP |
| Pump | Swash Plate Pump | |||
| Rated Pressure (PSI) | 2300 | 2500 | 2500 | |
| MAX Pressure (PSI) | 2700 | 3000 | 3000 | |
| Rated Fiow (GPM) | 2. | 2. | 2. | |
| MAX Fiow (GPM) | 2. | 2. | 2. | |
| High Pressure Hose (m) | 8. | 8. | 8. | |
| Nozzle Type | 27#(0°, 25°), soap | 29#(0°, 25°), soap | 29#(0°, 25°, 40°), soap | |
| ENGINE | Model | 1P65FE/P-1A | 170F/P | 170F/P |
| Displacement (cc) | 161 | 212 | 212 | |
| Engine Type | Single Cylinder 4-Stroke OHV | |||
| Starting Mode | Recoil Start | I Recoil Start | I Recoil Start | |
| Cooling System | Air Cooled | |||
| Oil System | Splash lubrication | |||
| Fuel Type | 92+ Octane Unleaded Gasoline | |||
| Engine Oil Type | SAE 10W-30 | SAE 10W-30 | SAE 10W-30 | |
| Fuel Capacity (L) | 1. | 4. | 4. | |
| Engine Oil Capacity (L) | 0.5 | 0.6 | 0.6 | |
| PRESSURE WASHER | Model | GPW3000-A | GPW3000-B | GPW3200-A |
| Pump | Swash Plate Pump | The crankshaft pump | Swash Plate Pump | |
| Rated Pressure (PSI) | 2500 | 2500 | 2700 | |
| MAX Pressure (PSI) | 3000 | 3000 | 3200 | |
| Rated Fiow (GPM) | 2. | 2. | 2. | |
| MAX Fiow (GPM) | 2. | 3. | 3. | |
| High Pressure Hose (m) | 8. | 10 | 8. | |
| Nozzle Type | 294(0°, 15°, 25°, 40°), soap | 294(0°, 15°, 25°, 40°), soap | 294(0°, 15°, 25°, 40°), soap | |
| ENGINE | Model | 170F/P | 170F/P | 170F/P-1 |
| Displacement (cc) | 212 | 212 | 223 | |
| Engine Type | Single Cylinder 4-Stroke OHV | |||
| Starting Mode | Recoil Start | I Recoil Start | I Recoil Start | |
| Cooling System | Air Cooled | |||
| Oil System | Splash lubrication | |||
| Fuel Type | 92+ Octane Unleaded Gasoline | |||
| Engine Oil Type | SAE 10W-30 | SAE 10W-30 | SAE 10W-30 | |
| Fuel Capacity (L) | 4. | 4. | 4. | |
| Engine Oil Capacity (L) | 0.6 | 0.6 | 0.6 | |
| PRESSURE WASHER | Model | GPW3200-B | GPW4200-A |
| Pump | The crankshaft pump | The crankshaft pump | |
| Rated Pressure (PSI) | 2700 | 3600 | |
| MAX Pressure (PSI) | 3200 | 4200 | |
| Rated Fiow (GPM) | 2.7 | 3.6 | |
| MAX Fiow (GPM) | 3 | 4 | |
| High Pressure Hose (m) | 15 | 15 | |
| Nozzle Type | 29#(0°, 15°, 25°, 40°), soap | 40#(0°, 15°, 25°, 40°), soap | |
| ENGINE | Model | 170F/P | 192FD/P-1 |
| Displacement (cc) | 212 | 458 | |
| Engine Type | Single Cylinder 4-Stroke OHV | ||
| Starting Mode | Recoil Start | Recoil Start/Electric | |
| Cooling System | Air Cooled | ||
| Oil System | Splash lubrication | ||
| Fuel Type | 92+ Octane Unleaded Gasoline | ||
| Engine Oil Type | SAE 10W-30 | SAE 10W-30 | |
| Fuel Capacity (L) | 3.6 | 6 | |
| Engine Oil Capacity (L) | 0.6 | 1.1 | |
NOTICE: We are always working to improve our products. Therefore, final product may vary from images shown.
SAFETY
This Operating Manual has been designed to instruct you on the correct operation of your product. Your satisfaction with this product and its safe operation is our ultimate concern.
Therefore, please take the time to read the entire manual, especially the safety symbols and instructions They will help you to avoid potential hazards that may exist when working with this product. Every effort has been made to ensure that information in this manual is accurate and current. However, we reserve the right to change, alter, or otherwise improve the product and this document at any time without prior notice.
Safety Symbols and Warnings:
DANGER: indicates a hazard which, if not avoided, will result in death or serious injury.
WARNING: indicates a hazard which, if not avoided, could result in death or serious injury.
CAUTION: indicates a hazard which, if not avoided, could result in minor or moderate injury.
NOTICE: Indicates information, or addresses practices that are important, but not related to personal injury.
Safety symbols and their meanings:
The following symbols will appear in this manual and on the product. For safe use of this product, be sure to study them and know their meanings.
| Safety Alert |
| Read Operators Manual | |
| Asphyxiation Hazard | |
| Eye Protection | |
| Hot Surface | |
| Fluid Injection | |
| Kickback | |
| Moving Parts |
| Fire | |
| Explosion | |
| Electrical Shock | |
| Projectile | |
| Chemical Burns | |
| Electrical Hazard | |
| Slippery Surface | |
| Fall |
Important Operation Instructions and Precautions:
DANGER: POISONOUS GAS HAZARD
Engine exhaust contains carbon monoxide, a poisonous gas that WILL kill you in minutes. You CANNOT smell it, see it, or taste it. Even if you do not smell exhaust fumes, you could still be exposed to carbon monoxide gas. Some chemicals or detergents could also be harmful if inhaled or ingested, resulting in death, serious injury, nausea, fainting or poisoning.
- Operate this product ONLY outside far away from windows, doors and vents to reduce the risk of carbon monoxide gas from accumulating and potentially being drawn towards occupied spaces.
- DO NOT run this product inside homes, garages, basements, crawlspaces, sheds, or other partially enclosed spaces, even if using fans or opening doors and windows for ventilation. Carbon monoxide can quickly build up in these spaces and can linger for hours, even after this product has been shut off.
- ALWAYS place this product downwind and point the engine exhaust away from occupied spaces.
If you start to feel sick, dizzy, or weak while using this product, shut it off and get to fresh air RIGHT AWAY. See a doctor, as you may have carbon monoxide poisoning.
Using an internal combustion engine indoors, WILL KILL YOU IN MINUTES.
Engine exhaust fumes contain carbon monoxide, a poisonous gas you cannot see, smell or taste.
NEVER use in a home or partly enclosed area, such as garages.
1.5 M min.![]()
ONLY use outdoors, and far from open windows, doors and vents.
Avoid other engines hazards. READ MANUAL BEFORE USE.
WARNING: READ AND UNDERSTAND ALL SAFETY INSTRUCTIONS
- Keep guards in place and in working order. Never operate this product with any guard or cover removed. Make sure all guards are intact and operating properly before each use.
- Remove adjusting tools and wrenches. If any adjustments or maintenance has been performed, make sure that all tools and adjusting wrenches are removed from product before use.
- To reduce the risk of injury, keep all children and visitors away from product when in use. All visitors should wear safety glasses and be kept a safe distance from work area.
- Keep the work area clear of all persons, particularly small children, and pets.
- Use product for its intended use. Don’ t force product or attachment to do a job it was not designed for. Do not use it for a purpose not intended. Use only recommended accessories with this product. The use of improper and or modified accessories may cause risk of injury.
- Use proper clothing. Wear long pants and long sleeves. Do not wear loose clothing, neckties, or jewelry. They can get caught and draw you into moving parts. Rubber gloves and nonskid footwear are recommended when working outdoors. Do not operate the equipment while barefoot or when wearing sandals or similar lightweight footwear Also wear protective hair covering to contain long hair.
- Always wear proper eye protection with side shields marked to comply with ANSI Z87.1.
Following this rule will re-duce the risk of serious personal injury. - Do not overreach or stand on a ladder, rooftop, or other unstable support structure. Keep proper footing and balance at all times.
- ever leave product running unattended. Turn power off. Don’ t leave product until it comes to a complete stop.
- Keep the engine and pump free of grass, leaves, oil, or grease to reduce the chance of a fire hazard.
- Keep the exhaust outlet free of foreign objects.
- Be completely knowledgeable with product controls. Know how to stop the product and bleed pressure quickly.
- Stay alert and exercise control. Watch what you are doing at all times and use common sense. Do not operate tool when you are tired. Do not rush.
- Do not operate the product while under the influence of drugs, alcohol, or any medication.
- Check the work area before using product. Remove all objects such as rocks, broken glass, nails, wire, or string which can be thrown or become tangled in the product.
- Do not direct high pressure spray stream at any persons, animals and pets. Do not direct spray stream.
- Never lift or carry the product or attempt to make adjustments while the engine is running or hot.
- Do not attempt to touch the spark plug or plug wire while the engine is running.
- Use only cold water with this product.
- For outdoor use only.
WARNING: Fire / Hot Surface Hazard
Exhaust could ignite combustibles, resulting in death or serious injury.![]()
Contact with muffler area could cause burns resulting in serious injury.
- DO NOT touch hot parts and AVOID hot exhaust gases.
- Allow equipment to cool before touching.
- Keep at least 5 feet (1.5 m) of clearance on all sides of pressure washer including overhead.
- Replacement part must be the same and installed in the same position as the original.
![]()
WARNING: Slip or Fall Hazard
Use of pressure washer could create slippery surfaces causing you to fall resulting in death or serious injury.
- Kickback from spray gun could cause you to fall resulting in death or serious injury.
- Operate pressure washer from a stable surface.
- The cleaning area should have adequate slopes and drainage to reduce the possibility of a fall due to slippery surfaces.
- Be extremely careful if you must use the pressure washer from a ladder, scaffolding, or any other similar location.
- Firmly grasp spray gun with both hands when using high pressure spray to avoid injury when spray gun kicks back.
WARNING: Kickback Hazard
Starter cord kickback (rapid retraction) will pull hand and arm toward engine faster than you can let go, which could cause fractures, bruises, or sprains resulting in serious injury.
- NEVER pull starter cord without first relieving spray gun pressure.
- When starting engine, pull cord slowly until resistance is felt and then pull rapidly to avoid kickback.
- After each starting attempt, where engine fails to run, always point spray gun in safe direction, disengage trigger lock and squeeze spray gun trigger to release high pressure.
- Firmly grasp spray gun with both hands when using high pressure spray to avoid injury when spray gun kicks back.
WARNING: Fire / Explosion Hazard![]()
Fuel and its vapors are extremely flammable and explosive which could cause burns, fire or explosion resulting in death or serious injury.
Risk of fire and serious burns: Never remove fuel cap when unit is running. Shut off engine and allow the unit to cool at least five minutes. Remove cap slowly.
WHEN ADDING OR DRAINING FUEL
- Turn pressure washer engine OFF and let it cool at least 2 minutes before removing fuel cap. Loosen cap slowly to relieve any pressure remaining in tank.
- Fill or drain fuel tank outdoors.
- DO NOT overfill tank. Allow space for fuel expansion.
- If fuel spills, wait until it evaporates before starting engine.
- Keep fuel away from sparks, open flames, pilot lights, heat, and other ignition sources.
- Check fuel lines, tank, cap and fittings frequently for cracks or leaks. Replace if necessary.
- DO NOT light a cigarette or smoke.
WHEN STARTING EQUIPMENT
- Ensure spark plug, muffler, fuel cap, and air filter are in place.
- DO NOT crank engine with spark plug removed.
WHEN OPERATING EQUIPMENT
- DO NOT operate this product inside any building, carport, porch, mobile equipment, marine applications, or enclosure.
- DO NOT tip engine or equipment at angle which causes fuel to spill.
- DO NOT spray flammable liquids.
WHEN TRANSPORTING, MOVING OR REPAIRING EQUIPMENT
- Transport/move/repair with fuel tank EMPTY or with fuel shutoff valve OFF.
- DO NOT tip engine or equipment at angle which causes fuel to spill.
- Disconnect spark plug wire.
WHEN STORING FUEL OR EQUIPMENT WITH FUEL IN TANK
Store away from furnaces, stoves, water heaters, clothes dryers, or other appliances that have pilot light or other ignition source because they could ignite fuel vapors.
![]()
WARNING: Fire and Electrical Shock
Unintentional sparking could cause fire or electric shock, resulting in death or serious injury.
WHEN ADJUSTING OR MAKING REPAIRS TO YOUR PRESSURE WASHER
- Disconnect the spark plug wire from the spark plug and place the wire where it cannot contact spark plug.
WHEN TESTING FOR ENGINE SPARK
- Use approved spark plug tester.
- DO NOT check for spark with spark plug removed.
WARNING: Fluid Injection
The high-pressure water that this equipment produces could cut through skin and its underlying tissues, resulting in serious injury and possible amputation.
- Spray gun traps high water pressure, even when engine is stopped and water is disconnected, which could result in serious injury.
- If cut by fluid, call physician immediately. DO NOT treat as a simple cut.
- DO NOT allow CHILDREN to operate pressure washer.
- NEVER repair high pressure hose. Replace it.
- NEVER repair leaking connections with sealant of any kind. Replace o-ring or seal.
- NEVER connect high pressure hose to nozzle extension.
- Keep high pressure hose connected to pump and spray gun while system is pressurized.
- ALWAYS point spray gun in safe direction, disengage trigger lock and squeeze spray gun trigger to release high pressure, every time you stop engine.
- NEVER aim spray gun at people, animals, or plants.
- DO NOT secure spray gun in open position.
- DO NOT leave spray gun unattended while machine is running.
- NEVER use a spray gun which does not have a trigger lock or trigger guard in place and in working order.
- Always be certain spray gun, nozzles and accessories are correctly attached.
WARNING: Moving parts hazard
Starter and other rotating parts could entangle hands, hair, clothing or accessories, resulting in serious injury.
- NEVER operate pressure washer without protective housing or covers.
- DO NOT wear loose clothing, jewelry or anything that could be caught in the starter or other rotating parts.
- Tie up long hair and remove jewelry.
WARNING: Projectile hazard
Risk of eye or bodily injury.
Spray could splash back or propel objects resulting in serious injury.
- Always wear safety goggles marked to comply with ANSI Z87.1 when using or in vicinity of this equipment.
- Always wear protective clothing such as a long-sleeved shirt, long pants and close-toed shoes.
- NEVER operate pressure washer when barefoot or wearing sandals.
CAUTION: Engine Speed
Excessively high operating speeds could result in minor injury. Excessively low speeds impose a heavy load on engine.
- DO NOT tamper with governor spring, links or other parts to increase engine speed. Pressure washer supplies correct rated pressure and flow when running at governed speed.
- DO NOT modify pressure washer in any way.
WARNING: Electrical Shock
Contact with power source could cause electric shock or burn resulting in death or serious injury.
- Never spray at or near an electric power source.
WARNING: Chemical Burn
Chemicals could cause burns resulting in death or serious injury.
- DO NOT use caustic liquid with pressure washer.
- Use ONLY pressure washer safe detergents/ soaps. Follow all manufacturer’ s instructions.
WARNING: California Proposition 65
This product, the engine exhaust and other substances that may become airborne from its use contains chemicals, including lead, known to the State of California to cause cancer, birth defects, or other reproductive harm. Wash your hands after handling product.
NOTICE: High pressure spray could damage fragile items including glass.
- DO NOT point spray gun at glass when using red (0°) nozzle.
- NEVER aim spray gun at plants.
NOTICE: Improper treatment of pressure washer could damage it and shorten its life.
- NEVER operate units with broken or missing parts, or without protective housing or covers.
- DO NOT by-pass any safety device on this machine.
- DO NOT tamper with governed speed.
- DO NOT operate pressure washer above rated pressure.
- DO NOT modify pressure washer in any way.
- Before starting pressure washer in cold weather, check all parts of the equipment to be sure ice has not formed there.
- NEVER move machine by pulling on hoses. Use handle provided on unit.
SETUP
CAUTION: Read Manual
Read the entire SAFETY section at the beginning of this manual including all text under subheadings therein before set-up or use of this product.
High pressure washer component identification
![]()
High pressure washer component identification![]()
High pressure washer component identification![]()
![]()
ASSEMBLY:
- Installation method of hose support:
a. Insert the hose holder (A) through holes in the panel (B).
b. Pass hose support (A) through handle hole (B) and tighten nut (C).
- Panel Installation Method:
a. b. c. b. Pass the panel bolt (A) through the handle hole (B) and tighten the bolt.

- Installation method of gun hook:
a. Pass the gun hook (A) through the handle hole (B) and tighten the nut (C).
b. Pass bolt (A) through hook and handle hole (B) and tighten.

- Push the nozzle (A) into the panel nozzle hole (B)

- Push and hold the button on the frame(B) as you slide the handle(A) out the holes in the frame, rotate 180°, then push and hold the button on the frame as you slide the handle into the frame.

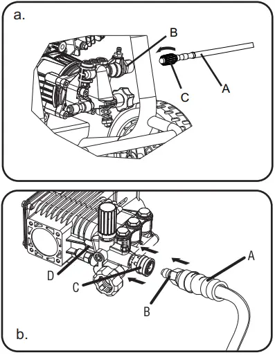
- High pressure hose connection method:
a. Insert the high-pressure hose (A) into the hose connector (B) and tighten the hose elastic ring (C) .
b. Attach high pressure hose(A) to the pump(D), pull back the quick-connect collar(C) of pump, insert hose connector(B) and then release the quick-connect collar, pull on the hose to make sure it is firmly attached.
- Connecting method of water supply hose:
a. b. Connect the water supply hose (A) to the inlet pipe connector (B) of the pump and tighten the inlet pipe connector by hand.
- Connecting method of spray gun:
a. Attach high pressure hose(D) to the gun(A), pull back the quick-connect collar(C) of hose and insert the spray gun connector(B) and then release the quick-connect collar(C). Once the hose is connected, pull on the hose to make sure it is firmly attached.
b. Attach high pressure hose(D) to the gun(A),Connect the spray gun connector (B) to the hose connector (C) and tighten the threaded connector (C).
- Remove the protective cap on the Wand inlet. Insert the Wand into the Spray Gun tip and tighten the nut firmly by hand.

- Attach the Nozzle to the Wand by pulling back the quick connect collar and pushing the Nozzle onto the end of the Wand. Make sure the quick connect collar locks the Nozzle in place.

GENERAL INFORMATION:
| Fuel | Use fresh high-quality unleaded gasoline (minimum 87 octane), containing up to 10% ethanol. Do not use fuel with high ethanol content; E15 or E85. |
| Oil | Engine oil: Use only SAE 10W-30, 0.6 Quart non-detergent oil (supplied). Pump Oil: The pump was lubricated and sealed at the factory, and is maintenance free for the life of the product, under normal operation. Do not attempt to change or add oil to the pump. |
| Water | Use only cold water. Do not operate pressure washer with clogged or missing water inlet filter screen. Do not operate pressure washer without adequate water supply. |
| Pressure Adjustment | Pressure setting is pre-set at factory. For lowering pressure, refer to “Pressure Adjustment”. |
| High Pressure Pump | There are no serviceable parts to the high-pressure pump. Do not attempt to repair or service the pump, as you may damage it and void your warranty. If you feel that the pump needs service, please submit to an authorized dealer. Do not allow water to freeze in pump. If product is stored in an area that will have temperatures of below 32° F, 0°C, make sure all water is removed from the pump, or a suitable pump protection product has been used. Failure to protect the pump form cold temperatures will cause damage and possibly void your warranty. |
| By-pass Mode | When you release the trigger of the gun, the pump goes into bypass mode. It is good practice to never let the pump run in bypass mode for more than 2 minutes. Damage to pump could be possible. |
| Thermal Relief Valve | Pump is equipped with a thermal relief valve. If during bypass mode the water overheats, this valve opens releasing the hot water and letting new cool water enter the pump. Afterwards, the valve closes returning pump to normal operation. Caution, the valve opens with no warning, and the water will be hot. Possible injury can occur. Always keep hands and feet away from thermal relief valve. |
| High Pressure Hose | Do not allow hoses to come in contact with engine muffler during use or immediately after use. DO NOT attempt to move unit by pulling on high-pressure hose. |
| Engine | Do not adjust or attempt maintenance without reading owner’s manual. Add fuel stabilizer (not supplied) to fuel tank and let engine run for 5 minutes before storage. Always turn on water before starting engine. |
| Soap / Chemicals | Use only soaps and chemicals detergents designed for pressure washer use. Always follow detergent manufacturer’s instructions on their container. DO NOT use bleach, acid, any flammable materials, or industrial solvents. |
| Nozzle | Always keep nozzles clean and unclogged. Use the nozzle needle to clean if clogged. Use ONLY detergent nozzle (black) when using chemical and cleaning solvents. |
| Storage / Winterizing | Run clean water through chemical tank / inlet to clear any residual detergent. Add stabilizer to any remaining fuel in fuel tank. See ENGINE section above. Do not allow water to freeze in pressure pump, spray gun, spray wand or hoses. |
OPERATION
CAUTION: Read Manual
Read the entire SAFETY and SET UP sections at the beginning of this manual including all text under subheadings therein before operation of this product.
Improper use or treatment of Pressure Washer can damage internal components and shorten the life of unit. Failure to follow this warning will void warranty.
Pre-Start Checks
Inspect engine and equipment looking for damaged, loose and missing parts before setting up and starting.
NOTICE: Your Warranty is VOID if the engine’s crankcase is not properly led with oil before each use. Before each use, check the oil level. Your engine may be equipped with a low-oil shutdown feature. If so equipped, the engine will not start with low or no engine oil in the crankcase.
Adding Engine Oil
1.1 Move the Pressure Washer OUTSIDE and place on a flat and level surface.
1.2 Make sure the engine is stopped, cool and is level.
1.3 Close the Fuel Valve.
1.4 Clean the top of the Dipstick and the area around it. Remove the Dipstick by turning it counterclockwise, and wipe it off with a clean, lint free rag.
1.5 Place a funnel in the oil reservoir.
1.6 Pour engine oil(SAE 10W-30 is recommended for general use).
DO NOT overfill. Consult the separate engine manufacturers manual if available. See figure A section shows other viscosities to use
1.7 Reinsert the Dipstick without threading it in and remove it again to check the oil level. The oil level should be up to the full level as shown above.
1.8 If the oil level is at or below the low mark, add the appropriate type of oil until the oil level is at the proper level. (The SAE Viscosity Grade Chart in the MAINTENANCE section shows other viscosities to use in different average temperatures. )
1.9 Replace the dipstick and fully tighten.

Pre-Start Checks (Continued)![]()
WARNING: Fire / Explosion Hazard
Fuel and fuel vapor are extremely flammable and explosive. Fire or explosion from misuse of fuel can cause severe burns and even death.
- Fill the fuel tank in a well-ventilated area away from ignition sources. If the engine is hot from use, shut the engine off and wait for it to cool before adding fuel.
- Do not smoke near open fuel tank or container.
- Failure to use fuel as recommended in this manual will void the warranty.
NOTICE: Do not use gasoline that has been stored in a dirty fuel container. It can cause particles to enter the carburetor, affecting engine performance and / or causing damage.
Be sure the fuel tank strainer is clean and in place before adding fuel to tank.
2. Adding Fuel
2.1 Move the Pressure Washer OUTSIDE of any building, or partially enclosed structure, and place on a flat and level surface.
2.2 Clean the Fuel Cap and the area around it before removing.
2.3 Make sure Pressure Washer is OFF and let it cool for at least two minutes before removing fuel cap. Unscrew slowly to release any built-up pressure and remove the Fuel Cap.
2.4 Remove the Strainer and remove any dirt and debris. Then replace the Strainer.
2.5 If needed, fill the Fuel Tank to about 1 inch under the fill neck of the Fuel Tank with 87 octane or higher unleaded gasoline that has been treated with a fuel stabilizer additive. Follow fuel stabilizer manufacturer’s recommendations for use.
2.6 Replace the Fuel Cap, making sure it is tight ans sealed.
2.7 Wipe up any spilled fuel and allow excess to evaporate before starting engine. To prevent FIRE, do not start the engine while the smell of fuel hangs in the air.
NOTICE: When adding fuel to pressure washer, observe the following:
- DO NOT use unapproved gasoline such as E15 or E85 (15% ethanol, 85% ethanol).
This is a four-cycle engine, DO NOT mix oil with gasoline.
DO NOT modify engine to run on alternate fuels. Any modifications to the engine will void your warranty.
Starting the Engine
CAUTION: Read Manual
Read the entire Pre-Start Checks section of this manual before attempting to start the engine. Be sure to inspect the equipment and engine for any missing or loose guards or parts. Check both the fuel and oil levels of the engine before starting.
- Turn fuel valve to open, if so equipped.
- Turn on water supply, remove nozzle, point wand in safe direction, and hold down trigger until all air is released from the system, at least 30 seconds.
- Then release the trigger, lock it in the safety position and replace nozzle before starting engine.
- Do not let the Starter Handle snap back against the engine housing.
- If starter handle become difficult to pull, release pressure in the hose by squeezing the trigger on the gun.
- To start a cold engine, move the Choke to the START position. To restart a warm engine, leave the Choke in the RUN position. Move the Fuel Valve to the ON position.

- Turn the Engine Switch to the on position.
NOTICE: If engine does not start, check engine oil level. If equipped with low oil shutdown, the engine will not start with low or no engine oil. If oil is low, see ADDING ENGINE OIL section earlier in this manual. - Grip the Starter Handle of the Engine loosely and pull it slowly two times to allow the gasoline to flow into the Engine’s carburetor. Then pull the Starter Handle gently until resistance is felt, then pull it quickly to start. Repeat until the engine starts.

- Allow the Engine to run for several seconds. Then, if the Choke lever is in the START position, move the Choke Lever very slowly to its RUN position.

Pressure Washer Operation
WARNING: Eye protection / Fluid Injection hazard![]()
ALWAYS wear approved safety glasses when operating Pressure
Washers. Spray can splash back or propel objects, including incorrectly attached accessories. The high-pressure stream of water that this equipment produces can cut through skin and its underlying tissues, leading to possible amputation. The spray gun traps high water pressure, even when the motor is stopped and water source is disconnected, which can cause injury.
- Do not direct spray from the Pressure Washer at any persons or animals.
- Keep children and pets away from the work area.
- Keep work area clean of loose rocks, glass and debris.
- The high pressure water stream could cause serious injury.
WARNING: Asphyxiation Hazard
Use the Pressure Washer only outside in a fully ventilated area.
- Operate this product ONLY outside far away from windows, doors and vents.
- DO NOT run this product inside homes, garages, basements, crawlspaces, or sheds.
- ALWAYS place this product downwind and point the engine exhaust away from occupied spaces.
- If you start to feel sick, dizzy, or weak while using this product, shut it off and get to fresh air RIGHT AWAY. See a doctor, as you may have carbon monoxide poisoning.
1. Selecting the Right Nozzle for the job.
Your product is supplied with a selection of quick connect nozzle tips. The nozzles are sized specifically to give you maximum pressure at all times. Each nozzle is marked and rated in degrees of fan. They are also color coded (see chart on opposite page). The higher the number of the fan degree, the wider the fan pattern is. The tighter the spray fan the more impact on the surface, which is good for cleaning tough jobs. The wider the spray fan, the more spread out the impact on the surface, so they are better for easy jobs, or soft surfaces. Finding the correct nozzle for the job at hand make take some experimenting. Always start with the widest fan degree and continue to the lower degree fans until the best work result is achieved. Always test the nozzle on an area that is not noticeable.
NOTICE: Not all models come with all nozzles described in this section. Use only the information pertaining to the nozzles supplied with your product.
(Nozzle selection Chart)

0° Nozzle . Red: This nozzle delivers a pinpoint stream of pressurized water and is extremely powerful. Use it for the toughest cleaning jobs, although It covers only a small area. This nozzle should only be directed at surfaces that can withstand intense high pressure such as metal or concrete. Do not use this nozzle to clean wood or soft surfaces.
25° Nozzle – Green: This nozzle delivers a 25-degree spray pattern for general tasks. It should only be used on surfaces that can withstand pressure from this nozzle.
65° Chemical Nozzle – Black: This nozzle is used to apply special chemicals and cleaning solutions. This nozzle produces the weakest pressure stream of the nozzles.
2. Connecting Nozzle to Spray Wand.
WARNING:
- Never place hands in front of nozzle, or point nozzle at your face.
- Never attempt to clean a clogged nozzle while attached to the wand.
- Never attempt to attach or remove spray wand or hose fittings while Pressure
- Washer system is pressurized.
- Turn off Pressure Washer. While pointing spray in a save direction, release pressure by squeezing trigger. Then lock the Gun Trigger before attempting to change pressure nozzles.
2.1 To attach, pull quick connect collar back, insert nozzle into female quickdisconnect spray wand and press to lock in place. Make sure collar snaps into place.
2.2 To detach, pull quick connect collar back and pull nozzle to remove.

3. Using the Spray Gun.
WARNING:
- To prevent accidental discharge of highpressure washer, the trigger lock on the trigger should be engaged whenever the pressure washer is not in use.
To disengage the Trigger Lock, push the lock down and into its original position.
To Operate the Trigger:
Squeeze the trigger to start water flow through the nozzle.
Release the trigger to stop water flow.
WARNING: Hot Surface / Fluid Injection hazard![]()
SOME ENGINE. PARTS CAN BECOME EXTREMELY HOT.
Do not allow the pressure hose to come in contact with engine exhaust system which can cause damage to the hose.
Damaged hoses can burst and can cause injection injuries.
4.Washing/ Cleaning
4.1 Firmly grip spray gun with both hands.
4.2 Start with a high degree fan Nozzle, and gradually use lower unit the nozzle meets the task.
4.3 Point the nozzle to a safe direction and squeeze the spray gun trigger to allow the pump to purge air and impurities in the system and then redirect the nozzle to the working surface.
4.4 Clean vertical and sloped surfaces from the top down.
4.5 When cleaning horizontal surfaces, occasionally use the stream to clear the area of excess water.
4.6 For most effective cleaning, keep spray nozzle from 8 to 24 inches away from cleaning surface. If you get spray nozzle too close, you may damage surface being cleaned. It is not recommended to get closer than 6 inches when cleaning tires.
5. Pressure Adjustment
5.1 Vary your distance: To change the effect of the pressure on the surface being cleaned, vary the distance between spray nozzle and the surface being cleaned. The closer to the surface the higher the effect of the pressure. As you pull away from the surface, the pressure effect will reduce. For most effective cleaning, keep the nozzle between 8 to 24 inches from surface being cleaned.
6.Using Chemicals
NOTICE: Use only soaps and chemicals designed for use with a Pressure Washer. DO NOT USE CHLORINE BLEACH, ACIDS OR INDUSTRIAL SOLVENTS. Chemicals, soaps and cleaning solvents will not siphon when a high-pressure nozzle is used. Only use the Black (low pressure) Nozzle when spraying detergents. Fill Detergent Tank (if so equipped) with prepared detergent solution and close the cap. The Pressure Washer will draw one gallon of detergent for every seven gallons of water.
6.1 If your Pressure Washer is equipped with an on board soap tank:
6.2 Fill the soap tank with detergent and close the lid.
6.3 Change the nozzle in the wand to Black Nozzle
6.4 Start the engine, and spray with soap.
6.5 If the Pressure Washer is not equipped with a soap tank:
6.6 Make sure the Siphon Tube with Strainer is connected to the brass barb near the high-pressure hose connection area of the pump.
6.7 Submerge the strainer end of the siphon tube in the soap/detergent solution bottle or bucket.
6.8 Change the nozzle to black nozzle.
6.9 Start engine and spray with soap.
7. To Rinse
7.1 Replace the nozzle with an appropriate high-pressure nozzle (see “Selecting The Right Nozzle”). Squeeze the trigger and wait for the detergent to clear.
7.2 Keep the spray gun a safe distance from the area you plan to spray.
7.3 Apply a high-pressure spray to a small area, and then check the surface for damage. If no damage is found, it is okay to continue cleaning.
7.4 For a vertical surface, start at the top of the area to be rinsed, working down with same overlapping strokes as you used for washing and applying detergent.
8. Cleaning Tips
NOTICE: Never use the Pressure Washer garden hose inlet to siphon detergent or wax. Leaving chemicals and cleaning solutions inside the pressure pump could damage it. Damages created by leaving soaps, chemicals and cleaning solutions inside the pump can void the warranty.
WARNING: Hot Surface / Fluid Injection hazard
SOME ENGINE PARTS CAN BECOME EXTREMELY HOT.
Release pressure from high-pressure hose before removing from pump or gun.
If you intend to disconnect the highpressure hose after completing a wash, avoid touching the engine exhaust system while disconnecting the highpressure hose from the pump.
9. Stopping the Pressure Washer
To stop the engine in an emergency, turn the Engine Switch to the off position. Under normal conditions, use the following procedure:
9.1 Release the Trigger on the Spray Gun handle.
9.2 Turn the Engine Switch off.
9.3 Turn the water supply off.
9.4 Squeeze the Trigger to release excess pressure.
9.5 If pressure washer detergent has been used, run clean water through the system to eliminate detergent residue using the following procedure:
9.6 Turn off the Engine as detailed in step 2.
9.7 Fill the Detergent Tank (Not supplied) with clean water.
9.8 Remove the Nozzle and restart the Engine (Following directions in “Starting the Engine” on Page 15).
9.9 Point Wand in safe direction and hold down to flush water through system until clean.
9. 10Turn the Engine switch to the off position.
NOTICE: High Altitude Operation At high altitudes over 3,000 feet, the engine carburetor and any other parts that control the fuel-air ratio will be affected, which will decrease performance, increase fuel consumption and increase emission. Proper operation can be ensured by installing an altitude kit by a qualified mechanic when use at altitude higher than 3,000 feet.
MAINTENANCE
NOTICE: Regular maintenance will improve the performance and extend the life of your Pressure Washer. Service should be done by a qualified person or technician.
Pressure Washer’s warranty does not cover items that have been subjected to operator abuse or negligence. Only by maintaining Pressure Washer in accordance with instructions in this manual will the full value of the warranty be honored. Some adjustments will need to be made periodically to properly maintain the Pressure Washer. All service and adjustments should be made at least one time each season. It is important that the maintenance chart below be followed.
Many maintenance procedures, including any not detailed in this manual, will need to be performed by a qualified technician for safety. If you have any doubts about your ability to safely service the equipment or engine, have a qualified technician service the equipment instead.
Engine Maintenance Schedule
NOTICE: This maintenance schedule is intended solely as a general guide. If performance decreases or if equipment operates unusually, check systems immediately. The maintenance needs of each piece of equipment will differ depending on factors such as duty cycle, temperature, air quality, fuel quality, and other factors.
NOTICE: The following procedures are in addition to the regular checks and maintenance explained as part of the regular operation of the engine and equipment.
ENGINE MAINTENANCE CHART
| TEM | TASK | EACH USE | 3 MONTH | 6 MONTHS | 1 YEAR |
| ENGINE OIL | Check Level | X | |||
| Replace | X* | ||||
| AIR FILTER | Check | X | |||
| Clean | X | ||||
| Replace | X* | ||||
| SPARK PLUG | Clean, adjust | X** | |||
| Replace | X*** | ||||
| SPARK ARRESTER | Clean | X |
* Recommended to be performed more frequently if used in a dusty environment.
** Set gap to 0.6 – 0.7mm
Pump Maintenance
NOTICE: The pressure pump is maintenance free. If you notice any sign of oil leakage in and around the pump, DO NOT operate the pressure washer.
Cleaning Nozzle:
Occasionally, the spray wand can become clogged with foreign materials such as dirt.
When this happens, excessive pressure can develop. Whenever the pressure nozzle becomes particularly clogged, the pump pressure will pulsate. It should be immediately cleaned.
- Make sure Pressure Washer is off and spray gun is locked.
- Remove high pressure spray nozzle from the spray wand. Using the nozzle cleaning needle (provided), remove any obstructions by inserting and carefully moving the pin back-and-forth through nozzle hole under clean running water.
- After cleaning, remove the needle from nozzle and store for future use.
- Reassemble pressure nozzle to spray wand.
Cleaning Water Inlet Screen Filter:
The pump water inlet has a filter screen that should be checked periodically and cleaned if necessary.

- Disconnect inlet water hose.
- Remove filter by grasping end and pull straight out.
- Clean screen filter by flushing both sides with water.
- Insert screen filter back inside water inlet port.
NOTICE: Do not operate Pressure Washer without water inlet screen filter in place.
Cleaning Pressure Washer
Daily or before use inspections should include areas around and underneath Pressure Washer looking for signs of fuel or oil leaks. Preventative maintenance should be taken if leakage is found. Clean accumulated debris from outside and inside Pressure Washer. Ensure all linkages, springs and other engine controls are kept clean. Inspect cooling air slots and openings on Pressure Washer. Openings must be kept clean and unobstructed for peak performance of Pressure Washer. Engine components should be kept clean reducing risk of overheating and ignition of accumulated debris.
- Use a damp cloth to wipe exterior surfaces clean.
- Use a soft bristle brush to loosen caked on dirt or oil.
- Use a shop-vacuum to pick up any loose dirt and debris.
Changing Engine Oil
WARNING: Hot Surface Oil is very hot during operation and can cause savvier burns.
Before changing engine oil, wait for 30 minutes after shutting engine down, to be sure engine oil has cooled.
1. Draining Engine Oil:
- Make sure the engine is stopped, cool and is on a level surface.
- Close the Fuel Valve.
- Place a drain pan (not included) underneath the crankcase’s drain plug, located on bottom side of engine.
- Clean the top of the Dipstick and the area around it. Remove the Dipstick by turning it counterclockwise, and wipe it off with a clean, lint free rag.
- Remove the drain plug and, if possible, tilt the crankcase slightly to help drain the oil out into the pan. Recycle used oil.
- Replace the drain plug and tighten it.
2. Adding Engine Oil:

- Place product on flat level surface.
- Fill crankcase with required amount of fresh clean engine oil (0.6 Quart), using table below to determine the correct viscosity.
- Replace dipstick in hole, but don’t thread in. Remove the dipstick to confirm oil level.
Replace dipstick and tighten to finger tight, DO NOT Use a tool to tighten. Over tightening will break or damage the dipstick threads.
NOTICE: All oil should meet minimum American Petroleum Institute (API) Service Class SJ, SL or better. Use no special additives. Select the oil’s Viscosity grade according to the expected operating temperature. (See chart below)
- Above 40° F, use 10W-30
- Between 40° F and 10°F, use 10W-30
- Below 10°F, use synthetic 5W-30

NOTICE: Do not run the engine with too little oil. If equipped with Low Oil Shutdown, the engine will not start with low or no engine oil.
Spark Plug Maintenance:
- Disconnect spark plug cap from end of plug. Clean out debris from around spark plug.
- Using a spark plug wrench, remove the spark plug.
- Inspect the spark plug:
- If the electrode is oily, clean it using a clean, dry rag.
- If the electrode has deposits on it, polish it using emery paper.
- If the white insulator is cracked or chipped, the spark plug needs to be replaced.

NOTICE: Using an incorrect spark plug may damage the engine. DO NOT over tighten spark plug, or engine threads can be damaged.
4. When installing a new spark plug, adjust the plug’s gap to the specification on the Specifications chart. Do not pry against the electrode, the spark plug can be damaged.
Install the new spark plug or the cleaned spark plug into the engine.
Gasket-style – Finger-tighten until the gasket contacts the cylinder head, then tighten about 1/2-2/3 turn more.
5. Non-gasket-style – Finger-tighten until the plug contacts the cylinder head, then tighten about 1/16 turn more.
6. Reattach the spark plug cap securely.
Air Filter Maintenance:
- Remove the Air Filter Cover and the air filter(s) and check for dirt. Clean as described below.
- Cleaning:
• For paper filters: To prevent injury from dust and debris, wear ANSI-approved safety goggles, NIOSH-approved dust mask/respirator, and heavy-duty work gloves. In a well-ventilated area away from bystanders, use pressurized air to blow dust out of the filter. If this does not get the filter clean, replace it.
• For foam filters: Wash the filter in warm water and mild detergent several times.
Rinse. Squeeze out excess water and allow it to dry completely. Soak the filter in lightweight oil briefly, then squeeze out the excess oil. - Install the cleaned filter(s). Secure the Air Filter Cover before use.
Long-term Storage
When the equipment is to remain idle for longer than 20 days, prepare the Engine for storage as follows:
- Cleaning. Wait for Engine to cool, then clean Engine with dry cloth.
WARNING: Fire / Explosion Hazard
Fuel and its vapors are extremely flammable and explosive which could cause burns, fire or explosion resulting in death or serious injury. Fill tank only in a well-ventilated area away from ignition sources. If the engine is hot from use, shut down and wait for it to cool before adding fuel. Do not smoke, or have open flame near fuel, or area when refueling.
- Fuel. Gasoline fuel can become stale when stored over 30 days, which will cause acid and gum deposits to form in the fuel system or crucial carburetor parts. To keep fuel fresh, add fuel stabilizer to the fuel tank. Draining gasoline is unnecessary if the fuel stabilizer is used according to the instructions that come with it. Run Pressure Washer engine for a minimum of five minutes, after stabilizer is added to fuel, to allow it to circulate throughout the engine. The engine and fuel can be stored up to 24 months.
NOTICE: Be sure to have the water connected to the pump when running the engine for any purpose.
Lubrication:
- To protect against rust formation during storage, oil the cylinder bore:
- Change engine oil.
- Clean out area around spark plug.
Remove spark plug and pour approximately 1/2 oz (15 ml) of clean engine oil into cylinder through spark. - Replace spark plug, but leave spark plug cap disconnected.
- Pull Starter Handle to distribute oil in cylinder. Stop after one or two revolutions when you feel the piston start the compression stroke (when you start to feel resistance).
WARNING: Fire / Electrical Shock![]()
Unintentional sparking can cause fire or electrical shock.
Failure to observe this warning can cause severe property damage, severe burns and even death.
Disconnect spark plug wire from spark plug and cover tip of spark plug wire with insulating tape and place wire where it cannot come in contact with spark plug or Pressure Washer frame.
Storing Accessories
The pressure washer is equipped with a place to store accessories.
- Place Spray Gun into Gun Holder
- Place nozzles in the top panel.
- Coil and tie Pressure Hose and hang on the hose hanger.
Pump Preparation
- Disconnect the high-pressure hose and the water supply hose from the pump.
- Pull starter rope handle several times to expel water from the pump.
NOTICE: It is normal to see water exit both inlet and outlet of pump during this exercise.
Storage Area
Cover and store in a dry, level, well ventilated area out of reach of children. Storage area should also be away from ignition sources, such water heaters, clothes dryers and furnaces.
Preparation for Use After Storage
- Slowly pull the starter cord a few times to clean oil from the cylinder or to eject any pump protector from the pump which may have been added prior to storage.
- Remove the spark plug from the cylinder.
Wipe oil from the spark plug and return it to the cylinder and re-tighten. - Reconnect the spark plug wire.
- Refuel engine per earlier instructions in this manual.
CAUTION: Cold storage location
- If product will be exposed to temperatures below 32° F / 0° C during storage, the use of a pump protection product (not included) is required. Use the pump protection product per the pump protection manufacturer’s instructions.
- Failure to prepare the pump for exposure to cold temperature will cause damage to the pump and void your warranty.
Trouble Shooting
| Problem | Possible Causes | Possible Solutions |
| Engine will not start. | No fuel in tank or fuel valve is in “OFF” position. | Fill fuel tank with fresh 87 + octane unleaded stabilizer-treated gasoline and turn fuel valve to “ON” position. Do not use gasoline with more than 10% ethanol (E15, E20, E85, etc.). |
| Low quality, stale, dirty or deteriorated gasoline. | Drain fuel tank and carburetor; fill with fresh fuel. | |
| Choke not in START position, cold engine. | Move Choke to START position. | |
| Carburetor not primed. | Pull on Starter Handle to prime. | |
| Dirty fuel passageways in carburetor. | Clean out passageways using fuel additive. Heavy deposits may require further cleaning. | |
| Carburetor needle stuck. | Gently tap side of carburetor float chamber with screwdriver handle. | |
| Too much fuel in cylinder. This can be caused by the carburetor needle sticking. | Turn Choke to RUN position. Remove spark plug and pull the start handle several times to air out the chamber. Reinstall spark plug and set Choke to START position. | |
| Intake valve stuck open or closed. | please submit to an authorized dealer. | |
| Clogged Fuel Filter. | Replace Fuel Filter. | |
| Spark plug cap not secured | Connect spark plug cap properly. | |
| Spark plug electrode wet or dirty. | Clean spark plug. | |
| Incorrect spark plug gap | Set spark plug gap to 0.6 – 0.7mm | |
| Spark plug cap broken. | Replace spark plug cap | |
| Incorrect spark timing or faulty ignition system. | please submit to an authorized dealer. | |
| Cylinder not lubricated. (problem after long storage periods). | Pour tablespoon of oil into spark plug hole. Crank engine a few times and try to start again. |
| Problem | Possible Causes | Possible Solutions |
| Engine will not start. (cont.). | Loose or broken spark plug. (Hissing noise will occur when trying to start.) | Tighten spark plug. If that does not work, replace spark plug. If problem persists, may have head gasket problem. |
| Loose cylinder head or damaged head gasket. (Hissing noise will occur when trying to start.) | Tighten head. If that does not remedy problem, replace head gasket | |
| Engine valves or tappets mis- adjusted or stuck. | please submit to an authorized dealer. | |
| Low engine oil. | Fill engine oil to proper level. | |
| Product on slope or unleveled surface, triggering low oil shutdown. | Move product to level surface. | |
| Engine “hunts” or falters | Carburetor is running too rich or too lean. | please submit to an authorized dealer. |
| Clogged or dirty fuel filter. | Clean or replace fuel filter. | |
| Engine lacks power | Cylinder compression is low. | please submit to an authorized dealer. |
| Dirty air filter. | Clean or replace fuel filter. | |
| Engine misfires | Spark plug cap loose. | Check all wire connections. |
| Incorrect or defective spark plug. | Re-gap or replace spark plug. | |
| Defective spark plug cap. | Replace spark plug cap. | |
| Old or low quality gasoline. | Use only fresh 87+ octane stabilizer- treated unleaded gasoline. Do not use gasoline with more than 10% ethanol (E15, E20, E85, etc.). | |
| Incorrect compression. | please submit to an authorized dealer. | |
| Engine suddenly stops | Fuel tank empty or full of impure or low quality gasoline. | Fill fuel tank with fresh 87+ octane stabilizer-treated unleaded gasoline. Do not use gasoline with more than 10% ethanol (E15, E20, E85, etc.). |
| Low oil shutdown. | Fill engine oil to proper level. |
| Engine suddenly stops (cont). | Defective fuel tank cap creating vacuum, preventing proper fuel flow. | Test/replace fuel tank cap. |
| Faulty magneto. | please submit to an authorized dealer. | |
| Disconnected or improperly connected spark plug cap. | Secure spark plug cap. | |
| Engine stop under heavy load | Dirty air filter | Clean or replace filter element. |
| Engine running cold. | Allow engine to warm up prior to operating equipment. | |
| Engine knocks | Old or low quality gasoline. | Use only fresh 87+ octane stabilizer- treated unleaded gasoline. Do not use gasoline with more than 10% ethanol (E15, E20, E85, etc.). |
| Engine overloaded. | Do not exceed equipment’s load rating. | |
| Incorrect spark timing, deposit buildup, worn engine, or other mechanical problem. | please submit to an authorized dealer. | |
| Engine backfires | Impure or low quality gasoline. | Use only fresh 87+ octane stabilizer- treated unleaded gasoline. Do not use gasoline with more than 10% ethanol (E15, E20, E85, etc.). |
| Engine too cold. | Allow engine to warm up prior to operating equipment. | |
| Intake valve stuck or overheated engine. | please submit to an authorized dealer. | |
| Incorrect engine timing. | ||
| No pressure or low pressure | No nozzle inserted into wand quick connect fitting | See “Selecting The Right Nozzle”. |
| Inadequate water supply. | Water supply must be 5 GPM @ 20 PSI minimum. | |
| Hose fitting leaking | Check and tighten all hose fittings | |
| Nozzle is clogged | Clean Nozzle (See “Cleaning Nozzle”). | |
| Water inlet filter screen obstructed. | Remove and clean filter screen. | |
| Air in hose. | Squeeze trigger to remove air. | |
| Choke lever in “START “ position. | Move choke to “RUN” position. |
| Output pressure varies | Not enough water supply. | Check water supply hose for kinks, leaks, or blockage. Open faucet all the way. |
| Water inlet screen is clogged. | Remove and clean filter screen. | |
| Nozzle is clogged. | Clean Nozzle (See “Cleaning Nozzle”). | |
| Nozzle has mineral build up | Remove Nozzle and clean with vinegar. | |
| Water or Oil Leaking at Pump | Loose connections. | Check and tighten all connections. |
| Worn or broken O-rings. | please submit to an authorized dealer. | |
| Pump head or tubes damaged from freezing. | ||
| No intake of detergent | Detergent hose not properly inserted into unit. | Push firmly onto injector fitting. |
| Soap injector hose cracked or split. | Replace hose. | |
| Wrong Nozzle. | Switch to black SOAP nozzle. | |
| Injector turned off. | Turn on injector | |
| Injection hose strainer clogged | Clean hose and strainer. | |
| Nozzle blocked. | Clean nozzle. | |
| Dried detergent in injector. | Dissolve by running warm water through the injection hose. Run clean water through injector until clear. | |
| Water leaking at spray gun/wand connection | Loose hose connection. | Check and tighten all connections. |
| Worn, broken or missing O-ring. | please submit to an authorized dealer. |
6800.W01.GEM.02.01 V3










NOTICE: If engine does not start, check engine oil level. If equipped with low oil shutdown, the engine will not start with low or no engine oil. If oil is low, see ADDING ENGINE OIL section earlier in this manual.

















