greenworks GPW1501 Pressure Washer User Manual
DESCRIPTION
PURPOSE
The machine is used to clean vehicles, boats, buildings by the removal of stubborn dirt with clean water and chemical detergents.
For domestic use only, not for professional use, and for operation at temperature above 0°C.
PRODUCT OVERVIEW

- Handgrip
- Power switch
- Water intlet
- Water outlet
- Nozzle
- Gun
- Spray wand
- High pressure hose
- Inlet coupler
- Garden hose
- Spray tip cleaning tool
- Gun trigger
- Detergent tank
- Power cord
GENERAL POWER TOOL SAFETY WARNINGS
WARNING
Read all safety warnings and all instructions. Failure to follow the warnings and instructions may result in electric shock, fire and/or serious injury.
Save all warnings and instructions for future reference. The term “power tool” in the warnings refers to your mains-operated (corded) power tool.
- GENERAL POWER TOOL SAFETY WARNINGS
- The machine is not intended for use by persons (including children) with reduced physical, sensory or mental capabilities, or lack of experience and knowledge, unless they have been given supervision or instruction concerning use of the appliance by a person responsible for their safety.
- Children should be supervised to ensure that they do not play with the appliance.
- Learn the machine’s applications and limitations as well as the specified potential hazards related to this tool by studying this manual.
- Never operate the machine with any guard or cover removed or damaged.
- Do not operate the product while under the influence of drugs, alcohol, or any medication.
- Do not wear loose clothing, gloves, neckties, or jewellery. They can get caught and draw you into moving parts.
- Rubber gloves and non-skid footwear are recommended when working outdoors. Also wear protective hair covering to contain long hair. Wear footwear that will protect your feet and improve your grip on slippery surfaces.
- Don’t overreach or stand on unstable support. Keep proper footing and balance at all times.
- Check the work area before each use. Remove all objects such as rocks, broken glass, nails, wire, or string which can be thrown or become entangled in the machine.
- Avoid dangerous environments. Don’t expose to rain. Keep work area well lit.
- Before starting any cleaning operation, close doors and windows. Clear the area to be cleaned of debris, toys, outdoor furniture, or other objects that could create a hazard.
- Don’t use the appliance within range of persons unless they wear protective clothing.
- ELECTRICAL SAFETY WARNINGS
- The electric supply connection shall be made by a qualified electrician and comply with IEC60364-1.
- Only connect this machine to a supply circuit protected by a residual current device (RCD) with a tripping current of not more than 30mA.
- Disconnect from the electrical power supply before carrying out user maintenance.
- Use only extension cords that have watertight connections and are intended for outdoor use. Use only extension cords having an electrical rating not less than the rating of the product. Examine
extension cord before using and replace if damaged. Do not abuse extension cord and do not pull on any cord to disconnect. Keep cord away from heat and sharp edges. Always disconnect the extension cord from the receptacle before disconnecting the product from the extension cord. - Do not use the appliance if a supply cord or important parts of the appliance are damaged, e.g. safety devices, high pressure hoses, trigger gun.
- Inadequate extension cords can be dangerous.
- To reduce the risk of electrocution, keep all connections dry and off the ground. Do not touch plug with wet hands.
- Do not abuse the cord. Never use the cord to carry the product or to disconnect the plug from an outlet.
Keep cord away from heat, oil, sharp edges, or moving parts. Replace damaged cords immediately.
Damaged cords increase the risk of electric shock. - Inspect extension cords periodically and replace if damaged. Keep handles dry, clean, and free from oil or grease.
- EXTENSION CORD SAFETY WARNINGS
When using a power tool at a considerable distance from a power source, be sure to use an extension cord that has the capacity to handle the current the product will draw.- An undersized cord will cause a drop in line voltage, possibly resulting in overheating, loss of power, and/or circuit breaker or GFCI tripping. Use the chart to determine the minimum wire size required in an extension cord.
Cord Length: Wire Size (A.W.G.)
25 ft.:12
50 ft.: Not Allowed
100 ft.: Not Allowed - When working outdoors with a product, use an extension cord that is designed for outside use. This type of cord is designated with “WA” or “W” on the cord’s jacket.
- Before using any extension cord, inspect it for loose or exposed wires and cut or worn insulation.
- It is possible to tie the extension cord and power cord in a knot to prevent them from becoming disconnected during use. Make a knot, then connect the plug end of the power cord into the receptacle end of the extension cord. This method can also be used to tie two extension cords together.
- This product has a precision-built electric motor. It should be connected to a power supply that is 120 volts, AC only (normal household current), 60 Hz.
- Do not operate this product on direct current (DC).
- A substantial voltage drop will cause a loss of power and the motor will overheat.
- If the product does not operate when plugged into an outlet, doublecheck the power supply
- An undersized cord will cause a drop in line voltage, possibly resulting in overheating, loss of power, and/or circuit breaker or GFCI tripping. Use the chart to determine the minimum wire size required in an extension cord.
- PRESSURE WASHER SAFETY WARNINGS
- Do not direct the jet against yourself or others in order to clean clothes or footwear.
- High pressure jets can be dangerous if subject to misuse. The jet must not be directed at persons, animals, electrical devices, or the machine itself.
- To ensure appliance safety, use only original spare parts from the manufacturer or approved by the manufacturer.
- Use only recommended accessories. The use of improper accessories may cause risk of injury.
- When servicing use only identical replacement parts. Use of any other parts may create a hazard or cause product damage.
- Do not use product if switch does not turn it off. Have defective switches replaced by an authorized service centre.
- Do not use the appliance if a supply cord or important parts of the appliance are damaged, e.g. safety devices, high pressure hoses, trigger gun.
- Use correct product. Don’t force product or attachment to do a job it was not designed for. Don’t use it for a purpose not intended.
- Never leave product running unattended. Turn power off. Don’t leave product until it comes to a complete stop.
- Keep the motor free of grass, leaves, or grease to reduce the chance of a fire hazard.
- Keep the motor away from flammables and other hazardous materials.
- Keep product dry, clean, and free from oil and grease. Always use a clean cloth when cleaning. Never use brake fluids, gasoline, petroleum-based products, or any solvents to clean product.
- Do not use acids, alkalines, solvents, flammable material, bleaches, or industrial grade solutions in this product. These products can cause physical injuries to the operator and irreversible damage to the machine.
- This Appliance has been designed for use with the cleaning agent supplied or recommended by the manufacturer. The use of other cleaning agents or chemicals may adversely affect the safety of the appliance.
- Check bolts and nuts for looseness before each use. A loose bolt or nut may cause serious motor problems.
- ONLY use cold water.
- Make sure minimum clearance of 1 metre is maintained from combustible materials.
- Connect pressure washer only to an individual branch circuit.
- Don’t overtilt the unit.
- Hold the gun and lance securely with both hands.
- Expect the gun to move when the trigger is pulled due to reaction forces. Failure to do so could cause loss of control and injury to yourself and others.
- Save these instructions. Refer to them frequently and use them to instruct other users. If you lend someone this product, lend them these instructions also.
WARNING
High pressure hoses, fittings and couplings are important for the safety of the appliance. Use only hoses, fittings and couplings recommended by the manufacturer.
- GROUND FAULT CIRCUIT INTERRUPTER PROTECTION
This pressure washer is provided with a ground-fault circuit-interrupter (GFCI) built into the plug of the power supply cord. This device provides additional protection from the risk of electric shock. Should replacement of the plug or cord become necessary, use only identical replacement parts that include GFCI protection. - CHILD SAFETY
Tragic accidents can occur if the operator is not aware of the presence of children.- Keep children out of the working area and under the watchful care of a responsible adult.
- Do not allow children under the age of 14 to operate this machine. Children who are 14 years of age and older must read and understand the operating instructions and safety rules in this manual and must be trained and supervised by a parent.
- Stay alert, and turn the machine off if a child or any other person enters the working area.
- Use extreme care when approaching blind corners, doorways, shrubs, trees, or other objects that may obscure your view of a child who may run into the path of the machine.
- SYMBOLS ON THE PRODUCT
Some of the following symbols may be used on this tool.
Please study them and learn their meaning. Proper interpretation of these symbols will allow you to operate the tool better and saferSymbol Explanation 
Explanation To reduce the risk of injury, user must read and understand operator’s manual before using this product. 
Do not expose the product to rain or moist conditions. 
Always wear safety goggles or safety glasses with side shields and, as necessary, a full face shield when operating this product. 
To reduce the risk of injection or injury, never direct a water stream towards people or pets or place any body part in the stream. Leak ing hoses and fittings are also capable of causing injection injury. Do not hold hoses or fittings. 
To reduce the risk of injury from kickback, hold the spray lance securely with both hands when the machine is on. 
Failure to use in dry conditions and to observe safe practices can result in electric shock. 
Fuel and its vapours are explosive and can cause severe burns or death. 
Warning! Never point the gun to human, animals, the machine body, power supply or any electric appliances. 
Appliance not suitable for connection to the drinking water mains without backflow preventer. 
Only use cleaning deck on flat, horizontal surfaces. Never lift cleaning deck from the cleaning surface while operating the pressure washer. 
Keep hands and feet away from the cleaning deck while the pressure washer is running. - RISK LEVELS
The following signal words and meanings are intended to explain the levels of risk associated with this product.SYMBOL SIGNAL MEANING 
DANGER Indicates an imminently hazardous situation,which, if not avoided, will result in death or serious injury. 
WARNING Indicates a potentially hazardous situation,which, if not avoided, could result in death or serious injury. 
CAUTION Indicates a potentially hazardous situation, which, if not avoided, may result in minor or moderate injury. 
CAUTION (Without Safety Alert Symbol) Indicates a situation that may result in property damage
INSTALLATION
- UNPACK THE MACHINECK THE MACHINE
WARNING
Make sure that you correctly assemble the machine before use.
WARNING- If the parts have damage, do not use the machine.
- If you do not have all the parts, do not operate the machine.
- If the parts are damaged or missing, speak to the service center.
- Open the package.
- Read the documentation in the box.
- Remove all the unassembled parts from the box.
- Remove the machine from the box.
- Discard the box and package in compliance with local regulations
- INSTALL THE SPRAY WAND

- Push the end of the spray wand into the gun handle.
- Turn the spray wand clockwise until the tabs lock into position.
WARNING
Make sure that the connection has no leakage.
- INSTALL THE HIGH PRESSURE HOSE

- Push and turn clockwise one end of the high pressure hose into the inlet coupler.
- Install and tighten the other end of the high pressure hose onto the water outlet coupler.
OPERATION
WARNING
Make sure that all the connections are tight and have no leakage before operation.
- CONNECT THE WATER SUPPLY TO THE MACHINE
For easy operation, please use a self-coiling garden hose (not provided). ).
WARNING
When you operate the self-coiling hose, make sure that the hose has no blockage.
WARNING- The water supply must come from the water main
- Do not use hot water
- Do not use water from ponds or lakes
WARNING
Do the local regulations when you connect the garden hose to the water supply. Direct connection through a receiver tank or backflow preventer is usually permitted.
CAUTION
Inspect the filter in the water inlet connector before you connect the garden hose - If the filter is damaged, do not use the machine until the filter is replaced.
- If the filter is dirty, clean the filter.

- Uncoil the garden hose.
- Let the water flow through the garden hose for 30 seconds.
- Turn the water supply off.
- Install and tighten the end of the garden hose to the water inlet connector.
CAUTION
There must be a minimum of 3 m of free hose between the water inlet and the water supply.
- USE THE GUN

WARNING
For safe control, keep your hands on the gun at all times.- Pull and hold the gun trigger to start the machine.
- Release the gun trigger to stop water flow through the nozzle.
- UNLOCK THE GUN TRIGGER
- Push backward the trigger safety button.
- LOCK THE GUN TRIGGER
- Push forward the trigger safety button.
- UNLOCK THE GUN TRIGGER
- CHANGE THE NOZZLE

WARNING
Before you change the nozzle:- Pull the gun trigger to release water pressure.
- Lock the trigger safety button on the gun.
- Stop the mahcine.
WARNING
Do not point the spray wand at your face or others’.- NOZZLE TYPE
SPRAY TIP APPLICATION 
Green – Narrow fan tip (25° ) - The green pressure washer tip provides high versatility with its 25 degree angle tip. Referred to as the washing tip, because it provides adequate pressure to remove dirt from surfaces, but is designed to not damage many surfaces. This pressure washer tip is designed for “sweeping” foliage or debris given its wide angle. This tip is versatile due to its wide area of cleaning and strong pressure application.

White – Wide fan tip (40° ) - The white 40 degree tip, referred to as the “fan” tip creates the widest area of cleaning with relatively low pressure. This pressure washer tip is best used for light or delicate cleaning applications. It is recommended for light cleaning on wood decks and other soft or delicate surfaces.
- INSTALL THE NOZZLE
- Pull back the quick-connect collar on the spray wand.
- Install the nozzle onto the spray wand.
- Release the quick-connect collar to attach the nozzle.
- NOZZLE TYPE
- INSTALL THE DETERGENT TANK

WARNING
Do not use household detergents, acids, alkalines, bleaches, solvents, flammable material, or industrial grade solutions, which can do damage to the pump.
WARNING
Do the instructions on the solution bottle to prepare detergent.
NOTE
If it is necessary, use a funnel to prevent the spill of detergent. Clean and dry the spilled detergent when you fill it- Put the detergent into the detergent tank.
- Install the detergent tank onto the gun.
- Turn clockwise the gun to tighten.
- Put the detergent into the detergent tank.
- Install the detergent tank onto the gun.
- Turn clockwise the gun to tighten.
- START THE MACHINE


CAUTION
Do not operate without the water supply connected.
CAUTION
Before you start the machine:- Turn the water supply on.
- Pull the gun trigger to release air pressure.
- If a stable stream of water comes out from the gun, release the gun trigger.
- Connect the machine to the power supply.
- Set the power switch to the “ON” ( | ) position.
- Turn the water supply on.
- Pull the gun trigger.
- STOP THE MACHINE
- Release the gun trigger.
- Set the power switch to the “OFF” (O) position.
WARNING
If you do not use the machine:- Stop the machine.
- Turn the water supply off.
- Disconnect the power cord from the outlet.
- Pull the gun trigger to release the remaining pressure from the machine.
- Lock the trigger safety button
MAINTENANCE
WARNING
Before maintenance, make sure that you
- stop the machine.
- wait until all the moving parts stop.
- disconnect the plug from the power source.
WARNING
Do not use strong solvents or detergents on the plastic housing or components.
WARNING
Do not let brake fluids, gasoline, petroleum-based materials touch the plastic parts. Chemicals can cause damage to the plastic, and make the plastic unserviceable.
WARNING
Replace the power cord by an approved service center.
- NOZZLE MAINTENANCE
If there is too much pump pressure, the nozzle can become clogged, you can feel a pulsing sensation while you pull the gun trigger.- REMOVE THE NOZZLE
- Pull back the quick-connect collar on the spray wand.
- Remove the nozzle from the spary wand.
- CLEAN THE NOZZLE
- Use a straight paper clip or cleaning tool to clean the spray tip.
- Flush and clean the unwanted materials out of the nozzle with the garden hose.
- Install the clean nozzle to the spray wand
- REMOVE THE NOZZLE
TRANSPORTATION AND STORAGE
WARNING
Disconnect the power cord before transportation and storage.
- MOVE THE MACHINE
- Point the spray wand in a safe direction.
- Only hold the machine with the handgrip.
- STORE THE MACHINE
WARNING
Make sure that the gun, the high pressure hose and the pump are dry.
WARNING
Make sure that children cannot come near the machine.
NOTE
Use a recommended pump protector to prevent cold weather damage during storage in winter.- Disconnect the garden hose from machine.
- Wind the power cord and the high pressure hose.
- Clean housing and the plastic components with a moist and soft cloth.
- Make sure that the machine does not have loose or damaged parts. If it is necessary, do these steps/ instructions:
- replace the damaged parts.
- tighten the bolts.
- speak to a person of an approved service center.
- Store the machine in a dry, isolated and frost-free area
TROUBLESHOOTING
| PROBLEM | POSSIBLE CAUSE | SOLUTION |
| The motor does not start. | The power switch is off. | Set the power switch to the “ON” ( | ) position. |
| You do not plug the power cord. | Connect the power cord to the power supply. | |
| Electrical outlet does not supply sufficient power. | Try another electrical outlet. | |
| The circuit breaker is tripped | Let it cool, and start the machine again. | |
| The power switch is on, but you do not pull the gun trigger. | Pull the gun trigger. | |
| The machine does not get high pressure. | The diameter of garden hose is too small. | Replace with a 1” (25 mm) or 5/8” (16 mm) garden hose. |
| The garden hose is blocked. | Make sure that the garden hose is free from blockage. | |
| The water supply is not sufficient. | Open the water suppy fully. | |
| You do not install the nozzle onto the spray wand. | Install the nozzle onto the spray wand. | |
| The water intake filter is blocked. | Remove the filter and make it clean in warm water. | |
| The output pressure varies high and low. | The water supply is not sufficient. | Open water suppy fully. Make sure the garden hose is free from blockage. |
| The pump absorbs air. |
| |
| The water intake filter is clogged. | Remove the filter and clean it in warm water. | |
| The supply voltage is low. | Make sure that only the pressure washer operates on the circuit | |
| The gun, hose or nozzle are calcified. | Operate distilled vinegar through detergent tank. | |
| The motor buzzes, but you can not start the machine. | The supply voltage is low. | Make sure that only the pressure washer operates |
| The system has remaining pressure. |
| |
| The voltage decreases across extension cord. | Disconnect the extension cord, and connect the machine directly into the outlet. | |
| You do not use the machine for a long time. | Speak to a person of an approved service center | |
| There is remaining friction in components. You can hear a hum. |
| |
| There is no water. | The water supply is off. | Turn the water supply on. |
| The garden hose is blocked. | Make sure that the garden hose is free from blockage. |
TECHNICAL DATA
| Model No | GPW 1501 | GPW 1602 |
| Universal Motor | 120V~ 60 Hz, 13 Amps | 120V~ 60 Hz, 13 Amps |
| Max. Pounds Per Square Inch Pressure | 1500 PSI | 1600 PSI |
| Rated Gallons Per Minute | 1.2 GPM | 1.2 GPM |
| Maximum Inlet Water Temperature | 104 °F (40 °C) | 104 °F (40 °C) |
| Cleaning Units | 1800 C.U. | 1920 C.U |
| Weight | 19.07 lbs. (8.64 kg) | 19.07 lbs. (8.64 kg) |
![]() | Double-insulated construction. | |
LIMITED WARRANTY

Greenworks hereby warranties this product, to the original purchaser with proof of purchase, for a period of three (3) years against defects in materials, parts or workmanship. Greenworks, at its own discretion will repair or replace any and all parts found to be defective, through normal use, free of charge to the customer.
This warranty is valid only for units which have been used for personal use that have not been hired or rented for industrial/commercial use, and that have been maintained in accordance with the instructions in the owners’ manual supplied with the product from new.
ITEMS NOT COVERED BY WARRANTY:
- Any part that has become inoperative due to misuse, commercial use, abuse, neglect, accident, improper maintenance, or alteration; or
- The unit, if it has not been operated and/or maintained in accordance with the owner’s manual; or
- Normal wear, except as noted below;
- Routine maintenance items such as lubricants, blade sharpening;
- Normal deterioration of the exterior finish due to use or exposure.
HELPLINE:
Warranty service is available by calling our toll-free helpline, at 1-888-909-6757.
TRANSPORTATION CHARGES:
Transportation charges for the movement of any power equipment unit or attachment are the responsibility of the purchaser. It is the purchaser’s responsibility to pay transportation charges for any part submitted for replacement under this warranty unless such return is requested in writing by Greenworks.
USA address:
Greenworks Tools
P.O. Box 1238
Mooresville, NC 28115
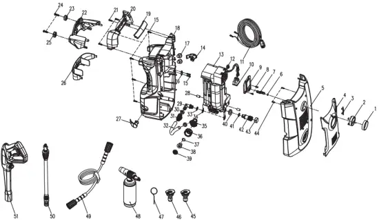
EXPLODED VIEW
This equipment is designed to be used with authorized parts ONLY. If equipment is used with third party parts that DO NOT comply with below minimum specifications, user assumes all risks and liabilities and all applicable express and, except where prohibited, implied warranties are void.
| No. | Part No. | Description | Qty | No. | Part No. | Description | Qty |
| 1 | 342021639 | Switch knob seal | 1 | 26 | 341061639 | Lower panel | 1 |
| 2 | 341091639 | Switch knob | 1 | 27 | 341021828AB | Left wheel insert | 1 |
| 3 | 341011830 | Performance label panel | 1 | 28 | 34203365-1 | Shock absorbing bushing | 2 |
| 4 | 341031639 | Front panel | 1 | 29 | 34116365 | Water inlet connector 2 | 1 |
| 5 | 313011639 | Front housing | 1 | 30 | 33911302A | Clamp | 2 |
| 6 | 34216301A | O-ring | 1 | 31 | 33902365 | Water inlet pipe spring | 1 |
| 7 | 341041829 | Switch lever | 1 | 32 | 34900363 | Water inlet pipe assy | 19 cm |
| 8 | 32223301A | Screw | 2 | 33 | 34219301A | O-ring | 1 |
| 9 | 341421628 | Switch box cover | 1 | 34 | 33307671 | U pin | 2 |
| 10 | 363021628 | Power switch | 1 | 35 | 341141639 | Water inlet connector 1 | 1 |
| 11 | 311021828 | Power cord assy | 1 | 36 | 341211639 | Water inlet nut | 1 |
| 12 | 36511154 | Wire cap | 1 | 37 | 34213301A | O-ring | 1 |
| 13 | 311051639 | Motor & pump assy | 1 | 38 | 33177307 | Water inlet nut connector | 1 |
| 14 | 341031828AB | Right wheel insert | 1 | 39 | 31901677 | Water inlet filter | 1 |
| 15 | 32202847 | Screw | 10 | 40 | 349011639 | Outlet connector seal gas- ket | 1 |






















NOTE



















