WiFi LED Light 00176547
WiFi Device
Models: 00176547/ 00176548/00176549/ 00176550/00176551 / 00176552/00176553 / 00176554/00176555 /00176556/00176558/ 00176559/00176565/00176566/00176567/00176568/00176570
Operating Instruction
1. Read first
Thank you for choosing a Hama product.
Take your time and read the following instructions and information completely. Please keep these instructions in a safe place for future reference. If you sell the device, please pass these operating instructions on to the new owner.
1.1 Explanation of Warning Symbols and Notes
Risk of electric shock
This symbol indicates product parts energized with a dangerous voltage of sufficient magnitude to constitute a risk of electric shock.
Warning
This symbol is used to indicate safety instructions or to draw your attention to specific hazards and risks.
Note
This symbol is used to indicate additional information or important notes.
1.2 Safety Notes
- This product is intended for private, non-commercial use only.
- Use the product for its intended purpose only.
- Protect the product from dirt, moisture and overheating, and only use it in a dry environment.
- Do not drop the product and do not expose it to any major shocks.
- Do not operate the product outside the power limits given in the specifications.
- Do not use the product in the immediate vicinity of heaters or other heat sources or in direct sunlight.
- Do not open the device or continue to operate it if it becomes damaged.
- Do not attempt to service or repair the product yourself.
Leave any and all service work to qualified experts. - Use the item only in moderate climatic conditions.
- Do not use the product in moist environments and avoid splashes.
- Buy special or suitable installation material from a specialised dealer for wall-mounting.
- After the product has been mounted, check that it is sufficiently secure. You should repeat this check at regular intervals.
- Before mounting, check that the wall you have chosen is suitable for the weight to be mounted. Also make sure that there are no electric, water, gas or other lines running through the wall at the mounting site.
- Do not modify the product in any way. Doing so voids the warranty.
- Children are not permitted to play with the device.
Children may not clean the product or perform user maintenance without supervision. - Keep this product, as all electrical products, out of the reach of children!
- Dispose of packaging material immediately according to locally applicable regulations.
- The product is intended for indoor use only.
- The product may only be operated with the type of power supply network described on the name plate.
2. Introduction
Control your smart devices very easily using an app, a switch or your voice. Our smart products can be easily connected to your wireless home network via WiFi. No additional gateway is required; they work with every WLAN router. They can be controlled using a mobile device (mobile phone/tablet) and using the Amazon Alexa/Echo and Google Home voice services (not 00176553). In addition, it is possible to integrate them into an IFTTT network, and through this, almost everything can be automated and linked.
3. System Requirements
Note -Alexa*
To use the product with Amazon Alexa, you need advice that supports Amazon Alexa (for example, Amazon Echo/Echo Dot, etc.). The device must be integrated in your home network and connected to the Internet.
Note -Google*
To use the product with Google, the Google Assistant must be integrated in your home network and connected to the Internet.
Note -IFTTT
To use the product with IFTTT, you need the IFTTT software and can use it to integrate your lamps.
Note
The following requirements must be fulfilled for successful startup and operation:
- A functioning wireless home network (WiFi/WLAN) that is turned on
- Please note that only 2.4 GHz WiFi is currently supported for the network integration. Check whether your network is a 2.4 GHz network.
- A mobile device (smartphone, tablet, etc.) that is WiFi/ WLAN-enabled and connected to your home network
- The Hama Smart Solution App, installed on your mobile device
*Does NOT affect the motion detector 00176554
3.1 Preparation
Loading the Hama Smart Solution app
- Download the Hama Smart Solution app from the Apple App Store or the Google Play Store using your mobile device.
- Open the Hama Smart Solution app.
- If you’re using it for the first time, you’ll have to register and create a new account. If you already have an account, log in using your login details.

- Click Create family.

- Enter a family name. After that, you can deactivate rooms that are not being used by clicking the ticks. You can add or remove rooms at any time; to do so, simply click the cog wheel at the top right.
- Click Finish.
Note – Family location
To complete a family, it is not necessary to define the family location manually. Based on the IP address and the time zone set on the smartphone, the app also works without further information. Should you need more precise location determination at a later time, you can add the details previously omitted (under Profile/Family Management).
3.2 Dual-band routers (2.4 GHz / 5 GHz)
Many of the current routers transmit on two different frequency bands (sometimes even in parallel): 2.4 GHz and 5 GHz. The advantages of the 2.4 GHz frequency are the longer range and compatibility with older terminal devices that do not support 5 GHz. Please note that our smart products currently only support 2.4 GHz. If you use a dualband router and this results in connection problems, there are three possible ways to resolve them:
- Deactivate 5 GHz frequency
You will find a control for both frequency bands in the router settings (WLAN item), depending on model.
Select the 2.4 GHz frequency (or deactivate the 5 GHz frequency) there. If necessary, consult the operating instructions of your router. - Change the name of the wireless local area network (SSID)
You will find a control for both frequency bands in the router settings (WLAN item), depending on model. There you can change the names (SSID) of the frequencies – for example, by simply including the frequency (such as ‘2.4’, or example) in the name. This will allow you to specifically select the 2.4 GHz frequency. If necessary, consult the operating instructions of your router.
• Add compatibility mode (Access Point mode)
If you have no means of ensuring that your smartphone is on a 2.4 GHz network, you can add your smart product using the compatibility mode (Access Point mode).
To do so, open the Hama Smart Solution app and click + at the top right. Next select the device you want to integrate, nd, in the upper-right area, select ‘Otherwise’. Then select ‘AP Mode’ and confirm the following instructions. Enter your WLAN password (Pic 2) and confirm with OK.

Brief instructions will now appear.
Click Connect now (Pic 3), and, in the WLAN network overview (Pic 4), select the network with the name SmartLife_XXXX.

Then click your smartphone’s Back button to return to the app. Your lamp will now be connected.
4. Mounting and getting Started
4.1 WiFi LED bulbs
4.1.1 Product features
Safety Notes
Warning
- Use this product only with lights and fittings that are approved for the application and appropriate for the product. Please check that the product is in perfect working order before making use of it.
- Whenever changing the light, always ensure that the light or fitting in question is current-free. Switch it off and/or pull the mains plug.
- Please note that lights (even LEDs) can generate heat and may become hot. Always let the light cool off for a few minutes before touching it or changing it.
Risk of electric shock
Using damaged or inappropriate lights or fittings carries the risk of electric shocks.
This WiFi LED lamp is used for indoor home lighting, effect lighting, or for creating personalised lighting atmospheres.
Depending on the model, you can select from 16 million different colours or different colour temperatures (for example, daylight for your workspace). Further possible settings are: Switch on/off and smooth dimming.
The following selection of voice commands is also available:
- Turn on/off
‘Alexa/OK Google, turn on/off the light.’ - Dim to X%
‘Alexa/OK Google, decrease the light to X%.’ - Dim by X%
‘Alexa/OK Google, decrease the llight to X%.’ - Selection of colour temperature or colour
‘Alexa/OK Google, turn the light warm white.’ (red, white, etc.)
4.1.2 Integrating lamps in the Hama Smart Solution app
- Twist the smart lamp into a suitable fixture.
- The smart LED lamp should begin to flash quickly. If this is not the case, quickly turn the lamp ON and OFF three times using the light switch.
- Now open the Hama Smart Solution app and log in.
- Press + in the upper-right corner (Pic 1) to add a new device.
- Select Lighting in the list and then select the device you want to integrate.
- Now confirm that the lamp flashes quickly (Pic 2).

- Next enter your WiFi password and confirm with OK.
- Your lamp will now be connected.

- Once the connection has been established, the lamp stops flashing and the app confirms that your lamp was connected. You can now give your lamp a name.
- Click Finish (Pic 4) to complete the process.
- Now you can control the lamp.
- Various options are available to you (see Pic 5):
– White Mode (Pic 6)
Setting the brightness
– Colour Mode (Pic 7)
Colour selection using the outer ring
Setting the saturation of the selected colour
Setting the brightness of the selected colour
– Scene Mode (Pic 8)
Selection of various light colour modes, for example, reading or night mode


4.2 WiFi wall switch
4.2.1 Product features
Safety Notes
- Small splinters of glass can lead to injuries if touched.
Dispose of the product immediately if it is damaged or splintered during application or use. - Only touch the damaged or splintered product on undamaged areas and the edge.
- Be very careful while doing so, thoroughly wash your hands afterwards and avoid contact with face and eyes.
Warning
- Do not use any heat-generating devices (such as electric blankets, coffee machines, etc.) with this product. There is a risk of fire and injury.
- Do not use this product with any devices that are motorised or any devices that have a rotating component or workpiece. There is a risk of injury.
- The device may only be operated on a 230 V 50 Hz AC voltage supply. Work with the 230 V mains supply may only be carried out by electricians certified in your country. The applicable accident prevention regulations are to be observed.
- To avoid an electric shock from the device, please disconnect the mains voltage (switch off circuit breaker). Failure to observe the installation instructions can cause fires or other hazards.
Risk of electric shock
Do not open the product. Do not continue to operate the product if it is damaged, which may be indicated by smoke, odour or loud noises. Immediately contact your dealer or our service department (see item “Service and Support”).
This WiFi wall switch controls up to two ceiling lamps in the home (switch on/off). Existing wall switches can be simply replaced with it; maximum total load of 1000 W.
The following voice command is available:
- Turn on/off
‘Alexa/OK Google, turn on/off the light in the living room.’
4.2.2 Mounting
- Switch off the fuse (fuse box) that corresponds to the room in which you want to install the switch.
- Verify that the wires are dead using a suitable measuring device (for example, multimeter).
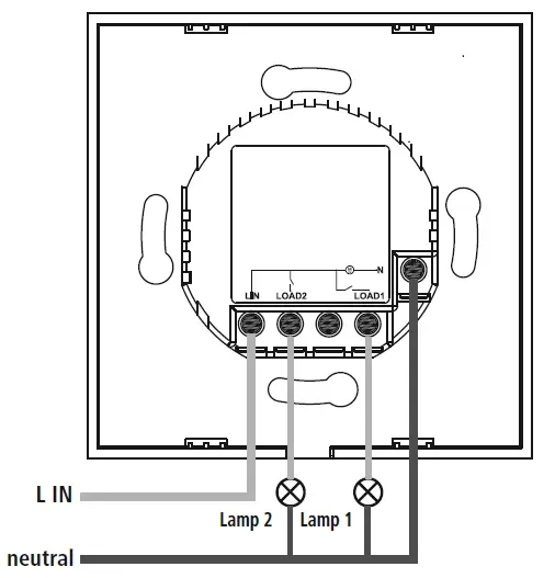
- Connect the WiFi touch wall switch as illustrated below:

- Install the switch in a suitable in-wall or surface-mount box.
• Put the glass cover back onto the switch, and check whether the cover has snapped firmly into place.
4.2.3 Integrating devices in the Hama Smart Solution app
- Switch the fuse back on.
- The two buttons should now flash, alternating between blue and red.
- If this is not the case, touch one of the switches for longer than 5 seconds.
- Now open the Hama Smart Solution app and log in.
- Press + in the upper-right corner to add a new device.
- Select Switches in the list and then select your device.
- Now confirm that the control light flashes quickly.

- Next enter your WiFi password and confirm with OK.
- The WiFi touch wall switch will now be connected


































