VX5 Professional Wireless Microphone
Instruction Manual
User Notice
Dear customers, thank you for purchasing our products! Please read this instruction manual carefully before using this product, and follow the instructions to use this product correctly. Please keep this manual for future reference. ![]()
MICROFONO

- MIC set: singing to a here, speech.
- Power switch: push up to open, push down to of.
- Battery cover: Open the bottom cover and place the no.5 battery.
- Damping ring: when the MIC drops it, can protect the MIC to reduce damage.
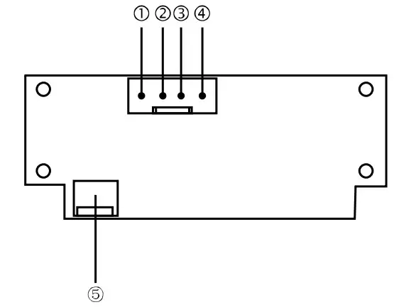
RECEPTOR

| 1. OUT | 4. GND |
| 2. KC | 5. ANT |
| 3. VC(3.7V) | |
Receiver board function
The antenna is permanently connected to the negative stage of the battery; Make sure the product is in normal use. If the transmitting antenna is deformed or damaged, please stop using it immediately and return it to the manufacturer for repair.
The antenna is a permanent connection to the negative stage of the battery; Make sure the product is in normal use. If the transmitting antenna is deformed or damaged, please stop using it immediately and return it to the manufacturer for repair.
SPECIFICATIONS
| Carrier frequency: | 202.2MHz |
| Frequency steadying: | Less than0.002% |
| Modulation mode: | FM |
| Frequency responses: | 20Hz-2KHz |
| microphone sensitivity: | -72dB |
| S/N ratio: | over 70dB |
| Charging voltage: | 3.7V |
| Effective distance: | 20m |
ATTENTIONS
- Do not throw the product into the water or fire.
- Do not use an anti-interference site of the hospital, near the airport, etc.
- please do not disassemble the product, otherwise, you will lose the right to warranty.
PRODUCT WARRANTY
Subscriber data
Address name_____________________
Contact number___________________
Customer address__________________
Product mode______________________
Product mode______________________
Date of buying the machine__________
Sales office_____________________
Contact number___________________
Sales office address_____________
Sales office address_______________
Postcode————————————
Seal:———————————–
FCC Warning
This device complies with Part 15 of the FCC Rules.
Operation is subject to the following two conditions: (1) This device may not cause harmful interference, and (2) this device must accept any interference received, including interference that may cause undesired operation.
NOTE
This equipment has been tested and found to comply with the limits for a Class B digital device, pursuant to part 15 of the FCC Rules.
These limits are designed to provide reasonable protection against harmful interference in a residential installation. This equipment generates uses and can radiate radio frequency energy and, if not installed and used in accordance with the instructions, may cause harmful interference to radio communications. However, there is no guarantee that interference will not occur In a particular installation.
If this equipment does cause harmful interference to radio or television reception, which can be determined by turning the equipment off and on, the user is encouraged to try to correct the interference by one or more of the following measures:
- Reorient or relocate the receiving antenna.
- Increase the separation between the equipment and receiver.
- Connect the equipment into an outlet on a circuit different from that to which the receiver Is connected.
- Consult the dealer or an experienced radio/TV technician for help.
NOTE 2: Any changes or modifications to this unit not expressly approved by the party responsible for compliance could void the user’s authority to operate the equipment.


















