PRO-CF69.4NR
6×9” MOTORCYCLE & MOTORSPORTS LOUDSPEAKER WITH WATER
RESISTANT CARBON FIBER CONE AND NEODYMIUM RINGS MAGNET
OWNER’S MANUAL![]()

![]()
SPECIFICATIONS
Nominal Diameter…………………………………………………….6×9” / 152 x 228mm
Nominal Impedance………………………………………….4 OHMS
RMS Power Handling …………………………………….300 WATTS
MAX Power Handling ………………………………..600 WATTS
Sensitivity (1w/1m ) …………………………………………… 95 dB
Frequency Response………………………………………63Hz – 12KHz
Recommended Hi Pass Crossover …………………………… 80 Hz
Pair or Single………………………………….Single
MOTOR
Voice Coil Diameter……………………………………… 2” / 50 mm
Voice Coil Former Material……………………..Kapton
Winding Material…………………………………………………CCA
Cone Material………………………………. Water Resistant Carbon Fiber
Dust Cap Material……………………… Water Resistant Carbon Fiber
Surround Material …………………………. Rubber
Basket Material ……………………………………..Steel
Basket Color……………………………… Glossy Black
Magnet Material …………………………………. Neodymium Rings
Magnet Weight…………………………………. 0.3 Kg
THIELE & SMALL PARAMETERS
Equivalent Volume …………………………… Vas …………………. 12.75L / 0.45 ft3
Excursion (one way) ……………………. Xmax ………………….2.5 mm
Free Air Resonance ………………………. Fs ………………………. 83 Hz
Mechanical Factor ………………………….. Qms …………………….. 12.16
Electrical Factor ……………………. Qes ………………….0.69
Total Factor……………………….. Qts……………………..0.65
Moving Mass ………………………. Mms……………… 20.35 g
Mechanical Compliance …………………… Cms ………………..0.18 mm/N
Bl Factor …………………. Bl ………………….7.22
Voice Coil Inductance ………………….. Le……………….0.561 mH
Cone Area ……………………. Sd ………………….. 224.32 cm2
DC Resistance ……………………. Re ……………………..3.4 OHM
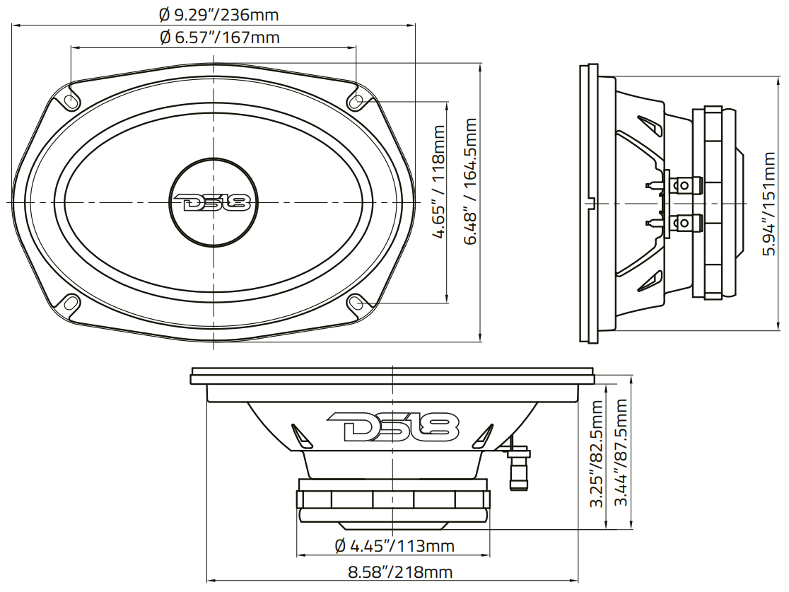
MEASUREMENTS
Overall Diameter ……………………………. 6.48” x 9.29“ / 164.5 x236 mm
Overall Depth…………………………………… 3.44” / 87.5 mm
Front Mount Baffle Cutout………………………..5.94” x 8.58“ / 151 x 218 mm
Mounting Depth ……………………. 3.25” / 82.5 mm
Motor Diameter…………………………. 4.45″ / 113 mm


WARRANTY
Please visit our website DS18.com for more information on our warranty policy.
We reserve the right to change products and specifications at any time without notice.
Images may or may not include optional equipment.
FOR MORE INFORMATION
PLEASE VISIT
DS18.COM

















