Zhejiang Jiecang Linear Motion Technology JCB35NH2B Control Box

Safety Instructions
When installing and using electrical equipment, basic safety precaution should always be followed to avoid a risk of fire, electric shock, or injury to persons:
- this appliance can be used by children aged from 8 years and above and persons with reduced physical, sensory or mental capabilities or lack of experience and knowledge if they have been given supervision or instruction concerning use of the appliance in a safe way and understand the hazards involved.
- children shall not play with the appliance.
- cleaning and user maintenance shall not be made by children without supervision.
- If the supply cord is damaged, it must be replaced by the manufacturer, its service agent or similarly qualified persons in order to avoid a hazard.
- This appliance is use for in Household, Shops, Offices, Hotels, Motels etc. and other similar environments. Not to be opened by unauthorized personnel.
- RISK OF ELECTRIC SHOCK. Insert the plug only into a properly socket. If it does not fit, contact a qualified electrician to install the proper outlet. Do not change the plug in any way.
- WARNING: For indoor use only.
- For use in pollution degree 2 environment.
- The linear actuator is only to be used with specified control unit JCB35NH2B, do not use attachments not recommended by the manufacturer.
- The linear actuator must only be supplied at safty extra low voltage corresponding to the marking on the appliance.
- Do not use the appliance when the load exceed the rating.
- Always unplug this appliance from the electrical outlet before cleaning.
- Do not put on or take off the part when up & down movement.
- Keep the cord away from heated surfaces.
- Never drop or insert any object into any opening.
- Do not operate where aerosol (spray) products are being used or where oxygen is being administered.
- To disconnect, turn all controls to the off position, then remove plug from outlet.
- WARNING: Risk of Injury – Keep children away from the appliance when operation.
- Always put heavy load on suitable position to prevent the possibility of the appliance tipping over.
- Any servicing is to be performed by an authorized service representative, the appliance has no user serviceable parts.
- Please attention to electrical and mechanical hazards during use.
- Make sure the right tools and assembly parts are used when mounting the system.
- Be aware that the control box can only be connected to the voltage printed on the label.
- make sure that no persons or items will collide with the frame, when adjusting upwards and downwards.
- Always pay attention, that the maximum load capacity per linear actuator, must not exceed more than max load.
Introduction
When connected together, Linear actuator and control system JCB35NH2B consists of an electric height adjustable lifting system normally assembled in height adjustable device, work stations and similar appliances. There are six models Linear Actuator: JSET-X1-X2-X3/X4, JSED- X1-X2-X3/X4, JS36DR- X1-X2-X3/X4,JS36DS-X1-X2-X3/X4,JS36DC-X1-X2-X3/X4,JS36DR1- X1-X2-X3/X4. There are one models Control system: JCB35NH2B. The system consists of the spindle system, motor system, Control Unit, which described above and remote control JCHT35K/JCHT35K1/JCHT35J/JCHT35L/JCHT35M1/JCHT35M2 The spindle system and motor is normally assembled inside the height adjustable leg constructions to become linear actuator. The control system JCB35NH2B is normally mounted together with lifting system with only four screws in a reachable distance enable the user to cut off the main power.
Specifications
JCB35NH2B series
| Actuator quantity | 1-2 | Duty cycle | 10% , Max 2min continuous working |
| Output voltage(VDC) | 24 | Overload protection | Separate protection |
| Input voltage(VAC) | 100-240 | Cable length | 3m |
| Power(W) | 400 | Functions | Can connect with computer to adjust the actuator stroke, speed, protection parameters. |
| Actuator connector | JS36DX | ||
| Handset connector | RJ45 |

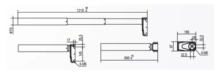
Actuator descriptions
Order keys
- JSET-X1-X2-X3/X4
- JSED-X1-X2-X3/X4
- JS36DR-X1-X2-X3/X4
- JS36DS-X1-X2-X3/X4
- JS36DC-X1-X2-X3/X4
X2=R(biggest welding on the box), S(small welding on the box);
X3=625~675, 600~650, 475~525(stroke length,625~675mm,600~650mm,475~525mm); X4=535~585, 487~537,625~675(retracted length,535~585mm,487~537mm,625~675mm)
Specifications
| Max load (N) | 800 |
| Max speed (mm/s) | 35 |
| Input voltage (VDC) | 24 |
| Color | Black RAL9005 or GreyRAL7045 |
| Limit switch | No |
| Duty cycle | 10%, Max 2min. continuous working |
| Control box | JCB35NH2B |


JSED-3-S
| Max load (N) | 800 |
| Max speed (mm/s) | 35 |
| Input voltage (VDC) | 24 |
| Color | Black RAL9005 or GreyRAL7045 |
| Limit switch | No |
| Duty cycle | 10%, Max 2min. continuous working |
| Control box | JCB35NH2B |


JSET-3-R
| Max load (N) | 800 |
| Max speed (mm/s) | 35 |
| Input voltage (VDC) | 24 |
| Color | Black RAL9005 or GreyRAL7045 |
| Limit switch | No |
| Duty cycle | 10%, Max 2min. continuous working |
| Control box | JCB35NH2B |

JS36DR-3-R
| Max load | (N) | 800 | |||
| Max speed | (mm/s) | 35 | |||
| Input voltage | (VDC) | 24 | |||
| Color | Black RAL9005 or GreyRAL7045 | ||||
| Limit switch | No | ||||
| Duty cycle | 10%, Max 2min. continuous working | ||||
| Control box | JCB35NH2B JCB35NH2B-F | or | JCB36N2 | or | |


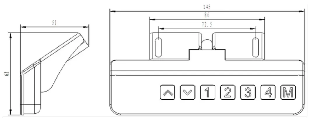
Handset (Dimensions)

Connections

Basic Settings/Height Adjustment
Zero setting the system
Press the actuators will move down to the zero position, release Press and hold it for more than 5sec. The program will be in zero position adjustment and RESET. There are M, 1, 2, 3 and 4 buttons on the handset JCHT35K. Next is the function descriptions: While there is no movement of the actuators, press the M button, and then press 1, 2, 3 or 4 button on the handset JCHT35K, the current position will be remembered by this number button. The 1, 2, 3 or 4 buttons can remember 4 positions. And the position also can be changed if you like the other positions. The position will not be disappeared during the power off.
Running the system
Press button for upwards running and button for downwards running. After RESET, the system can work as followings: Press button the actuator move up; Release button the actuator stop. Press button the actuator move down; Release button the actuator stop. The system has the following memory functions. The system has the following display functions. During the movement of the actuator, the height of the lifted device will be display on the LEDs of the handset JCHT35K.
General Information
Product test approvals:
EN 60335-1: Household and similar electrical appliances – Safety – General Requirements (LVD) EN 62233: Electromagnetic fields of household appliances and similar apparatus with regard to human exposure (EMF) EN 55014-1, EN 55014-2, EN 61000-3-2, EN61000-3-3: Electromagnetic Compatibility (EMC) 2002/95/EC (RoHS): EC Directive on the restriction of the use of certain hazardous substances in
Environment
Meaning of crossed –out wheeled dustbin: Do not dispose of electrical appliances as unsorted municipal waste, use separate collection facilities. Contact you local government for information regarding the collection systems available. If electrical appliances are disposed of in landfills or dumps, hazardous substances can leak into the groundwater and get into the food chain, damaging your health and well-being. When replacing old appliances with new ones, the retailer is legally obligated to take back your old appliance for disposals at least free of charge.
FCC
Any Changes or modifications not expressly approved by the party responsible for compliance could void the user’s authority to operate the equipment. This device complies with part 15 of the FCC Rules. Operation is subject to the following two conditions: (1) This device may not cause harmful interference, and (2) this device must accept any interference received, including interference that may cause undesired operation.
Note: This equipment has been tested and found to comply with the limits for a Class B digital device, pursuant to part 15 of the FCC rules. These limits are designed to provide reasonable protection against harmful interference in a residential installation. This equipment generates, uses and can radiate radio frequency energy and, if not installed and used in accordance with the instructions, may cause harmful interference to radio communications. However, there is no guarantee that interference will not occur in a particular installation. If this equipment does cause harmful interference to radio or television reception, which can be determined by turning the equipment off and on, the user is encouraged to try to correct the interference by one or more of the following measures:
- Reorient or relocate the receiving antenna.
- Increase the separation between the equipment and receiver.
- Connect the equipment into an outlet on a circuit different from that to which the receiver is connected.
- Consult the dealer or an experienced radio/TV technician for help.
FCC RF Radiation Exposure Statement:
The product comply with the FCC portable RF exposure limit set forth for an uncontrolled environment and are safe for intended operation as described in this manual. The further RF exposure reduction can be achieved if the product can be kept as far as possible from the user body or set the device to lower output power if such function is available.
ISED RSS Warning:
This device complies with Innovation,Science and Economic Development Canada licenceexempt RSS standard(s). Operation is subject to the following two conditions: (1) this device may not cause interference, and (2) this device must accept any interference, including interference that may cause undesired operation of the device.
ISED RF exposure statement:
This equipment complies with ISED radiation exposure limits set forth for an uncontrolled environment.The device has been evaluated to meet general RF exposure requirement.
















