DEWERT OKIN CB3443 Control Box User Manual

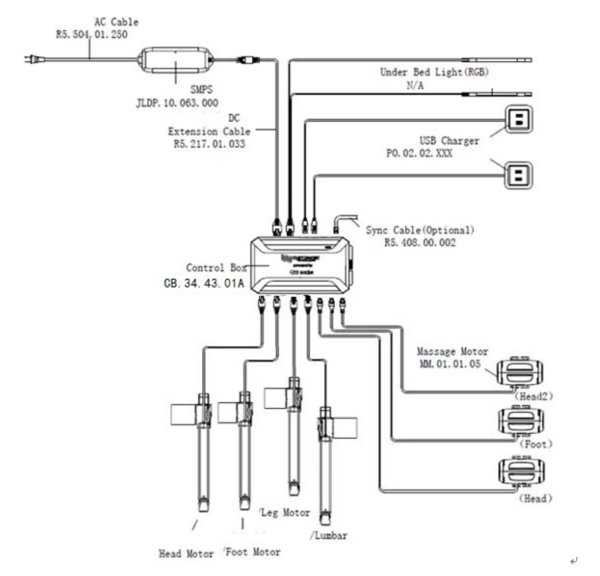
1. Electrical configuration diagram:

2. Function Picture

1. Process of test
1.1. HEAD
Connect to head actuator,control by remote single:
Click head up button on the remote, head actuator moves out, stop when released;
Click head down button,head actuator moves in, stop when released;
This function takes effect only by pressing the corresponding button on the remote.
1.2. FOOT
Connect to foot actuator,control by remote single:
Click foot up button,foot actuator moves out,stop when released;
Click foot down button,foot actuator moves in,stop when released;
This function takes effect only by pressing the corresponding button on the remote.
1.3. Lumbar
Connect to lumbar actuator,control by remote single:
Click Lumbar up button,foot actuator moves out,stop when released;
Click Lumbar down button,foot actuator moves in,stop when released;
This function takes effect only by pressing the corresponding button on the remote.
1.4. Neck
Connect to neck actuator,control by remote single:
Click neck up button,foot actuator moves out,stop when released;
Click neck down button,foot actuator moves in,stop when released;
This function takes effect only by pressing the corresponding button on the remote.
1.5. Massage
Connect to head & Foot massage,control by remote:
Click head massage + button,head massage strengthens by one level;
Click head massage – button,head massage weakenby one level;
This function takes effect only by pressing the corresponding button on the remote.
1.6. EXTRA
Connect to other device.
1.7. underbed light(RGB)
Click button of underbed light, turns on( or turns off ) the underbed light, switch the status once when click once;
This function takes effect only by pressing the corresponding button on the remote.
1.8. SYNC port
Connect with the same other Control box or Other accessories;
1.9. Power LED & PAIRING LED
Power supply for control box, PAIRING LED of control box is blue, POWER LED is green.
1.10. Power
Connect to the 29V DC;
1.11.Pair Function
When box power on,pairing LED turns on,the control box enters into mode of code paring; Press and hold the head up+head down button of Remote, the backlight of paring LED flashes, the backlight of remote flashes, the remote enters into mode of code paring;
The backlight of paring LED of remote stops flashing, and the paring led of control box turns off, it indicates that the code paring is successful;
If fails, repeat all the processes above;
1.12. UART1 UART2
Connect to vcm
1.13. USB
Connect to extra USB device
FCC Statement
Any Changes or modifications not expressly approved by the party responsible for compliance could void the user’s authority to operate the equipment.
This device complies with part 15 of the FCC Rules. Operation is subject to the following two conditions:
- This device may not cause harmful interference, and
- This device must accept any interference received, including interference that may cause undesired operation.
FCC Radiation Exposure Statement:
This equipment complies with FCC radiation exposure limits set forth for an uncontrolled environment .This equipment should be installed and operated with minimum distance 20cm between the radiator& your body.
Note : This equipment has been tested and found to comply with the limits for a Class B digital device, pursuant to part 15 of the FCC Rules. These limits are designed to provide reasonable protection against harmful interference in a residential installation. This equipment generates,uses and can radiate radio frequency energy and, if not installed and used in accordance with the instructions, may cause harmful interference to radio communications.
However, there is no guarantee that interference will not occur in a particular installation. If this equipment does cause harmful interference to radio or television reception, which can be determined by turning the equipment off and on, the user is encouraged to try to correct the interference by one or more of the following measures:
- Reorient or relocate the receiving antenna.
- Increase the separation between the equipment and receiver.
- Connect the equipment into an outlet on a circuit different from that to which the receiver is connected.
- Consult the dealer or an experienced radio/TV technician for help.
ISED RSS Warning/ISED RF Exposure Statement
ISED RSS Warning:
This device complies with Innovation, Science and Economic Development Canada licence-exempt RSS standard(s).
Operation is subject to the following two conditions: (1) this device may not cause interference, and (2) this device must accept any interference, including interference that may cause undesired operation of the device.
ISED RF exposure statement:
This equipment complies with ISED radiation exposure limits set forth for an uncontrolled environment. This equipment should be installed and operated with minimum distance 20cm between the radiator& your body. This transmitter must not be co-located or operating in conjunction with any other antenna or transmitter.


















