
CB1522 Function instruction
Electrical configuration diagram:
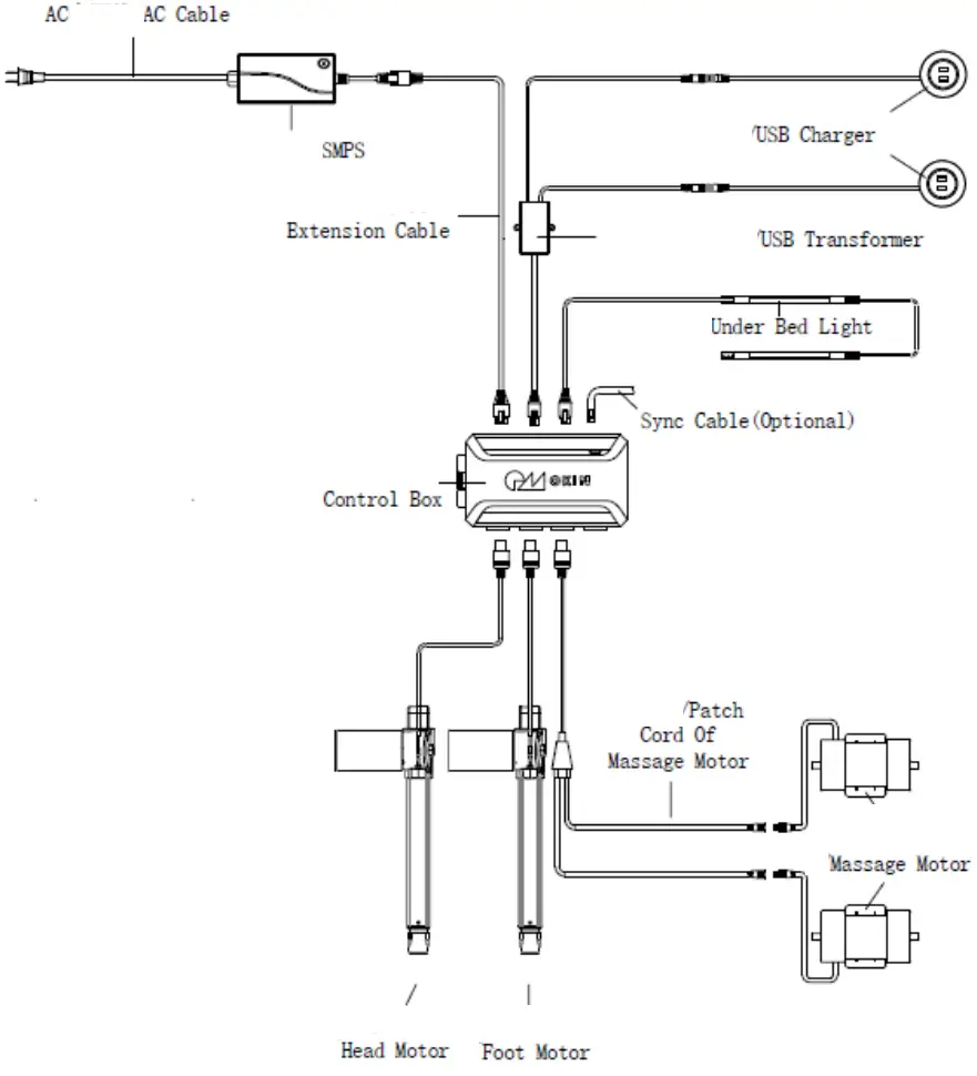
Function Picture 
Process of test
1.1. HEAD MOTOR
Connect to head actuator, control by a remote single: Click the head-up button on the remote, the head actuator moves out, stop when released Click head down button the head actuator moves in, stop when released; This function takes effect only by pressing the corresponding button on the remote.
1.2. FOOT MOTOR
Connect to foot actuator, control by a remote single: Click foot up button, foot actuator moves out, stop when released; Click the foot down button, the foot actuator moves in, stops when released; This function takes effect only by pressing the corresponding button on the remote.
1.3. Massage
Connect to head & Foot massage, control by remote:
Click head massage + button, head massage strengthens by one level;
Click head massage – button, head massage weaken by one level;
This function takes effect only by pressing the corresponding button on the remote.
1.4. Test for under bed light
Click the button of under bed light turns on( or turns off ) the under bed light, switch the status once when clicking once ; This function takes effect only by pressing the corresponding button on the remote.
1.5. SYNC port
Connect with the same other Control box or Other accessories;
1.6. Power LED & PAIRING LED
Power supply for control box, PAIRING LED of the control box is blue, POWER LED is green。
1.7. Power
Connect to the 29V DC;
1.8. RESET button
Press and hold the RESET button, the Head, Foot actuators will move to the lower position.
1.9. Pair Function
Double click RESET button, pairing LED turns on, the control box enters into the mode of code paring; Press and hold the pairing LED of Remote, the backlight of paring LED flashes, the backlight of remote flashes, the remote enters into the mode of code paring; The backlight of paring LED of remote stops flashing, and the paring led of control box turns off, it indicates that the code paring is successful; If fails, repeat all the processes above;
1.10. FLAT function
Press and release the FLAT button on the remote, the head and foot actuators move to lower position(when the actuator is free, can turn off the vibration motor and turn off the indicator light when press once ), stop when pressing any button; This function takes effect only by pressing the corresponding button on the remote.
1.11. ZERO-G position function
Press and release the ZERO-G button on the remote, the head and foot actuator moves to the preset memory position, stopping when pressing any button; This function takes effect only by pressing the corresponding button on the remote.
1.12. Bluetooth function
Use the APP to connect Bluetooth to control the control box. For details, see < ORE_BLE_USER MANUAL >;
FCC Warning :
Please take attention that changes or modifications not expressly approved by the party responsible for compliance could void the user’s authority to operate the equipment. This device complies with Part 15 of the FCC Rules. Operation is subject to the following two
![]() | Issue department: Bedding Division | Date: 1 2017-08-23 | |
| Product Function instruction | Author: | Kyle | |
| No: CB1522 | |||
| CB.15.22.01 | Version: | 11. | |
| Page 5 of 5 | |||
conditions:
- This device may not cause harmful interference, and
- This device must accept any interference received, including interference that may cause undesired operation.
ISED RSS Warning:
This device complies with Industry Canada licence-exempt RSS standard(s). Operation is subject to the following two conditions:
- this device may not cause interference, and
- this device must accept any interference, including interference that may cause undesired operation of the device.





















