VIQUA S2Q-OZ Ozone UV System
Safety Information
These are the original instructions.Please read this entire manual before operating this equipment. Pay attention to all danger, warning, and caution statements in this manual. Failure to do so could result in serious personal injury or damage to the equipment. Make sure that the protection provided by this equipment is not impaired. Do not use or install this equipment in any manner other than that specified in the installation manual.
Potential Hazards:
Read all labels and tags attached to the system. Personal injury or damage to the system could occur if not observed.
![]() | Waste electrical and electronic equipment (WEEE). This symbol indicates that you should not discard wasted electrical or electronic equipment (WEEE) in the trash. For proper disposal, contact your local recycling/reuse or hazardous waste center. | ![]() | This symbol indicates that the contents of the transport package are fragile and the package should be handled with care. |
![]() | This symbol indicates there is Mercury present. | ![]() | This symbol indicates a safety glasses with side protection is required for protection against UV exposure. |
![]() | This is the safety alert symbol. Obey all safety messages that follow this symbol to avoid potential injury. When on the equipment, refer to the Operational and Maintenance manual for additional safety information. | ![]() | This symbol indicates gloves must be worn. |
![]() | This symbol indicates a risk of electrical shock and/or electrocution exists. | ![]() | This symbol indicates safety boots must be worn. |
![]() | This symbol indicates there is a potential UV hazard. Proper protection must be worn. | ![]() | This symbol indicates the operator must read all available documentation to perform required procedures. |
![]() | This symbol indicates the marked item could be hot and should not be touched without care. | ![]() | This symbol indicates the plumber must use copper piping. |
![]() | This symbol indicates not to store any combustible or flammable material close to the system. | ![]() | This symbol indicates that the system should only be connected to a properly grounded, grounding-type power supply receptacle that is protected by a Ground Fault Circuit Interrupter (GFCI). |
Safety Precautions:
IMPORTANT SAFETY INSTRUCTIONS. READ AND FOLLOW ALL INSTRUCTIONS. SAVE THESE INSTRUCTIONS.
| |
![]() ![]() | Failure to follow these instructions will result in serious injury or death.
|
| |
![]() ![]() |
|
![]() | WARNING: This product can expose you to chemicals including phthalates, which is known to the state of California to cause cancer, and mercury, which is known to the State of California to cause birth defects or other reproductive harm. For more information go to www.P65Warnings.ca.gov. |
![]() | CAUTION | ||
![]() ![]() | Failure to follow these instructions could result in minor or moderate injury.
| ||
NOTICE | |
![]() |
|
General Information
| Item | Description | Part Number | UV Systems |
| 1 | O-ring | 410933-R | S2Q-OZ, S2Q-OZ/2, S8Q-OZ, S8Q-OZ/2 |
| 2 | UV lamp | S415ROL | S2Q-OZ, S2Q-OZ/2 |
| S8ROL/4P | S8Q-OZ, S8Q-OZ/2 | ||
| 3 | Controller (100-240V/50-60 Hz) | BA-ICE-SO | S2Q-OZ, S2Q-OZ/2, S8Q-OZ, S8Q-OZ/2 |
| 4 | Retaining nut | RN-001 | S2Q-OZ, S2Q-OZ/2, S8Q-OZ, S8Q-OZ/2 |
| 5 | IEC replacement power cords for VIQUA ICE Controller (sold separately) | 602636 | NORTH AMERICAN (NEMA 5-15P), 3-PRONG GROUNDED |
| 602637 | CONTINENTAL EUROPEAN (CEE 7/7) 2-PIN WITH GROUND, “SCHUKO” | ||
| 6 | 2.5” Mounting brackets | 410958-R | S2Q-OZ, S2Q-OZ/2, S8Q-OZ, S8Q-OZ/2 |
| 7 | Retaining nut with plug | RN-001/1 | S2Q-OZ, S2Q-OZ/2, S8Q-OZ/2 |

Introduction to Ozone
Ozone is nature’s natural purifier. This naturally occurring product is produced during lightning and electrical storms as well as when solar ultraviolet rays strike the earth’s upper atmosphere. It is this ozone layer which protects us from the harmful UV radiation produced by the sun.
Ozone is generated when an oxygen molecule (O) is exposed to high energy, ultraviolet (UV) light and is converted to an ozone (O³) molecule. This extra oxygen atom is what makes ozone a highly “energetic” oxidizer.
System Features
- All models include an LED Indicator display to indicate that the lamp is operating. They also include an audible lamp out alarm, which will sound if the lamp fails to start.
- The UV lamp is contained inside of a sealed stainless steel ozone generator cell which protects the electrical components and outer case from the oxidizing effects of ozone.
- 185nm ultraviolet lamps can be replaced or cleaned by simply loosening the gland nuts from the ends of the stainless steel ozone generating cell, removing the old lamp and re-installing or installing a new UV lamp.
Installation
Ozone Generator
WARNING
- Do not look directly into the ports.ultraviolet light emitted by the lamp can cause burns to unprotected eyes.
- The S2Q-OZ will generate sufficient ozone for most spa and hot tub applications subject to the wide variations that occur depending on operating conditions, chemical control and bather load.
- Model S8Q-OZ is sufficient for smaller pools and can be used in parallel for larger applications. Sizing will also be dependent on a wide range of variations including operating conditions, chemical control and bather load.
- Choose a location for your generator that is accessible to an approved electrical outlet and where the indicator light is visible.
Note: Electrical outlets within 10 feet of the tub must have ground fault protection. - Leave enough space to allow for removal of the UV lamp for lamp maintenance.
- As UV lamps can be damaged in shipping and handling, check the lamp before installing your ozone generator by plugging it into an electrical outlet for a moment. A bluish light should be evident at the ports and the LCD display on the controller should illuminate.
Your ozone generator should be located in a dry area that is accessible for servicing and at least two feet above the water level. If the unit can not be mounted at least two feet above the water level, the tubing connecting the generator to the inlet of the spa or pool must either be installed with a loop to raise it two feet above the water level or be fitted with a check valve approved for ozone service to prevent water back flow into the generator. When using an optional venturi system to provide increased air flow, a check valve must be used to prevent back flow into the generator in case the outlet line is blocked. Select a location two feet above the water level and with access to a properly grounded electrical outlet. The unit can be mounted vertically or horizontally with the connection ports facing down. Mount the chamber to the wall using the cell clamp and mounting screws included with your system. If mounting the unit to drywall, use a plug or an expansion butterfly nut to secure the unit. Some typical installation procedures are:
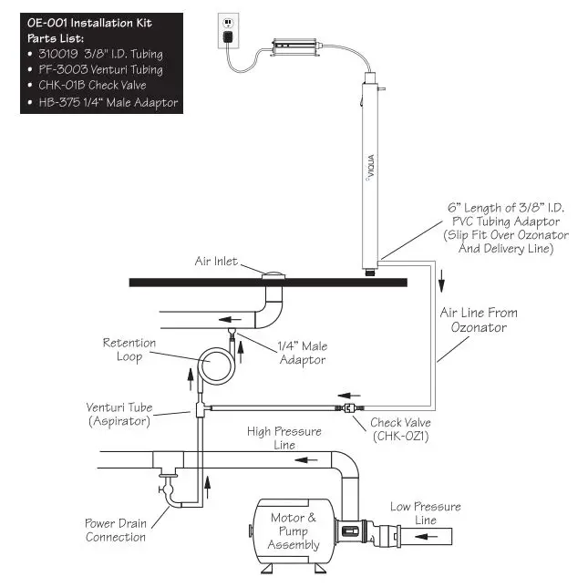
Pressure Differential System for Ozone Eduction System Part Number OE-001
Recommended for most spa installations. This simple pre-assembled system utilizes a combination of pressure differential, venturi and the spas existing air induction piping, offering the most efficient and economical ozone mixing and distribution, virtually eliminating any gas off. Please note in the illustration below that water from the high pressure side of the pump is forced through an aspirator or venturi which causes air suction. This air suction pulls ozone in from the ozone generator thereby mixing the ozone and water at the aspirator where injection takes place. Then the mixed ozone and water travels through a 3/8” tube to the spas air induction line.On the way back to the air line the ozone and water is retained in a loop in the 3/8” line to cause thorough mixing and ozone absorption in the water prior to injection into the spas air line. Reduce the water level until it is below the air induction line (if necessary) to avoid water leakage when making the connections.
NOTE: ozone may cause rubber seals in the system to degenerate. These parts should be replaced with “Viton” or other material resistant to ozone.
Your spa may have come equipped with a 1/4” NPT threaded inlet on the air line, if not you may be required to drill and tapa 1/4” NPT hole to install the 1/4” NPT to barbed adaptor that comes with the OE-001 kit. The location for the ozone injection point will be decided by where you choose to place the adapter. Normally the placement of the adaptor will allow the ozone to flow through only one side of the tub. If possible, choose the air line with the most attached jets to take full advantage of the injection points. If drilling, place the adaptor downstream of the air vent controls. Your spa may have also come supplied with a garden hose threaded tap on the HIGH PRESSURE SIDE of the pump, which is commonly referred to as a power drain. If your spa has no power drain, then the optional saddle clamp must be installed on the HIGH PRESSURE side of the pump as close to the pump as possible. If you are not sure which is the high pressure side, be sure to contact your dealer to avoid any irreversible drilling. After you have located or installed the barbed adaptor on the air line and the adaptor on the water line, simply hook up the eduction system as the diagram illustrates. Make sure all the connections are sealed so no leaking will occur.
After all the water connections have been made you must choose a location for your ozonator. If you are locating the ozonator below the water level an approved check valve (model #CHK-01B) must be used on the ozone induction air line from the ozonator and the unit be hooked into an approved ground fault protected electrical supply. After the system is totally installed, re-fill the tub. When tub level is correct, thoroughly inspect the system for leaks. If your spa was equipped with a power drain, remember you must turn on the tap to allow water to pump through the system. If no leaks are found turn the power on to the tub and open the jet that has the ozonated water connected to it and re-check for leaks. When the unit is on high speed you should be able to detect suction at the inlet on the ozonator. If it can’t be detected, take the air line off at the venturi to check the air draw into the venturi at high speed. At low speed the air draw will be dramatically reduced, don’t be alarmed, there should only be a slight air draw at low speed. The retention loop has been incorporated to keep the ozone in contact with the water prior to induction into the spa. This will cause excellent ozone absorption and mixing. If you have a dominant ozone smell on high speed you simply need to increase the number of loops with an optional connector until the ozone smell is almost eliminated. You should smell a slight hint of ozone at the jet that is introducing the ozone. If you have no smell at all, simply cut the loop number back until you do smell a hint of ozone at high speed. ozone has a distinct fresh or pungent odour.
Water Venturi System for Pools and Some Large Spas (Not Included or Sold by Viqua)
A venturi draws air by forcing a set amount (or flow rate) of water through a pipe that gradually reduces in size and at the smallest point in the pipe the venturi action (or air suction) is created. A venturi or venturi system (Refer Figure 3) must be selected to match the pump flow. Install the venturi on the discharge side of the pump and after the filter. On large systems, the venturi may create an unacceptable pressure drop, if so, a by-pass ball valve or spring loaded check valve can be installed. To increase the draw with a venturi system that incorporates a ball valve, simply adjust, or slowly close the ball valve. This will create a back pressure in the bottom pipe (Refer Figure 3) which will force water up to and through the venturi, thereby increasing draw (or suction). A spring loaded by-pass check valve is suggested for two speed pump systems (usually used on spas) to provide an automatic flow adjustment. It is recommended to install a venturi system (e.g. Mazzei injector) with a flow rating of 20 gpm for 1″ pipework and 60 gpm for 1.5″ pipework with a 5 psi pressure drop. A ball valve by-pass is required for flows over the rated flow of the venturi. A ball valve by-pass venturi system (Refer Figure 3) is recommended for any pool installation, to offer a full range of adjustability.
Examples of Venturi Installations
Maintenance
WARNING
- Always disconnect power before performing any work on the UV system.
- Always shut-off water flow and release water pressure before servicing.
- Regularly inspect your UV system to ensure that the power indicators are on and no alarms are present.
- Replace the UV lamp annually (or biennially if seasonal home use) to ensure maximum performance.
- Always drain the chamber when closing a seasonal home or leaving the unit in an area subject to freezing temperatures.
Regularly inspect your ozone generator unit to ensure that the lamp is still working.
The ultraviolet output of the UV lamp gradually reduces with usage. However, there is a wide variation in the actual amount of ozone required because of differences in the volume of water and the number of people using the hot tub or spa. The condition of the water is a reasonable indicator to tell when a new lamp or maintenance is needed. A large increase in the amount of treatment chemical or a change in the water color or scum on the inside of the tub are all indications that more ozone is required. As dust on the lamp will also reduce output, the lamp should be cleaned first to verify that the lamp needs to be replaced (Refer Section 4.1). As a general guide, lamp replacement is suggested after 12 to 18 months of continuous operation.The ozone generator should be on whenever the pump is operating. ozone generation requires a continuous air supply through the cell. The air suction can be produced in various ways, as discussed earlier in the installation section. Although the UV lamp may be left on without the pump operating, there would be no appreciable ozone generation since there would be no air flow in the cell. If the pump is to be off for an extended period of time, the ozone generator should also be shut off. Unlike filters where the amount of water passed through determines the life expectancy, UV ozone generators are effected by the number of hours the lamp burns. Frequent switching off and on can also reduce lamp and ballast life. If your spa experiences heavy bather loads the ozonator jets should be left on high speed for 2 to 5 minutes after use with the spa cover closed, this will increase the amount of injected with the spa cover closed, this will increase the amount of injected ozone thereby reducing the organic load. However, if the water gets very cloudy the organic load may be past the ozonator threshold and you may need to shock after use with a concentrated chemical. If a concentrated shock is even necessary, one treatment will normally suffice.
Ozone Lamp Cleaning/Replacement
NOTICE:Disconnect the ozone unit power cord from the electrical outlet before replacement of UV lamp.
Remove the cable tie from the rubber boot which secures the UV lamp into the stainless steel reactor chamber. Carefully pull the rubber boot back from the gland nut to expose the UV lamp electrical connection. Disconnect the lamp connector from the UV lamp. Loosen and remove the gland nut which secures the UV lamp into the stainless steel reactor chamber by turning the knurled nut counter-clockwise. Carefully remove the o-ring from the end of the lamp (note that it may be stuck to the lamp) and carefully remove the UV lamp from the stainless steel reactor chamber.
Note: Lamp Cleaning Carefully clean the lamp with a clean, lint free wiper dampened with vinegar. New lamps should also be wiped clean to remove dust. Do not handle the UV lamp with bare hands to avoid leaving oil and grease contaminants on the lamp.
Installing UV lamp
Carefully insert the lamp into the reactor chamber. Install the o-rings onto the UV lamp. Wet o-ring first if necessary to help it slide onto the UV lamp. Install the gland nuts onto the reactor chamber and tighten the gland nut to secure the UV lamp by turning clock wise until tight. Do not over tighten. Connect the Lamp connector to the UV lamp. Apply power briefly to ensure UV lamp illuminates. Slide rubber boot over lamp connector and secure in place with cable tie.
Lamp Start Up
Plug the ballast power cable into the electrical outlet to check for proper operation. A blue light will be evident at the ports and the display screen on the controller should be illuminated. Do not look directly into the ports. Since ozone is such a powerful oxidizer, proper maintenance of the filtration equipment is essential. The filter cartridges will become “dirty” much more rapidly than the same system operating without an ozone generator. It is a good idea to have an extra filter cartridge on hand so that one may thoroughly clean the “dirty” cartridge. We recommend using TSP (trisodium phosphate) in conjunction with cold water and allowing the cartridge to soak overnight. Thoroughly rinse the cartridge and reinstall so that all seals or gaskets are seated properly.
Operation
BA-ICE-SO Controller Features
Troubleshooting Guide
Lamp Life Remaining (days)
The controller tracks the number of days of operation of the lamp and the controller. The default screen will display the total lamp life remaining (in days). The controller will count down the number of days remaining until the lamp requires changing (365 days to 1 day). At “0” days, the controller will display on the display and supply an intermittent audible chirp (1 second on, 5 seconds off), indicating the need to change the lamp.
Understanding your “A3” Code
DEFERRAL – Once the “A3” or end of lamp life message is shown on the LED screen, the audible alarm can be deferred up to 4 separate times. The delay is designed to allow you time to address the alarm while you obtain a new UV lamp. This can be done by simply depressing the timer reset button for 5 seconds, which is located on the left side of the controller. Each time the timer reset button is pressed the controller alarm is deferred seven days. Once the final 7 day deferral has been reached the alarm can only be silenced by changing the UV lamp and manually resetting the controller timer, refer to Section 5.1.3.
Resetting Lamp Life
Hold down the timer reset button and reapply power to the controller until you see
, then release timer reset button. A 5 second delay will occur until you hear an audible tone and LED display will read once again
.
Note: Even though the alarm on the system can be deferred for a period of time, it is important to address each and every alarm condition as they are indicating that there is a potential problem with the system and should be remedied.
Total Days of Operation
The controller also displays the total running time of the controller. To obtain this reading, press the push-button once. The total running time of the controller will be numerically displayed in days. This information will remain displayed for ten seconds and will then revert back to the lamp life remaining default screen. It should be noted that this value cannot be reset.
Lamp Failure (Blank Screen)
When the system recognizes LAMP FAILURE (no current running through the lamp), the 4-segment display will be blank
(no default LAMP LIFE REMAINING screen) and the system will supply an intermittent audible tone (1 second on,1 second off). The system will remain in this state, until this condition is remedied.
Troubleshooting Guide
| Problem | Possible Causes | Solution |
| Mechanical | ||
| Ozone lamp is not lit | No power to unit | Check power source |
| Defective lamp | Replace lamp | |
| Improper lamp connection | Check lamp connection | |
| Defective ballast | Replace ballast | |
| Problem | Possible Causes | Solution |
| Ozone lamp is lit, no evidence of ozone in the pool/spa | Incorrect venturi alignment | Make sure water flows in the direction of the arrow located on venturi |
| Defective/plugged venturi | Replace/clear debris from venturi | |
| Cracked/plugged tubing | Repair/replace any defective tubing | |
| Incorrect check valve positioning | Check to see if air flows away from generator | |
| No suction to unit |
| |
| Lamp is beyond its effective life | Replace lamp | |
| Lamp is dirty | Clean ozone lamp | |
| Strong ozone smell in immediate area of generator | Retaining nuts not sealing properly | Check o-ring for debris or abrasions and re-install |
| Incorrect tubing connection on outlet side of generator | Ensure proper connection is made | |
| Alarm is sounding (audible alarm units only) | Ozone lamp is spent | Replace lamp |
| Improper lamp connections | Ensure proper power connection is made | |
| Defective ballast or circuit board | Please contact authorized distributor | |
| Water Chemistry | ||
| Cloudy water | Total dissolved solids and particulates level is too high | Clean or replace filter, drain and replace water |
| Incorrect pH levels | Adjust pH to be between 7.4 – 7.6 | |
| Green water | Excessive algae build-up | Shock water |
| DISPLAY FAULT MODES | |
| LED display reads “A3” |
|
| LED display is blank |
|
Specifications: Standard and Validated
| Model | S2Q-OZ | S8Q-OZ | |
| Dimensions | Chamber | 43.2 cm x 6.4 cm (17” x 2.5”) | 90 cm x 6.4 cm (35” x 2.5”) |
| Controller 100-250 VAC | 18.6 cm x 8.1 cm x 6.4 cm (7.3” x 3.2” x 2.5”) | 18.6 cm x 8.1 cm x 6.4 cm (7.3” x 3.2” x 2.5”) | |
| Inlet/Outlet Port Size | 3/8” Tube | 3/8” Tube | |
| Shipping Weight | 2.7 kg (6 lbs) | 4.5 kg (10 lbs) | |
| Electrical | Voltage1 | 100-240 V / 50/60 Hz | 100-240 V / 50/60 Hz |
| Max. Current | 0.6 A | 0.6 A | |
| Power Consumption | 22 W | 46 W | |
| UV lamp Watts | 17 W | 37 W | |
| UV Lamp Type | Sterilume™-EX 185NM | Sterilume™-EX 185NM | |
| UV Chamber Material | 304 SS | 304 SS | |
| |||
Manufacturer’s Warranty
Our Commitment
VIQUA is committed to ensuring your experience with our products and organization exceeds your expectations. We have manufactured your UV system to the highest quality standards and value you as our customer. Should you need any support, or have questions about your system, please contact our Technical Support team at 1.800.265.7246 or [email protected] and we will be happy to assist you.
How to Make a Warranty Claim
Note: To maximise the performance and reliability of your VIQUA product, the system must be properly sized, installed and maintained. Guidance on the necessary water quality parameters and maintenance requirements can be found in your Owner’s Manual.
In the event that repair or replacement of parts covered by this warranty are required, the process will be handled by your dealer. If you are unsure whether an equipment problem or failure is covered by warranty, contact our Technical Support team at 1.800.265.7246 or e-mail [email protected]. Our fully trained technicians will help you troubleshoot the problem and identify a solution. Please have available the model number (system type), the date of purchase, the name of the dealer from whom you purchased your VIQUA product (“the source dealer”), as well as a description of the problem you are experiencing To establish proof of purchase when making a warranty claim, you will either need your original invoice, or have previously completed and returned your product registration card via mail or online.
Specific Warranty Coverage
Warranty coverage is specific to the VIQUA range of products. Warranty coverage is subject to the conditions and limitations outlined under “General Conditions and Limitations”.
Ten-Year Limited Warranty for VIQUA UV Chamber
VIQUA warrants the UV chamber on the VIQUA product to be free from defects in material and workmanship for a period of ten (10) years from the date of purchase. During this time, VIQUA will repair or replace, at its option, any defective VIQUA UV chamber. Please return the defective part to your dealer who will process your claim.
Three-Year Limited Warranty for Electrical and Hardware Components
VIQUA warrants the electrical (power supply) and hardware components to be free from defects in material and workmanship for a period of three (3) years from the date of purchase. During this time, VIQUA will repair or replace, at its option, any defective parts covered by the warranty. Please return the defective part to your dealer who will process your claim.
One-Year Limited Warranty for Lamps, Sleeves, and UV Sensors
VIQUA warrants lamps, sleeves, and UV sensors to be free from defects in material and workmanship for a period of one (1) year from the date of purchase. During this time, VIQUA will repair or replace, at its option, any defective parts covered by the warranty.Your dealer will process your claim and advise whether the defective item needs to be returned for failure analysis.
Note: Use only genuine VIQUA replacement lamps and sleeves in your system. Failure to do so may seriously compromise the performance and affect warranty coverage.
General Conditions and Limitations
- None of the above warranties cover damage caused by improper use or maintenance, accidents, acts of God or minor scratches or imperfections that do not materially impair the operation of the product. The warranties also do not cover products that are not installed as outlined in the applicable Owner’s Manual.
- Parts repaired or replaced under these warranties will be covered under warranty up to the end of the warranty period applicable to the original part.
- The above warranties do not include the cost of shipping and handling of returned items
- The limited warranties described above are the only warranties applicable to the VIQUA range of products. These limited warranties outline the exclusive remedy for all claims based on a failure of or defect in any of these products, whether the claim is based on contract, tort (including negligence), strict liability or otherwise. These warranties are in lieu of all other warranties whether written, oral, implied or statutory. Without limitation, no warranty of merchantability or of fitness for a particular purpose shall apply to any of these products.
- VIQUA does not assume any liability for personal injury or property damage caused by the use or misuse of any of the above products. VIQUA shall not in any event be liable for special, incidental, indirect or consequential damages. VIQUA’s liability shall, in all instances, be limited to repair or replacement of the defective product or part and this liability will terminate upon expiration of the applicable warranty period.
Address:425 Clair Rd. W, Guelph, Ontario, Canada N1L 1R1
Tel: (+1) 519.763.1032 , (+1) 800.265.7246 (US and Canada only) , (+31) 73 747 0144 (Europe only) (+1) 519.763.5069
e-mail: [email protected] , www.viqua.com


































