VIQUA PRO10 Pro UV Filter System
Congratulations on the purchase of your ultraviolet (UV) water system!
This system uses the most advanced UV technology on the market and is designed to provide you with years of trouble free operation with minimal maintenance. To ensure ongoing optimal operation, UV lamps need to be replaced annually with VIQUA factory-supplied replacements. VIQUA lamps are the result of extensive development resulting in a highly efficient platform with extremely stable UV output over the entire 9000 hour lifetime. Its success has led to a proliferation of non-genuine copies in the market. The UV lamp is the heart of the UV system, and there should be no compromise when it’s time for a replacement.
Why should you insist on genuine factory supplied VIQUA replacement lamps?
- Use of widely available, non-genuine, replacement lamps has been shown to damage the control module of VIQUA UV equipment.
- An increasing number of calls to VIQUA Technical Support are connected with nongenuine lamps being used (unknowingly) as replacements.
- Damage arising from the use of non-genuine lamps poses a safety risk and is not covered by equipment warranty.
- Unless the UV equipment is equipped with a UV sensor (monitor), it is not possible to
verify the UV (invisible) output of replacement lamps. - Similar appearance to the original lamp and the presence of (visible) blue light does not mean equivalent performance.
- VIQUA replacement lamps undergo rigorous performance testing and strict quality control processes to ensure that the safety and performance certifications of the original equipment are not compromised. So, you can see that it’s simply not worth the risk! Insist on genuine VIQUA replacement lamps.
Safety Information
- These are the original instructions.Please read this entire manual before operating this equipment. Pay attention to all
- danger, warning, and caution statements in this manual. Failure to do so could result in serious personal injury or damage to the equipment.
- Make sure that the protection provided by this equipment is not impaired. DO NOT use or install this equipment in any manner other than that specified in the installation manual
Potential Hazards:
D A N G E R
- Electric Shock: To avoid possible electric shock, special care should be taken since water is present near the electrical equipment. Unless a situation is encountered that is explicitly addressed by the provided maintenance and troubleshooting sections, DO NOT attempt repairs yourself, refer to an authorized service facility.
- GROUNDING: This product must be grounded. If it should malfunction or breakdown, grounding provides a path of least resistance for electric current to reduce the risk of electrical shock. This system is equipped with a cord having an equipment-grounding conductor and a grounding plug. The plug must be plugged into an appropriate outlet that is properly installed and grounded in accordance with all local codes and ordinances. Improper connection of the equipment-grounding conductor can result in a risk of electrocution. Check with a qualified electrician or service personnel if you are in doubt as to whether the outlet is properly grounded. DO NOT modify the plug provided with this system – if it does not fit in the outlet, have a proper outlet installed by a qualified electrician. DO NOT use any type of adapter with this system.
- GROUND FAULT CIRCUIT INTERRUPTER PROTECTION: To comply with the National Electrical Code (NFPA 70) and to provide additional protection from the risk of electric shock, this system should only be connected to a properly grounded, grounding-type controller receptacle that is protected by a Ground Fault Circuit Interrupter (GFCI) or to a residual current device (RCD) having a rated residual operating current not exceeding 30 mA. Inspect operation of GFCI as per manufacturer’s suggested maintenance schedule.
- DO NOT operate the UV system if it has a damaged cord or plug, if it is malfunctioning or if it has been dropped or damaged in any manner.
- DO NOT use this UV system for other than intended use (potable water applications). The use of attachments not recommended or sold by the manufacturer / distributor may cause an unsafe condition.
- DO NOT install this UV system where it will be exposed to the weather or to temperatures below freezing.
- DO NOT store this UV system where it will be exposed to the weather.
- DO NOT store this UV system where it will be exposed to temperatures below freezing unless all water has been drained from it and the water supply has been disconnected.
N O T I C E
- The H, K, H+, and K+ UV systems inactivates Cryptosporidium, Giardia, Escherichia coli (E. Coli) and Fecal Coliform.
- The PRO10, PRO20, and PRO30 UV systems inactivate Escherichia coli (E. coli), Fecal Coliform, Cryptosporidium, Giardia, and Rotavirus.
- The Pro 50 UV system is validated through microbial testing. Through this testing, performance data has been generated for UV dose delivery to inactivate Cryptosporidium & Giardia.
- The UV lamp inside the UV system is rated at an effective life of approximately 18000 hours. To ensure continuous protection, replace the UV lamp once in two years.
- The UV system is not to be used or played with by children. Persons with reduced physical, sensory or mental capabilities, or lack of experience and knowledge, are also not to handle the UV system unless they have been given supervision or instruction.
- This system is intended to be permanently connected to the water lines.
- This system is not intended to be used in or above water or outdoors or used in swimming pools when persons are in the pool.
- EXTENSION CORDS: If an extension cord is necessary, use only 3-wire extension cords that have 3-prong grounding-type plugs and 3-pole cord connectors that accept the plug from this system. Use only extension cords that are intended for outdoor use. Use only extension cords having an electrical rating not less than the rating of the system. A cord rated for less amperes or watts than this system rating may overheat. Exercise caution when arranging the cord so that it will not be tripped over or pulled. DO NOT use damaged extension cords. Examine extension cord before using and replace if damaged. DO NOT abuse extension cord. Keep extension cord away from heat and sharp edges. Always disconnect the extension cord from the receptacle before disconnecting this system from the extension cord. Never yank cord to pull plug from outlet. Always grasp the plug and pull to disconnect.
- If the supply cord is damaged, it must be replaced by a special cord or assembly available from the manufacturer or its service agent.
- If this system is used for the treatment of untreated surface waters or ground water under the direct influence of surface water, a device found to
be in conformance for cyst reduction under the appropriate NSF/ANSI Standard shall be installed upstream of the system. - SYSTEM PROTECTION: To protect your Controller, a UL1449 certified (or equivalent) transient voltage surge suppressor is strongly recommended.
- The UV lamp in this system conforms to the applicable provisions of the Code of Federal Regulations (CFR) requirements including, Title 21, Chapter 1, Subchapter J, Radiological Health.
- Read and understand the Owner’s Manual before operating and performing any maintenance on this equipment.
- The Class A systems conforms to NSF/ANSI 55 for the disinfection of microbiologically contaminated water that meets all other public health standards. The system is not intended to convert wastewater or raw sewage to drinking water. The system is intended to be installed on visually clear water.
- NSF/ANSI 55 defines wastewater to include human or animal body waste, toilet paper, and any other material intended to be deposited in a receptacle designed to receive urine and feces black waste), and other waste materials deposited in plumbing fixtures (greywaste).
Water Chemistry
Water quality is extremely important for the optimum performance of your UV system. The following levels are recommended for installation
| Water Quality and Minerals | Level |
| Iron | < 0.3 ppm (0.3 mg/L) |
| Hardness* | < 7 gpg (120 mg/L) |
| Turbidity | < 1 NTU |
| Manganese | < 0.05 ppm (0.05 mg/L) |
| Tannins | < 0.1 ppm (0.1 mg/L) |
| UV Transmittance | > 75% (call factory for recommendations on applications where UVT < 75%) |
General Information
| Item | Description | Part Number | UV Systems |
|
1 |
Controller | 650709-003 | PRO10 |
| 650709-006 | PRO20 | ||
| 650709-009 | PRO30 | ||
| 660020-R | PRO50 | ||
| 650709-005 | H+ | ||
| 660019-R | K+ | ||
| 650709-004 | H | ||
| 660018-R | K | ||
| 2 | Top Bolt and Wireform | 602916 & 602896 | Used for all systems |
| 3 | Lamp | 602854 | PRO10 |
| 602855 | PRO20, H+, H | ||
| 602856 | PRO30/50, K+, K | ||
| 4 | Sleeve | 602974 | PRO10 |
| 602975 | PRO20, H+, H | ||
| 602976 | PRO30/50, K+, K | ||
| 5 | CoolTouch Fan | 650630 | Used for all systems |
| 6 | Chamber | – | Used for all systems |
| 7 | O-ring | 002233 | Used for all systems |
| 8 | Bottom bolt (includes screw) | 603053 | Used for all systems |
| 9 | Sleeve Removal Tool | 602988 | Used for all systems |
| 10 | Flow Meter Sensor (PRO models only) | 410982R-10 | PRO10 |
| 410982R-20 | PRO20 | ||
| 410982R-30 | PRO30 | ||
| 11 | Sensor | 650580 | PRO and Plus models |
| 12 | Plug | – | Basic models |
| 13 | Power cord | 602636 | 110V – Used for all systems |
| 602637 | 220V – Used for all systems | ||
| 14 | Lamp cord | – | Used for all systems |
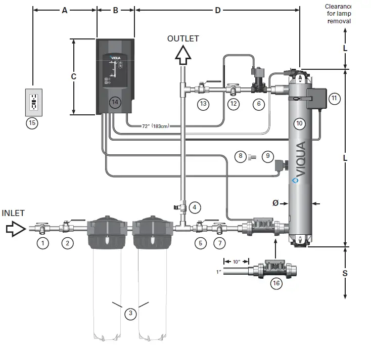
Dimensions and Layout
| Item | Description | Function |
| 1 | Sample Valve | Allows for sampling of raw water. |
| 2 | Shut-off Valve | Allows for ease of maintenance of pre-treatment equipment. |
| 3 | Pre-Treatment | Pre-treatment allows the UV system to operate effectively. The water should meet certain water quality parameters before entering UV System. |
| 4 | Bypass shut-off valve: | Bypass line and valve are optional. Intended to provide emergency water supply in the event that the UV system is unavailable. |
| 5 | Shut-off valve | Required to allow maintenance of UV system. |
|
6 |
Solenoid valve | Allows water supply to be shut-off when proper performance cannot be assured. Note: If the ground from your electrical panel is tied to your copper water lines, and you are using a Plastic Body solenoid valve, installation of an approved ground strap is required. This ground strap will maintain continuity between the lines that have been cut to install the solenoid. Check your local electrical code for the correct clamp and cable size. |
| 7 | Sample valve | Allows for sampling of water entering UV chamber; necessary in order to confirm water being treated is of adequate quality. |
| 8 | Plug | A stopper provided and installed on Basic models. |
| 9 | Sensor | Monitors UV output to ensure proper dose (UV exposure) is being provided. |
| 10 | UV chamber | MUST BE INSTALLED VERTICALLY. |
| 11 | CoolTouch™ fan | Removes excess heat from water in chamber during periods without water flow. |
| 12 | Sample valve | Allows for sampling of water. Necessary in order to confirm proper operation of UV system. |
| 13 | Shut-off valve | Allows maintenance of UV system. |
| 14 | Controller | Powers and controls the UV lamp and other devices. Provides human interface, displaying information and allowing control inputs (such as muting the audible alarm). |
| 15 | Power source | Provides power to the controller. For safety reasons the outlet must be protected by a Ground Fault Circuit Interrupter (GFCI). Note: To protect the controller, a UL1449 certified (or equivalent) transient voltage surge suppressor is required. |
| 16 | Flow Sensor | Monitors flow to provide real time dose (UV exposure) Flow Meter Sensor must be installed in this orientation with the LED facing up. (PRO10, PRO20, PRO30 only) |
| Item | L | S (minimum) | O | A (maximum) | B | C | D |
| PRO10 | 21.4” (55 cm) | 12” (30 cm) | 4” (10 cm) | 72” (182 cm) | 6.5” (16.5 cm) | 13” (33 cm) | 48” (122 cm) |
| PRO20, H+, H | 31″ (78 cm) | 12” (30 cm) | 4” (10 cm) | 72” (182 cm) | 6.5” (16.5 cm) | 13” (33 cm) | 48” (122 cm) |
| PRO30 | 41″ (103 cm) | 12” (30 cm) | 4” (10 cm) | 72” (182 cm) | 6.5” (16.5 cm) | 13” (33 cm) | 48” (122 cm) |
| PRO50, K+, K | 41″ (103 cm) | 12” (30 cm) | 4” (10 cm) | 72” (182 cm) | 6.5” (16.5 cm) | 13” (33 cm) | 48” (122 cm) |
Pipe Lengths
Installation
Prerequisites:
• Determine appropriate indoor location of the controller and chamber, refer to Section 2.1.
• Make sure that the controller is installed higher than the chamber and away from all water sources.
• Ensure adequate clearance above chamber to allow for removal of the lamp and sleeve.
• Make sure to turn off the main water supply.
• Make all necessary plumbing connections refer to Section 2.1
Procedure:
- Install the UV Chamber vertically with the following spacing on the wall using screws.
- PRO10: 18.5″
- H, PRO20: 27.5″
- K, PRO30/50: 37.5″ Note: Ensure chamber is installed with green arrows pointing upwards
- Connect Flow Meter Sensor (PRO10,20,30 models only) to chamber using 1¼” unions supplied. Note: LED must face up. Ensure proper length of straight pipe 1.0″ Diameter at inlet side of Flow Meter Sensor and use a 1¼” to 1″ Reducing Coupler (not supplied).
- Install the sensor to the UV system (for PRO models only). Note: DO NOT use wrench to tighten the sensor.
- Connect the sleeve bolt at the bottom of the sleeve assembly. Ensure sleeve bolt is rotated full 1/4 turn until positive stop.
- Insert sleeve with arrow pointing up. Note: DO NOT rotate sleeve and touch glass with bare hands.
- Wet O-ring with water then place over top end of sleeve
- Connect the sleeve bolt to the top of the sleeve assembly. Ensure sleeve bolt is rotated full 1/4 turn until positive stop.
- Remove the sleeve bolt at the bottom of the sleeve assembly.

- Wet O-ring with water then place over bottom end of sleeve.
- Reconnect the sleeve bolt and install screw.
- Install and rotate the lamp into the sleeve assembly. Ensure to rotate the lamp completely. Note: Do not touch glass with bare hands.
- Install the controller unit to the wall. Ensure that the controller is installed higher than the chamber and away from all water sources
- Connect UV sensor into blue jack (For PRO and Plus models only).
- Connect Flow meter sensor into green jack (For PRO10, 20, 30 only).
- Connect CoolTouch™ faninto either receptacle.
- Install lamp harness onto chamber. Notes: 1) Ensure lamp harness ground is inserted into chamber ground terminal. Ensure magnet on top of chamber aligns with proximity sensor on lamp harness.
- Lock wire form into position.
- Connect controller to power outlet. Note: Lamp ignition may take up to 25 seconds.
- Allow water flow to one faucet or other water outlet, then close the outlet and inspect for leaks. Note: Outlet must be protected by a Ground Fault Circuit Interrupter (GFCI).

- Allow water flow to one faucet or other water outlet, then close the outlet and inspect for leaks. Note: Outlet must be protected by a Ground Fault Circuit Interrupter (GFCI).
3.2 Cleaning Procedure
It is imperative that the entire distribution system located after the UV be chemically cleaned to ensure that the plumbing system is free from any contaminants. The cleaning process must be performed immediately after the UV unit is installed and repeated thereafter whenever the UV is shut down for service, without power, or inoperative for any reason. The procedure for cleaning the plumbing system is readily accomplished as follows:
- Disconnect the controller then disconnect the UV sensor from blue jack.
- Reconnect the controller with out UV sensor.
- Shut off the water supply.
- Open an upstream faucet to release line pressure
- Press the pressure button to release the pressure from the cartridges.
- Remove filter housing(s) using sump wrench.
- Remove cartridge(s) and pour 2 cups of household bleach solution into the filter housing(s). Note: DO NOT use Hydrogen Peroxide.
- Connect only the filter housing(s) to the unit.
- Open each faucets and turn on water supply.
- Allow water to fill the chamber.
- Turn on the cold water supply followed by hot water (if available) until you smell the bleach.
- Close all faucets and allow bleach to settle in the water lines for 30 minutes

- Close all faucets and allow bleach to settle in the water lines for 30 minutes
- With all faucets closed, remove filter housing(s) using sump wrench
- Reinstall the cartridge(s) into filter housing(s) and connect to the unit.
- Flush all water outlets until bleach can no longer be smelled (at least 5 minutes).
- Press the pressure button to purge air and to complete the cleaning procedure.
- Disconnect the controller then connect the UV sensor from blue jack.
- Reconnect the controller.

- Reconnect the controller.
Maintenance
- Always disconnect power before performing any work on the UV system.
- Always shut-off water flow and release water pressure before servicing.
- Regularly inspect your UV system to ensure that the power indicators are on and no alarms are present.
- Replace the UV lamp biennially to ensure maximum performance.
- Always drain the chamber when closing a seasonal home or leaving the unit in an area subject to freezing temperatures.
Replacing UV Lamp
- Close all faucets and water supply.
- Press the pressure button to release the pressure from the cartridges
- Disconnect main power source and allow the unit to power down for 10 minutes.
- Drain the water from the UV system.
- Close the water inlet after the water is drained
- Pinch wire form to release the lamp connector
- Remove the lamp connector Rotate and remove the UV lamp from the sleeve
- Install and rotate the lamp into the sleeve assembly. Ensure to rotate the lamp completely. Note: Do not touch glass with bare hands.
- Reinstall the lamp connector
- Remove the UV sensor from the unit.
- Submerge the end of the sensor in the commercial scale remover for 30 minutes.
- Clean the sensor with a cotton swab and spray with water.
- For Basic model skip to step

- 10 Lock the wire form into position.
- Restore Power.
- Press and hold the “New Lamp” button for 5 seconds till you hear a beep. Note: Lamp ignition may take up to 25 seconds
- Turn on the water supply.

Cleaning and Replacing Sleeve
- Remove the sleeve bolt from top of the sleeve assembly
- Remove screw from the sleeve bolt.
- Remove the sleeve bolt at the bottom of the sleeve assembly.
- Insert the sleeve removal tool into the bottom of the sleeve.
- Pry sleeve upward until it come loose.
- Place bucket under UV chamber, water will escape.

- Remove the sleeve.
- Remove O-ring from top of the sleeve.
- Remove O-ring from bottom of the chamber (it may fall during sleeve removal process).
- Clean the sleeve with a cloth soaked in CLR, vinegar or some other mild acid and then rinse with water. Note: If sleeve cannot be cleaned completely or it is scratched or cracked, then replace the sleeve.
- Connect the sleeve bolt at the bottom of the sleeve assembly.
- Connect the sleeve bolt at the bottom of the sleeve assembly.
- Reinstall the new lubricated O-rings over the top end of the sleeve
- Connect the sleeve bolt to the top of the sleeve assembly.
- Remove the sleeve bolt at the bottom of the sleeve assembly
- Reinstall the O-ring at the bottom of the sleeve

- Connect the sleeve bolt at the bottom.
- When service is complete, assemble the prerequisites in the reverse order of disassembly.

- Remove the sleeve bolt from top of the sleeve assembly
Fuse Replacement
The system comes equipped with two functioning 250V 3A fuses. To access the fuses, first unplug system and disconnect the power cord from the controller. Remove the fuse door by pushing in the tab on one side using a knife or other tool and gently prying outwards. Repeat on the other side.
- Disconnect the controller to the system.
- Replace the fuse. Caution: Double pole/Neutral fusing

Flow Meter Sensor Maintenance
Inspect Flow Meter Sensor periodically to ensure that there is no fouling and the paddle wheel spins freely with no resistance. If paddle wheel does not spin freely or is loose the sensor should be returned for service and calibration. It is recommended that the Flow Meter Sensor be returned for calibration every two years to ensure accurate system operation
Operation
Control Panel

| Buttons and Display | ||||
| Feature | Description | Function | ||
| A | Mute | Press to silence audible alarm. When the alarm is due to the lamp’s age, the mute button will silence the audible alarm for 7 days; this may be repeated up to a maximum of 4 times. After that, the button will silence for only 24 hours. When the alarm is due to any other issue, the mute button will silence the audible alarm for 24 hours. | ||
| B | New Lamp | After installing a new lamp, press and hold for five seconds to reset Lamp timer. | ||
| Indicator Lights | ||||
| LED | Green | Yellow | Flashing red | Solid red |
| 1 | Solenoid valve open (If equipped with solenoid) | Not applicable | Solenoid valve disconnected; reconnect. Solenoid coil damaged; replace coil (not entire solenoid). | Solenoid valve inactive (closed) due to failure of another component, in order to ensure safety of the water supply. |
| 2 | Operating normally Note: For Pro 10, 20, 30 Models, indicator will be flashing when system is in power savings mode. | Not applicable | Lamp connector not installed properly. Ensure lamp harness ground is inserted into chamber ground terminal. Controller failure, replace controller. | Controller inactive due to lamp or sensor failure. |
|
3 |
Operating normally |
Not applicable | Fan disconnected, reconnect. Fan turning slower than required; unplug system, clean blades using a Q-tip. Fan damaged, replace fan. |
Not applicable. |
|
4 | Operating normally Note: During the lamp warm up, the indicator will flash | Warning: Lamp will require replacement shortly | Lamp disconnected; remove power, reconnect lamp and connect the controller. Lamp failure, replace lamp. End of lamp reset required. Refer to Feature B in the above table. | Lamp inactive due to controller or sensor failure. |
|
5 | UV dose is adequate and sensor is operating normally (For Plus Models only) |
UV dose is near the minimum required | Sensor disconnected; unplug system, reconnect sensor and plug-in system again. Sensor failure. UV dose is below minimum required, see Low UV Alarm section. |
Sensor inactive due to lamp or controller failure. |
| 6* | Flow Meter operating normally | Not applicable | Flow meter sensor failure; service or replace sensor. | Low UV Alarm flow meter dose calculation not active. |
| * PRO10, PRO20, and PRO30 only | ||||
Troubleshooting
| Symptom | Possible Cause | Possible Solution |
|
No power | GFCI and/or breaker tripped | Reset GFCI and/or breaker |
| Controller fuse has blown | Replace controller fuse – see Fuse Replacement section (Refer Section 4.3). | |
| Transient voltage surge suppressor (TVSS) damaged | Replace TVSS | |
| Controller damaged | Replace controller and use a TVSS | |
| GFCI or breaker repeatedly trips | Connection between lamp and lamp plug is wet | Clean and dry lamp pins and lamp plug, check unit for leaks or condensation |
| Short-circuit in the electrical assembly | Replace controller | |
| Leak at inlet or outlet | Threaded pipe fittings are leaking | Clean threads, reseal with Teflon tape and retighten |
|
Leak detected from area of UV chamber | Condensation of moist air on cold chamber (slow accumulation) | Control humidity or relocate unit |
| O-ring damaged, deteriorated or incorrectly installed | Inspect and replace if deteriorated | |
| Lamp/sleeve assembly not properly installed (too tight or not tight enough) | Ensure nut is turned completely | |
| Alarm | Refer to Section 5.1. | Refer to Section 5.1. |
| System is operating but water tests reveal bacterial contamination | Equipment downstream of UV system is acting as a breeding ground for pathogens | Ensure UV is the last piece of equipment |
| Pathogens are residing in the distribution lines post-UV | Ensure all distribution lines have been disinfected with chlorine. Refer to Section 3.2. | |
| Recontamination from pipe dead-ends | Remove any pipe dead-ends and flush with chlorine. Refer to Section 3.2. | |
| Flow Meter Sensor red status LED | Detect Flow Sensor not detecting flow | Increase Flow rate through meter |
| Flow Meter Sensor not functioning | Flow Meter requires maintenance or replacement |
LOW UV ALARMS (PRO and Plus Series Only)
- In some cases, short-term flows of low ultraviolet transmittance (UVT) water can be created following and during the regeneration cycle of a water softener, resulting in a sensor alarm. Flushing the UV system alleviates this condition until the softener goes through another regeneration cycle. In the longer term, the softener’s settings must be modified. To flush the UV system, unplug the sensor, then open a tap downstream and let water run for two (2) minutes. Clean the water lines following the procedures outlined under “Cleaning The Water Lines” in the Installation section.
- Refer to Sleeve Cleaning And Lamp Replacement section of the Owner’s Manual.
- Contact your water treatment dealer to inquire about testing the UVT of your water
Specifications
| General (All Models) | |
| Operating Parameters | |
| Maximum operating pressure | 125 PSI (861 kPa) |
| Minimum operating pressure | 15 PSI (103 kPa) |
| Maximum ambient air temperature | 104 ºF (40 ºC) |
| Minimum ambient air temperature | 32 ºF (0 ºC) |
| Maximum humidity | 100% |
| Maximum hardness | 120 ppm (7 grains per gallon) |
| Maximum iron | 0.3 ppm |
| Minimum UVT | 75%* |
| Installation | Vertical ONLY |
| Others | |
| Chamber material | 316L SST |
| Rated service life of lamp | up to 2 years |
| * PRO50 has a minimum UVT rating of 85% | |
| Flow Rate1 | PRO10 | PRO20 | PRO30 | PRO50 | H, H+ | K, K+ |
| Rated flow for NSF Std 55, Class A | 10 gpm (38 lpm) (2.2 m3/hr) | 20 gpm (76 lpm) (4.5 m3/hr) | 30 gpm (113 lpm) (6.8 m3/hr) | – | – | – |
| Rated flow dose of 30 mJ/ cm2 @ 95% UVT | – | – | – | – | 45 gpm (170 lpm) (10 m3/hr) | 80 gpm (303 lpm) (18 m3/hr) |
| Rated flow dose of 40 mJ/ cm2 @ 95% UVT | – | – | – | – | 37 gpm (140 lpm) (8.4 m3/hr) | 60 gpm (226 lpm) (13.6 m3/hr) |
| Rated flow for USEPA UVDGM 2006 protocol | – | – | – | 50 gpm (189 lpm) (11.3 m3/hr) | – | – |
| Electrical | ||||||
| Voltage | 100V-240 V / 50Hz/60Hz | 100V-240 V / 50Hz/60Hz | 100V-240 V / 50Hz/60Hz | 100V-240 V / 50Hz/60Hz | 100V-240 V / 50Hz/60Hz | 100V-240 V / 50Hz/60Hz |
| Max. current | 2.5 A | 2.5 A | 2.5 A | 2.5 A | 2.5 A | 2.5 A |
| Max. power consumption | 120 Watts | 160 Watts | 230 Watts | 230 Watts | 160 Watts | 230 Watts |
| Lamp power consumption | 100 Watts | 140 Watts | 200 Watts | 200 Watts | 140 Watts | 200 Watts |
| Port Size | ||||||
| Inlet and outlet | Combo 1¼” NPT, 1″ FNPT | Combo 1¼” NPT, 1″ FNPT | Combo 1¼” NPT, 1″ FNPT | 2“ MNPT | Combo 1¼” NPT, 1″ FNPT | 2“ MNPT |
| PRO Series | Plus Series | Basic Series | |
| Sensor | Yes | Yes | No |
| CoolTouch fan | Yes | Yes | Yes |
| Dynamic flow restrictor (PRO10, 20, 30 models only) | Yes | No | No |
| Communications ports (two, RJ45) | Yes | Yes | Yes |
| COMMcenter control package | Optional | Optional | Optional |
| Solenoid valve | Optional | Optional | Optional |
| Flow Meter Sensor (PRO10, 20, 30 Models only) | Yes | No | No |
| Controls | |||
| Audible alarm mute button | Yes | Yes | Yes |
| New lamp button | Yes | Yes | Yes |
| Lamp age indicator | Yes | Yes | Yes |
| Lamp operation indicator | Yes | Yes | Yes |
| Controller operation indicator | Yes | Yes | Yes |
| Solenoid operation indicator | Yes | Yes | Yes |
| Fan operation indicator | Yes | Yes | Yes |
| Sensor reading indicator | Yes | Yes | No |
| NSF/ANSI certification (PRO10, 20, 30 models only) | Standard 55 Class A | No | No |
| USEPA UVDGM 2006 (PRO50 model only) | Yes | No | No |
| Other Certifications |
|
|
|
Manufacturer’s Warranty
Our Commitment VIQUA is committed to ensuring your experience with our products and organization exceeds your expectations. We have manufactured your UV system to the highest quality standards and value you as our customer. Should you need any support, or have questions about your system, please contact our Technical Support team at 1.800.265.7246 or [email protected] and we will be happy to assist you.
How to Make a Warranty Claim
Note: To maximise the performance and reliability of your VIQUA product, the system must be properly sized, installed and maintained. Guidance on the necessary water quality parameters and maintenance requirements can be found in your Owner’s Manual. In the event that repair or replacement of parts covered by this warranty are required, the process will be handled by your dealer. If you are unsure whether an equipment problem or failure is covered by warranty, contact our Technical Support team at 1.800.265.7246 or e-mail [email protected]. Our fully trained technicians will help you troubleshoot the problem and identify a solution. Please have available the model number (system type), the date of purchase, the name of the dealer from whom you purchased your VIQUA product (“the source dealer”), as well as a description of the problem you are experiencing. To establish proof of purchase when making a warranty claim, you will either need your original invoice, or have previously completed and returned your product registration card via mail or online.
Specific Warranty Coverage
Warranty coverage is specific to the VIQUA range of products. Warranty coverage is subject to the conditions and limitations outlined under “General Conditions and Limitations”.
Ten-Year Limited Warranty for VIQUA UV Chamber
VIQUA warrants the UV chamber on the VIQUA product to be free from defects in material and workmanship for a period of ten (10) years from the date of purchase. During this time, VIQUA will repair or replace, at its option, any defective VIQUA UV chamber. Please return the defective part to your dealer who will process your claim.
Five-Year Limited Warranty for Electrical and Hardware Components
VIQUA warrants the electrical (controller) and hardware components to be free from defects in material and workmanship for a period of five (5) years from the date of purchase. During this time, VIQUA will repair or replace, at its option, any defective parts covered by the warranty. Please return the defective part to your dealer who will process your claim. One-Year Limited Warranty for UV lamps, Sleeves, and UV Sensors warrants UV lamps, sleeves, and UV Sensors to be free from defects in material and workmanship for a period of one (1) year from the date of purchase. During this time, VIQUA will repair or replace, at its option, any defective parts covered by the warranty.Your dealer will process your claim and advise whether the defective item needs to be returned for
failure analysis.
Note: Use only genuine VIQUA replacement lamps and sleeves in your system. Failure to do so may seriously compromise performance and affect warranty coverage.
General Conditions and Limitations
of the above warranties cover damage caused by improper use or maintenance, accidents, acts of God or minor scratches or imperfections that do not materially impair the operation of the product. The warranties also do not cover products that are not installed as outlined in the applicable Owner’s Manual. Parts repaired or replaced under these warranties will be covered under warranty up to the end of the warranty period applicable to the original part. The above warranties do not include the cost of shipping and handling of returned items.The limited warranties described above are the only warranties applicable to the VIQUA range of products. These limited warranties outline the exclusive remedy for all claims based on a failure of or defect in any of these products, whether the claim is based on contract, tort including negligence), strict liability or otherwise. These warranties are in lieu of all other warranties whether written, oral, implied or statutory. Without limitation, no warranty of merchantability or of fitness for a particular purpose shall apply to any of these products. VIQUA does not assume any liability for personal injury or property damage caused by the use or misuse of any of the above products. VIQUA shall not in any event be liable for special, incidental, indirect or consequential damages. VIQUA’s liability shall, in all instances, be limited to repair or replacement of the defective product or part and this liability will terminate upon expiration of the applicable warranty period.




















