Life Fitness SI Elevation Discover Treadmill Instruction Manual

Lower Frame: System Components



50%


50%



Lower Frame: How To’s
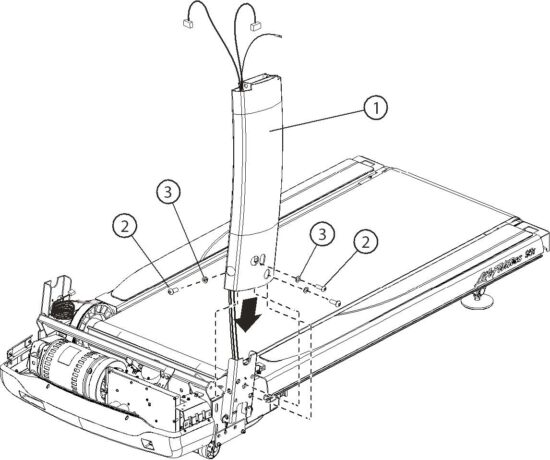
REPLACEMENT OF TOP MOTOR SHROUD COVER
- Remove and save the six Phillips screws that secure the top motor shroud cover to the motor cover mounting brackets and frame.
- Install the new top motor shroud cover using the Phillips screws saved in Step 1.

REPLACEMENT OF UPRIGHTS


- Turn the treadmill power switch off.
- Unplug the line cord from the wall outlet.
- Remove the top motor cover.
- Remove either right or left upright shroud depending on which upright is being replaced.
- Remove the inside handrail covers (See UF 3)
- Remove the Activity Zone assembly (See CA 22).
- Remove the outer handrail covers (See UF 5).
- Remove the lower bridge cover (See UF 4).
- Remove and save the six upper bolts (three per upright) that secure the bridge to the uprights.
- Cables run through both of the uprights. Determining which cable will be disconnected will depend on which upright is being replaced. If replacing the left upright, this will require disconnecting the power cables to the attachable TV and re-routing them through the new upright. The transformer cable must be removed and rerouted if the left upright is being replaced.
- Carefully lift the bridge frame assembly up and out of the uprights and set it to the side.
- Remove and save the three lower bolts that secure the upright to the base frame.
- Install the new upright using the hardware removed in the previous steps.
REPLACEMENT OF UPRIGHT COVERS
- Remove the top motor shroud cover.
- Remove and save the two Phillips screws that secure the upright cover to the upright.
- Loosen the screw securing the upright cover to the main frame (in front of the upright).
- Remove the upright cover.

5. Install the new upright cover, using the screws removed in Step 2.

REPLACEMENT OF BOTTOM MOTOR SHROUD COVER


- Remove the top motor shroud cover (See LF 3).
- Remove and save the four Phillips screws that secure the bottom motor shroud cover to the motor cover mounting brackets.
- Install the new bottom motor shroud cover using the screws removed in Step 2.
REPLACEMENT OF HANDRAILS

- Turn the treadmill power switch off.
- Unplug the line cord from the wall outlet.
- Remove the cup holders.
- Remove the inside handrail covers (See UF 3).
- Remove the Activity Zone assembly (See CA 22).
- Remove the lower bridge cover (See UF 4).
- Remove the outer handrail covers (See UF 5).
- Remove and save the two bolts that secure the handrail to the Ergo bar.
- Remove and save the two Allen bolts that secure the handrail to the upright.
- Remove the handrail.
- Install the new handrail using the bolts removed and saved in Steps 8 & 9.
REPLACEMENT OF ERGO BAR

- Turn the treadmill power switch off.
- Unplug the line cord from the wall outlet.
- Remove the cup holders.
- Remove the inside handrail covers (See UF 3).
- Remove the Activity Zone assembly (See CA 22).
- Remove the lower bridge cover (See UF 4).
- Remove the outer handrail covers (See UF 5).
- Remove and save the two bolts that secure the handrail to the Ergo bar.
- Remove and save the three bolts that secure the Ergo bar to the bridge frame.
- Disconnect the heart rate cable from the Ergo bar to the console.
- Install the new Ergo bar assembly using the hardware removed and saved in Steps 8 and 9.
Read More About This Manual & Download PDF:











