ABB change-over and transfer switches OTC 
Operation
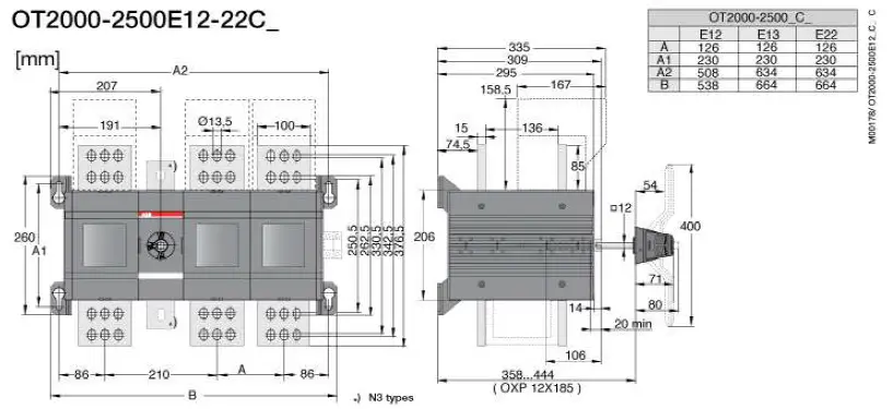
Installation instruction












Mounting positions
Label
Connections
OZX
OTZC



OTZR
OA
OMZB

OTS

OTS

OTV

OTV

Clearances per UL98
Current Height Width Depth
OT200U_C 200 A 406 mm/16 in 305 mm/12 in 203 mm/8 in
OT400U_C 400 A 610 mm/24 in 356 mm/14 in 254 mm/10 in
OT600U_C 600 A 610 mm/24 in 700 mm/28 in 400 mm/16 in
OT800-1200U_C 800/940 A 1220 mm/48 in 610 mm/24 in 400 mm/16 in
A B D
OT200-1200U_C 0 13 mm/0,5 in 13 mm/0,5 in
OT200U_C
Cable size Cable size
AWG C MCM C
4-3 100 mm/4 in 250 200 mm/8 in
2 100 mm/4 in 300 250 mm/10 in
1 100 mm/4 in
1/0 125 mm/5 in
2/0 150 mm/6 in
3/0-4/0 175 mm/7 in
OT400U_C
Cable size Cable size
AWG C MCM C
2 100 mm/4 in 250 250 mm/8 in
1 100 mm/4 in 300 250 mm/10 in
1/0 125 mm/5 in 350 300 mm/12 in
2/0 150 mm/6 in
3/0-4/0 175 mm/7 in
OT600-1200U_C
Cable size Cable size
AWG C MCM C
2 100 mm/4 in 250 200 mm/8 in
1 100 mm/4 in 300 250 mm/10 in
1/0 125 mm/5 in 350 300 mm/12 in
2/0 150 mm/6 in 400 330 mm/13 in
3/0-4/0 175 mm/7 in 500 356 mm/14 in
600 381 mm/15 in






























































